Например TDA7294

Форум РадиоКот • Просмотр темы - Лабораторный БП PSL-3604
Форум РадиоКот
Здесь можно немножко помяукать :)

Текущее время: Ср мар 11, 2026 03:10:40

Часовой пояс: UTC + 3 часа


ПРЯМО СЕЙЧАС:



Начать новую тему Ответить на тему  [ Сообщений: 3939 ]    , , , , 5, , , ...  
Автор Сообщение
 Заголовок сообщения: Re: Лабораторный БП на ARM
СообщениеДобавлено: Вт ноя 29, 2011 12:53:35 
Собутыльник Кота
Аватар пользователя

Карма: 40
Рейтинг сообщений: 372
Зарегистрирован: Вс июл 17, 2011 11:51:52
Сообщений: 2623
Рейтинг сообщения: 0
Galizin писал(а):
С нетерпением жду результатов макетирования.

Я макетировал ещё весной 2010, и результаты выкладывал, только тот вариант немного отличался от варианта LiV : основные идеи были положены несколько иные.
В моём БП реально используется только две ступени, проблем с переключением между ними нет.
Динамику переключений CV/CC можно посмотреть там http://koyodza.embedders.org/powers.html
Схема, которая там приведена, не совсем соответствует реальной: там изображена только одна ступень выходного каскада, но в остальном она соответствует.
Обсуждение было на сахаре, но там чуть другая публика, и сводилось оно в основном к вопросам типа "нах надо".
У меня оставалась проблема устойчивости при определённых токах на выходе в режиме СС (небольшой звон), при токе примерно чуть больше середины диапазона (где-то около 1,8-2А, у меня БП 40В 2,5А), других проблем не обнаружено.
Питание аналоговой части у меня однополярное +5В, управление было на меге48


Вернуться наверх
 
 Заголовок сообщения: Re: Лабораторный БП на ARM
СообщениеДобавлено: Вт ноя 29, 2011 13:33:27 
Друг Кота
Аватар пользователя

Карма: 82
Рейтинг сообщений: 1030
Зарегистрирован: Сб апр 02, 2011 12:40:46
Сообщений: 4779
Откуда: Минск
Рейтинг сообщения: 0
Хатуль_мадан писал(а):
Немного непонятно назначение делителя R10 R11.


Это местная ООС.

Хатуль_мадан писал(а):
Не маловат ли ток стабилизаторов 3мА для перезаряда затворных емкостей регулирующих транзисторов?


Там не совсем так: ток заряда затворов обеспечивается эмиттерным повторителем, а разряда - резисторами З-И.

Хатуль_мадан писал(а):
Не понятно назначение Д37 параллельно токовому шунту, при токах более 6А он только только будет открываться.


Это чтобы в критических условиях не было превышено синфазное для ОУ, ну и шунт заодно защищает.

Хатуль_мадан писал(а):
на максимальных напряжениях ток берется сразу с 4 ступеней выпрямления, в каждом свой диодный мост, суммарное падение более 6В даже при использования диодов шотки


Да, так и есть. Немного сглаживает ситуацию то, что на максимальных напряжениях меньше ток. Но это, конечно, минус схемы. Он может быть устранен применением обмотки трансформатора со средней точкой и отводами. Тогда вообще всегда будет работать в выпрямителях только один диод, потери выпрямителей радикально снижаются. Но ценой удвоения количества меди.

Хатуль_мадан писал(а):
Понравились применяемые ОУ, да и в магазине лежат по 19р. Спасибо за наводку.


Это единственный вариант точных и быстрых ОУ, котрые есть на базаре. Но они не R2R и потребляющие.

koyodza писал(а):
У меня спросить :) Там очень простое решение. Особенно если бы ОУ были с однополярным питанием.


Ну так я и спрашиваю :) Я собрался ставить специально для этой цели LM358 (или LM393) и смотреть за разностью выходных напряжений ОУ усилителей ошибки V и I. Смещением баз транзисторов можно сделать так, что на их выходах всегда будет плюс, что позволит запитать доп. микросхему однополяркой. Сами выходы усилителей ошибки при малых заданных V и I "разбегаются" не больше, чем на 0.3 В.

koyodza писал(а):
Лучше не проверять, а добавить 2 транзистора


Я тоже склоняюсь поставить подобный ключ для выключения источника логическим сигналом. Но мне еще нужно подстраховаться на предмет пропадания или задержки -5 В.

Ничегонеработает писал(а):
А вот эти проблемы изящных решений не имеют, особенно вторая


Тогда пусть остается так. Не смертельно.

Galizin писал(а):
Я надеюсь Леонид Иванович промакетировал схему


Еще нет, но у меня симулятор работает, как надо :)

Galizin писал(а):
Еще хотелось бы что бы он посмотрел бы не только отклик на нагрузку в симуляторе, но и АЧХ схемы


Смотрел. В самом опасном регионе полюс R3C1 компенсирован нулем R38C1, плюс еще ноль чуть выше R3C9. Bот только мегагерцовая область не слишком нравится. Добавить бы туда полюс, чтобы заведомо ниже 0 дБ "хвост" АЧХ опустить, даже при малой емкости на выходе источника. Приходится работать подбором, не вытаскивать же из моделей параметры, чтобы считать на бумаге...

Изображение

Galizin писал(а):
что используется та часть АЧХ ОУ, что лежит после 1


У LM833 частота единичного усиления 15 МГц, это далеко за пределами полосы интереса. Или Вы что-то другое имели в виду?

Galizin писал(а):
эта разница останется на транзисторе и будет вызывать просто дополнительное падение напряжения и нагрев выходной ступени.


Будет вызывать. Но несущественный. Этот эффект можно уменьшить, включив в цепь затворов дополнительные диоды. Но я пока от этого отказался ввиду малости эффекта. По сравнению с транзистором, который в данный момент является регулирующим, остальные рассеивают мизерную мощность.

Galizin писал(а):
Поскольку все равно на трансформаторе используется дополнительная обмотка


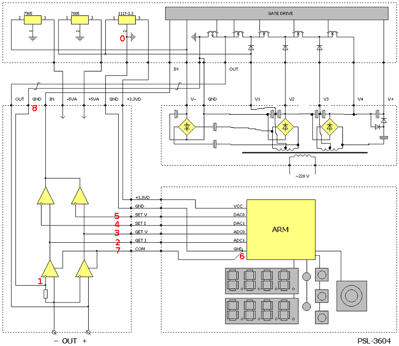
Никаких дополнительных обмоток не используется. См. блок-схему.

Galizin писал(а):
Также непонятно почему на панели используется 2 набора выходных клемм?


Они соединены параллельно, для удобства подключения нескольких нагрузок сразу. Входы SENSE я пока не предусматривал, хотя данная схемотехника позволяет их легко добавить. Возможно, на разводке аналоговой платы учту такую возможность. Правда, там есть вопрос про цепи защиты этих входов.

Galizin писал(а):
Вполне возможно, что коммутация напряжения перед регулирующим транзистором будет обладать большей предсказуемостью и КПД


Вряд ли. Предсказуемости и так хватает, а если не отслеживать падение на транзисторах, погрешность напряжения переключения сведёт на нет все преимущества по КПД.

Galizin писал(а):
Идею плавного ограничения тока считаю нецелесообразной


Да, тут есть над чем подумать. Можно уменьшать и ступенчато, только непонятно по каким критериям.

Galizin писал(а):
Можно конечно говрить только у управлении, но тогда не очень понятно зачем именно в этой теме обсуждается аналоговая часть.


Эта тема не про клубок плат и проводов, а про изделие. Которое включает в себя систему управления, аналоговую часть, а также конкретную компоновку и конкретный корпус.

Galizin писал(а):
Так что я призываю Л, Ив, собрать все это аналоговое хозяйство в железе, сначала с одним мощным транзистором без ступеней хотя бы на ампер, потом с 4 ступенями. А уже потом обсуждать менюшки, кнопочки, дисплеи, коробки и т.д.


Аналоговое железо - это дело пятое. Изделие - это прежде всего корпус и менюшки. А как там реализован аналог - глубоко по барабану, лишь бы выполнял свои функции.

Galizin писал(а):
Извините за резкость.


Резкости не заметил :)


Вложения:
AFC.gif [11.7 KiB]
Скачиваний: 8250
Вернуться наверх
 
 Заголовок сообщения: Re: Лабораторный БП на ARM
СообщениеДобавлено: Вт ноя 29, 2011 15:41:27 
Друг Кота

Карма: 27
Рейтинг сообщений: 206
Зарегистрирован: Чт ноя 26, 2009 11:16:50
Сообщений: 6015
Откуда: Москва
Рейтинг сообщения: 0
Я слегка удивился, прочитав в даташите, что AD833 предполагаются для применения в аудио-аппаратуре (типа с низкими искажениями...). Но вроде нормальные ОУ, быстрые


Последний раз редактировалось SmarTrunk Чт дек 01, 2011 11:35:21, всего редактировалось 1 раз.

Вернуться наверх
 
 Заголовок сообщения: Re: Лабораторный БП на ARM
СообщениеДобавлено: Вт ноя 29, 2011 19:36:20 
Собутыльник Кота
Аватар пользователя

Карма: 40
Рейтинг сообщений: 372
Зарегистрирован: Вс июл 17, 2011 11:51:52
Сообщений: 2623
Рейтинг сообщения: 0
Ничегонеработает писал(а):
(Д37 параллельно токовому шунту)Это чтобы в критических условиях не было превышено синфазное для ОУ, ну и шунт заодно защищает.

Думаю, можно выкинуть. Толку от него не будет. ОУ лучше защищать возле входов, если для выбранных ОУ есть такая необходимость.

Ничегонеработает писал(а):
Я собрался ставить специально для этой цели LM358 (или LM393) и смотреть за разностью выходных напряжений ОУ усилителей ошибки V и I

Я знал, что Вы и сами догадаетесь :) Поскольку у меня вся схема была однополярная, я просто подключил выходы ОУ усилителей ошибки к входам встроенного компаратора меги. Вам, очевидно, нужно ставить внешний компаратор (дешёвый ОУ типа 358 вполне сойдёт). Питать его можете и двуполяркой, достаточно будет выход соединить со входом МК через резистор, ограничивающий ток на уровне сотни мкА

Ничегонеработает писал(а):
koyodza писал(а):
Лучше не проверять, а добавить 2 транзистора
Я тоже склоняюсь поставить подобный ключ для выключения источника логическим сигналом. Но мне еще нужно подстраховаться на предмет пропадания или задержки -5 В.

Есть масса вариантов решения этой проблемы ценой некоторого усложнения ключа. Простейший (хотя, может, не лучший) вариант - эмиттер VT1 подключаем через стабилитрон на 4,7В к источнику -5В

Ничегонеработает писал(а):
Galizin писал(а):
Идею плавного ограничения тока считаю нецелесообразной

Да, тут есть над чем подумать. Можно уменьшать и ступенчато, только непонятно по каким критериям.

Я тоже высказывался по поводу PowerFlex ещё на первой странице. В аналоговом стабилизаторе с несколькими питаниями её тупое применение бессмысленно


Последний раз редактировалось koyodza Чт дек 01, 2011 22:17:37, всего редактировалось 1 раз.

Вернуться наверх
 
Эиком - электронные компоненты и радиодетали
 Заголовок сообщения: Re: Лабораторный БП на ARM
СообщениеДобавлено: Вт ноя 29, 2011 20:03:21 
Друг Кота
Аватар пользователя

Карма: 82
Рейтинг сообщений: 1030
Зарегистрирован: Сб апр 02, 2011 12:40:46
Сообщений: 4779
Откуда: Минск
Рейтинг сообщения: 0
koyodza писал(а):
Есть масса вариантов решения этой проблемы ценой некоторого усложнения ключа. Простейший (хотя, может, не лучший) вариант - эмиттер VT1 подключаем через стабилитрон на 4,7В к источнику -5В


Да, нужно что-то подобное. Я хотел туда TL431 поставить.

koyodza писал(а):
В аналоговом стабилизаторе с несколькими питаниями её тупое применение бессмысленно.


Но ведь проблема есть: нужно защититься от превышения мощности трансформатора, от перегрузки по току верхних обмоток, которые будут тоньше, нужно также ограничить мощность рассеяния транзисторов - верхние секции будут более высоковольтными. Вопрос, как это сделать? Очень не хочется привязываться к конкретным ступенькам. Вот я и хотел тупо определить в программе константу - максимальную мощность данной модели БП, которую не превышать. Но эта мощность не равна потребляемой от трансформатора. Нужно еще знать падение на регулирующем элементе... Или потребляемый от сети ток... Запутался окончательно.

Зачем в лабораторных источниках делают 3 клеммы?

Изображение


Вложения:
Three.jpg [29.66 KiB]
Скачиваний: 8074
Вернуться наверх
 
 Заголовок сообщения: Re: Лабораторный БП на ARM
СообщениеДобавлено: Ср ноя 30, 2011 20:27:33 
Собутыльник Кота
Аватар пользователя

Карма: 21
Рейтинг сообщений: 252
Зарегистрирован: Ср янв 16, 2008 08:34:04
Сообщений: 2560
Откуда: KMV
Рейтинг сообщения: 0
Ничегонеработает писал(а):

Зачем в лабораторных источниках делают 3 клеммы?

Изображение

3 контакт - это корпус. Минус БП с корпусом не связан

_________________
"Чтобы правильно задать вопрос, нужно знать бо́льшую часть ответа." Ро́берт Ше́кли
Я правильных ответов знаю мало, поэтому не стесняюсь и много спрашиваю.


Вернуться наверх
 
 Заголовок сообщения: Re: Лабораторный БП на ARM
СообщениеДобавлено: Ср ноя 30, 2011 20:45:21 
Друг Кота
Аватар пользователя

Карма: 82
Рейтинг сообщений: 1030
Зарегистрирован: Сб апр 02, 2011 12:40:46
Сообщений: 4779
Откуда: Минск
Рейтинг сообщения: 0
Я знаю, куда эта клемма подключена. Вопрос - зачем она нужна?


Вернуться наверх
 
 Заголовок сообщения: Re: Лабораторный БП на ARM
СообщениеДобавлено: Ср ноя 30, 2011 20:47:59 
Поставщик валерьянки для Кота

Карма: 1
Рейтинг сообщений: 5
Зарегистрирован: Ср май 11, 2011 21:37:45
Сообщений: 1995
Откуда: Цветочный город
Рейтинг сообщения: 0
Ничегонеработает писал(а):
Я знаю, куда эта клемма подключена. Вопрос - зачем она нужна?
чтобы при желании соединить корпус с плюсом или минусом :) и подать защитную землю на устройство, если нужно

_________________
битва с дураками проиграна, победители торжествуют. слава победителям!


Вернуться наверх
 
 Заголовок сообщения: Re: Лабораторный БП на ARM
СообщениеДобавлено: Ср ноя 30, 2011 22:07:40 
Друг Кота
Аватар пользователя

Карма: 82
Рейтинг сообщений: 1030
Зарегистрирован: Сб апр 02, 2011 12:40:46
Сообщений: 4779
Откуда: Минск
Рейтинг сообщения: 0
Т.е. фактически, это дополнительная клемма заземления, которых на рабочем столе и так хватает. А на сам источник защитная земля приходит через боковые контакты вилки, да и то, если вилка евро... Нет доверия. Вопрос заключается в том, насколько всё это нужно? Кто-то реально пользуется? Понимаю, что это традиция отрасли. Но стоит ли поддерживать?


Вернуться наверх
 
 Заголовок сообщения: Re: Лабораторный БП на ARM
СообщениеДобавлено: Ср ноя 30, 2011 22:34:25 
Собутыльник Кота
Аватар пользователя

Карма: 40
Рейтинг сообщений: 372
Зарегистрирован: Вс июл 17, 2011 11:51:52
Сообщений: 2623
Рейтинг сообщения: 0
Ничегонеработает писал(а):
Т.е. фактически, это дополнительная клемма заземления, которых на рабочем столе и так хватает.

Где? :shock:
Ничегонеработает писал(а):
Вопрос заключается в том, насколько всё это нужно? Кто-то реально пользуется? Понимаю, что это традиция отрасли. Но стоит ли поддерживать?

Для радиолюбителей однозначно не нужно. Подавляющее большинство людей вообще не знает, зачем третий провод в розетке, и частенько если он есть спокойно откусывает. Предыдущий хозяин моей квартиры именно так и поступил, пришлось проводку перекладывать


Последний раз редактировалось koyodza Ср ноя 30, 2011 22:42:15, всего редактировалось 1 раз.

Вернуться наверх
 
 Заголовок сообщения: Re: Лабораторный БП на ARM
СообщениеДобавлено: Ср ноя 30, 2011 22:37:40 
Друг Кота
Аватар пользователя

Карма: 82
Рейтинг сообщений: 1030
Зарегистрирован: Сб апр 02, 2011 12:40:46
Сообщений: 4779
Откуда: Минск
Рейтинг сообщения: 0
koyodza писал(а):
Где? :shock:


А Вы посмотрите на задний торец столешницы рабочего стола. Там идёт такя медная шина, в которой с некоторым шагом сделаны отверстия с резьбой, куда можно прикручивать провода заземления.


Вернуться наверх
 
 Заголовок сообщения: Re: Лабораторный БП на ARM
СообщениеДобавлено: Ср ноя 30, 2011 22:40:37 
Собутыльник Кота
Аватар пользователя

Карма: 40
Рейтинг сообщений: 372
Зарегистрирован: Вс июл 17, 2011 11:51:52
Сообщений: 2623
Рейтинг сообщения: 0
Ничегонеработает писал(а):
А Вы посмотрите на задний торец столешницы рабочего стола. Там идёт такя медная шина, в которой с некоторым шагом сделаны отверстия с резьбой, куда можно прикручивать провода заземления.

Нету там ничего :dont_know: Только ДСП от старого шкафа :wink:

А я доверяю евровилкам. Но только своим :) а то народ частенько это дело откусывает


Последний раз редактировалось koyodza Чт дек 01, 2011 12:01:44, всего редактировалось 1 раз.

Вернуться наверх
 
 Заголовок сообщения: Re: Лабораторный БП на ARM
СообщениеДобавлено: Чт дек 01, 2011 07:30:48 
Поставщик валерьянки для Кота

Карма: 1
Рейтинг сообщений: 5
Зарегистрирован: Ср май 11, 2011 21:37:45
Сообщений: 1995
Откуда: Цветочный город
Рейтинг сообщения: 0
Ничегонеработает писал(а):
А Вы посмотрите на задний торец столешницы рабочего стола. Там идёт такя медная шина, в которой с некоторым шагом сделаны отверстия с резьбой, куда можно прикручивать провода заземления.

похоже, вы маленько лукавите, когда гооврите, что все делаете исключительно для себя, и вообще у вас все убого-нищебродски :) у меня на работе не на всех монтажных столах имеется шина заземления, а чтобы у кого-то дома она была - впервые от вас услышал :)))

_________________
битва с дураками проиграна, победители торжествуют. слава победителям!


Вернуться наверх
 
 Заголовок сообщения: Re: Лабораторный БП на ARM
СообщениеДобавлено: Чт дек 01, 2011 10:46:46 
Друг Кота
Аватар пользователя

Карма: 82
Рейтинг сообщений: 1030
Зарегистрирован: Сб апр 02, 2011 12:40:46
Сообщений: 4779
Откуда: Минск
Рейтинг сообщения: 0
Дома это скорее не шина заземления, а шина эквипотенциирования. Причем сделать её может каждый, купив на базаре кусочек медной шины, которыми мотают мощные трансформаторы. Не понимаю, почему для Вас эта шина стала признаком благосостояния. Конечно, медь дорогая, но не до такой же степени...


Вернуться наверх
 
 Заголовок сообщения: Re: Лабораторный БП на ARM
СообщениеДобавлено: Чт дек 01, 2011 11:48:28 
Говорящий с текстолитом
Аватар пользователя

Карма: 9
Рейтинг сообщений: 51
Зарегистрирован: Ср окт 04, 2006 22:33:56
Сообщений: 1580
Откуда: М.о.
Рейтинг сообщения: 0
Мы раньше на работе вообще использовали экран от магистрального антенного кабеля.

_________________
Всё придумано до и для нас.


Вернуться наверх
 
 Заголовок сообщения: Re: Лабораторный БП на ARM
СообщениеДобавлено: Чт дек 01, 2011 22:03:02 
Родился

Зарегистрирован: Пн фев 08, 2010 21:18:16
Сообщений: 18
Рейтинг сообщения: 0
Предлагаю еще несколько дополнительных полезных функций БП (опционально).
1. Проведем эксперимент на имеющемся трансформаторном БП, подключим
один щуп цифрового тестера в режиме измерения переменного напряжения к
минусу БП, другой держим в руке, включаем БП. У меня тестер показывал в
районе 50 В. Теперь представим, что вместо тестера у нас затвор и исток
полевичка, думаю полевичку придет кирдык. Следовательно, в проектирумом БП
необходимо не только отключение выходного напряжения , но и гальваническое
отсоединение нагрузки, а это можно сделать только с помощью реле. Реле
должно коммутировать нагрузку при отсутствии тока, т.е. сначала включается
реле, затем подается напряжение на выход, и наоборот при выключении:
сначала отключаем напряжение , затем реле.
2. В некоторых случаях, для питания какого нибудь устройства или макета,
требуется два напряжения, напр. 5В и 36В, причем подаваться напряжения
должны последовательно, сначала 5В, затем 36В, отключаться в обратной
последовательности, нарушение этой последовательности может привести в
некоторых случаях к нежелательным последствиям. Предлагаю ввести еще одно
реле (status relay) с программируемой функцией, одной из них и является
зависимое включение источников питания.
3. Может пригодиться цифровой вход (оптоизолированный) для экстренного
отключения выходного напряжения БП внешними устройствами , например, при
наступлении каких то событий, типа сработала защита вспомогательного БП,
должен отключиться и основной.
4. Полезная функция - счетчик часов работы БП под нагрузкой, с отключаемой
предустановкой, превышение которой - откл.
5. Встроенный термостат с выносным датчиком температуры позволяет при
экспериментах защить нагрузку от перегрева.
6. Что будет показывать цифровой амперметр при динамической нагрузке (типа
УЗЧ) все мы знаем, предлагаю функцию фиксации пикового и наименьшего
значения тока нагрузки. Здесь же опять напрашивается доп ЖКИ для режима
аналоговой шкалы (progress bar).


Вернуться наверх
 
 Заголовок сообщения: Re: Лабораторный БП на ARM
СообщениеДобавлено: Чт дек 01, 2011 22:18:46 
Собутыльник Кота
Аватар пользователя

Карма: 40
Рейтинг сообщений: 372
Зарегистрирован: Вс июл 17, 2011 11:51:52
Сообщений: 2623
Рейтинг сообщения: 0
Ничегонеработает писал(а):
Хатуль_мадан писал(а):
на максимальных напряжениях ток берется сразу с 4 ступеней выпрямления, в каждом свой диодный мост, суммарное падение более 6В даже при использования диодов шотки
Да, так и есть. Немного сглаживает ситуацию то, что на максимальных напряжениях меньше ток. Но это, конечно, минус схемы. Он может быть устранен применением обмотки трансформатора со средней точкой и отводами. Тогда вообще всегда будет работать в выпрямителях только один диод, потери выпрямителей радикально снижаются. Но ценой удвоения количества меди.

Не обязательно удвоения меди. Соседние пары выпрямителей можно объединить (правда, их напряжения будут одинаковыми), и использовать по одному мосту и отвод от середины. Получится, что при работе от одного (самого нижнего) источника фактически нагружена будет половина моста, т.е. выпрямитель будет работать как двухполупериодный со средней точкой, а при работе от двух нижних источников уже будут принимать участие все 4 диода. Таким образом можно уменьшить число мощных диодов в выпрямителях, а также потери в них. Цена вопроса - невозможность сделать напряжения источников внутри такой пары разными. Но при 4-ступенчатой модели будет всего 8 диодов вместо 16, и напряжения следующей пары ступеней могут быть другими
Изображение


Вложения:
Liv2.gif [32.87 KiB]
Скачиваний: 7860
Вернуться наверх
 
 Заголовок сообщения: Re: Лабораторный БП на ARM
СообщениеДобавлено: Чт дек 01, 2011 23:25:44 
Друг Кота
Аватар пользователя

Карма: 82
Рейтинг сообщений: 1030
Зарегистрирован: Сб апр 02, 2011 12:40:46
Сообщений: 4779
Откуда: Минск
Рейтинг сообщения: 0
AV_K писал(а):
думаю полевичку придет кирдык


А зачем браться рукой за затвор полевика? Если тело радиолюбителя не заземлено, тут ничего не поможет.

AV_K писал(а):
Предлагаю ввести еще одно реле (status relay) с программируемой функцией, одной из них и является
зависимое включение источников питания.


Последовательную подачу напряжений питания может обеспечить многоканальный БП. А обсуждаемый БП будет одноканальный.

AV_K писал(а):
Может пригодиться цифровой вход (оптоизолированный) для экстренного
отключения выходного напряжения БП внешними устройствами


Может пригодится, но мы делаем простой БП, с набором функций, чуть больше минимального.

AV_K писал(а):
Полезная функция - счетчик часов работы БП под нагрузкой, с отключаемой
предустановкой, превышение которой - откл.


Совершенно не понимаю, зачем это надо. Типа сел отлаживать конструкцию, а БП вдруг выключается - пора на улицу, дышать свежим воздухом.

AV_K писал(а):
Встроенный термостат с выносным датчиком температуры позволяет при
экспериментах защить нагрузку от перегрева.


Может пригодиться. Но вряд ли это будет в обсуждаемом БП.

AV_K писал(а):
Что будет показывать цифровой амперметр при динамической нагрузке (типа
УЗЧ) все мы знаем, предлагаю функцию фиксации пикового и наименьшего
значения тока нагрузки. Здесь же опять напрашивается доп ЖКИ для режима
аналоговой шкалы (progress bar).


Самое интересное предложение. В более навороченной модели БП с информативным дисплеем такую функцию обязательно нужно сделать. А в данном БП просто нечем отображать режим отображения.

koyodza писал(а):
Не обязательно удвоения меди. Соседние пары выпрямителей можно объединить (правда, их напряжения будут одинаковыми), и использовать по одному мосту и отвод от середины.


Гениально! Я так сделать не догадался, хоть видел и Вашу схему с таким решением, и схему Sorensen XS-60, где так сделано. Две первых секции я и так хотел сделать почти одинаковыми, а две последних - не принципиально. Как хорошо, что пока не перематывал трансформатор. У него готовая обмотка на 12 В, выполненная проводом диаметром 1.6 мм. Думал немного отмотать - и первая секция готова. Но не судьба. Теперь придется мотать с нуля в два провода. Как раз есть провод 1.25 мм, впритык, но на 4 А хватит.

Изображение

Upd: третью ночь сижу над моделью, и чем дальше, тем больше ощущаю свою беспомощность. Спаять, как есть?
Не очень хорошо работает с малым током нагрузки. Уменьшил R28R29, которые служат как нагрузка. Но этого мало. Не хочется, чтобы выключенный блок потреблял от внешних цепей слишком много. В идеале нужно было бы нагрузить на генератор тока, который включался бы только при появлении питания. Обидно, что почти всё для этого есть (транзистор нижнего плеча). Вот бы установить небольшой ток покоя. Но как это сделать? Неминуемо вырисовывается подстроечник...

Хотя... Еще раз модельнул другие источники, там тоже проблем хватает. Наверное, не так всё плохо.

Изображение

Если у кого бессонница, присоединил проект OrCAD с моделью. Убивает время лучше всяких игр!


Вложения:
PSL-3604_model.gif [45.87 KiB]
Скачиваний: 9383
Комментарий к файлу: Модель БП для OrCAD 9.2
PSL-3604_model.zip [53.71 KiB]
Скачиваний: 753
Trans.jpg [83.83 KiB]
Скачиваний: 7920
Вернуться наверх
 
 Заголовок сообщения: Re: Лабораторный БП на ARM
СообщениеДобавлено: Сб дек 03, 2011 14:36:35 
Поставщик валерьянки для Кота
Аватар пользователя

Карма: 11
Рейтинг сообщений: 201
Зарегистрирован: Чт фев 21, 2008 04:08:15
Сообщений: 2472
Откуда: Омск
Рейтинг сообщения: 0
Блоки питания всегда и всем актуальны! :)))
Вот уже 4 выпуск мужик проектирует! http://www.youtube.com/watch?v=YaRDbw38x7Q&feature=player_detailpage#t=2300s
Ссылку даю на конец видео с частью схемы! Может пригодится!
Осцил у него цифровой ВЕЩЩЬЬ!!! :P

_________________
Мы так далеко откатились назад, что прошлое стало будущим.


Вернуться наверх
 
 Заголовок сообщения: Re: Лабораторный БП на ARM
СообщениеДобавлено: Сб дек 03, 2011 15:29:55 
Друг Кота

Карма: 27
Рейтинг сообщений: 206
Зарегистрирован: Чт ноя 26, 2009 11:16:50
Сообщений: 6015
Откуда: Москва
Рейтинг сообщения: 0
slavector
Ну схема у него довольно примитивная (по сравнению с обсуждаемыми здесь). Хотя для домашней "конструкции выходного дня" это, скорее, плюс. Характеристики гораздо скромнее... А мужик колоритный, да...


Вернуться наверх
 
Показать сообщения за:  Сортировать по:  Вернуться наверх
Начать новую тему Ответить на тему  [ Сообщений: 3939 ]    , , , , 5, , , ...  

Часовой пояс: UTC + 3 часа


Вы не можете начинать темы
Вы не можете отвечать на сообщения
Вы не можете редактировать свои сообщения
Вы не можете удалять свои сообщения
Вы не можете добавлять вложения

Найти:
Перейти:  


Powered by phpBB © 2000, 2002, 2005, 2007 phpBB Group
Русская поддержка phpBB
Extended by Karma MOD © 2007—2012 m157y
Extended by Topic Tags MOD © 2012 m157y