Например TDA7294

Форум РадиоКот • Просмотр темы - Зарядник для свинцовых АКБ
Форум РадиоКот
Здесь можно немножко помяукать :)

Текущее время: Вт фев 24, 2026 05:04:29

Часовой пояс: UTC + 3 часа


ПРЯМО СЕЙЧАС:



Начать новую тему Ответить на тему  [ Сообщений: 96 ]    , , , , 5
Автор Сообщение
 Заголовок сообщения:
СообщениеДобавлено: Сб фев 07, 2009 20:53:50 
Открыл глаза
Аватар пользователя

Зарегистрирован: Сб авг 09, 2008 16:53:11
Сообщений: 47
Откуда: Краснодар
Рейтинг сообщения: 0
завтра на рынок поеду, я так понял нужно будет токозадающий резистор подобрать, но на сколько? может вообще поставить подстроечный и вынести вынести его вместе с R7?

_________________
моя ошибка в том, что я боюсь ошибиться


Вернуться наверх
 
 Заголовок сообщения:
СообщениеДобавлено: Сб фев 07, 2009 21:06:47 
Поставщик валерьянки для Кота
Аватар пользователя

Карма: 3
Рейтинг сообщений: 9
Зарегистрирован: Пн июл 14, 2008 18:12:37
Сообщений: 2296
Рейтинг сообщения: 0
не прокатит . вообще . на нём будет падать существенная моща . купите лучше проволоки нихромовой , манганиновой или константановой и ей сделаете резисторы . диаметр где-то 0.2-0.5 . думается мне что такого хватит . и учтите - чем больше диаметр - тем больше ток может пропускать и тем больше мотать придётся на одно и то же сопротивление , по сравнению с тонкой . советую проволоку потому , что заранее рассчитать ничего не получится , т.к. параметры плавают случайным образом у транзисторов . ваша задача замерить ток через каждый транзистор при парралельном включении и рассчитать под каждый транзистор свой резистор . ещё запаситесь там же крупным радиатором , т.к. суммарная мощность нагрева не измениться от парралельно включённых транзисторов :)))

_________________
есть вопросы ? чего-то не знаешь ? прежде всего смотри это


Вернуться наверх
 
 Заголовок сообщения:
СообщениеДобавлено: Вс фев 08, 2009 11:32:20 
Открыл глаза
Аватар пользователя

Зарегистрирован: Сб авг 09, 2008 16:53:11
Сообщений: 47
Откуда: Краснодар
Рейтинг сообщения: 0
на рынке чисто барыги, не нашёл ничё нормального, буду в нете заказывать

_________________
моя ошибка в том, что я боюсь ошибиться


Вернуться наверх
 
 Заголовок сообщения:
СообщениеДобавлено: Вс фев 08, 2009 22:52:44 
Поставщик валерьянки для Кота
Аватар пользователя

Карма: 3
Рейтинг сообщений: 9
Зарегистрирован: Пн июл 14, 2008 18:12:37
Сообщений: 2296
Рейтинг сообщения: 0
непонятно чего вы там не нашли .

_________________
есть вопросы ? чего-то не знаешь ? прежде всего смотри это


Вернуться наверх
 
Эиком - электронные компоненты и радиодетали
 Заголовок сообщения:
СообщениеДобавлено: Пн фев 09, 2009 04:24:25 
Встал на лапы
Аватар пользователя

Зарегистрирован: Вт дек 16, 2008 11:32:58
Сообщений: 83
Откуда: АЛТАЙСКИЙ КРАЙ .Россия.
Рейтинг сообщения: 0
LINKS_234 писал(а):
MAN53 писал(а):
Это как ? Разверните ответ по тепловыделению транзистора -84w тепла .


извиняюсь , ступил страшно :) там получится где-то (14.5-10.5)*7=28Вт тепла при разряженном аккуме . однако транзистор надо будет брать скорей всего полевой на такие токи .

Ага!
Не совсем понимаю, что (точнее какая схема) обсуждается в этой теме,было много ссылок и это путает . :idea: :?

_________________
Электричество, это просто - "Не суй руки - не протянешь ноги!"


Вернуться наверх
 
 Заголовок сообщения:
СообщениеДобавлено: Пн фев 09, 2009 20:58:00 
Поставщик валерьянки для Кота
Аватар пользователя

Карма: 3
Рейтинг сообщений: 9
Зарегистрирован: Пн июл 14, 2008 18:12:37
Сообщений: 2296
Рейтинг сообщения: 0
ну не так уж и много было ссылок ... главное следить за темой :)))
я про схему , с которой предполагается заряжать автомобильный аккум током 7А .

_________________
есть вопросы ? чего-то не знаешь ? прежде всего смотри это


Вернуться наверх
 
 Заголовок сообщения: Re: Зарядник для свинцовых АКБ
СообщениеДобавлено: Сб май 21, 2011 00:13:58 
Родился

Зарегистрирован: Вт май 10, 2011 21:45:33
Сообщений: 12
Рейтинг сообщения: 0
Добрый вечер, уважаемые коты. Заранее прошу прощения за много букв.

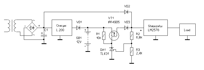
У меня в машине стоит 3G модем, (антенна на крыше), подключенный к WiFi роутеру. Таким образом вокруг машины раздается Интернет, что мне очень удобно. Питание роутера (5V) берется со стабилизатора напряжения на LM317, между стабилизатором и сетью автомобиля включен свинцово-кислотный аккумулятор на 2,3а/ч с кнопкой принудительного включения. Т.е. роутер работает, когда включено зажигание, когда оно выключено – кнопкой можно подключить аккумулятор и питаться от него. Естественно, аккумулятор в таком подключении прожил недолго, т.к. при зарядке после полного разряда, зарядный ток был чересчур большой, а когда я забывал выключать кнопку, он садился полностью. Нужно было организовать правильный заряд и не допустить глубокий разряд.

Покопавшись на форуме, я нашел вот эту схему, отлично подходящую для моих целей, (прикреплена) и добавил коммутацию. При тестировании дома, при входящем напряжении около 16V все было отлично – напряжение на аккумуляторе установил 13,8V. Но испытания в машине испортили мне настроение. Оказывается, напряжение в бортовой сети моего автомобиля 13,2-13,4V, что, учитывая падение напряжения на L200C и диодах – категорически неприемлемо.

Я вижу такие варианты решения:
1. Поднять входное напряжение за счет преобразователя, скажем 12->18V.
2. Переделать схему под аккумулятор 6V и питать от него роутер напрямую, без стабилизатора напряжения (интересно, роутер не умрет?).
3. Бредовый вариант со сложной коммутацией – переделать схему под 6V, заряжать два включенных параллельно аккумулятора, а при необходимости коммутировать их последовательно и питать роутер через стабилизатор.

Мне нравится второй вариант (6V), но, насколько я понял, с ним будут сложности из-за слишком низкого напряжения для работы цепочки стабилитрон-полевик.

Наконец, вопросы :)

1. Как переделать схему под 6V?
2. Нужен ли в ней диод VD2?


Вложения:
Схема.JPG [56.66 KiB]
Скачиваний: 1252
Вернуться наверх
 
 Заголовок сообщения: Re: Зарядник для свинцовых АКБ
СообщениеДобавлено: Пн май 23, 2011 11:29:58 
Поставщик валерьянки для Кота
Аватар пользователя

Карма: 3
Рейтинг сообщений: 9
Зарегистрирован: Пн июл 14, 2008 18:12:37
Сообщений: 2296
Рейтинг сообщения: 0
VD2 там нафиг не нужен, если делитель сделать более высокоомным и поставить диод с мизерным обратным током.
я бы питал роутер от 6В без преобразователя , т.к. во всём что я видел стояли импульсники внутрях для процессоров, которые питаются от 3.3В . плюс ко всему родные китайские БП никто не стабилизируют и разброс выходных напруг там довольно приличный (это ещё не учитывая ХХ и просадку под нагрузкой). от бортовой , правда, всёравно придётся питать через LMку . что касается полевика - есть же irfl , которые уже при 4-5В на затворе почти полностью открываются (разница в сопротивлении канала между 5 и 12 В врядли достигнет 10%). TL431 легко меняется на TLV431 (1.24В стабилизация).

_________________
есть вопросы ? чего-то не знаешь ? прежде всего смотри это


Вернуться наверх
 
 Заголовок сообщения: Re: Зарядник для свинцовых АКБ
СообщениеДобавлено: Пн май 23, 2011 13:56:26 
Родился

Зарегистрирован: Вт май 10, 2011 21:45:33
Сообщений: 12
Рейтинг сообщения: 0
Большое спасибо. Буду думать.


Вернуться наверх
 
 Заголовок сообщения: Re: Зарядник для свинцовых АКБ
СообщениеДобавлено: Вс авг 14, 2011 22:51:00 
Родился

Зарегистрирован: Ср апр 21, 2010 20:49:31
Сообщений: 2
Рейтинг сообщения: 0
Добрый день. У меня появилась потребность ИБП с выходным напряжением 5-9В.
Вот разработал схемку, и хочу услышать ваше мнение.

Питание схемы 12В. LED_GREEN_1 отображает что устройство подключено к сети. Диод D1 предотвращает разряду батареи через 7805CT при отключении внешнего питания.
На стабилизаторе выставлено напряжение 6,85В (точно выставляется резистором VR1) что соответствует standbay use: 6,75-6,9V напряжению NiCd аккумуляторов 6V-4А, 6V-3.3A, 6V-1,3A (может и другие, просто эти попадали мне в руки).
Резистор R10,R12 ограничивают начальный ток заряда. Конечно время заряда в таком режиме длится долго, но в моем случае зарядка за сутки вполне устраивает, в большей части внешнее питание присутствует.
Далее контроллер постоянно контролирует напряжение на выходе.
Если напряжение ниже 2,4В значит произошло КЗ нагрузка отключается мин на 3с и ИБП выдает длинный звуковой сигнал.
Если напряжение выше 5,9В и меньше 7,51В нагрузка включается.
Если напряжение выше 7,51В нагрузка выключается.
Контроль этих напряжений происходит примерно каждые 20мс.

Остальные проверки проводятся каждые 30с.
Если напряжение выше 6,9В меньше 7,51В мерцает красный светодиод 3 раза на 30с.
Если напряжение выше 6,4В меньше 6,8В мерцает красный светодиод 1 раза на 30с.
Если напряжение выше 6,1В меньше 6,4В 1 звуковой и световой сигнал 1 раза на 30с.
Если напряжение выше 5,9В меньше 6,1В 1 звуковой и световой сигнал 2 раза на 30с.
Если напряжение выше 5,8В меньше 5,9В 1 звуковой и световой сигнал 3 раза на 30с.
Если напряжение выше 5,7В меньше 5,8В 1 звуковой и световой сигнал 4 раза на 30с.
Если напряжение ниже 5,7В нагрузка отключается.

Прошивка написана на Си в CodeVisionAVR 2.03.5, схема и печатная плата нарисована в DipTrace 2.1.07

В будущем может поменяю 7805 на L200 что ускорит процесс заряда. Или использовать неиспользуемый вывод ADC контроллера и контролировать напряжение непосредственно на АКБ и сделать двухступенчатую зарядку если АКБ разряжен ниже 5,7 устанавливаем напряжение стабилизатора 7,5В (что соответствует cycle режиму) при достижении этого напряжения на АКБ, переводить зарядку в standbay режим.

Файлы обновлены, в предыдущей версии схемы очень большое падение напряжения на диодах, данная схема находиться на окончательной стадии тестирования.


Вложения:
Комментарий к файлу: Проект CVAVR, схема, печатная плата в DipTrace
charge.zip [227 KiB]
Скачиваний: 436
Комментарий к файлу: Схема
shema.jpg [131.84 KiB]
Скачиваний: 825
Вернуться наверх
 
 Заголовок сообщения: Re:
СообщениеДобавлено: Вт мар 27, 2012 12:51:26 
Встал на лапы

Зарегистрирован: Вт мар 27, 2012 12:40:54
Сообщений: 101
Откуда: Волгоград
Рейтинг сообщения: 0
Барсик писал(а):
А пока - обещанная схема защиты аккумулятора от глубокого разряда в прикошаченном файле.


Использовал ваш метод переключения на батарейное питание в составе своего аналогичного UPS.
Подтверждаю - схема работает. Проверял на токах до 2А. IRF4905 отличная штуковина - естественно падение на нём 0 - и не греется.
Номиналы остальных элементов взял другие. Аккумулятор CSB 12В/7Ач.
У данного метода есть нюанс: если включить только батарею (даже заряженную, БЕЗ внешнего питания), питание на выходе схемы не появится. Собственно, это видно из схемы - хотел обратить внимание котов.


Вернуться наверх
 
 Заголовок сообщения: Re: Зарядник для свинцовых АКБ
СообщениеДобавлено: Ср мар 28, 2012 22:25:57 
Друг Кота
Аватар пользователя

Карма: 28
Рейтинг сообщений: 267
Зарегистрирован: Ср сен 27, 2006 16:18:57
Сообщений: 3459
Рейтинг сообщения: 0
AVDEY писал(а):
...если включить только батарею... , питание на выходе схемы не появится.
Прошу пардону. Холодный старт предусмотрен не был :) Если очень хочется - включите кнопку последовательно с резистором в несколько килоом между + аккумулятора и управляющим входом (Ref) TL431.


Вернуться наверх
 
 Заголовок сообщения: Re: Зарядник для свинцовых АКБ
СообщениеДобавлено: Пн апр 02, 2012 12:47:56 
Встал на лапы

Зарегистрирован: Вт мар 27, 2012 12:40:54
Сообщений: 101
Откуда: Волгоград
Рейтинг сообщения: 0
Барсик писал(а):
Прошу пардону. Холодный старт предусмотрен не был :) Если очень хочется - включите кнопку последовательно с резистором в несколько килоом между + аккумулятора и управляющим входом (Ref) TL431.


Да это понятно, что схема нужна отдельная для включения. Кстати, на практике схема запускается без внешнего питания - наверное из-за утечек и пол. обратной связи. Хотя не знаю почему.
Мне не важно - главное работает и IRF4905 не греется. Большое спасибо


Вернуться наверх
 
 Заголовок сообщения: Re: Зарядник для свинцовых АКБ
СообщениеДобавлено: Чт фев 21, 2013 19:52:53 
Грызет канифоль

Зарегистрирован: Вт янв 29, 2013 16:59:51
Сообщений: 257
Откуда: Украина, Днепропетровск
Рейтинг сообщения: 0
Добрый день.

Мои вопросы, скорее всего, к Барсику, как автору этой схемы для защиты аккумуляторов от глубокого разряда

1. Для работы с батареей на 6V достаточно пересчитать делитель R2-R3, или придеться менять и другие элементы?
2. какие какие аналоги транзистора можно использовать в моем случае (для батареи на 6V)?
3. Правильно ли я понимаю, что из-за двух диодов между батареей и стабилизатором на входе последнего получим ~5В (при работе от батареи на 6V)?

Спасибо.


Вернуться наверх
 
 Заголовок сообщения: Re: Зарядник для свинцовых АКБ
СообщениеДобавлено: Пт фев 22, 2013 16:11:37 
Друг Кота
Аватар пользователя

Карма: 28
Рейтинг сообщений: 267
Зарегистрирован: Ср сен 27, 2006 16:18:57
Сообщений: 3459
Рейтинг сообщения: 0
1. ещё надо уменьшить R1 вдвое и использовать другой полевой транзистор.
2. любые полевики с p-каналом, но обязательно типа "Logic level" потому, что напряжения питания может не хватить, чтобы транзистор вроде IRF4905 нормально открылся.
3. Да. На обычном диоде упадёт где-то 0,8-0,9 вольта. Можно поставить диод Шоттки, тогда упадёт чуть меньше.


Вернуться наверх
 
 Заголовок сообщения: Re: Зарядник для свинцовых АКБ
СообщениеДобавлено: Чт мар 14, 2013 17:42:41 
Вымогатель припоя
Аватар пользователя

Карма: 9
Рейтинг сообщений: 16
Зарегистрирован: Ср фев 24, 2010 23:33:28
Сообщений: 691
Откуда: Тверская обл.
Рейтинг сообщения: 0
Где то я на косячил?
Вроде как с IRF4905?


Вложения:
Андрей.rar [15.58 KiB]
Скачиваний: 354

_________________
Какая *** выключила свет в конце туннеля.
Вернуться наверх
 
Показать сообщения за:  Сортировать по:  Вернуться наверх
Начать новую тему Ответить на тему  [ Сообщений: 96 ]    , , , , 5

Часовой пояс: UTC + 3 часа


Вы не можете начинать темы
Вы не можете отвечать на сообщения
Вы не можете редактировать свои сообщения
Вы не можете удалять свои сообщения
Вы не можете добавлять вложения

Найти:
Перейти:  


Powered by phpBB © 2000, 2002, 2005, 2007 phpBB Group
Русская поддержка phpBB
Extended by Karma MOD © 2007—2012 m157y
Extended by Topic Tags MOD © 2012 m157y