Например TDA7294

Форум РадиоКот • Просмотр темы - Подключить светодиод к сети 220 вольт
Форум РадиоКот
Здесь можно немножко помяукать :)

Текущее время: Вс дек 14, 2025 21:35:44

Часовой пояс: UTC + 3 часа


ПРЯМО СЕЙЧАС:



Начать новую тему Ответить на тему  [ Сообщений: 4558 ]     ... , , , 35, , , ...  
Автор Сообщение
Не в сети
 Заголовок сообщения: Re: Подключить светодиод к сети 220 вольт
СообщениеДобавлено: Пт мар 22, 2013 09:16:01 
Грызет канифоль

Зарегистрирован: Пн окт 27, 2008 22:55:45
Сообщений: 265
Рейтинг сообщения: 0
Да! Тут кто то спрашивал про плату.
Вот, подготовил, собираюсь делать на ней.

А ну да :)) наоборот.
Просто не картинка использовалась исключительно для решения вопроса с конденсатором , вот и не вдавался в подробности.
На печатке все правильно :)


Вложения:
111.GIF [24.57 KiB]
Скачиваний: 1323
Вернуться наверх
 
Не в сети
 Заголовок сообщения: Re: Подключить светодиод к сети 220 вольт
СообщениеДобавлено: Пт мар 22, 2013 10:40:52 
Модератор
Аватар пользователя

Карма: 153
Рейтинг сообщений: 2926
Зарегистрирован: Сб авг 14, 2010 15:05:51
Сообщений: 18891
Откуда: г. Озерск, Челябинская обл.
Рейтинг сообщения: 0
Медали: 1
Лучший человек Форума 2017 (1)
на печати:
сетевой электролит поверни на 90 градусов по часовой.
диоды выпрямителя поменяй местами.
тогда плюс пойдет на кондер с верхнего диода, и минус на кондер пойдет по более короткой дороге.

_________________
Мудрость приходит вместе с импотенцией...
Когда на русском форуме переходят на Вы, в реальной жизни начинают бить морду.


Вернуться наверх
 
Не в сети
 Заголовок сообщения: Re: Подключить светодиод к сети 220 вольт
СообщениеДобавлено: Пт мар 22, 2013 11:49:54 
Грызет канифоль

Зарегистрирован: Пн окт 27, 2008 22:55:45
Сообщений: 265
Рейтинг сообщения: 0
Вот сделал.
Лучше пожалуй, но не на много


Вложения:
1111.GIF [24.13 KiB]
Скачиваний: 1163
Вернуться наверх
 
Не в сети
 Заголовок сообщения: Re: Подключить светодиод к сети 220 вольт
СообщениеДобавлено: Пт мар 22, 2013 12:11:35 
Модератор
Аватар пользователя

Карма: 153
Рейтинг сообщений: 2926
Зарегистрирован: Сб авг 14, 2010 15:05:51
Сообщений: 18891
Откуда: г. Озерск, Челябинская обл.
Рейтинг сообщения: 0
Медали: 1
Лучший человек Форума 2017 (1)
будет лучше, но столь маленькой мощности увидеть это практически не получится.
еще одно изменение полезное стОит сделать. конденсатор 0,1 мкФ по сетевому выпрямителю провести прямо к резисторам (1 Ом * 3), а не к минусу электролита, чтобы путь тока от него до резистора был коротким.

_________________
Мудрость приходит вместе с импотенцией...
Когда на русском форуме переходят на Вы, в реальной жизни начинают бить морду.


Вернуться наверх
 
Эиком - электронные компоненты и радиодетали
Не в сети
 Заголовок сообщения: Re: Подключить светодиод к сети 220 вольт
СообщениеДобавлено: Пт мар 22, 2013 13:40:17 
Друг Кота
Аватар пользователя

Карма: 146
Рейтинг сообщений: 6065
Зарегистрирован: Чт июн 04, 2009 21:06:49
Сообщений: 36292
Откуда: г.Мариинск
Рейтинг сообщения: 0
Медали: 1
Лучший человек Форума 2017 (1)
Вообще на минусе электролита полигон поставить.

_________________
Тем кого не устаревает наличия ошибок в моем тексте, оставляю права не пользоваться моими советами или просто не читать мои сообщения.


Вернуться наверх
 
Не в сети
 Заголовок сообщения: Re: Подключить светодиод к сети 220 вольт
СообщениеДобавлено: Пт мар 22, 2013 13:47:21 
Грызет канифоль

Зарегистрирован: Пн окт 27, 2008 22:55:45
Сообщений: 265
Рейтинг сообщения: 0
Понял. Спасибо за советы.


Вложения:
светодиод.lay [43.53 KiB]
Скачиваний: 776
Вернуться наверх
 
Не в сети
 Заголовок сообщения: Помогите расчитать номиналы для светильника
СообщениеДобавлено: Сб мар 23, 2013 18:02:23 
Родился

Зарегистрирован: Сб мар 16, 2013 14:36:16
Сообщений: 17
Рейтинг сообщения: 0
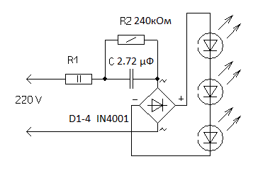
Есть светильник с совдеповской лампой на 26V 0.12А купить которую сейчас "мягко говоря" проблематично.
Схема включения светильника была такова:
Изображение
Тобиж параллельно включенные:
-конденсаторы на (если я все правильно понял) на 1,5 + 0,22 = 1,72 мкФ
-резистор на 240К для розрядки

Все это включается последовательно с лампочкой к 220в, номиналы соответствуют viewtopic.php?f=21&t=57164.
Вот только как понять на какие напряжения конденсаторы я не смог, но раз светильник когда-то исправно служил получается что они высоковольтные.

Недавно лампа сгорела и другую подобную просто не достать. Хотел вместо лампы использовать три белых светодиода доставшихся мне от китайского фонарика.
Изображение

Светодиоды хотел подключить через через диодный мост по схеме предложенной в viewtopic.php?f=11&t=33923 (Барсик) немного ее изменив:
Изображение

Но есть следующие ограничения:
Доступа к высоковольтным конденсаторам не имею так что дальше гасить разницу напряжений думал резистором (надеюсь после конденсаторов он не будет нужен на мощность в 5ВТ)
Диодный мост хотел использовать имеющийся на основе IN4001 которые судя по даташитам на 50в, если мост установить после конденсаторов и резистора такие диоды подойдут или нужны все же IN4007?

По сути:
1. помогите расчитать номинал и мощность R1
2. подойдут ли IN4001?

3. Хотелось бы увидеть формулу по которой все это считается так как с количеством светодиодов окончательной определенности нет.

P.S. Я понимаю что без параметров светодиодов это проблематично, но я думал что ваш опыт подскажет вам их с фотографии (ну вы еще со мной поделитесь:) )


Тема дубль.
Сюда перенес.

aen


Вложения:
Комментарий к файлу: Фонарь
Фонарь_800.jpg [79.54 KiB]
Скачиваний: 4465
Комментарий к файлу: Светильник
Светильник_800.jpg [68.9 KiB]
Скачиваний: 7347
Комментарий к файлу: Схема
led220_change.gif [3.94 KiB]
Скачиваний: 4513
Вернуться наверх
 
Не в сети
 Заголовок сообщения: Re: Подключить светодиод к сети 220 вольт
СообщениеДобавлено: Сб мар 23, 2013 20:37:38 
Встал на лапы
Аватар пользователя

Зарегистрирован: Вс ноя 15, 2009 22:27:17
Сообщений: 106
Рейтинг сообщения: 0
Уберите емкость 1,5 мкФ, оставьтте только 220 нФ, ток через светодиоды будет примерно 13-15 мА.
Чтобы не было мерцания 100 Гц, поставьте параллельно светодиодам электролит 220 микрофарад. Чтобы не было бабаха электролита при обрыве светодиодов хорошо бы добавить еще стабилитрон на 12 вольт в параллель электролиту. Диоды я бы поставил все-таки 1N4007. R1 не нужен.

_________________
...Дык...


Вернуться наверх
 
Не в сети
 Заголовок сообщения: Re: Подключить светодиод к сети 220 вольт
СообщениеДобавлено: Сб мар 23, 2013 21:25:13 
Друг Кота
Аватар пользователя

Карма: 146
Рейтинг сообщений: 6065
Зарегистрирован: Чт июн 04, 2009 21:06:49
Сообщений: 36292
Откуда: г.Мариинск
Рейтинг сообщения: 1
Медали: 1
Лучший человек Форума 2017 (1)
dryupitz писал(а):
Чтобы не было мерцания 100 Гц, поставьте параллельно светодиодам электролит 220 микрофарад.

Этот конденсатор кроме устранение мерцаний нужен для ограничения тока заряда конденсатора. R1 нужен для ограничения пускового тока.
Рассчитывается просто 2*Ua/Iи, можно больше. Где Ua это амплитудное напряжения сети 242/0,707=342в, Iи импульсный максимальный ток диода.

_________________
Тем кого не устаревает наличия ошибок в моем тексте, оставляю права не пользоваться моими советами или просто не читать мои сообщения.


Вернуться наверх
 
Не в сети
 Заголовок сообщения: Re: Подключить светодиод к сети 220 вольт
СообщениеДобавлено: Сб мар 23, 2013 23:18:49 
Родился

Зарегистрирован: Сб мар 16, 2013 14:36:16
Сообщений: 17
Рейтинг сообщения: 0
Запутали вы меня окончательно...

Но попытаюсь выразить мысли:
1. Сказали мне что диоды расчитанные на 50в стоять не могут, а стабилитрон на 12в нужен.
1.1. Порылся у себя нашел Д814В такой пойдет?
1.2. Правильно ли на рисунке указано направление включения?
2. Конденсатор должен быть на какой напряжение? Если на вольт триста, то я его в 220 микрофарад даже представить не могу, или напряжение будет ограничено стабилитроном и хватит на 16в?
3. Сложно новичку найти "импульсный максимальный ток диода", но вот тут указано что он равен 150мА, тогда по формуле 2*342/(150/1000) = 4560 = 4.5 кОм? А мощность какая у него?

4. Как нужно изменять схему при увеличении количества светодиодов?

То что понял нарисовал:
Изображение


Вложения:
led220_change1.gif [4.68 KiB]
Скачиваний: 39653
Вернуться наверх
 
Не в сети
 Заголовок сообщения: Re: Подключить светодиод к сети 220 вольт
СообщениеДобавлено: Сб мар 23, 2013 23:59:40 
Друг Кота

Карма: 68
Рейтинг сообщений: 1408
Зарегистрирован: Сб янв 29, 2011 00:28:48
Сообщений: 7774
Рейтинг сообщения: 0
R1 поставь 300 Ом(+ -) 0,5-2 Вт... Стабилитрон переверни, к нему можно и прямой диод добавить, чтоб напряжение немного поднять, если надо. Диоды и 1N4001 пойдут !!! 220мкФ16В тоже годится.
Имп ток через светодиод не пойдёт, его "съест" электролит.


Вернуться наверх
 
Не в сети
 Заголовок сообщения: Re: Подключить светодиод к сети 220 вольт
СообщениеДобавлено: Вс мар 24, 2013 00:20:49 
Друг Кота
Аватар пользователя

Карма: 146
Рейтинг сообщений: 6065
Зарегистрирован: Чт июн 04, 2009 21:06:49
Сообщений: 36292
Откуда: г.Мариинск
Рейтинг сообщения: 1
Медали: 1
Лучший человек Форума 2017 (1)
1. Диоды пойдут, стабилитрон пойдёт, но его перевернуть надо.
2. Конденсатор на 16в.
3 резистор R1 ограничивает пусковой ток через диоды моста, причём здесь светодиоды. По моему любой новичок может открыть доташит на диод 1N4007 или 1N4001.
2*342/40=17.1 Значит резистор должен быть не меньше чем 17ом, больше можно. Без резистора нельзя.

_________________
Тем кого не устаревает наличия ошибок в моем тексте, оставляю права не пользоваться моими советами или просто не читать мои сообщения.


Вернуться наверх
 
Не в сети
 Заголовок сообщения: Re: Подключить светодиод к сети 220 вольт
СообщениеДобавлено: Вс мар 24, 2013 00:44:59 
Родился

Зарегистрирован: Сб мар 16, 2013 14:36:16
Сообщений: 17
Рейтинг сообщения: 0
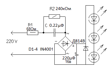
Последние уточнения:
1. Резистор нашел на 68Ом 0.5 ВТ
2. Диоды в наличии только IN4001 так что оставил их.
3. Стабилитрон и емкость на рисунке уточнил

Изображение
Все верно? (С 220V не хочу шутить)

Два вопроса:
1. Левую или правую ногу с рисунка паять к + выводу моста. Как-то я по даташиту не понял.
Изображение

2. Если будет меняться количество светодиодов, нужно ли что-то менять в номиналах, или в данной схеме нет?


Вложения:
D814V.jpg [4.16 KiB]
Скачиваний: 3247
led220_change1.gif [4.75 KiB]
Скачиваний: 25008
Вернуться наверх
 
Не в сети
 Заголовок сообщения: Re: Подключить светодиод к сети 220 вольт
СообщениеДобавлено: Вс мар 24, 2013 00:46:31 
Родился

Зарегистрирован: Сб мар 16, 2013 14:36:16
Сообщений: 17
Рейтинг сообщения: 0
Телекот писал(а):
3 резистор R1 ограничивает пусковой ток через диоды моста, причём здесь светодиоды. По моему любой новичок может открыть доташит на диод 1N4007 или 1N4001.

Извините, я думал что это про светодиоды.


Вернуться наверх
 
Не в сети
 Заголовок сообщения: Re: Подключить светодиод к сети 220 вольт
СообщениеДобавлено: Вс мар 24, 2013 00:58:17 
Друг Кота

Карма: 68
Рейтинг сообщений: 1408
Зарегистрирован: Сб янв 29, 2011 00:28:48
Сообщений: 7774
Рейтинг сообщения: 0
у меня на Д814 цоколёвка нанесена не так. Корпус стабилитрона паять на +моста !!!!!. Или мультиметром прозвонить и паять так, чтобы ток не проводил.
Изображение
От количества светодиодов зависит напряжение после моста, значит, тогда надо и больше стабилитронов последовательно и напряжение электролита, а после 50 В и 1N4001 менять.


Вернуться наверх
 
Не в сети
 Заголовок сообщения: Re: Подключить светодиод к сети 220 вольт
СообщениеДобавлено: Вс мар 24, 2013 01:06:44 
Родился

Зарегистрирован: Сб мар 16, 2013 14:36:16
Сообщений: 17
Рейтинг сообщения: 0
Enman писал(а):
Или мультиметром прозвонить и паять так, чтобы ток не проводил.

О это дельный совет.

А по поводу остальных уточнений не пройдетесь. Ну хотя бы

"Если будет меняться количество светодиодов, нужно ли что-то менять в номиналах, или в данной схеме нет?"


Вернуться наверх
 
Не в сети
 Заголовок сообщения: Re: Подключить светодиод к сети 220 вольт
СообщениеДобавлено: Вс мар 24, 2013 01:12:51 
Друг Кота
Аватар пользователя

Карма: 146
Рейтинг сообщений: 6065
Зарегистрирован: Чт июн 04, 2009 21:06:49
Сообщений: 36292
Откуда: г.Мариинск
Рейтинг сообщения: 0
Медали: 1
Лучший человек Форума 2017 (1)
Enman писал(а):
у меня на Д814 цоколёвка нанесена не так. Корпус стабилитрона паять на +моста !!!!!.

Да , а что вас так пугает?

_________________
Тем кого не устаревает наличия ошибок в моем тексте, оставляю права не пользоваться моими советами или просто не читать мои сообщения.


Вернуться наверх
 
Не в сети
 Заголовок сообщения: Re: Подключить светодиод к сети 220 вольт
СообщениеДобавлено: Вс мар 24, 2013 01:31:37 
Родился

Зарегистрирован: Сб мар 16, 2013 14:36:16
Сообщений: 17
Рейтинг сообщения: 0
Enman писал(а):
От количества светодиодов зависит напряжение после моста, значит, тогда надо и больше стабилитронов последовательно и напряжение электролита, а после 50 В и 1N4001 менять.

1. ... А как меняет напряжение один светодиод?
2. Можно поставить конденсатор не 220, а 470, а то как оказалось 220 только на 10В у меня есть.

Правда видимо все эти вопросы возникают от того что я все же не понимаю какую разницу напряжений создадут светодиоды...


Вернуться наверх
 
Не в сети
 Заголовок сообщения: Re: Подключить светодиод к сети 220 вольт
СообщениеДобавлено: Вс мар 24, 2013 01:54:27 
Друг Кота

Карма: 68
Рейтинг сообщений: 1408
Зарегистрирован: Сб янв 29, 2011 00:28:48
Сообщений: 7774
Рейтинг сообщения: 0
каждый белый светодиод поднимает напряжение на 3 В.....А ток практически тот же и задан 0,22мкФ.
Электролит любой...


Вернуться наверх
 
Не в сети
 Заголовок сообщения: Re: Подключить светодиод к сети 220 вольт
СообщениеДобавлено: Вс мар 24, 2013 02:11:17 
Родился

Зарегистрирован: Сб мар 16, 2013 14:36:16
Сообщений: 17
Рейтинг сообщения: 0
Enman писал(а):
каждый белый светодиод поднимает напряжение на 3 В.....А ток практически тот же и задан 0,22мкФ.
Электролит любой...


Хм... Получается что с данным стабилитроном (судя по даташиту 9-10.5В) три светодиода в самый раз, а если надо 4, то уже 12в искать надо? Но если брать из тех же советских к примеру Д814Г (10-12в), то ему уже три светодиода будет мало и он еще будет закрыт? А как же можно реализовать небольшой запас?

Я так понял так "Стабилитрон переверни, к нему можно и прямой диод добавить, чтоб напряжение немного поднять" я смогу с помощью еще одного IN4001 добавить еще один светодиод? (диод ставить последовательно со стабилитроном?)


Вернуться наверх
 
Показать сообщения за:  Сортировать по:  Вернуться наверх
Начать новую тему Ответить на тему  [ Сообщений: 4558 ]     ... , , , 35, , , ...  

Часовой пояс: UTC + 3 часа


Кто сейчас на форуме

Сейчас этот форум просматривают: нет зарегистрированных пользователей и гости: 79


Вы не можете начинать темы
Вы не можете отвечать на сообщения
Вы не можете редактировать свои сообщения
Вы не можете удалять свои сообщения
Вы не можете добавлять вложения

Найти:
Перейти:  


Powered by phpBB © 2000, 2002, 2005, 2007 phpBB Group
Русская поддержка phpBB
Extended by Karma MOD © 2007—2012 m157y
Extended by Topic Tags MOD © 2012 m157y