Например TDA7294

Форум РадиоКот • Просмотр темы - ИИП для новичков на IR2153
Форум РадиоКот
Здесь можно немножко помяукать :)

Текущее время: Чт мар 19, 2026 06:23:11

Часовой пояс: UTC + 3 часа


ПРЯМО СЕЙЧАС:



Начать новую тему Ответить на тему  [ Сообщений: 6484 ]     ... , , , 317, , , ...  
Автор Сообщение
 Заголовок сообщения: Re: ИИП для новичков на IR2153
СообщениеДобавлено: Пт авг 27, 2021 19:54:17 
Открыл глаза

Карма: -5
Рейтинг сообщений: 14
Зарегистрирован: Вт июн 22, 2021 16:29:06
Сообщений: 58
Рейтинг сообщения: -5
Сам клоун..

Добавлено after 6 minutes 56 seconds:
Пошло чистое засорение темы, людьми которым не чего сказать по существу, а хочется просто потоптать клаву.

Это самая основа вашего существа...зачем тогда все определания радиодеталям...называйте просто " эта хрень" :))
А то резисторы транзисторы диоды...че ?

Добавлено after 2 hours 52 minutes 57 seconds:
Ух, в стаде баранов проявился самый главный баран..Старичек51. Вынес предупреждение. за то что поправил одного барана..за ошибку в знаниях. Если тут царствует баран. Мне тут делать нечего. Я валю с этого форума. Вы можете дальше слушать этого барана и верить ему.


Вернуться наверх
 
 Заголовок сообщения: Re: ИИП для новичков на IR2153
СообщениеДобавлено: Пт авг 27, 2021 20:47:25 
Друг Кота
Аватар пользователя

Карма: 146
Рейтинг сообщений: 6067
Зарегистрирован: Чт июн 04, 2009 21:06:49
Сообщений: 36290
Откуда: г.Мариинск
Рейтинг сообщения: 0
Медали: 1
Лучший человек Форума 2017 (1)
:))

_________________
Тем кого не устаревает наличия ошибок в моем тексте, оставляю права не пользоваться моими советами или просто не читать мои сообщения.


Вернуться наверх
 
 Заголовок сообщения: Re: ИИП для новичков на IR2153
СообщениеДобавлено: Пт авг 27, 2021 23:12:05 
Прорезались зубы

Карма: 2
Рейтинг сообщений: 1
Зарегистрирован: Вс фев 12, 2012 20:22:53
Сообщений: 214
Рейтинг сообщения: 0
Попробовать поставить микросхему из другой партии

Не помогло :(
и что заметил.. если отдать затворы силовых ключей - меандр правильный
Ключи тоже менял... единственное... ключи IRF840, а по схемам в интергене в основном IRF740. Но они вроде несущественно отличаются.


Последний раз редактировалось vksam Сб авг 28, 2021 10:53:32, всего редактировалось 1 раз.

Вернуться наверх
 
 Заголовок сообщения: Re: ИИП для новичков на IR2153
СообщениеДобавлено: Сб авг 28, 2021 10:51:38 
Опытный кот
Аватар пользователя

Карма: -2
Рейтинг сообщений: -23
Зарегистрирован: Сб окт 22, 2016 17:33:32
Сообщений: 760
Откуда: кг
Рейтинг сообщения: 0
А если между затвором и истоком верхнего ключа резистор 10к впаять, изменится форма сигнала на его затворе?


Вернуться наверх
 
Эиком - электронные компоненты и радиодетали
 Заголовок сообщения: Re: ИИП для новичков на IR2153
СообщениеДобавлено: Сб авг 28, 2021 11:10:00 
Прорезались зубы

Карма: 2
Рейтинг сообщений: 1
Зарегистрирован: Вс фев 12, 2012 20:22:53
Сообщений: 214
Рейтинг сообщения: 0
Нет, форма сигнала не меняется. Разве что "полочка" немного больше по амплитуде


Вернуться наверх
 
 Заголовок сообщения: Re: ИИП для новичков на IR2153
СообщениеДобавлено: Сб авг 28, 2021 12:31:41 
Опытный кот
Аватар пользователя

Карма: -2
Рейтинг сообщений: -23
Зарегистрирован: Сб окт 22, 2016 17:33:32
Сообщений: 760
Откуда: кг
Рейтинг сообщения: 9
Попробую предположить, что эта полочка - результат просадки питания драйвера IR2153 верхнего ключа - конденсатор 0.47uF, выводы 6-8.
Попробуйте его заменить, или менять IR2153.
А осциллограмму на этом конденсаторе можно посмотреть?


Вернуться наверх
 
 Заголовок сообщения: Re: ИИП для новичков на IR2153
СообщениеДобавлено: Сб авг 28, 2021 23:43:05 
Прорезались зубы

Карма: 2
Рейтинг сообщений: 1
Зарегистрирован: Вс фев 12, 2012 20:22:53
Сообщений: 214
Рейтинг сообщения: 0
Тяжело быть бестолковым. :(
Похоже нашел проблему... конденсатор на 470nF оказался на 1,5nF. Достал из пакетика и впаял не проверяя.
Понадеялся на собственную маркировку пакетика "470nF"

В общем БП запустился.
Меандр вполне нормальный... правда есть небольшие выбросы, но контрольная лампа не горит. Накал все таки присутствует, но едва заметный.
Под нагрузкой не провреял, т.к. еще не проточил радиаторы.
Завтра уже буду доводить все до ума, но всем, кто откликнулся - большое спасибо!


Вернуться наверх
 
 Заголовок сообщения: Re: ИИП для новичков на IR2153
СообщениеДобавлено: Пт июн 03, 2022 20:42:13 
Открыл глаза
Аватар пользователя

Зарегистрирован: Вс май 08, 2022 20:31:59
Сообщений: 58
Рейтинг сообщения: 0
Всем привет.
Подскажите пожалуйста где допущена ошибка в схеме
Вложение:
D2F5FC6D-37E5-487C-97D9-C006A4ED31B4.jpeg [32.17 KiB]
Скачиваний: 147


Напряжение на ir2153:
между 1и4 порядка 8.5в
Между 4и5 порядка 2,8
Между 4и7 порядка 140в.
Понимаю что так не должно быть, очень нужна помощь.

Может схема криво составлена, тогда дайте плиз ссылочку на проверенную


Вернуться наверх
 
 Заголовок сообщения: Re: ИИП для новичков на IR2153
СообщениеДобавлено: Пт июн 03, 2022 21:16:32 
Грызет канифоль

Карма: 3
Рейтинг сообщений: 9
Зарегистрирован: Чт янв 21, 2016 11:34:56
Сообщений: 265
Рейтинг сообщения: 0
Питание ir2153 нетрадиционно.


Вернуться наверх
 
 Заголовок сообщения: Re: ИИП для новичков на IR2153
СообщениеДобавлено: Пт июн 03, 2022 21:21:01 
Открыл глаза
Аватар пользователя

Зарегистрирован: Вс май 08, 2022 20:31:59
Сообщений: 58
Рейтинг сообщения: 0
Скажите как правильно. А лучше ссылку на проверенную схему.


Вернуться наверх
 
 Заголовок сообщения: Re: ИИП для новичков на IR2153
СообщениеДобавлено: Пт июн 03, 2022 21:33:25 
Грызет канифоль

Карма: 3
Рейтинг сообщений: 9
Зарегистрирован: Чт янв 21, 2016 11:34:56
Сообщений: 265
Рейтинг сообщения: 0
Все уже было, смотрите внимательнее. Например (есть и получше)
Вложение:
ПМП_IR2153_7v_1-5A.png [24.38 KiB]
Скачиваний: 192


Вернуться наверх
 
 Заголовок сообщения: Re: ИИП для новичков на IR2153
СообщениеДобавлено: Пт июн 03, 2022 22:15:08 
Открыл глаза
Аватар пользователя

Зарегистрирован: Вс май 08, 2022 20:31:59
Сообщений: 58
Рейтинг сообщения: 0
Мало Чем отличается, у вас только питание на ir идёт до диодного моста.
И на выходе 2 и 7 в.
А мне надо под шуруповёрт. Перебрал много схем, каша в голове.
Подскажите хорошую схему на 18 вольт под Шурик.


Вернуться наверх
 
 Заголовок сообщения: Re: ИИП для новичков на IR2153
СообщениеДобавлено: Пт июн 03, 2022 22:35:49 
Грызет канифоль

Карма: 3
Рейтинг сообщений: 9
Зарегистрирован: Чт янв 21, 2016 11:34:56
Сообщений: 265
Рейтинг сообщения: 0
Эта схема в принципе более технологична и работоспособна, что на выходе - это расчет трансформатора (см. Starichok51 и т.п.). И вообще, про "Шурика 18 В" это все всё должны знать или это Ваш личный сленг ?


Вернуться наверх
 
 Заголовок сообщения: Re: ИИП для новичков на IR2153
СообщениеДобавлено: Пт июн 03, 2022 22:49:30 
Сверлит текстолит когтями
Аватар пользователя

Карма: 15
Рейтинг сообщений: 384
Зарегистрирован: Чт янв 12, 2012 19:32:15
Сообщений: 1252
Откуда: Belarus
Рейтинг сообщения: 0
Подскажите хорошую схему на 18 вольт под Шурик.
Вам никакая схема на данном этапе не поможет. Все приведённые схемы в любом случае придётся допиливать по месту.
yukaran писал(а):
Между 4и5 порядка 2,8
Между 4и7 порядка 140в.
Пока вы пытаетесь измерить постоянное напряжение на выходах, где должен быть почти меандр, толку не добьётесь.
Почитайте о принципе работы м/с 2153, посмотрите какое-нибудь видео хотя бы. В интернете такого добра полно, и нет смысла копировать всю эту кучу инфы сюда.
Вот ещё:
yukaran писал(а):
между 1и4 порядка 8.5в
Документацию производителя на м/с читали? Это, примерно, нижний предел напряжения питания. Вряд ли м/с будет работать устойчиво. И уж тем более вряд ли будут нормально открываться силовые полевики. Питание должно быть ближе к 15 вольтам, учитывая, что внутри м/с есть стабилитрон на 15,6 вольт.
Удачи!
п.с. Кстати, у меня шурик Енхель на 18 вольт давно и успешно питается от старой автомобильной АКБ на 12 вольт. Ток потребления при заклиненном патроне при проскоке трещётки на 15ой позиции около 15 ампер.


Последний раз редактировалось Agaev Пт июн 03, 2022 22:56:08, всего редактировалось 1 раз.

Вернуться наверх
 
 Заголовок сообщения: Re: ИИП для новичков на IR2153
СообщениеДобавлено: Пт июн 03, 2022 22:59:10 
Открыл глаза
Аватар пользователя

Зарегистрирован: Вс май 08, 2022 20:31:59
Сообщений: 58
Рейтинг сообщения: 0
Бобочек,
Извините конечно, но я считал что эта микросхема довольно часто применяется в подобных схемах БП шуруповерта. Вот и назвал кратко - Шурик :))

Добавлено after 5 minutes 48 seconds:
Agaev,
Абсолютно согласен с вами, любая схема нуждается в допиливании.
Но надо ж с чего начинать ? Вот я нашел схему, собрал, и сразу столкнулся с проблемой, и решил написать вам, и попросить совета Опытных котов. :music:

Про эту микросхему читал, но хочется воплотить мой проект в кратчайшие сроки.
Для начала выбор Оптимальной схемы, далее ее доработка.
Сейчас на этапе - Выбора

P.S. Касательно аккумулятора, да, сейчас так и использую, но только дома. А порой надо поработать и в другом месте. Вот и важна мобильность.


Вернуться наверх
 
 Заголовок сообщения: Re: ИИП для новичков на IR2153
СообщениеДобавлено: Пт июн 03, 2022 23:18:04 
Грызет канифоль

Карма: 3
Рейтинг сообщений: 9
Зарегистрирован: Чт янв 21, 2016 11:34:56
Сообщений: 265
Рейтинг сообщения: 0
Наверно "Шурик" это промышленный шуруповерт с большим током (хоть бы дал автор параметры). Для моих обычных хватает Li аккумуляторов с подзарядкой. Тут надо следовать советам Agaev, но все равно, надо не просто что-то скопировать, а рассчитать.


Вернуться наверх
 
 Заголовок сообщения: Re: ИИП для новичков на IR2153
СообщениеДобавлено: Пт июн 03, 2022 23:20:14 
Сверлит текстолит когтями
Аватар пользователя

Карма: 15
Рейтинг сообщений: 384
Зарегистрирован: Чт янв 12, 2012 19:32:15
Сообщений: 1252
Откуда: Belarus
Рейтинг сообщения: 0
Кстати, я пробовал питать шуруповёрт от электронного трансформатора Ташибра 150 Вт, переделанного на ОС по напряжению, вторичка перемотана на 2х14 (со средней точкой), на выходе два диода Шоттки (сборка в ТО-247), дроссель и электролит на 6800 мкФ. Нормально выдерживал к.з. и перегрузки. Только испытывал я этот БП в разобранном виде с планами засунуть всё это в корпус штатного аккума. Но поскольку привык пользоваться шуруповёртом вообще без АКБ в рукоятке, от затеи отказался.


Вернуться наверх
 
 Заголовок сообщения: Re: ИИП для новичков на IR2153
СообщениеДобавлено: Пт июн 03, 2022 23:27:05 
Открыл глаза
Аватар пользователя

Зарегистрирован: Вс май 08, 2022 20:31:59
Сообщений: 58
Рейтинг сообщения: 0
Все дело в том, что у меня есть несколько импульсных трансформаторов из БП компьютера, планирую использовать его, даже если придётся чуть перемотать.
А параметры БП шуруповерта самые стандартные: напряжение до 18вольт, ток порядка 20А ну и защита нужна.
Про ташибру читал, смотрел, но это дополнительные вложения. Хочется сделать с того, что у меня есть.


Вернуться наверх
 
 Заголовок сообщения: Re: ИИП для новичков на IR2153
СообщениеДобавлено: Сб июн 04, 2022 01:35:42 
Мудрый кот

Карма: 18
Рейтинг сообщений: 498
Зарегистрирован: Сб дек 14, 2013 16:11:55
Сообщений: 1701
Рейтинг сообщения: 0
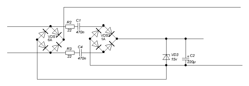
когда-то собирал такой питатель в корпус от аккумов, шурик тянул не хуже чем с батареей.
по поводу твоего конкретно случая - дело в нехватке питания для ирки, через 47к ток слишком маленький для ее работы. можно поставить где-то 18-20к, но вылезет неприятная побочка - сильный нагрев этого резистора, что в маленьком объеме корпуса от акб станет проблемой.
я эту проблему нагрева решил, изменив схему запитки, вместо гасящего резистора поставил гасящие конденсаторы.
Изображение


Вернуться наверх
 
 Заголовок сообщения: Re: ИИП для новичков на IR2153
СообщениеДобавлено: Сб июн 04, 2022 02:34:03 
Открыл глаза
Аватар пользователя

Зарегистрирован: Вс май 08, 2022 20:31:59
Сообщений: 58
Рейтинг сообщения: 0
Спасибо за ответ.
У меня и этот Резистор как печка.
Изменил резистор на 20 Ком, напряжение на 1и4 не изменилось.8.5вольт. Но резистор жутко нагрелся.

Отпаял резистор, замерял напряжение между землей и на выходе резистора, получилось 310 вольт. Это вообще нормально? При питании микросхемы 15 в
Может это важно, транзисторы установлены w11nk100z


Вернуться наверх
 
Показать сообщения за:  Сортировать по:  Вернуться наверх
Начать новую тему Ответить на тему  [ Сообщений: 6484 ]     ... , , , 317, , , ...  

Часовой пояс: UTC + 3 часа


Вы не можете начинать темы
Вы не можете отвечать на сообщения
Вы не можете редактировать свои сообщения
Вы не можете удалять свои сообщения
Вы не можете добавлять вложения

Найти:
Перейти:  


Powered by phpBB © 2000, 2002, 2005, 2007 phpBB Group
Русская поддержка phpBB
Extended by Karma MOD © 2007—2012 m157y
Extended by Topic Tags MOD © 2012 m157y