Например TDA7294

Форум РадиоКот • Просмотр темы - Синхронные выпрямители
Форум РадиоКот
Здесь можно немножко помяукать :)

Текущее время: Чт дек 25, 2025 13:21:21

Часовой пояс: UTC + 3 часа


ПРЯМО СЕЙЧАС:



Начать новую тему Ответить на тему  [ Сообщений: 204 ]    , , , 4, , , ...  
Автор Сообщение
Не в сети
 Заголовок сообщения: Re: Синхронные выпрямители
СообщениеДобавлено: Пт окт 25, 2013 15:59:38 
Друг Кота
Аватар пользователя

Карма: 146
Рейтинг сообщений: 6065
Зарегистрирован: Чт июн 04, 2009 21:06:49
Сообщений: 36292
Откуда: г.Мариинск
Рейтинг сообщения: 0
Медали: 1
Лучший человек Форума 2017 (1)
Не удавалось найти диод с падением напряжения близким с напряжением открывания транзистора, а которые подбирал были неизвестные. Чем ближе будут напряжения тем раньше сработает схема. А так подбирать не надо, достаточно взять одинаковые транзисторы.

_________________
Тем кого не устаревает наличия ошибок в моем тексте, оставляю права не пользоваться моими советами или просто не читать мои сообщения.


Вернуться наверх
 
Не в сети
 Заголовок сообщения: Re: Синхронные выпрямители
СообщениеДобавлено: Пт окт 25, 2013 16:25:47 
Нашел транзистор. Понюхал.

Карма: 1
Рейтинг сообщений: 26
Зарегистрирован: Ср апр 04, 2012 23:01:05
Сообщений: 191
Рейтинг сообщения: 0
Если двухполярный синхроник то вот схема ИИпа во втором вложений в архиве .rar

В первом вложений схема двухполярный синхронный выпрямитель работающий от сетевого 50гц нч транса управление ключами на драйверах R2104.

Вторая и первая схема синхроников на N-канальных полевиках


Вложения:
двухполярный синхронный выпрямитель на 50Гц.jpg [168.95 KiB]
Скачиваний: 1507
ИИП с двухполярным синхронным выпрямителем.rar [322.42 KiB]
Скачиваний: 861


Последний раз редактировалось Sergei Nizovcev Пт окт 25, 2013 17:35:20, всего редактировалось 2 раз(а).
Вернуться наверх
 
Не в сети
 Заголовок сообщения: Re: Синхронные выпрямители
СообщениеДобавлено: Пт окт 25, 2013 17:24:59 
Друг Кота
Аватар пользователя

Карма: 146
Рейтинг сообщений: 6065
Зарегистрирован: Чт июн 04, 2009 21:06:49
Сообщений: 36292
Откуда: г.Мариинск
Рейтинг сообщения: 0
Медали: 1
Лучший человек Форума 2017 (1)
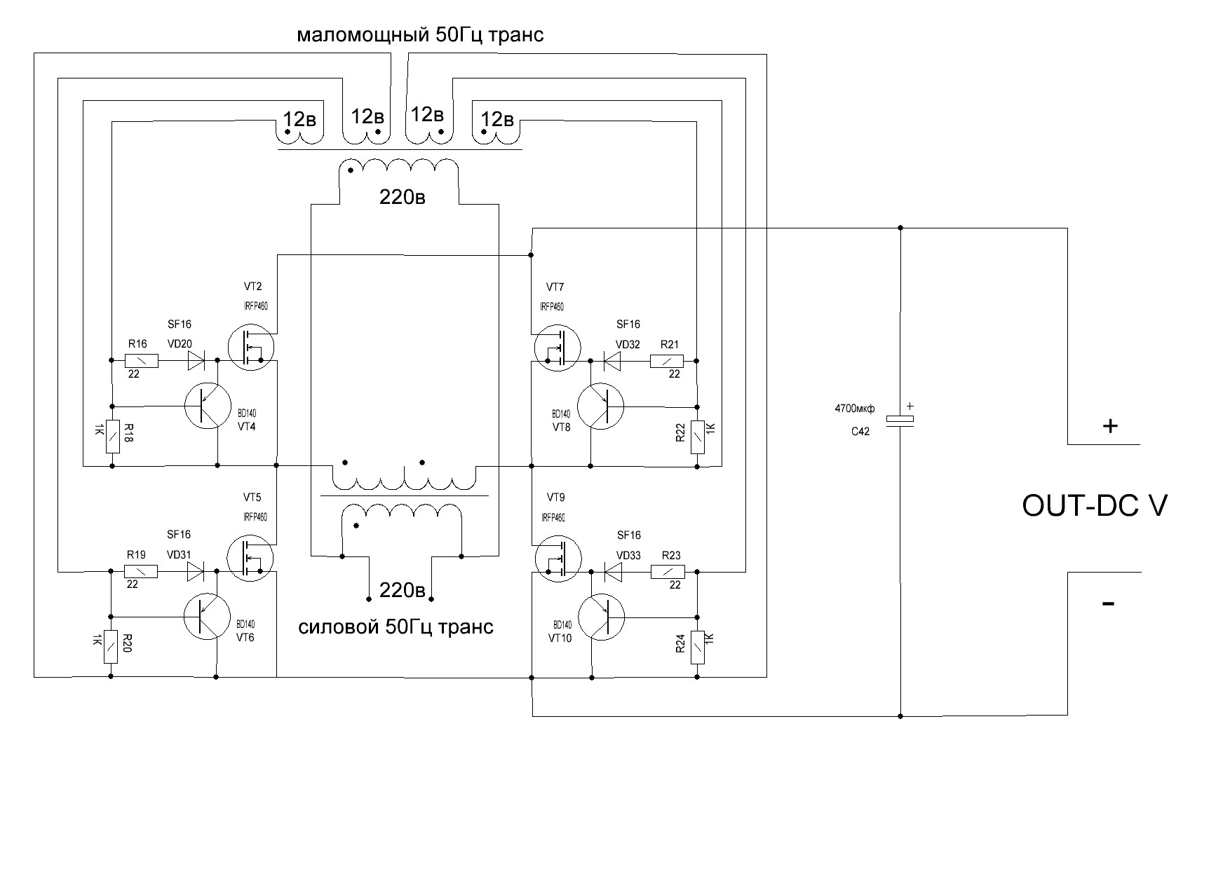
Gudd-Head писал(а):
Полному мосту хватит одной напруги 10...20 В или нужна будет дополнительная -10...-20 В?

Мостовой вариант можно сделать так.
Изображение

_________________
Тем кого не устаревает наличия ошибок в моем тексте, оставляю права не пользоваться моими советами или просто не читать мои сообщения.


Вернуться наверх
 
Не в сети
 Заголовок сообщения: Re: Синхронные выпрямители
СообщениеДобавлено: Пт окт 25, 2013 17:43:30 
Нашел транзистор. Понюхал.

Карма: 1
Рейтинг сообщений: 26
Зарегистрирован: Ср апр 04, 2012 23:01:05
Сообщений: 191
Рейтинг сообщения: 2
Может так проще будет с отводом от середины:) Или нужно без среднего вывода транса ?


Вложения:
синхр выпр.jpg [48.49 KiB]
Скачиваний: 1691
Вернуться наверх
 
Эиком - электронные компоненты и радиодетали
Не в сети
 Заголовок сообщения: Re: Синхронные выпрямители
СообщениеДобавлено: Пт окт 25, 2013 18:06:55 
Друг Кота
Аватар пользователя

Карма: 146
Рейтинг сообщений: 6065
Зарегистрирован: Чт июн 04, 2009 21:06:49
Сообщений: 36292
Откуда: г.Мариинск
Рейтинг сообщения: 0
Медали: 1
Лучший человек Форума 2017 (1)
Конечно проще, но тяжелее. Вы дроссель на 50Гц на такой ток видели, у него размеры как у силового трансформатора.

_________________
Тем кого не устаревает наличия ошибок в моем тексте, оставляю права не пользоваться моими советами или просто не читать мои сообщения.


Вернуться наверх
 
Не в сети
 Заголовок сообщения: Re: Синхронные выпрямители
СообщениеДобавлено: Пт окт 25, 2013 18:10:53 
Нашел транзистор. Понюхал.

Карма: 1
Рейтинг сообщений: 26
Зарегистрирован: Ср апр 04, 2012 23:01:05
Сообщений: 191
Рейтинг сообщения: 0
ну дроссель можно убрать из схемы :)


Вернуться наверх
 
Не в сети
 Заголовок сообщения: Re: Синхронные выпрямители
СообщениеДобавлено: Пт окт 25, 2013 18:17:31 
Друг Кота
Аватар пользователя

Карма: 146
Рейтинг сообщений: 6065
Зарегистрирован: Чт июн 04, 2009 21:06:49
Сообщений: 36292
Откуда: г.Мариинск
Рейтинг сообщения: 0
Медали: 1
Лучший человек Форума 2017 (1)
Тогда надо убирать и конденсатор, так как полевик в этой схеме открыт весь полупериод и первую часть он зарядится до амплитудного значения, а вторую часть так же благополучно разрядится на обмотку трансформатора. Дроссель там нарисовали не для красоты, тему надо читать об этом уже говорили и не раз.

_________________
Тем кого не устаревает наличия ошибок в моем тексте, оставляю права не пользоваться моими советами или просто не читать мои сообщения.


Вернуться наверх
 
Не в сети
 Заголовок сообщения: Re: Синхронные выпрямители
СообщениеДобавлено: Пт окт 25, 2013 19:15:34 
Нашел транзистор. Понюхал.

Карма: 1
Рейтинг сообщений: 26
Зарегистрирован: Ср апр 04, 2012 23:01:05
Сообщений: 191
Рейтинг сообщения: 2
Вот схемку моста синхроного выпрямителя нарисовал на N-канальных полевиках :)


Вложения:
синхр выпр.JPG [153.27 KiB]
Скачиваний: 1533
Вернуться наверх
 
Не в сети
 Заголовок сообщения: Re: Синхронные выпрямители
СообщениеДобавлено: Пт окт 25, 2013 19:28:20 
Друг Кота
Аватар пользователя

Карма: 146
Рейтинг сообщений: 6065
Зарегистрирован: Чт июн 04, 2009 21:06:49
Сообщений: 36292
Откуда: г.Мариинск
Рейтинг сообщения: 0
Медали: 1
Лучший человек Форума 2017 (1)
Вам сколько можно одно и тоже объяснять, не будет такая схема работать на ёмкостную нагрузку. Или вы в броне, почитайте внимательно тему сначала.

_________________
Тем кого не устаревает наличия ошибок в моем тексте, оставляю права не пользоваться моими советами или просто не читать мои сообщения.


Вернуться наверх
 
Не в сети
 Заголовок сообщения: Re: Синхронные выпрямители
СообщениеДобавлено: Пт окт 25, 2013 19:34:34 
Нашел транзистор. Понюхал.

Карма: 1
Рейтинг сообщений: 26
Зарегистрирован: Ср апр 04, 2012 23:01:05
Сообщений: 191
Рейтинг сообщения: 2
Но работают же, но я не спорю.Я выкладывал восьми постами выше импульсного ИИП который в архиве но вот эта схема ИИПа взята от усилителя YAMAHA STAGEPAS 500


Вернуться наверх
 
Не в сети
 Заголовок сообщения: Re: Синхронные выпрямители
СообщениеДобавлено: Пт окт 25, 2013 20:00:48 
Друг Кота
Аватар пользователя

Карма: 146
Рейтинг сообщений: 6065
Зарегистрирован: Чт июн 04, 2009 21:06:49
Сообщений: 36292
Откуда: г.Мариинск
Рейтинг сообщения: 0
Медали: 1
Лучший человек Форума 2017 (1)
Вы разницу знаете между импульсными и простыми трансформаторными блоками питания? В импульсных выпрямляются прямоугольные импульсы и если их выпрямить получится прямая линия. А в простых блоках используется синусоида, и если ключ будет открыт чуть больше времени чем положено конденсатор опять разрядится. Поскольку если выпрямить синусоиду то на выходе будет пульсирующее напряжение.
К вам большая просьба, изучите внимательно работу выпрямителя. А уже потом изобретайте свой, время жалко понапрасну тратить. Или хотя бы прочитайте эту тему с начала! Если не хотите не чего читать скачайте мултисим и прежде чем показывать что либо проверьте работает это или нет.
Судя по вашим схемам вы не чего не понимаете в силовой электронике. Разрядные транзисторы для управления полевиками нужны только при прямоугольных импульсах и не нужны при синусоиде. Вам надо с годик читать книжки.
Изображение

_________________
Тем кого не устаревает наличия ошибок в моем тексте, оставляю права не пользоваться моими советами или просто не читать мои сообщения.


Последний раз редактировалось Телекот Пт окт 25, 2013 20:17:37, всего редактировалось 1 раз.

Вернуться наверх
 
Не в сети
 Заголовок сообщения: Re: Синхронные выпрямители
СообщениеДобавлено: Пт окт 25, 2013 20:16:23 
Нашел транзистор. Понюхал.

Карма: 1
Рейтинг сообщений: 26
Зарегистрирован: Ср апр 04, 2012 23:01:05
Сообщений: 191
Рейтинг сообщения: 0
Телекот писал(а):
Вы разницу знаете между импульсными и простыми трансформаторными блоками питания




Все понятно больше не спорю :) Кстати я выкладывал схему 50герцового синхронного для умзч десяти постами выше ,управление ключами дровами IR2104 .Схему не я придумал я слизал ее с журнала радио 2007 N11.

Ладно больше не буду, только не ругайтесь на меня :)

Микрокап у меня есть но мне сейчас лень


Последний раз редактировалось Sergei Nizovcev Пт окт 25, 2013 20:58:50, всего редактировалось 2 раз(а).

Вернуться наверх
 
Не в сети
 Заголовок сообщения: Re: Синхронные выпрямители
СообщениеДобавлено: Пт окт 25, 2013 20:52:16 
Друг Кота
Аватар пользователя

Карма: 146
Рейтинг сообщений: 6065
Зарегистрирован: Чт июн 04, 2009 21:06:49
Сообщений: 36292
Откуда: г.Мариинск
Рейтинг сообщения: 0
Медали: 1
Лучший человек Форума 2017 (1)
Да я не ругаюсь, вы правильно делаете что интересуетесь как это сделано в той или иной аппаратуре. Просто надо научится анализировать этот материал. Тогда начнете понимать как это работает. Я видел эту схему там открытием половиков управляют компараторы которые выдают прямоугольный импульс нужной длительности и на выходе стоит дроссель L1. Вы больше читайте, через некоторое время из вас получится хороший специалист.

_________________
Тем кого не устаревает наличия ошибок в моем тексте, оставляю права не пользоваться моими советами или просто не читать мои сообщения.


Вернуться наверх
 
Не в сети
 Заголовок сообщения: Re: Синхронные выпрямители
СообщениеДобавлено: Сб окт 26, 2013 11:18:13 
Друг Кота
Аватар пользователя

Карма: 67
Рейтинг сообщений: 1066
Зарегистрирован: Чт сен 18, 2008 12:27:21
Сообщений: 20009
Откуда: Столица Мира Санкт-Петербург
Рейтинг сообщения: 0
Медали: 1
Получил миской по аватаре (1)
Телекот писал(а):
Не удавалось найти диод с падением напряжения близким с напряжением открывания транзистора

Кажется, я допёр схему (и её недостаток). Всё-таки длительное отсутствие на форуме не прошло бесследно :)
Падение напряжения на полевике будет равно разности напряжений p-n переходов Б-Э транзистора и диода по модулю!?!
Т.е. полевик будет работать как бы в активном режиме, а не ключевом!?!
И придётся выбирать диод с падением как можно ближе к Uбэ транзистора. Кстати, Да ещё хорошо бы их вместе термостатировать (всё-таки через транзистор ток течёт дольше, чем через диод. Да и диод никогда не возьмёт на себя 100% тока). Кстати,
1) почему использован переход Б-К, а не Б-Э?
Но с другой стороны, от этого никуда не деться. Ведь однажды открыв полностью полевик (положим Rds_on = 0) уже невозможно будет понять, когда его закрывать — при смене направления тока зафиксировать это будет нечем. Так что всё равно придётся оставлять немножко напряжения для отслеживания момента открывания/закрывания.
Хммм, интересно. А если в качестве датчика направления тока (заряд или разряд выходной ёмкости) сделать что-то вроде геркона? Намотать пару витков (токи ведь приличные), поставить датчик Холла, который будет закрывать открытые полностью Ключи :)))
Так что спасибо Телекот, схемки я утащу себе в загашник.
И ещё:
2) по идее, базовый резистор необязательно подвешивать к "затворным" +10...20 В? Достаточно ведь будет 1 В???
3) Даст ли что-нибудь замена базового резистора на источник тока?
Телекот писал(а):
Мостовой вариант можно сделать так.

Да-да-да. То, о чём я уже говорил выше — в одном плече управляемый (работающий на емкостную нагрузку) и неуправляемый выпрямитель.

_________________
[ Всё дело не столько в вашей глупости, сколько в моей гениальности ] [ Правильно заданный вопрос содержит в себе половину ответа ]
Измерить нннада?


Вернуться наверх
 
Не в сети
 Заголовок сообщения: Re: Синхронные выпрямители
СообщениеДобавлено: Сб окт 26, 2013 11:30:18 
Друг Кота
Аватар пользователя

Карма: 146
Рейтинг сообщений: 6065
Зарегистрирован: Чт июн 04, 2009 21:06:49
Сообщений: 36292
Откуда: г.Мариинск
Рейтинг сообщения: 0
Медали: 1
Лучший человек Форума 2017 (1)
В активном режиме полевик будет работать пока ток через него достаточно мал и падение напряжение на полевике соизмеримо с разницей напряжений на диодах.
При увеличении тока через полевик падение напряжения на его сопротивлении становится уже на много больше порядка 50-200мв и полелевик уже открывается полностью и диод забирает весь ток. Так как полевик в открытом состоянии имеет конечное сопротивление, и на нём падает напряжение. Но оно на много меньше чем на обычном диоде.
Базовый резистор можно питать и меньшим напряжением, но затворный все равно надо питать напряжением достаточным для полного открывания полевика.
Источник тока по моему не чего не даст.

_________________
Тем кого не устаревает наличия ошибок в моем тексте, оставляю права не пользоваться моими советами или просто не читать мои сообщения.


Вернуться наверх
 
Не в сети
 Заголовок сообщения: Re: Синхронные выпрямители
СообщениеДобавлено: Сб окт 26, 2013 11:45:34 
Друг Кота
Аватар пользователя

Карма: 67
Рейтинг сообщений: 1066
Зарегистрирован: Чт сен 18, 2008 12:27:21
Сообщений: 20009
Откуда: Столица Мира Санкт-Петербург
Рейтинг сообщения: 0
Медали: 1
Получил миской по аватаре (1)
Телекот писал(а):
Так как полевик в открытом состоянии имеет конечное сопротивление, и на нём падает напряжение.

Ну да, ну да. У реального полевика при достаточно больших токах будет падать (много) больше разницы напряжений переходов. И диод будет открыт полностью. Но согласитесь, при работе на емкостную нагрузку диод будет проводить ток меньше времени, чем транзистор. Я поправил свой пост выше и потому спрошу ещё раз: почему переход Б-К, а не Б-Э в качестве диода???
Телекот писал(а):
затворный все равно надо питать напряжением достаточным для полного открывания полевика.

Естессно.
Телекот писал(а):
Источник тока по моему не чего не даст.

По-моему, тоже (кроме усложнения схемы) :)

_________________
[ Всё дело не столько в вашей глупости, сколько в моей гениальности ] [ Правильно заданный вопрос содержит в себе половину ответа ]
Измерить нннада?


Вернуться наверх
 
Не в сети
 Заголовок сообщения: Re: Синхронные выпрямители
СообщениеДобавлено: Сб окт 26, 2013 12:00:02 
Собутыльник Кота
Аватар пользователя

Карма: 40
Рейтинг сообщений: 372
Зарегистрирован: Вс июл 17, 2011 11:51:52
Сообщений: 2623
Рейтинг сообщения: 0
Обратносмещенный Б-Э переход большинства транзисторов имеет пробивное напряжение порядка 5-6В и будет работать как стабилитрон на такое напряжение, поэтому не годится для использования в этой схеме


Вернуться наверх
 
Не в сети
 Заголовок сообщения: Re: Синхронные выпрямители
СообщениеДобавлено: Сб окт 26, 2013 12:10:58 
Друг Кота
Аватар пользователя

Карма: 146
Рейтинг сообщений: 6065
Зарегистрирован: Чт июн 04, 2009 21:06:49
Сообщений: 36292
Откуда: г.Мариинск
Рейтинг сообщения: 0
Медали: 1
Лучший человек Форума 2017 (1)
верно.
Gudd-Head писал(а):
Но согласитесь, при работе на емкостную нагрузку диод будет проводить ток меньше времени, чем транзистор.

При работе на ёмкостную нагрузку ток через полевик имеет вид коротких, но больших импульсов . Так что в активном режиме полевик находится достаточно короткое время. Да и вреда от такого режима нет поскольку падение напряжение на полевике всё равно мало.
Источник тока может помочь в затворной цепи, так как увеличит коэффициент усиления транзистора и сократит время активного режима. Только стоит ли?

_________________
Тем кого не устаревает наличия ошибок в моем тексте, оставляю права не пользоваться моими советами или просто не читать мои сообщения.


Вернуться наверх
 
Не в сети
 Заголовок сообщения: Re: Синхронные выпрямители
СообщениеДобавлено: Вс окт 27, 2013 11:28:12 
Друг Кота
Аватар пользователя

Карма: 67
Рейтинг сообщений: 1066
Зарегистрирован: Чт сен 18, 2008 12:27:21
Сообщений: 20009
Откуда: Столица Мира Санкт-Петербург
Рейтинг сообщения: 0
Медали: 1
Получил миской по аватаре (1)
Дааа, тёмный я. Совсем забыл про максимальные напряжения.
Телекот писал(а):
При работе на ёмкостную нагрузку ток через полевик имеет вид коротких, но больших импульсов .

Да не, я имел в виду ток через биполярный транзистор и переход Б-К другого. Один будет чуть больше греться, и потенциал перехода может поплыть.

_________________
[ Всё дело не столько в вашей глупости, сколько в моей гениальности ] [ Правильно заданный вопрос содержит в себе половину ответа ]
Измерить нннада?


Вернуться наверх
 
Не в сети
 Заголовок сообщения: Re: Синхронные выпрямители
СообщениеДобавлено: Вс окт 27, 2013 12:00:37 
Друг Кота
Аватар пользователя

Карма: 146
Рейтинг сообщений: 6065
Зарегистрирован: Чт июн 04, 2009 21:06:49
Сообщений: 36292
Откуда: г.Мариинск
Рейтинг сообщения: 0
Медали: 1
Лучший человек Форума 2017 (1)
Я не думаю что мощность 1,2 мВт сколько нибудь ощутимо нагреют переход. А разница в номиналах резисторов покрывает разброс параметров и температурный дрейф. Если гнаться за максимальным КПД то можно подбирать базовый резистор, я просто взял с запасом на разброс транзисторов.

Да при напряжении на входе 19 В амплитудное значение конденсаторе фильтра 2000 мкФ и токе нагрузки 1 А. Импульсы тока через ключ имеют длительность порядка 2,5 мс и амплитуду 7,5 А, пилообразную форму. Подбором резистора можно добиться такой же формы и напряжения на ключе. Что говорит о чисто активном сопротивлении ключа.
У меня такой баланс получился при номинале базового резистора 39 кОм. Но большой разницы КПД не будет так как активный режим наблюдается только при маленьком токе и мощность на ключе в это время то же маленькая как и длительность такого режима.

_________________
Тем кого не устаревает наличия ошибок в моем тексте, оставляю права не пользоваться моими советами или просто не читать мои сообщения.


Вернуться наверх
 
Показать сообщения за:  Сортировать по:  Вернуться наверх
Начать новую тему Ответить на тему  [ Сообщений: 204 ]    , , , 4, , , ...  

Часовой пояс: UTC + 3 часа


Кто сейчас на форуме

Сейчас этот форум просматривают: Google [Bot] и гости: 67


Вы не можете начинать темы
Вы не можете отвечать на сообщения
Вы не можете редактировать свои сообщения
Вы не можете удалять свои сообщения
Вы не можете добавлять вложения

Найти:
Перейти:  


Powered by phpBB © 2000, 2002, 2005, 2007 phpBB Group
Русская поддержка phpBB
Extended by Karma MOD © 2007—2012 m157y
Extended by Topic Tags MOD © 2012 m157y