Например TDA7294

Форум РадиоКот • Просмотр темы - LM2576 преобразователь 24в->12в 15а
Форум РадиоКот
Здесь можно немножко помяукать :)

Текущее время: Чт дек 11, 2025 11:36:25

Часовой пояс: UTC + 3 часа


ПРЯМО СЕЙЧАС:



Начать новую тему Ответить на тему  [ Сообщений: 597 ]     ... , , , 24, , , ...  
Автор Сообщение
Не в сети
 Заголовок сообщения: Re: LM2576 преобразователь 24в->12в 15а
СообщениеДобавлено: Вт авг 17, 2010 17:38:02 
Модератор
Аватар пользователя

Карма: 153
Рейтинг сообщений: 2926
Зарегистрирован: Сб авг 14, 2010 15:05:51
Сообщений: 18889
Откуда: г. Озерск, Челябинская обл.
Рейтинг сообщения: 0
Медали: 1
Лучший человек Форума 2017 (1)
бифилярно - это складываешь провод пополам, потом им мотаешь. можно мотать и двумя проводами, потом с одной стороны концы спаяешь вместе. ток проходит туда и обратно - индуктивность получается практически нулевая.

_________________
Мудрость приходит вместе с импотенцией...
Когда на русском форуме переходят на Вы, в реальной жизни начинают бить морду.


Вернуться наверх
 
Не в сети
 Заголовок сообщения: Re: LM2576 преобразователь 24в->12в 15а
СообщениеДобавлено: Вт авг 17, 2010 21:43:23 
Опытный кот
Аватар пользователя

Зарегистрирован: Пт янв 29, 2010 01:36:03
Сообщений: 738
Откуда: Made in Ukraine
Рейтинг сообщения: 0
Вот именно так.

_________________
Как же сложно быть скромной, когда ты лучшая!


Вернуться наверх
 
Не в сети
 Заголовок сообщения: Re: LM2576 преобразователь 24в->12в 15а
СообщениеДобавлено: Вт авг 17, 2010 21:58:45 
Встал на лапы
Аватар пользователя

Зарегистрирован: Ср авг 19, 2009 09:42:48
Сообщений: 147
Откуда: Мытищи
Рейтинг сообщения: 0
-=БлОнДиНоЧк@=- писал(а):
Вот именно так.


Спасибо! Все гениальное - просто! Еще бы слово это запомнить...


Вернуться наверх
 
Не в сети
 Заголовок сообщения: Re: LM2576 преобразователь 24в->12в 15а
СообщениеДобавлено: Вт авг 17, 2010 22:02:49 
Опытный кот
Аватар пользователя

Карма: 1
Рейтинг сообщений: 0
Зарегистрирован: Ср май 02, 2007 14:36:29
Сообщений: 833
Откуда: Плюк
Рейтинг сообщения: 0
Народ, были тут 2576, 494я..... ну 3843 мало чем отличается от 494й.....
а вот чёй-то 33063 никто не мучил пока ? по идее она удобнее чем 494я, вход датчика тока имеет на 300мВ порог.... внешние RC...


Вернуться наверх
 
Эиком - электронные компоненты и радиодетали
Не в сети
 Заголовок сообщения: Re: LM2576 преобразователь 24в->12в 15а
СообщениеДобавлено: Вт авг 17, 2010 22:21:15 
Говорящий с текстолитом
Аватар пользователя

Карма: 9
Рейтинг сообщений: 51
Зарегистрирован: Ср окт 04, 2006 22:33:56
Сообщений: 1573
Откуда: М.о.
Рейтинг сообщения: 0
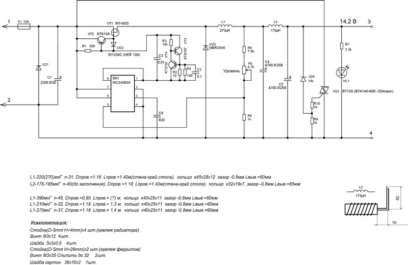
Мучили люди, даже схемка завалялась.


Вложения:
Схема 24-12 магнитофон 15А - mc 34063 стабил. тока.jpg [59.19 KiB]
Скачиваний: 2026

_________________
Всё придумано до и для нас.
Вернуться наверх
 
Не в сети
 Заголовок сообщения: Re: LM2576 преобразователь 24в->12в 15а
СообщениеДобавлено: Вт авг 17, 2010 22:42:25 
Опытный кот
Аватар пользователя

Зарегистрирован: Пт янв 29, 2010 01:36:03
Сообщений: 738
Откуда: Made in Ukraine
Рейтинг сообщения: 0
А можно нескромный вопрос? А зачем ставить тиристор защитный после транзистора :))) ? Чтобы кроме предохранителя еще что-то сжечь :)))

_________________
Как же сложно быть скромной, когда ты лучшая!


Вернуться наверх
 
Не в сети
 Заголовок сообщения: Re: LM2576 преобразователь 24в->12в 15а
СообщениеДобавлено: Вт авг 17, 2010 22:55:09 
Говорящий с текстолитом
Аватар пользователя

Карма: 9
Рейтинг сообщений: 51
Зарегистрирован: Ср окт 04, 2006 22:33:56
Сообщений: 1573
Откуда: М.о.
Рейтинг сообщения: 0
Тиристор стоит сразу за предохранителем.

_________________
Всё придумано до и для нас.


Вернуться наверх
 
Не в сети
 Заголовок сообщения: Re: LM2576 преобразователь 24в->12в 15а
СообщениеДобавлено: Вт авг 17, 2010 23:06:52 
Опытный кот
Аватар пользователя

Карма: 1
Рейтинг сообщений: 0
Зарегистрирован: Ср май 02, 2007 14:36:29
Сообщений: 833
Откуда: Плюк
Рейтинг сообщения: 0
я не понял суть схемы.... изюминка 33063 в удобном входе ограничения тока, а он тут не используется (7я нога), с таким же успехом сюда можно воткнуть вообще любой интегрированный ШИМ.


Вернуться наверх
 
Не в сети
 Заголовок сообщения: Re: LM2576 преобразователь 24в->12в 15а
СообщениеДобавлено: Вт авг 17, 2010 23:52:15 
Опытный кот
Аватар пользователя

Зарегистрирован: Пт янв 29, 2010 01:36:03
Сообщений: 738
Откуда: Made in Ukraine
Рейтинг сообщения: 0
А, точно. Мне пить меньше просто меньше надо.

_________________
Как же сложно быть скромной, когда ты лучшая!


Вернуться наверх
 
Не в сети
 Заголовок сообщения: Re: LM2576 преобразователь 24в->12в 15а
СообщениеДобавлено: Чт окт 21, 2010 21:12:49 
Родился
Аватар пользователя

Зарегистрирован: Пт мар 13, 2009 18:20:32
Сообщений: 9
Рейтинг сообщения: 0
Собрал ПН по схеме I_Cherry на 394. Только как-то странно - запускается только на ХХ... Или это нормально? Может кто подсказать?


Вернуться наверх
 
Не в сети
 Заголовок сообщения: Re: LM2576 преобразователь 24в->12в 15а
СообщениеДобавлено: Чт окт 21, 2010 22:33:43 
Встал на лапы
Аватар пользователя

Зарегистрирован: Ср авг 19, 2009 09:42:48
Сообщений: 147
Откуда: Мытищи
Рейтинг сообщения: 0
gena227 писал(а):
Собрал ПН по схеме I_Cherry на 394. Только как-то странно - запускается только на ХХ... Или это нормально? Может кто подсказать?


Возможно на слабый ток настроен. Либо шунт слабоват, либо делители не правильно подобрал. У меня вообще подстроечник вместо токового делителя установлен. И еще, сам заметил, если галогенки цеплять - то на холодную схема в защиту уходит. Видимо пусковой ток намного больше. У меня с низкоомными резисторами так и не получилось схему настроить. Мотал из медной проволоки катушку.


Вернуться наверх
 
Не в сети
 Заголовок сообщения: Re: LM2576 преобразователь 24в->12в 15а
СообщениеДобавлено: Сб окт 23, 2010 01:01:16 
Родился
Аватар пользователя

Зарегистрирован: Пт мар 13, 2009 18:20:32
Сообщений: 9
Рейтинг сообщения: 0
Возможно на слабый ток настроен. Либо шунт слабоват, либо делители не правильно подобрал. У меня вообще подстроечник вместо токового делителя установлен. И еще, сам заметил, если галогенки цеплять - то на холодную схема в защиту уходит. Видимо пусковой ток намного больше. У меня с низкоомными резисторами так и не получилось схему настроить. Мотал из медной проволоки катушку.

С этим уж разобрался (подчитал на другом форуме, что такая фигня, - из-за ламп в нагрузке). Работает - СУПЕР!! (IRFZ44 (1!) при 6А нагрузки градусов 40-45(радиатор-смех один), вход-1.7А выход-3, ничего не горит и не грееется, теперь,(posting.php?mode=reply&f=11&t=1465#).
Заряжу на нагрузку на сутки-двое, а там... (ведь неохота другу спалить авто).
Делал в основном на SMD, если кому нужно, печатку, чуть позже (неохота те первые "сопли" показывать)http://radiokot.ru/forum/posting.php?mode=reply&f=11&t=1465#.

P.S. Валялась бобина провода 0.2 (похоже манганин), отмерял метр, свил 20 жил,- (померял) получилось на 0.005=/0.7см - запаял - шунт -. что надоhttp://radiokot.ru/forum/posting.php?mode=reply&f=11&t=1465#!!!


Вернуться наверх
 
Не в сети
 Заголовок сообщения: Re: LM2576 преобразователь 24в->12в 15а
СообщениеДобавлено: Сб окт 23, 2010 21:49:16 
Открыл глаза

Зарегистрирован: Вс июл 26, 2009 11:56:03
Сообщений: 57
Откуда: СПб
Рейтинг сообщения: 0
gena227 писал(а):
Возможно на слабый ток настроен. Либо шунт слабоват, либо делители не правильно подобрал. У меня вообще подстроечник вместо токового делителя установлен. И еще, сам заметил, если галогенки цеплять - то на холодную схема в защиту уходит. Видимо пусковой ток намного больше. У меня с низкоомными резисторами так и не получилось схему настроить. Мотал из медной проволоки катушку.

С этим уж разобрался (подчитал на другом форуме, что такая фигня, - из-за ламп в нагрузке). Работает - СУПЕР!! (IRFZ44 (1!) при 6А нагрузки градусов 40-45(радиатор-смех один), вход-1.7А выход-3, ничего не горит и не грееется, теперь,(posting.php?mode=reply&f=11&t=1465#).
Заряжу на нагрузку на сутки-двое, а там... (ведь неохота другу спалить авто).
Делал в основном на SMD, если кому нужно, печатку, чуть позже (неохота те первые "сопли" показывать)http://radiokot.ru/forum/posting.php?mode=reply&f=11&t=1465#.

P.S. Валялась бобина провода 0.2 (похоже манганин), отмерял метр, свил 20 жил,- (померял) получилось на 0.005=/0.7см - запаял - шунт -. что надоhttp://radiokot.ru/forum/posting.php?mode=reply&f=11&t=1465#!!!

было бы интересно печатку посмотреть :beer:


Вернуться наверх
 
Не в сети
 Заголовок сообщения: Re: LM2576 преобразователь 24в->12в 15а
СообщениеДобавлено: Сб ноя 13, 2010 15:22:54 
Родился
Аватар пользователя

Зарегистрирован: Пт мар 13, 2009 18:20:32
Сообщений: 9
Рейтинг сообщения: 0
было бы интересно печатку посмотреть :beer:[/quote]

Что-то я с этим интерфейсом.... вот, ложу печатку ( +36в стабилитрон), исправленную


Вернуться наверх
 
Не в сети
 Заголовок сообщения: Re: LM2576 преобразователь 24в->12в 15а
СообщениеДобавлено: Сб ноя 13, 2010 21:23:16 
Открыл глаза

Зарегистрирован: Вс июл 26, 2009 11:56:03
Сообщений: 57
Откуда: СПб
Рейтинг сообщения: 0
gena227 писал(а):
было бы интересно печатку посмотреть :beer:


Что-то я с этим интерфейсом.... вот, ложу печатку ( +36в стабилитрон), исправленную[/quote]
:dont_know: а где?


Вернуться наверх
 
Не в сети
 Заголовок сообщения: Re: LM2576 преобразователь 24в->12в 15а
СообщениеДобавлено: Сб мар 05, 2011 12:46:32 
Вымогатель припоя
Аватар пользователя

Зарегистрирован: Вт сен 15, 2009 16:23:06
Сообщений: 693
Откуда: Москва
Рейтинг сообщения: 0
Доброе время суток.
В общем решил заменить начинку блока DAZHENG PS-1502DD. У старой схемы слишком сильный нагрев транзистора. Оставлю только схему индикации тока и напряжения.
Поскольку току мне больше 25вольт 3А не надо то за основу решил взять схему на основе LM2576-ADJ из даташита.
Но нужно пределать схему регулируемой защиты по току от 0 до 3А. То есть чтоб вырубало при достижении выставленного предела. Какие есть варианты ?

_________________
Только абсолютная пустота бездны принесёт мне покой.


Вернуться наверх
 
Не в сети
 Заголовок сообщения: Re: LM2576 преобразователь 24в->12в 15а
СообщениеДобавлено: Пт апр 22, 2011 03:23:21 
Родился

Зарегистрирован: Сб ноя 13, 2010 07:15:47
Сообщений: 5
Рейтинг сообщения: 0
Уважаемые коты собрался делать преобразователь 24-12 и стою на распутье какую схему сделать на 494 микросхеме или на МС34063 напишите пожалуйста ваши соображения по этому поводу какая схема чем лучше, проще в сборке, надежнее. Я думаю ъто будет интересно не только мне одному. Заранее благодарю всех котов сменя валерьянки ведерко :))


Вернуться наверх
 
Не в сети
 Заголовок сообщения: Re: LM2576 преобразователь 24в->12в 15а
СообщениеДобавлено: Пт апр 22, 2011 20:52:28 
Собутыльник Кота

Карма: 8
Рейтинг сообщений: 52
Зарегистрирован: Ср окт 06, 2010 14:30:35
Сообщений: 2767
Откуда: 100км от Москвы
Рейтинг сообщения: 0
boba.s
В форме ответа, внизу есть поле "имя файла" и кнопочка "Обзор". Жмешь - указываешь путь к файлу. Далее окно "Комментарий к файлу" - можно и не писать ничего, правее кнопка "Добавить файл". Жмешь, ждешь - если появилось внизу ответа имя файла - все ок :) Можно предпросмотром глянуть - прикрепилось или нет.

_________________
Не ценят люди никогда того, что им легко досталось.


Вернуться наверх
 
Не в сети
 Заголовок сообщения: Re: LM2576 преобразователь 24в->12в 15а
СообщениеДобавлено: Сб апр 23, 2011 10:12:03 
Опытный кот
Аватар пользователя

Карма: 1
Рейтинг сообщений: 0
Зарегистрирован: Ср май 02, 2007 14:36:29
Сообщений: 833
Откуда: Плюк
Рейтинг сообщения: 0
сергей2 писал(а):
Уважаемые коты собрался делать преобразователь 24-12 и стою на распутье какую схему сделать на 494 микросхеме или на МС34063 напишите пожалуйста ваши соображения по этому поводу какая схема чем лучше, проще в сборке, надежнее. Я думаю ъто будет интересно не только мне одному. Заранее благодарю всех котов сменя валерьянки ведерко :))

Ну это совершенно разные ШИМы, 494я это полнофункциональный двухтактник, а 34063 мелкий клоп в который встроен 1,5а биполярный ключь и есть один вход для датчика тока с фиксированым порогом.
вы бы написали на какой ток собрались делать сей преобразователь и какого КПД добится....
а то так ничего конкретно никто не скажет.


Вернуться наверх
 
Не в сети
 Заголовок сообщения: Re: LM2576 преобразователь 24в->12в 15а
СообщениеДобавлено: Сб апр 23, 2011 14:00:10 
Родился

Зарегистрирован: Сб ноя 13, 2010 07:15:47
Сообщений: 5
Рейтинг сообщения: 0
хочу сделать стабилизатор до 20 ампер
кпд какой выйдет но хочу сделать импульсник а то линейный греется шибко


Вернуться наверх
 
Показать сообщения за:  Сортировать по:  Вернуться наверх
Начать новую тему Ответить на тему  [ Сообщений: 597 ]     ... , , , 24, , , ...  

Часовой пояс: UTC + 3 часа


Кто сейчас на форуме

Сейчас этот форум просматривают: Google [Bot] и гости: 76


Вы не можете начинать темы
Вы не можете отвечать на сообщения
Вы не можете редактировать свои сообщения
Вы не можете удалять свои сообщения
Вы не можете добавлять вложения

Найти:
Перейти:  


Powered by phpBB © 2000, 2002, 2005, 2007 phpBB Group
Русская поддержка phpBB
Extended by Karma MOD © 2007—2012 m157y
Extended by Topic Tags MOD © 2012 m157y