Например TDA7294

Форум РадиоКот • Просмотр темы - Подключение частотника
Форум РадиоКот
Здесь можно немножко помяукать :)

Текущее время: Вт дек 16, 2025 05:51:02

Часовой пояс: UTC + 3 часа


ПРЯМО СЕЙЧАС:



Начать новую тему Ответить на тему  [ Сообщений: 60 ]    , , 3
Автор Сообщение
Не в сети
 Заголовок сообщения: Re: Подключение частотника
СообщениеДобавлено: Пн сен 01, 2014 19:54:25 
Вымогатель припоя

Карма: 12
Рейтинг сообщений: 180
Зарегистрирован: Вс окт 06, 2013 06:33:40
Сообщений: 664
Рейтинг сообщения: 0
Грустно всё это. Ищите переводчика или грамотного электрика. Методом тыка запустить маловероятно.


Вернуться наверх
 
Не в сети
 Заголовок сообщения: Re: Подключение частотника
СообщениеДобавлено: Вт сен 02, 2014 07:53:13 
Друг Кота
Аватар пользователя

Карма: 50
Рейтинг сообщений: 759
Зарегистрирован: Чт дек 29, 2005 00:18:30
Сообщений: 6577
Откуда: Москва
Рейтинг сообщения: 0
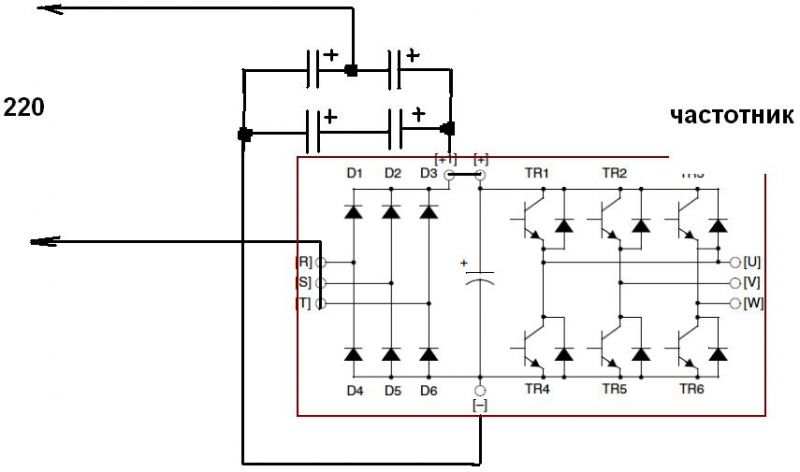
По поводу трёхфазника в однофазной сети... сошлюсь на свой удачный опыт подробности тут http://www.chipmaker.ru/topic/46190/pag ... и__st__260 . Страница 14 в середине фото. Схема в общем-то описана и понятна, данное решение я планирую использовать групповым, то есть один блок питания и несколько частотников, соединённых кабелем двухпроводным с 640 вольтами.

_________________
Ничто так не укрепляет взаимное доверие, как 100% предоплата! Дмитрий, ex-RK3AOR.


Вернуться наверх
 
Не в сети
 Заголовок сообщения: Re: Подключение частотника
СообщениеДобавлено: Вс дек 14, 2014 17:32:03 
Друг Кота
Аватар пользователя

Карма: 48
Рейтинг сообщений: 96
Зарегистрирован: Пн мар 22, 2010 11:01:14
Сообщений: 7461
Откуда: СССР, г. Москва.
Рейтинг сообщения: 0
Пользовались частотником Delta. Недавно сам остановился, и в дальнейшем вообще отказался крутить движок. Светится "Стоп", и частота ноль Гц. На нажатие кнопки Старт не реагирует. Как понять, в чем проблема?

_________________
Я рожден при социализме, и я этим горжусь!


Вернуться наверх
 
Не в сети
 Заголовок сообщения: Re: Подключение частотника
СообщениеДобавлено: Вс дек 14, 2014 18:26:13 
Вымогатель припоя

Карма: 12
Рейтинг сообщений: 180
Зарегистрирован: Вс окт 06, 2013 06:33:40
Сообщений: 664
Рейтинг сообщения: 0
Раз никакой ошибки не высвечивается, то стоит проверить настройки управления, возможно они слетели или кто-то "сильно умный" кнопочки понатыкал (был такой случай).

Сбросить настройки на заводские и ввести заново.


Вернуться наверх
 
Эиком - электронные компоненты и радиодетали
Не в сети
 Заголовок сообщения: Re: Подключение частотника
СообщениеДобавлено: Вс дек 14, 2014 23:53:44 
Друг Кота
Аватар пользователя

Карма: 48
Рейтинг сообщений: 96
Зарегистрирован: Пн мар 22, 2010 11:01:14
Сообщений: 7461
Откуда: СССР, г. Москва.
Рейтинг сообщения: 0
Все проверили, сброс настроек не помог :(

_________________
Я рожден при социализме, и я этим горжусь!


Вернуться наверх
 
Не в сети
 Заголовок сообщения: Re: Подключение частотника
СообщениеДобавлено: Пн дек 15, 2014 04:08:32 
Вымогатель припоя

Карма: 12
Рейтинг сообщений: 180
Зарегистрирован: Вс окт 06, 2013 06:33:40
Сообщений: 664
Рейтинг сообщения: 0
Ну если никакими способами запустить не удаётся, то в сервис наверно, что еще тут сделаешь.


Вернуться наверх
 
Не в сети
 Заголовок сообщения: Re: Подключение частотника
СообщениеДобавлено: Пн дек 15, 2014 08:54:34 
Поставщик валерьянки для Кота
Аватар пользователя

Карма: -20
Рейтинг сообщений: 67
Зарегистрирован: Пн ноя 01, 2010 12:19:31
Сообщений: 2253
Откуда: Серпухов
Рейтинг сообщения: 0
AlVolodya писал(а):
Доброго времени суток!Подскажите пожалуйста можно ли подключить к однофазной сети трехфазный частотник.Имеются в наличии TOSHIBA VF-S11(3PH-380/500v-1,5kW/2HP и ВЕСПЕР Е2-8300-005Н,если можно,то как.За ранее спасибо!!

Возможно аппаратно так, с чипмейкера схема с удвоением.
Изображение
Програмно для TOSHIBы http://www.pkip.ru/cat_toshiba_vf-s11/
F608-обрыв входной фазы
F627-недостаточное напряжение
F700-разрешение на программирование
для ВЕСПЕРа http://megaheap-auto.ru/p7506406-vesper-8300-005h.html
0-07 Напряжение питания (В)
Класс 220В: 170.0~264.0
Класс 380В: 323.0~528.0
Для правильной работы преобразователя введите реальное напряжение сети
Еще, при питании от 220 и соответственно двигатели на "треугольник" для Тошибы не более 0,9кВт, для Веспера 2,2кВТ

_________________
Вот блин, опять в галерее картину малевича вверх ногами повесили.


Вернуться наверх
 
Не в сети
 Заголовок сообщения: Re: Подключение частотника
СообщениеДобавлено: Пн дек 15, 2014 22:26:12 
Друг Кота
Аватар пользователя

Карма: 48
Рейтинг сообщений: 96
Зарегистрирован: Пн мар 22, 2010 11:01:14
Сообщений: 7461
Откуда: СССР, г. Москва.
Рейтинг сообщения: 0
Dr. West писал(а):
Ну если никакими способами запустить не удаётся, то в сервис наверно, что еще тут сделаешь.

Написал производителю - те молчат :(

_________________
Я рожден при социализме, и я этим горжусь!


Вернуться наверх
 
Не в сети
 Заголовок сообщения: Re: Подключение частотника
СообщениеДобавлено: Ср сен 14, 2016 07:58:54 
Родился

Зарегистрирован: Ср сен 14, 2016 07:46:59
Сообщений: 4
Рейтинг сообщения: 0
Коллеги, доброе утро! Неоднократно сталкиваюсь с тем, что народ пишет что разгоняют свои движки (с какой-то целью или ради интереса)) выше нормы. Вчера решил тоже попробовать,,, вроде получилось. Увеличил ограничение по скорости и вроде разгоняется, но до 120-130 Гц, а дальше двигатель проваливается. Я не могу понять как народ рахгоняет до 250Гц, к примеру, если частотник и двигатель не могут больше? Не, ну на частотнике отражается частота и 150, 160 Гц, но двигатель уже не крутит. У меня Siemens G120 и в настройках вообще максимум указан 500-600Гц, если не ошибаюсь. Но реализовать их не реально же!!! Напряжение выросло до максимума, частота еще растет, но дальше движок теряет обороты. Короче классика)) Или для этого надо свою какую-то характеристику регулировочную делать? В общем каша какая-то... или я тупой и не понимаю какие параметры еще надо менять


Вернуться наверх
 
Не в сети
 Заголовок сообщения: Re: Подключение частотника
СообщениеДобавлено: Ср сен 14, 2016 08:04:59 
Родился

Зарегистрирован: Ср сен 14, 2016 07:46:59
Сообщений: 4
Рейтинг сообщения: 0
вообще складывается впечатление, что диапазон частот и максимальное значение частоты в STARTERe указано тупо для всей линейки частотников и получается реально 500Гц фиг когда сделаешь.


Вернуться наверх
 
Не в сети
 Заголовок сообщения: Re: Подключение частотника
СообщениеДобавлено: Ср сен 14, 2016 08:21:52 
Друг Кота
Аватар пользователя

Карма: 50
Рейтинг сообщений: 759
Зарегистрирован: Чт дек 29, 2005 00:18:30
Сообщений: 6577
Откуда: Москва
Рейтинг сообщения: 2
Разгон оптимален до 150% максимум 200. Если двигатель изначально высокоскоростной (2920..3000 об/мин) то не более 150% так как подшипники в основном до 3000.4000 об/мин работают, будут греться и клина дадут. Если низкоскоростной (920..1440 об/мин) то можно и 200%. Второй фактор это потери в железе, выше 100 гц они растут очень сильно, это тоже индивидуально для каждого движка. Ну и третье это то что чем выше частота тем выше должно быть напряжение, а в случае сети это невозможно. Поэтому идёт провал момента. По любому. НО!! Есть высокоскоростные моторы (обычно шпиндели фрезерные) они изначально на 400 гц, поэтому некоторые частотники универсальны и могут работать с ними. Если такого шпинделя нет то 75..100 гц это предел для обычного двигателя.

_________________
Ничто так не укрепляет взаимное доверие, как 100% предоплата! Дмитрий, ex-RK3AOR.


Вернуться наверх
 
Не в сети
 Заголовок сообщения: Re: Подключение частотника
СообщениеДобавлено: Ср сен 14, 2016 08:43:29 
Родился

Зарегистрирован: Ср сен 14, 2016 07:46:59
Сообщений: 4
Рейтинг сообщения: 0
Дмитрий, спасибо! Я это все понимаю, но не могу понять как люди умудрялись разогнать двухполюсный асинхронник до 250Гц и он типо крутил?)) В моем понимании настроить параметры под такой форсаж невозможно же)
а по подшипникам не соглашусь... 3000-4000 это мало для них. Ради интереса залез в мануал на двигатель и по марке подшипника посмотрел его спецификацию - у него диапазон от 11000 об/мин


Вернуться наверх
 
Не в сети
 Заголовок сообщения: Re: Подключение частотника
СообщениеДобавлено: Ср сен 14, 2016 09:29:56 
Друг Кота
Аватар пользователя

Карма: 50
Рейтинг сообщений: 759
Зарегистрирован: Чт дек 29, 2005 00:18:30
Сообщений: 6577
Откуда: Москва
Рейтинг сообщения: 0
Раскрутить и полноценно использовать это разные вещи... Я Вам отвечал по материалам темы с чипмейкера по разгону, при форсировании греется движок, греется подшипник и падает мощность. По разному, так как качество и материалы разные, но двигателю становится хуже при разгоне выше десятков процентов. На заводе, когда я работал, для ЧПУ трёхфазные асинхронники были особой серии, для работы с преобразователями. Но на 50 гц и 380 вольт по паспорту, как и обычные..

_________________
Ничто так не укрепляет взаимное доверие, как 100% предоплата! Дмитрий, ex-RK3AOR.


Вернуться наверх
 
Не в сети
 Заголовок сообщения: Re: Подключение частотника
СообщениеДобавлено: Ср сен 14, 2016 09:35:08 
Родился

Зарегистрирован: Ср сен 14, 2016 07:46:59
Сообщений: 4
Рейтинг сообщения: 0
Дмитрий, я понял. Но вопрос не в практическом применении, а вообще в возможности разогнать. В моем понимании это невозможно и на практике попробовал - тоже невозможно) а у кого-то типо получается))))


Вернуться наверх
 
Не в сети
 Заголовок сообщения: Re: Подключение частотника
СообщениеДобавлено: Ср сен 14, 2016 11:07:05 
Модератор
Аватар пользователя

Карма: 153
Рейтинг сообщений: 2926
Зарегистрирован: Сб авг 14, 2010 15:05:51
Сообщений: 18891
Откуда: г. Озерск, Челябинская обл.
Рейтинг сообщения: 0
Медали: 1
Лучший человек Форума 2017 (1)
обычно частотники (например, Данфосс) для 50-герцовых двигателей позволяют выставить максимум 120 Гц.
дело в том, что с ростом частоты, когда напряжение уже не может расти, падает вращающий момент и, соответственно, падает мощность на валу.
однако, для трехфазных приводов есть такой выход: если частотник и на 380 Вольт, то двигатель берем (или переключаем) на 220 Вольт. тогда безболезненно можно задавать максимум до 85 Гц (380 / 220 = примерно 1,7) без потери мощности. но при дальнейшем росте частоты опять будем иметь падение мощности.
разгон до 200-250 Гц или даже более я думаю, что это брехня. без нагрузки двигатель еще будет как-то вращаться, но нагрузку держать не будет.

еще замечу, что тот же Данфосс для 400-герцовых двигателей имеет второй диапазон частот - до 1000 Гц.

_________________
Мудрость приходит вместе с импотенцией...
Когда на русском форуме переходят на Вы, в реальной жизни начинают бить морду.


Вернуться наверх
 
Не в сети
 Заголовок сообщения: Re: Подключение частотника
СообщениеДобавлено: Ср янв 25, 2017 03:23:23 
Родился

Зарегистрирован: Чт янв 09, 2014 02:05:13
Сообщений: 2
Рейтинг сообщения: 0
доброго времени всем,
есть частотник альтивар 18 3\380 и есть обычная 220 сеть, ругается USF низкое напряжение. Как обойти этот момент чтобы запустилось :shock:


Вернуться наверх
 
Не в сети
 Заголовок сообщения: Re: Подключение частотника
СообщениеДобавлено: Ср янв 25, 2017 13:25:13 
Друг Кота
Аватар пользователя

Карма: 50
Рейтинг сообщений: 759
Зарегистрирован: Чт дек 29, 2005 00:18:30
Сообщений: 6577
Откуда: Москва
Рейтинг сообщения: 0
Повысить входное..

_________________
Ничто так не укрепляет взаимное доверие, как 100% предоплата! Дмитрий, ex-RK3AOR.


Вернуться наверх
 
Не в сети
 Заголовок сообщения: Re: Подключение частотника
СообщениеДобавлено: Ср янв 25, 2017 16:11:06 
Поставщик валерьянки для Кота
Аватар пользователя

Карма: -20
Рейтинг сообщений: 67
Зарегистрирован: Пн ноя 01, 2010 12:19:31
Сообщений: 2253
Откуда: Серпухов
Рейтинг сообщения: 0
Starichok51 писал(а):
обычно частотники (например, Данфосс) для 50-герцовых двигателей позволяют выставить максимум 120 Гц.
дело в том, что с ростом частоты, когда напряжение уже не может расти, падает вращающий момент и, соответственно, падает мощность на валу.
однако, для трехфазных приводов есть такой выход: если частотник и на 380 Вольт, то двигатель берем (или переключаем) на 220 Вольт. тогда безболезненно можно задавать максимум до 85 Гц (380 / 220 = примерно 1,7) без потери мощности. но при дальнейшем росте частоты опять будем иметь падение мощности.
разгон до 200-250 Гц или даже более я думаю, что это брехня. без нагрузки двигатель еще будет как-то вращаться, но нагрузку держать не будет.

еще замечу, что тот же Данфосс для 400-герцовых двигателей имеет второй диапазон частот - до 1000 Гц.

Ребята про бустер, с места и в карьер, а ты про менеджмент, тут рубикон перешли.

_________________
Вот блин, опять в галерее картину малевича вверх ногами повесили.


Вернуться наверх
 
Не в сети
 Заголовок сообщения: Re: Подключение частотника
СообщениеДобавлено: Ср янв 25, 2017 18:35:23 
Собутыльник Кота

Карма: 48
Рейтинг сообщений: 895
Зарегистрирован: Чт июн 26, 2014 00:04:37
Сообщений: 2957
Рейтинг сообщения: 0
Kostochka писал(а):
Коллеги, доброе утро! Неоднократно сталкиваюсь с тем, что народ пишет что разгоняют свои движки (с какой-то целью или ради интереса)) выше нормы. Вчера решил тоже попробовать,,, вроде получилось. Увеличил ограничение по скорости и вроде разгоняется, но до 120-130 Гц, а дальше двигатель проваливается...

Где-то есть потери. Чтоб разогнать выше их нужно убрать до возможного минимума, закрыть доступ воздуха для вентилятора движка и т.д. От состояния подшипников очень многое зависит. Но использовать привод в таком режиме соответственно можно только для шумовых эффектов :)) на 200Гц остаётся около 0,06 от номинального момента мотора

_________________
Обновления, документация, схемы и прошивки Восьмикрута - yandex
Обновления, документация, схемы и прошивки Восьмикрута - google
Видео ролики YouTube RuTube Дзен


Вернуться наверх
 
Не в сети
 Заголовок сообщения: Re: Подключение частотника
СообщениеДобавлено: Ср янв 25, 2017 22:49:22 
Поставщик валерьянки для Кота
Аватар пользователя

Карма: -20
Рейтинг сообщений: 67
Зарегистрирован: Пн ноя 01, 2010 12:19:31
Сообщений: 2253
Откуда: Серпухов
Рейтинг сообщения: 0
DC-AC писал(а):
Kostochka писал(а):
Коллеги, доброе утро! Неоднократно сталкиваюсь с тем, что народ пишет что разгоняют свои движки (с какой-то целью или ради интереса)) выше нормы. Вчера решил тоже попробовать,,, вроде получилось. Увеличил ограничение по скорости и вроде разгоняется, но до 120-130 Гц, а дальше двигатель проваливается...

Где-то есть потери. Чтоб разогнать выше их нужно убрать до возможного минимума, закрыть доступ воздуха для вентилятора движка и т.д. От состояния подшипников очень многое зависит. Но использовать привод в таком режиме соответственно можно только для шумовых эффектов :)) на 200Гц остаётся около 0,06 от номинального момента мотора

Угу, и напругу DC порядка двух киловольт, получиться :)

_________________
Вот блин, опять в галерее картину малевича вверх ногами повесили.


Вернуться наверх
 
Показать сообщения за:  Сортировать по:  Вернуться наверх
Начать новую тему Ответить на тему  [ Сообщений: 60 ]    , , 3

Часовой пояс: UTC + 3 часа


Кто сейчас на форуме

Сейчас этот форум просматривают: нет зарегистрированных пользователей и гости: 61


Вы не можете начинать темы
Вы не можете отвечать на сообщения
Вы не можете редактировать свои сообщения
Вы не можете удалять свои сообщения
Вы не можете добавлять вложения

Найти:
Перейти:  


Powered by phpBB © 2000, 2002, 2005, 2007 phpBB Group
Русская поддержка phpBB
Extended by Karma MOD © 2007—2012 m157y
Extended by Topic Tags MOD © 2012 m157y