Например TDA7294

Форум РадиоКот • Просмотр темы - Драйвер силовых ключей
Форум РадиоКот
Здесь можно немножко помяукать :)

Текущее время: Чт фев 26, 2026 17:35:54

Часовой пояс: UTC + 3 часа


ПРЯМО СЕЙЧАС:



Начать новую тему Ответить на тему  [ Сообщений: 48 ]    , , 3
Автор Сообщение
 Заголовок сообщения: Re: Драйвер силовых ключей
СообщениеДобавлено: Чт фев 02, 2012 23:35:18 
Друг Кота
Аватар пользователя

Карма: 46
Рейтинг сообщений: 590
Зарегистрирован: Вт май 19, 2009 09:27:30
Сообщений: 3258
Откуда: Украина
Рейтинг сообщения: 0
Телекот писал(а):
Во многих APC работают и не кто не жалуется.
Если нужны полноценные тогда и пользуй полноценные.

Ну зачем так сразу в крайности?
Мне лично больше нравится схема в прикреплённом ниже файле - неоднократно проверялась в разных схемах и на разных частотах. Хотелось бы её и для верхнего приспособить. А вот с комплементарным эмиттерником были инциденты. Идеальный драйвер наверное получился бы на комплементарке полевиков в схеме с общими истоками, но таких у меня нету, есть n-ch 2N7002 и n-p-n 2222A, ещё есть p-n-p 2907A.


Вложения:
12-220.GIF [4.22 KiB]
Скачиваний: 1382
Вернуться наверх
 
 Заголовок сообщения: Re: Драйвер силовых ключей
СообщениеДобавлено: Пт фев 03, 2012 10:00:04 
Друг Кота
Аватар пользователя

Карма: 146
Рейтинг сообщений: 6067
Зарегистрирован: Чт июн 04, 2009 21:06:49
Сообщений: 36290
Откуда: г.Мариинск
Рейтинг сообщения: 0
Медали: 1
Лучший человек Форума 2017 (1)
Вы же сами сказали что не любите эмиттерные повторители, а Т3 эмиттерный повторитель.

_________________
Тем кого не устаревает наличия ошибок в моем тексте, оставляю права не пользоваться моими советами или просто не читать мои сообщения.


Вернуться наверх
 
 Заголовок сообщения: Re: Драйвер силовых ключей
СообщениеДобавлено: Пт фев 03, 2012 10:12:52 
Друг Кота
Аватар пользователя

Карма: 146
Рейтинг сообщений: 6067
Зарегистрирован: Чт июн 04, 2009 21:06:49
Сообщений: 36290
Откуда: г.Мариинск
Рейтинг сообщения: 0
Медали: 1
Лучший человек Форума 2017 (1)
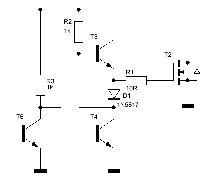
Да чуть не забыл, практически любой драйвер можно приспособить для верхнего плеча, главное чтоб не было инверсии сигнала.
Вот держи ваш.
Изображение

ELcat писал(а):
А вот с комплементарным эмиттерником были инциденты.

Вот с этого места пожалуйста по подробней, я тоже занимаюсь инверторами, и хотелось бы знать про них.

_________________
Тем кого не устаревает наличия ошибок в моем тексте, оставляю права не пользоваться моими советами или просто не читать мои сообщения.


Вернуться наверх
 
 Заголовок сообщения: Re: Драйвер силовых ключей
СообщениеДобавлено: Пт фев 03, 2012 15:23:30 
Друг Кота
Аватар пользователя

Карма: 46
Рейтинг сообщений: 590
Зарегистрирован: Вт май 19, 2009 09:27:30
Сообщений: 3258
Откуда: Украина
Рейтинг сообщения: 0
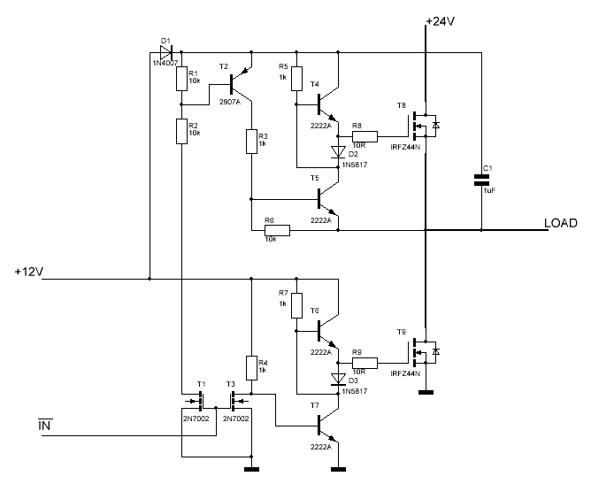
Телекот, спасибо за умные ответы. Только не пойму какую роль выполняет D2? Как я понял VT1 и D2 должны кратковременно выдерживать огромные броски тока, которые коммутируются в мосте, а также должны быть рассчитаны на рабочее напряжение моста? Посмотри, пожалуйста, мою схему, можешь приблизительно оценить её быстродействие и время между коммутациями ключей. Думаю, сквозняка быть не должно. По поводу эмиттерников - была у меня когда-то разработочка с флибаком и там постоянно грелись и вылетали IRF840, а в качестве затворного драйвера эмиттерник на комплементарке КТ315-КТ361, вот и отложилось недоверие на уровне "религиозных взглядов". Затвор ПТ - это не просто ёмкость, которую необходимо быстро перезардить. Нарастающий выброс напряжения на стоке "лезет" через проходную ёмкость на затвор, противодействуя драйверу.
Изображение


Вложения:
12-220_1.GIF [8.29 KiB]
Скачиваний: 3370
Вернуться наверх
 
Эиком - электронные компоненты и радиодетали
 Заголовок сообщения: Re: Драйвер силовых ключей
СообщениеДобавлено: Пт фев 03, 2012 16:46:46 
Друг Кота
Аватар пользователя

Карма: 146
Рейтинг сообщений: 6067
Зарегистрирован: Чт июн 04, 2009 21:06:49
Сообщений: 36290
Откуда: г.Мариинск
Рейтинг сообщения: 0
Медали: 1
Лучший человек Форума 2017 (1)
VD2 служит для защиты эмиттерного перехода от большого обратного напряжения.
Для ограничения тока можно поставить резистор, хотя и без него должно работать.
ELcat писал(а):
Нарастающий выброс напряжения на стоке "лезет" через проходную ёмкость на затвор, противодействуя драйверу.

Это называется полка Миллера
В твоей схеме транзистор Т5 будет долго закрываться через относительно большой резистор R6.
Да и время прохождение сигнала у верхнего и нижнего драйверов разное, нужно увеличивать мёртвое время.
Хотя для частоты 50Гц не критично.

_________________
Тем кого не устаревает наличия ошибок в моем тексте, оставляю права не пользоваться моими советами или просто не читать мои сообщения.


Вернуться наверх
 
 Заголовок сообщения: Re: Драйвер силовых ключей
СообщениеДобавлено: Пт фев 03, 2012 17:48:12 
Друг Кота
Аватар пользователя

Карма: 46
Рейтинг сообщений: 590
Зарегистрирован: Вт май 19, 2009 09:27:30
Сообщений: 3258
Откуда: Украина
Рейтинг сообщения: 0
Телекот писал(а):
В твоей схеме транзистор Т5 будет долго закрываться через относительно большой резистор R6.
:shock: Упс, а это как??? Он же биполярник n-p-n - :shock: сняли ток базы и тю-тю, у него время рассасывания неосновных позволяет две сотни МГц набирать, от куда же "долго"???


Вернуться наверх
 
 Заголовок сообщения: Re: Драйвер силовых ключей
СообщениеДобавлено: Пт фев 03, 2012 18:36:05 
Друг Кота
Аватар пользователя

Карма: 146
Рейтинг сообщений: 6067
Зарегистрирован: Чт июн 04, 2009 21:06:49
Сообщений: 36290
Откуда: г.Мариинск
Рейтинг сообщения: 0
Медали: 1
Лучший человек Форума 2017 (1)
Мегагерцы остались в линейных режимах, здесь имеем время открытие время закрытие
Изображение
И это при токе базы 15мА, а у вас ток базы закрытия -0.06мА.
В ключевом режиме ток вазы может принимать и отрицательные значения.
Кроме того биполярный транзистор как уважающий себя прибор имеет полный набор паразитных ёмкостей, и эффектом Миллера.

_________________
Тем кого не устаревает наличия ошибок в моем тексте, оставляю права не пользоваться моими советами или просто не читать мои сообщения.


Вернуться наверх
 
 Заголовок сообщения: Re: Драйвер силовых ключей
СообщениеДобавлено: Пт фев 03, 2012 20:07:04 
Друг Кота
Аватар пользователя

Карма: 46
Рейтинг сообщений: 590
Зарегистрирован: Вт май 19, 2009 09:27:30
Сообщений: 3258
Откуда: Украина
Рейтинг сообщения: 0
Ну так по идее эти самые 250 нс будут составлять "дед тайм"?


Вернуться наверх
 
Показать сообщения за:  Сортировать по:  Вернуться наверх
Начать новую тему Ответить на тему  [ Сообщений: 48 ]    , , 3

Часовой пояс: UTC + 3 часа


Вы не можете начинать темы
Вы не можете отвечать на сообщения
Вы не можете редактировать свои сообщения
Вы не можете удалять свои сообщения
Вы не можете добавлять вложения

Найти:
Перейти:  


Powered by phpBB © 2000, 2002, 2005, 2007 phpBB Group
Русская поддержка phpBB
Extended by Karma MOD © 2007—2012 m157y
Extended by Topic Tags MOD © 2012 m157y