Например TDA7294

Форум РадиоКот • Просмотр темы - Электронная нагрузка
Форум РадиоКот
Здесь можно немножко помяукать :)

Текущее время: Вт мар 17, 2026 01:59:43

Часовой пояс: UTC + 3 часа


ПРЯМО СЕЙЧАС:



Начать новую тему Ответить на тему  [ Сообщений: 745 ]     ... , , , 19, , , ...  
Автор Сообщение
 Заголовок сообщения: Re: Электронная нагрузка
СообщениеДобавлено: Сб янв 13, 2018 02:09:21 
Электрический кот
Аватар пользователя

Карма: 4
Рейтинг сообщений: 48
Зарегистрирован: Вт янв 08, 2013 04:08:16
Сообщений: 1047
Откуда: FAR EAST FOREVER
Рейтинг сообщения: 0
С корпуса ТО220 очень проблематично снять больше 50Вт мощности.

более практичные данные 20-25Вт, Если болдьше то нужен оч хороший теплоотвод. У меня так и получилось, При превышении мощности нагрузки 20Вт на 1 транзюк. Транзюк вылетал. Поэтому поменял ожлаждение, и поставил IRFP 240 в корпусе ТО-247. В итоге мощность выдерживают.

_________________
1.Всегда бывает первый раз.
2.Родился сам, помоги другому


Вернуться наверх
 
 Заголовок сообщения: Re: Электронная нагрузка
СообщениеДобавлено: Сб янв 13, 2018 02:12:04 
Друг Кота
Аватар пользователя

Карма: 146
Рейтинг сообщений: 6067
Зарегистрирован: Чт июн 04, 2009 21:06:49
Сообщений: 36290
Откуда: г.Мариинск
Рейтинг сообщения: 0
Медали: 1
Лучший человек Форума 2017 (1)
50Вт снять можно, но радиатор нужен медный и хорошей толщины, около 10мм.

_________________
Тем кого не устаревает наличия ошибок в моем тексте, оставляю права не пользоваться моими советами или просто не читать мои сообщения.


Вернуться наверх
 
 Заголовок сообщения: Re: Электронная нагрузка
СообщениеДобавлено: Сб янв 13, 2018 02:58:53 
Электрический кот
Аватар пользователя

Карма: 4
Рейтинг сообщений: 48
Зарегистрирован: Вт янв 08, 2013 04:08:16
Сообщений: 1047
Откуда: FAR EAST FOREVER
Рейтинг сообщения: 0
50Вт снять можно, но радиатор нужен медный и хорошей толщины.

Эт да, и побольше, побольше!!!
Но в наших условиях 20-25Вт мах. Я сначала ставил кулер залман - https://www.quietpc.com/images/products ... -large.jpg
расчитан на 105Вт тепловой нагрузки. Но площадь контакта маленькая, транзисторы горели. Поставил другой кулер с радиатором 70х70 и IRFP 240, в итоге заработало.

_________________
1.Всегда бывает первый раз.
2.Родился сам, помоги другому


Вернуться наверх
 
 Заголовок сообщения: Re: Электронная нагрузка
СообщениеДобавлено: Сб янв 13, 2018 04:05:01 
Друг Кота
Аватар пользователя

Карма: 123
Рейтинг сообщений: 7959
Зарегистрирован: Сб сен 13, 2014 16:27:32
Сообщений: 39197
Откуда: СпиртоГонск созвездия Омега
Рейтинг сообщения: 1
вы не учитывете зону ОБР железок несмотря на заявленые 100-150вт мошности реално удаеся отвести не боле 30-50 на 1 транз изза эхтих ограничений это характерно для питания выше 10в...ну конечно если вы зададитесь питанием 5в тои 100вт с крпуса на вулкане 7+(он смедной втулкой)можно пробовать отвести
а на современых кулерахили водянкеи того выше

_________________
ZМудрость(Опыт и выдержка) приходит с годами.
Все Ваши беды и проблемы, от недостатка знаний.
Умный и у дурака научится, а дураку и ..
Алберт Ейнштейн не поможет и ВВП не спасет.и МЧС опаздает


Вернуться наверх
 
Эиком - электронные компоненты и радиодетали
 Заголовок сообщения: Re: Электронная нагрузка
СообщениеДобавлено: Сб янв 13, 2018 05:43:28 
Электрический кот
Аватар пользователя

Карма: 4
Рейтинг сообщений: 48
Зарегистрирован: Вт янв 08, 2013 04:08:16
Сообщений: 1047
Откуда: FAR EAST FOREVER
Рейтинг сообщения: 0
Согласен :)) А потому чем больше площадь радиатора тем лучше. Но у меня была задача по ограничению объема корпуса и мах мощности 350-400Вт

_________________
1.Всегда бывает первый раз.
2.Родился сам, помоги другому


Вернуться наверх
 
 Заголовок сообщения: Re: Электронная нагрузка
СообщениеДобавлено: Сб янв 13, 2018 05:53:39 
Грызет канифоль
Аватар пользователя

Карма: 2
Рейтинг сообщений: 6
Зарегистрирован: Чт июл 07, 2016 07:00:23
Сообщений: 251
Откуда: Новосибирск
Рейтинг сообщения: 0
Согласен, что чем больше площадь радиатора - тем лучше, НО при тупом прикручивании транзисторов - теряется до 70% эффективности этого радиатора, да и активное охлаждение в подобных конструкциях обязательно

_________________
Живу бедно... сыр с плесенью, вино старое, машина без крыши и телефон без кнопок


Вернуться наверх
 
 Заголовок сообщения: Re: Электронная нагрузка
СообщениеДобавлено: Сб янв 13, 2018 06:00:16 
Друг Кота
Аватар пользователя

Карма: 123
Рейтинг сообщений: 7959
Зарегистрирован: Сб сен 13, 2014 16:27:32
Сообщений: 39197
Откуда: СпиртоГонск созвездия Омега
Рейтинг сообщения: 0
практика показала что баян из 10 транзистов НА ТОМЖЕ РАДИАТОРЕ работает НАМНОГО надежне баяна из 3 ВОПРЕКИ ТЕОРИИ НАДЕЖНОСТИ! видимо она не учитывае тепловую деградацию кристала при работе его вблизи Граничной температуры Перехода

Добавлено after 1 minute 19 seconds:
да условие принятое 1-отказ любого элемента-авария всей схемы и остановка

_________________
ZМудрость(Опыт и выдержка) приходит с годами.
Все Ваши беды и проблемы, от недостатка знаний.
Умный и у дурака научится, а дураку и ..
Алберт Ейнштейн не поможет и ВВП не спасет.и МЧС опаздает


Вернуться наверх
 
 Заголовок сообщения: Re: Электронная нагрузка
СообщениеДобавлено: Сб янв 13, 2018 06:15:09 
Грызет канифоль
Аватар пользователя

Карма: 2
Рейтинг сообщений: 6
Зарегистрирован: Чт июл 07, 2016 07:00:23
Сообщений: 251
Откуда: Новосибирск
Рейтинг сообщения: 0
Что бы не было остановки всей системы и аварии, не используйте на граничных режимах, любая правильная конструкция всегла должна иметь запас надежности и прочности, эта аксиома относится не только к электроники

_________________
Живу бедно... сыр с плесенью, вино старое, машина без крыши и телефон без кнопок


Вернуться наверх
 
 Заголовок сообщения: Re: Электронная нагрузка
СообщениеДобавлено: Сб янв 13, 2018 07:18:44 
Электрический кот
Аватар пользователя

Карма: 4
Рейтинг сообщений: 48
Зарегистрирован: Вт янв 08, 2013 04:08:16
Сообщений: 1047
Откуда: FAR EAST FOREVER
Рейтинг сообщения: 0
Зато сейчас это условие во всех китайских девайсах используется во всю. Главное чтоб гарантию отработал. Сколько разберешь посмотришь столько и плюешься. привыкли мы со времен союза к запасу прочности на 10-20лет

_________________
1.Всегда бывает первый раз.
2.Родился сам, помоги другому


Вернуться наверх
 
 Заголовок сообщения: Re: Электронная нагрузка
СообщениеДобавлено: Сб янв 13, 2018 07:21:33 
Грызет канифоль
Аватар пользователя

Карма: 2
Рейтинг сообщений: 6
Зарегистрирован: Чт июл 07, 2016 07:00:23
Сообщений: 251
Откуда: Новосибирск
Рейтинг сообщения: 0
Для себя же делаем...... зачем на Китайцев в этом равняться ?

_________________
Живу бедно... сыр с плесенью, вино старое, машина без крыши и телефон без кнопок


Вернуться наверх
 
 Заголовок сообщения: Re: Электронная нагрузка
СообщениеДобавлено: Сб янв 13, 2018 08:39:31 
Электрический кот
Аватар пользователя

Карма: 4
Рейтинг сообщений: 48
Зарегистрирован: Вт янв 08, 2013 04:08:16
Сообщений: 1047
Откуда: FAR EAST FOREVER
Рейтинг сообщения: 0
Вот и я о том же. Надо закладывать запас прочности надежности.

_________________
1.Всегда бывает первый раз.
2.Родился сам, помоги другому


Вернуться наверх
 
 Заголовок сообщения: Re: Электронная нагрузка
СообщениеДобавлено: Вт янв 01, 2019 11:24:44 
Электрический кот
Аватар пользователя

Карма: 4
Рейтинг сообщений: 48
Зарегистрирован: Вт янв 08, 2013 04:08:16
Сообщений: 1047
Откуда: FAR EAST FOREVER
Рейтинг сообщения: 0
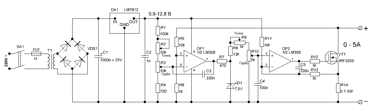
Уважаемые посмотрите пож-та схему нагрузки. Состыковал 2 чужих проекта. схемы проектов авторов прилагаю, схему проекта в протеусе прилагаю. Хотел бы убедиться в работоспособности схемы, и конструктивные предложения.
https://yadi.sk/d/xBG2dz6YiG5DvA

_________________
1.Всегда бывает первый раз.
2.Родился сам, помоги другому


Вернуться наверх
 
 Заголовок сообщения: Re: Электронная нагрузка
СообщениеДобавлено: Ср мар 13, 2019 13:38:59 
Первый раз сказал Мяу!

Зарегистрирован: Пт июл 27, 2012 12:27:59
Сообщений: 23
Откуда: Новосибирск
Рейтинг сообщения: 0
В радиотехнике умею только рисовать в спринт лайоуте и делать печатную плату :roll:
Хочу сделать эту нагрузку, но до 10А, напряжение будет максимум 14В(от 12В АКБ)
Я понял что нужно будет использовать 2 транзистора. Т.к. в этой схеме лм358 польностью задействована, то нужно будет для двух 3205ых одну лм324.
Можете накидать схему в сплан?
Кулер от процессора уже нашел, башенный радиатор с медными трубками и кулером думаю будет держать температуру ниже 80°С

И еще вопрос насчёт R9 & R10, может 9ый сделать из 2кОм переменника, а 10ый из 500ом, чтобы на самом деле была точная регулировка?


Вложения:
sh8vu8ozt.GIF [14.46 KiB]
Скачиваний: 817
Вернуться наверх
 
 Заголовок сообщения: Re: Электронная нагрузка
СообщениеДобавлено: Вт июл 02, 2019 20:41:05 
Встал на лапы
Аватар пользователя

Зарегистрирован: Вт сен 23, 2008 14:29:06
Сообщений: 129
Откуда: Ukraine
Рейтинг сообщения: 0
Здраствуйте! Есть пару вопросов по нагрузке. Делаю по схеме Starichok51
Хватит ли питания для схемы 7.5 вольт (9 вольт БЖ + падения на ams1117)?
Резисторов не нашел нормальных, сделал из проволоки из старого стрелочного мультиметра , сопротивления 0,08 Ом, такие пойдут?
Ну и основной вопрос по транзисторам, китайци опять лажу прислали шлифовка + перемаркировка, буду юзать до 50 ватт на транзистор. Понимаю что не фонтан но всяко лучше китайких 3205. Думаю ставить те что однаковие 3 и 4, но сопротивления канала.....
Спасибо!


Вложения:
Комментарий к файлу: Плата
Load.rar [17.11 KiB]
Скачиваний: 298
Комментарий к файлу: Шунт
IMG_20190629_223605.jpg [211.96 KiB]
Скачиваний: 621
Комментарий к файлу: Транзистори
33333.jpg [146.48 KiB]
Скачиваний: 630
Вернуться наверх
 
 Заголовок сообщения: Re: Электронная нагрузка
СообщениеДобавлено: Вт июл 02, 2019 21:30:21 
Друг Кота
Аватар пользователя

Карма: 146
Рейтинг сообщений: 6067
Зарегистрирован: Чт июн 04, 2009 21:06:49
Сообщений: 36290
Откуда: г.Мариинск
Рейтинг сообщения: 0
Медали: 1
Лучший человек Форума 2017 (1)
Так самое главное покажи, схем у старичка много, да и неизвестно какого старичка схему ты делаешь. Самое первое при задании вопроса это схема.

_________________
Тем кого не устаревает наличия ошибок в моем тексте, оставляю права не пользоваться моими советами или просто не читать мои сообщения.


Вернуться наверх
 
 Заголовок сообщения: Re: Электронная нагрузка
СообщениеДобавлено: Вт июл 02, 2019 21:57:14 
Мудрый кот

Карма: 18
Рейтинг сообщений: 498
Зарегистрирован: Сб дек 14, 2013 16:11:55
Сообщений: 1701
Рейтинг сообщения: 0
шунты для нагрузки лучше брать побольше номиналом и мощностью, например пол ома на 5 ампер тока. тогда при максимальном токе на шунте упадет 2.5в. нагрузка сможет спокойно испытывать источники от 3 вольт и выше. НО при этом больше 10 ватт перекидывается с транзистора на резистор, соответственно транзистору жить становится гораздо легче, и можно смело давать 50вт на канал, с корпусом ТО-220, и 60+ для ТО-247


Вернуться наверх
 
 Заголовок сообщения: Re: Электронная нагрузка
СообщениеДобавлено: Ср июл 03, 2019 06:28:41 
Встал на лапы
Аватар пользователя

Зарегистрирован: Вт сен 23, 2008 14:29:06
Сообщений: 129
Откуда: Ukraine
Рейтинг сообщения: 0
Ета схема, только добавил еще 1 канал (транзистор +оу)


Вложения:
Комментарий к файлу: Транзистори
IMG_20190629_213046.jpg [238.04 KiB]
Скачиваний: 796
!!!!post-126067-0-73121500-1445712361.gif [14.46 KiB]
Скачиваний: 751
Вернуться наверх
 
 Заголовок сообщения: Re: Электронная нагрузка
СообщениеДобавлено: Ср июл 03, 2019 13:32:34 
Открыл глаза

Карма: 10
Рейтинг сообщений: 16
Зарегистрирован: Чт сен 25, 2014 15:32:03
Сообщений: 54
Рейтинг сообщения: 0
roma1984, на фото поддельные транзисторы. Irfp260 выглядят не так!


Вернуться наверх
 
 Заголовок сообщения: Re: Электронная нагрузка
СообщениеДобавлено: Ср июл 03, 2019 13:46:21 
Друг Кота
Аватар пользователя

Карма: 4
Рейтинг сообщений: 342
Зарегистрирован: Ср мар 31, 2010 09:33:22
Сообщений: 4957
Откуда: Владивосток
Рейтинг сообщения: 0
Я тоже так думаю что надо ставить трофейные :) .

И фото это подтверждает - всякий мусор продают в радиомагазинах .

_________________
«Когда у общества нет цветовой дифференциации штанов, то нет цели!»

- Позвольте-с вас спросить, почему от вас так отвратительно пахнет?
- Ну, что ж, пахнет... известно. По специальности. Вчера котов душили, душили. (с)


Вернуться наверх
 
 Заголовок сообщения: Re: Электронная нагрузка
СообщениеДобавлено: Ср июл 03, 2019 14:54:52 
Встал на лапы
Аватар пользователя

Зарегистрирован: Вт сен 23, 2008 14:29:06
Сообщений: 129
Откуда: Ukraine
Рейтинг сообщения: 0
mren, я вкурсе, деньги вернули. Вариантов нету, у нас покупать штука 3 доллара и то не факт что пришлют не левак, лучше уже готовую нагрузку купить, для 50 ватт на транзистор думаю хватит.


Вернуться наверх
 
Показать сообщения за:  Сортировать по:  Вернуться наверх
Начать новую тему Ответить на тему  [ Сообщений: 745 ]     ... , , , 19, , , ...  

Часовой пояс: UTC + 3 часа


Вы не можете начинать темы
Вы не можете отвечать на сообщения
Вы не можете редактировать свои сообщения
Вы не можете удалять свои сообщения
Вы не можете добавлять вложения

Найти:
Перейти:  


Powered by phpBB © 2000, 2002, 2005, 2007 phpBB Group
Русская поддержка phpBB
Extended by Karma MOD © 2007—2012 m157y
Extended by Topic Tags MOD © 2012 m157y