Например TDA7294

Форум РадиоКот • Просмотр темы - Приобрёл БП DAZHENG PC Power supply PS-1502DD. Мысля ...
Форум РадиоКот
Здесь можно немножко помяукать :)

Текущее время: Вс мар 15, 2026 02:40:16

Часовой пояс: UTC + 3 часа


ПРЯМО СЕЙЧАС:



Начать новую тему Ответить на тему  [ Сообщений: 1093 ]     ... , , , 13, , , ...  
Автор Сообщение
 Заголовок сообщения: Re: Приобрёл БП DAZHENG PC Power supply PS-1502DD. Мысля ...
СообщениеДобавлено: Пт мар 09, 2012 23:37:46 
Родился

Зарегистрирован: Пт мар 09, 2012 23:21:28
Сообщений: 2
Рейтинг сообщения: 0
всем привет.подскажите,можно ли просверлить диодный мост что стоит в этом БП ? чтобы на радиатор нормально закрепить? просто менять мне его пока без надобности.


Вернуться наверх
 
 Заголовок сообщения: Re: Приобрёл БП DAZHENG PC Power supply PS-1502DD. Мысля ...
СообщениеДобавлено: Сб мар 10, 2012 00:24:46 
Родился

Зарегистрирован: Вс июл 03, 2011 18:53:00
Сообщений: 5
Рейтинг сообщения: 0
LivE163 писал(а):
всем привет.подскажите,можно ли просверлить диодный мост что стоит в этом БП ? чтобы на радиатор нормально закрепить? просто менять мне его пока без надобности.

Вряд ли можно сэкономить, сверля мосты :) Лучше прижми его металлической полоской к радиатору...


Вернуться наверх
 
 Заголовок сообщения: Re: Приобрёл БП DAZHENG PC Power supply PS-1502DD. Мысля ...
СообщениеДобавлено: Сб мар 10, 2012 00:34:30 
Родился

Зарегистрирован: Пт мар 09, 2012 23:21:28
Сообщений: 2
Рейтинг сообщения: 0
ну пока так и сделал,через термопасту.в нем посередине есть небольшое углубление.думал может как раз для самостоятельного сверления )


Вернуться наверх
 
 Заголовок сообщения: Re: Приобрёл БП DAZHENG PC Power supply PS-1502DD. Мысля ...
СообщениеДобавлено: Сб мар 10, 2012 00:57:58 
Родился

Зарегистрирован: Вс июл 03, 2011 18:53:00
Сообщений: 5
Рейтинг сообщения: 0
Для самостоятельного сверления? Супер :) Нет, это что-то технологическое...


Вернуться наверх
 
Эиком - электронные компоненты и радиодетали
 Заголовок сообщения: Re: Приобрёл БП DAZHENG PC Power supply PS-1502DD. Мысля ...
СообщениеДобавлено: Ср мар 28, 2012 06:00:15 
Родился

Зарегистрирован: Сб мар 17, 2012 06:02:03
Сообщений: 7
Рейтинг сообщения: 0
Доброго времени!
Кто-нить объяснит, как работает схема токового ограничения на LM723 и как увеличить на ней границу срабатывания до 3А?
Файлик со схемой внизу
Спасибо!


Вложения:
DAZHENG-PS-1502DD-sch-ver2.PNG [76.8 KiB]
Скачиваний: 3509
Вернуться наверх
 
 Заголовок сообщения: Re: Приобрёл БП DAZHENG PC Power supply PS-1502DD. Мысля ...
СообщениеДобавлено: Ср мар 28, 2012 06:06:07 
Модератор
Аватар пользователя

Карма: 46
Рейтинг сообщений: 236
Зарегистрирован: Чт окт 27, 2005 18:50:07
Сообщений: 11169
Откуда: из мест не столь отдалённых
Рейтинг сообщения: 0
Медали: 2
Получил миской по аватаре (1) Мявтор 3-й степени (1)
Схема ограничения тока собрана на транзисторах Q1 Q2. Для увеличения предельного тока, проще всего уменьшить сопротивление резистора R2.


Вернуться наверх
 
 Заголовок сообщения: Re: Приобрёл БП DAZHENG PC Power supply PS-1502DD. Мысля ...
СообщениеДобавлено: Вт апр 10, 2012 20:27:54 
Родился

Зарегистрирован: Вс апр 01, 2012 01:44:35
Сообщений: 16
Рейтинг сообщения: 0
Чем предпочтительнее из этих транзисторов заменить 2N3055 ? Применительно, конечно, к схеме дашенга 1502DD разумеется.

исходные параметры транзистора 2N3055 - npn
Pc max 117W Ucb max 100V Uce max 70V Ueb max 7V Ic max 15A Tj max, °C 200°C Ft max 200KHz Hfe 20-70

В наличии имеются:
TIP142 (npn complementary darligton) -5штук.
Pc max 125W Ucb max 100V Uce max 100V Ueb max 5V Ic max 10A Tj max, °C 150°C Hfe 500-1000

2SC2625 (npn) -2 шт.
Pc max 80W Ucb max 450V Ueb max 7V Ic max 10A Tj max, °C 150°C Hfe 10

D209L (npn)-2шт.
Pc max 130W Ucb max 400V Ueb max 9V Ic max 12A Tj max, °C 150°C Hfe 10-40

Родной транзистор неудобен для монтажа на радиатор, поэтому замена на другой транзистор в другом корпусе.
Указал количество штук, т.к. могу поставить их в паралель.

Мощность увеличивать не собираюсь, (хотя трансформатор уже заменен). Больше 1,6А для моих мелких работ мне не нужно.
Спасибо за советы заранее.


Вернуться наверх
 
 Заголовок сообщения: Re: Приобрёл БП DAZHENG PC Power supply PS-1502DD. Мысля ...
СообщениеДобавлено: Чт апр 12, 2012 11:58:36 
Друг Кота
Аватар пользователя

Карма: 49
Рейтинг сообщений: 60
Зарегистрирован: Чт ноя 05, 2009 01:35:25
Сообщений: 5318
Откуда: Красноярский кр.
Рейтинг сообщения: 0
Последний можно попробовать. Но... смысл? Вы же собираетесь в штатном режиме использовать.


Вернуться наверх
 
 Заголовок сообщения: Re: Приобрёл БП DAZHENG PC Power supply PS-1502DD. Мысля ...
СообщениеДобавлено: Чт июн 07, 2012 12:58:42 
Родился

Карма: 1
Рейтинг сообщений: 1
Зарегистрирован: Ср мар 28, 2012 12:22:34
Сообщений: 16
Откуда: Кирсанов, Тамбовской области
Рейтинг сообщения: 0
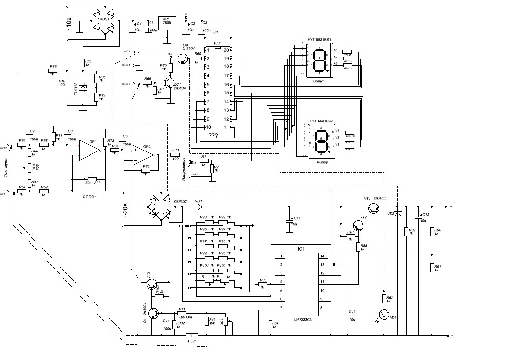
Предлагаю схему своего недавно купленного БП Dazhgen 1502dd. Срисовал сам, т.к. в сети схем с индикатором на МК нет. Номиналы не проставлял, нумерация условная. ПОВТОРЮ, НОМИНАЛЫ НЕВЕРНЫ!. Каждый при желаниии корректирует сам. Маркировка на МК стерта и он залочен. По всей видимости это PIC. Особенность, что ограничение тока срабатывания защиты частично реализована на МК.


Последний раз редактировалось owle Чт июн 07, 2012 13:02:42, всего редактировалось 1 раз.

Вернуться наверх
 
 Заголовок сообщения: Re: Приобрёл БП DAZHENG PC Power supply PS-1502DD. Мысля ...
СообщениеДобавлено: Чт июн 07, 2012 13:01:37 
Родился

Карма: 1
Рейтинг сообщений: 1
Зарегистрирован: Ср мар 28, 2012 12:22:34
Сообщений: 16
Откуда: Кирсанов, Тамбовской области
Рейтинг сообщения: 0
Схема


Вложения:
индикатор YH1502DD V6_1.JPG [133.88 KiB]
Скачиваний: 6137
Вернуться наверх
 
 Заголовок сообщения: Re: Приобрёл БП DAZHENG PC Power supply PS-1502DD. Мысля ...
СообщениеДобавлено: Вс июн 24, 2012 12:00:48 
Родился

Зарегистрирован: Пн апр 25, 2011 04:05:01
Сообщений: 11
Рейтинг сообщения: 0
owle писал(а):
Предлагаю схему своего недавно купленного БП Dazhgen 1502dd. Срисовал сам, т.к. в сети схем с индикатором на МК нет. Номиналы не проставлял, нумерация условная. ПОВТОРЮ, НОМИНАЛЫ НЕВЕРНЫ!. Каждый при желаниии корректирует сам. Маркировка на МК стерта и он залочен. По всей видимости это PIC. Особенность, что ограничение тока срабатывания защиты частично реализована на МК.

ATtiny2313


Вернуться наверх
 
 Заголовок сообщения: переделка китайского блока питания PS-1502D
СообщениеДобавлено: Вс авг 05, 2012 16:43:41 
Прорезались зубы

Карма: 1
Рейтинг сообщений: -1
Зарегистрирован: Сб авг 04, 2012 20:49:01
Сообщений: 240
Откуда: ТВЕРСКАЯ ОБЛАСТЬ
Рейтинг сообщения: 0
кто нибудь занимался переделкой такого Источника питания PS-1502D


Вернуться наверх
 
 Заголовок сообщения: Re: переделка китайского блока питания PS-1502D
СообщениеДобавлено: Вс авг 05, 2012 16:51:04 
Друг Кота
Аватар пользователя

Карма: 4
Рейтинг сообщений: 342
Зарегистрирован: Ср мар 31, 2010 09:33:22
Сообщений: 4953
Откуда: Владивосток
Рейтинг сообщения: 0
А что там переделывать ? Если чистый китаец , то легче новый блок собрать , получше и надежнее .
Менял я в нем выходной транзистор , провода некоторые поменял. Один корпус чего стоит - крашенная консервная жесть . :)))

_________________
«Когда у общества нет цветовой дифференциации штанов, то нет цели!»

- Позвольте-с вас спросить, почему от вас так отвратительно пахнет?
- Ну, что ж, пахнет... известно. По специальности. Вчера котов душили, душили. (с)


Вернуться наверх
 
 Заголовок сообщения: Re: переделка китайского блока питания PS-1502D
СообщениеДобавлено: Вс авг 05, 2012 16:57:26 
Прорезались зубы

Карма: 1
Рейтинг сообщений: -1
Зарегистрирован: Сб авг 04, 2012 20:49:01
Сообщений: 240
Откуда: ТВЕРСКАЯ ОБЛАСТЬ
Рейтинг сообщения: 0
так надо подсказать чего там убрать надо, чего добавить,защиту как улучшить,и как желательно не ограничения тока защиты сделать а стабилизатор.если схемки,фотки есть кидайте буду признателен чего подскажите...


Вернуться наверх
 
 Заголовок сообщения: Re: переделка китайского блока питания PS-1502D
СообщениеДобавлено: Вс авг 05, 2012 17:08:10 
Друг Кота
Аватар пользователя

Карма: 4
Рейтинг сообщений: 342
Зарегистрирован: Ср мар 31, 2010 09:33:22
Сообщений: 4953
Откуда: Владивосток
Рейтинг сообщения: 0
Я не фотал когда разбирал . Помню только электролиты менял и помощнее транзистор поставил . Очень не нравятся мне его внутренности . Хотя пока работает , индикаторы нормальные. Там до 15 в и ток защиты 2 а (без изменений).
Вот заказал в китае несколько цифровых панелей вольтметров и амперметров - http://www.sunsky-online.com/product/de ... .id=217870
Да в гараже валяется 3 шт старых бесперебойников - планирую из них блоки питания сделать , нормальные и надежные.

А переделывать блок питания PS-1502D - поменять все , кроме передней панели с регуляторами.


Вложения:
S-DT-0177C_3.jpg [111.14 KiB]
Скачиваний: 2883
S-DT-0179C_1.jpg [101.73 KiB]
Скачиваний: 2075
S-DT-0177C_1.jpg [100.69 KiB]
Скачиваний: 2300

_________________
«Когда у общества нет цветовой дифференциации штанов, то нет цели!»

- Позвольте-с вас спросить, почему от вас так отвратительно пахнет?
- Ну, что ж, пахнет... известно. По специальности. Вчера котов душили, душили. (с)
Вернуться наверх
 
 Заголовок сообщения: Re: переделка китайского блока питания PS-1502D
СообщениеДобавлено: Вс авг 05, 2012 17:18:04 
Прорезались зубы

Карма: 1
Рейтинг сообщений: -1
Зарегистрирован: Сб авг 04, 2012 20:49:01
Сообщений: 240
Откуда: ТВЕРСКАЯ ОБЛАСТЬ
Рейтинг сообщения: 0
и какой ты транзистор поставил,родной его грееться через чур даже с радиатором...


Вернуться наверх
 
 Заголовок сообщения: Re: переделка китайского блока питания PS-1502D
СообщениеДобавлено: Вс авг 05, 2012 17:21:12 
Прорезались зубы

Карма: 1
Рейтинг сообщений: -1
Зарегистрирован: Сб авг 04, 2012 20:49:01
Сообщений: 240
Откуда: ТВЕРСКАЯ ОБЛАСТЬ
Рейтинг сообщения: 0
я не знаю китайский склько вольтметр такой стоит там за доставку сдерут не меренно..


Вернуться наверх
 
 Заголовок сообщения: Re: переделка китайского блока питания PS-1502D
СообщениеДобавлено: Вс авг 05, 2012 17:24:11 
Друг Кота
Аватар пользователя

Карма: 4
Рейтинг сообщений: 342
Зарегистрирован: Ср мар 31, 2010 09:33:22
Сообщений: 4953
Откуда: Владивосток
Рейтинг сообщения: 0
Да я еще прикрутил сзади радиатор , транзистор - 10-15 а 60-70 в
Кстати - доставка легой электроники очень недорого. 16 панелей с доставкой - оплатил 91 $


Вложения:
IMG_4895.JPG [181.32 KiB]
Скачиваний: 2214

_________________
«Когда у общества нет цветовой дифференциации штанов, то нет цели!»

- Позвольте-с вас спросить, почему от вас так отвратительно пахнет?
- Ну, что ж, пахнет... известно. По специальности. Вчера котов душили, душили. (с)
Вернуться наверх
 
 Заголовок сообщения: Re: переделка китайского блока питания PS-1502D
СообщениеДобавлено: Вт авг 07, 2012 23:13:36 
Первый раз сказал Мяу!
Аватар пользователя

Зарегистрирован: Чт июн 21, 2007 01:12:40
Сообщений: 31
Откуда: г. Орск
Рейтинг сообщения: 0
А если не такими количествами заказывать? Допустим, 2-3 штуки. Во сколько обойдется? Может проще у вас заказать :) Хотя вы для меня территориально не ближе Китая :)


Вернуться наверх
 
 Заголовок сообщения: Re: переделка китайского блока питания PS-1502D
СообщениеДобавлено: Вт авг 07, 2012 23:30:22 
Модератор
Аватар пользователя

Карма: 120
Рейтинг сообщений: 1088
Зарегистрирован: Пн дек 08, 2008 19:28:04
Сообщений: 22891
Откуда: 10км от Москвы на Север
Рейтинг сообщения: 0
DIMASTUI писал(а):
кто нибудь занимался переделкой такого Источника питания PS-1502D


Блок питания хорошо переделывается даже со штатным трансформатором до двадцати вольт. Заменил диодный мост на более мощный.
Мощный транзистор поставил на дополнительный радиатор сзади корпуса и переделал схему защиты по току - из триггерной в источник тока.
Схему на транзисторах исключил ибо с ней толком ничего не получилось, а использовал внутренний транзистор в 723 микросхеме, с ним получается, практически, нормально.

Для увеличения выходного тока поставлю более мощный транс, чтобы ток был ампер 5 и напряжение на выходе стабилизатора получилось 30-35ь вольт.

В пинципе, очень хороший набор радиолюбителя для изготовления достаточно мощного лабораторника.
Цена в розницу где-то от 400 до 700 рублей. Если всё покупать раздельно, то получится раза в три дроже ... :)


Вернуться наверх
 
Показать сообщения за:  Сортировать по:  Вернуться наверх
Начать новую тему Ответить на тему  [ Сообщений: 1093 ]     ... , , , 13, , , ...  

Часовой пояс: UTC + 3 часа


Вы не можете начинать темы
Вы не можете отвечать на сообщения
Вы не можете редактировать свои сообщения
Вы не можете удалять свои сообщения
Вы не можете добавлять вложения

Найти:
Перейти:  


Powered by phpBB © 2000, 2002, 2005, 2007 phpBB Group
Русская поддержка phpBB
Extended by Karma MOD © 2007—2012 m157y
Extended by Topic Tags MOD © 2012 m157y