Например TDA7294

Форум РадиоКот • Просмотр темы - Ремонт лабораторного блока питания LW-K3010D
Форум РадиоКот
Здесь можно немножко помяукать :)

Текущее время: Чт окт 02, 2025 18:58:40

Часовой пояс: UTC + 3 часа


ПРЯМО СЕЙЧАС:



Начать новую тему Ответить на тему  [ Сообщений: 241 ]     ... , , , 11, ,  
Автор Сообщение
Не в сети
 Заголовок сообщения: Re: Ремонт лабораторного блока питания LW-K3010D
СообщениеДобавлено: Пн ноя 14, 2022 09:44:08 
Родился

Зарегистрирован: Вс ноя 13, 2022 16:25:29
Сообщений: 4
Рейтинг сообщения: 0
А зачем видео? Нужна схема, а не видео.


Вложения:
MCH_K305D_2.pdf [60.51 KiB]
Скачиваний: 129
Вернуться наверх
 
Не в сети
 Заголовок сообщения: Re: Ремонт лабораторного блока питания LW-K3010D
СообщениеДобавлено: Пн ноя 14, 2022 10:07:11 
Друг Кота
Аватар пользователя

Карма: 146
Рейтинг сообщений: 6062
Зарегистрирован: Чт июн 04, 2009 21:06:49
Сообщений: 36292
Откуда: г.Мариинск
Рейтинг сообщения: 0
Медали: 1
Лучший человек Форума 2017 (1)
Скорее всего кот то бездумно покрутил подстроечники W2,W3.

_________________
Тем кого не устаревает наличия ошибок в моем тексте, оставляю права не пользоваться моими советами или просто не читать мои сообщения.


Вернуться наверх
 
Не в сети
 Заголовок сообщения: Re: Ремонт лабораторного блока питания LW-K3010D
СообщениеДобавлено: Пн ноя 14, 2022 10:17:40 
Друг Кота
Аватар пользователя

Карма: 5
Рейтинг сообщений: 61
Зарегистрирован: Ср сен 30, 2020 16:51:47
Сообщений: 4625
Откуда: РФ
Рейтинг сообщения: 0
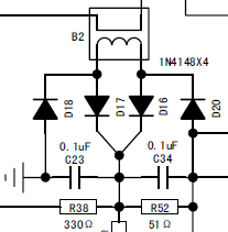
Каково назначение конденсаторов С23 и С34?

Изображение


Вернуться наверх
 
Не в сети
 Заголовок сообщения: Re: Ремонт лабораторного блока питания LW-K3010D
СообщениеДобавлено: Пн ноя 14, 2022 10:27:57 
Друг Кота
Аватар пользователя

Карма: 146
Рейтинг сообщений: 6062
Зарегистрирован: Чт июн 04, 2009 21:06:49
Сообщений: 36292
Откуда: г.Мариинск
Рейтинг сообщения: 0
Медали: 1
Лучший человек Форума 2017 (1)
Фильтр после выпрямителя ТТ срезают иголки.

_________________
Тем кого не устаревает наличия ошибок в моем тексте, оставляю права не пользоваться моими советами или просто не читать мои сообщения.


Вернуться наверх
 
Не в сети
 Заголовок сообщения: Re: Ремонт лабораторного блока питания LW-K3010D
СообщениеДобавлено: Пн ноя 14, 2022 10:34:52 
Друг Кота
Аватар пользователя

Карма: 5
Рейтинг сообщений: 61
Зарегистрирован: Ср сен 30, 2020 16:51:47
Сообщений: 4625
Откуда: РФ
Рейтинг сообщения: 0
Телекот,
Понял, спасибо.
Не увидел сразу что земля и справа внизу. Это получается мост так оригинально изображен.


Вернуться наверх
 
Не в сети
 Заголовок сообщения: Re: Ремонт лабораторного блока питания LW-K3010D
СообщениеДобавлено: Пн ноя 14, 2022 11:33:50 
Друг Кота
Аватар пользователя

Карма: 127
Рейтинг сообщений: 11154
Зарегистрирован: Ср янв 08, 2014 04:21:09
Сообщений: 32325
Откуда: Москва
Рейтинг сообщения: 0
Скорее всего кот то бездумно покрутил подстроечники W2,W3.
ТС не написал БП новый или ковыряли уже? Если новый то возможно более серьезная неисправность, я бы посмотрел осциллограммы выходного напряжения на ХХ и под нагрузкой в разных режимах и оценил насколько постоянная на выходе постоянка. А потом уже крутить подстроечники.


Вернуться наверх
 
Не в сети
 Заголовок сообщения: Re: Ремонт лабораторного блока питания LW-K3010D
СообщениеДобавлено: Пн ноя 14, 2022 12:21:34 
Друг Кота
Аватар пользователя

Карма: 146
Рейтинг сообщений: 6062
Зарегистрирован: Чт июн 04, 2009 21:06:49
Сообщений: 36292
Откуда: г.Мариинск
Рейтинг сообщения: 0
Медали: 1
Лучший человек Форума 2017 (1)
Крутить подстроичники нужно с умом.
Нужно посмотреть напряжение на усилителе ошибки что бы определить где собака порылась.. И крутить их можно отметив первоначальное положения.

_________________
Тем кого не устаревает наличия ошибок в моем тексте, оставляю права не пользоваться моими советами или просто не читать мои сообщения.


Вернуться наверх
 
Не в сети
 Заголовок сообщения: Re: Ремонт лабораторного блока питания LW-K3010D
СообщениеДобавлено: Пн ноя 14, 2022 17:30:31 
Родился

Зарегистрирован: Вс ноя 13, 2022 16:25:29
Сообщений: 4
Рейтинг сообщения: 0
Проблема решена, всем спасибо за участие, китайцы банально перепутали контакты потенциометра.


Вернуться наверх
 
Не в сети
 Заголовок сообщения: Re: Ремонт лабораторного блока питания LW-K3010D
СообщениеДобавлено: Сб дек 03, 2022 11:33:44 
Родился

Зарегистрирован: Сб дек 03, 2022 11:01:39
Сообщений: 3
Рейтинг сообщения: 0
здравствуйте. нужна ваша помощь в ремонте LW-K305D-1 . вышел из строя при экспериментах с качером. как только соединили землю на качер в блоке питания все пропало. нет индикации. нет выходного напряжения. не один светодиод не горит. на конденсаторах С39 и С44 по 167вольт на каждом. вместо 12 вольт всего 1.29 вольт. Пробовал подавать 12в от внешнего источника -светодиоды загораются. индикации табло нет. и напряжения на выходе тоже.


Вернуться наверх
 
Не в сети
 Заголовок сообщения: Re: Ремонт лабораторного блока питания LW-K3010D
СообщениеДобавлено: Сб дек 03, 2022 13:39:10 
Говорящий с текстолитом
Аватар пользователя

Карма: 9
Рейтинг сообщений: 49
Зарегистрирован: Ср окт 04, 2006 22:33:56
Сообщений: 1571
Откуда: М.о.
Рейтинг сообщения: 0
Начинай с дежурки.

_________________
Всё придумано до и для нас.


Вернуться наверх
 
Не в сети
 Заголовок сообщения: Re: Ремонт лабораторного блока питания LW-K3010D
СообщениеДобавлено: Сб дек 03, 2022 13:50:04 
Друг Кота
Аватар пользователя

Карма: 146
Рейтинг сообщений: 6062
Зарегистрирован: Чт июн 04, 2009 21:06:49
Сообщений: 36292
Откуда: г.Мариинск
Рейтинг сообщения: 0
Медали: 1
Лучший человек Форума 2017 (1)
Меняй микросхему дежурки, оптопару скорее всего. Короче проверяй всю дежурку. И чем люди думают цепляя всякую ерунду к блокам питания. Такая нагрузка только для трансформаторного блока.

_________________
Тем кого не устаревает наличия ошибок в моем тексте, оставляю права не пользоваться моими советами или просто не читать мои сообщения.


Вернуться наверх
 
Не в сети
 Заголовок сообщения: Re: Ремонт лабораторного блока питания LW-K3010D
СообщениеДобавлено: Сб дек 03, 2022 13:53:11 
Друг Кота
Аватар пользователя

Карма: 5
Рейтинг сообщений: 61
Зарегистрирован: Ср сен 30, 2020 16:51:47
Сообщений: 4625
Откуда: РФ
Рейтинг сообщения: 0
при экспериментах с качером. как только соединили землю на качер

Что такое качер?


Вернуться наверх
 
Не в сети
 Заголовок сообщения: Re: Ремонт лабораторного блока питания LW-K3010D
СообщениеДобавлено: Сб дек 03, 2022 15:38:47 
Друг Кота
Аватар пользователя

Карма: 127
Рейтинг сообщений: 11154
Зарегистрирован: Ср янв 08, 2014 04:21:09
Сообщений: 32325
Откуда: Москва
Рейтинг сообщения: 0
electroget писал(а):
качер
Специальная хyевина для пережигания всего. Мечта идиЁта! После идет уже только трансформатор Тесла! :wink:


ЗЫ: ЛБП пришел пиздец, поздравляю.


Вернуться наверх
 
Не в сети
 Заголовок сообщения: Re: Ремонт лабораторного блока питания LW-K3010D
СообщениеДобавлено: Сб дек 03, 2022 16:03:07 
Друг Кота
Аватар пользователя

Карма: 5
Рейтинг сообщений: 61
Зарегистрирован: Ср сен 30, 2020 16:51:47
Сообщений: 4625
Откуда: РФ
Рейтинг сообщения: 0
kentgaryk,
Понял, спасибо.


Вернуться наверх
 
Не в сети
 Заголовок сообщения: Re: Ремонт лабораторного блока питания LW-K3010D
СообщениеДобавлено: Сб дек 03, 2022 16:12:01 
Друг Кота
Аватар пользователя

Карма: 146
Рейтинг сообщений: 6062
Зарегистрирован: Чт июн 04, 2009 21:06:49
Сообщений: 36292
Откуда: г.Мариинск
Рейтинг сообщения: 0
Медали: 1
Лучший человек Форума 2017 (1)
Качер приблуда для идиотов, которая пускает небольшие молнии одну с иголки, другую в нутро блока питания. БП на больших железных трансформаторах их выдерживают, а импульсные нет. А идиоты всегда пытаются их подключать именно к импульсным БП.
Но самое идиотское и не понятное какое их предназначение? :shock: :dont_know: видно это понятно только идиотам настроенным на ту же волну.
Говорят в пхихушке спрашивали у создателей этого чуда техники, зачем. Так и не получили ответа , главный врач сам лёг в свою клинику.

_________________
Тем кого не устаревает наличия ошибок в моем тексте, оставляю права не пользоваться моими советами или просто не читать мои сообщения.


Вернуться наверх
 
Не в сети
 Заголовок сообщения: Re: Ремонт лабораторного блока питания LW-K3010D
СообщениеДобавлено: Сб дек 03, 2022 16:34:55 
Друг Кота
Аватар пользователя

Карма: 5
Рейтинг сообщений: 61
Зарегистрирован: Ср сен 30, 2020 16:51:47
Сообщений: 4625
Откуда: РФ
Рейтинг сообщения: 0
Но самое идиотское и не понятное какое их предназначение?

Ну, наверно людям приятно почувствовать себя кем-то вроде Никола Тесла.
Молодым людям такое интересно и я их в общем-то понимаю. :)
А вот ремонтировать такой блок питания, если нет опыта, то нечего даже и затеваться. Это довольно сложное устройство, его ремонт требует специальных знаний и высокой квалификации.
ingradient, лучше отдать БП в ремонт специалисту.


Вернуться наверх
 
Не в сети
 Заголовок сообщения: Re: Ремонт лабораторного блока питания LW-K3010D
СообщениеДобавлено: Сб дек 03, 2022 16:47:54 
Друг Кота
Аватар пользователя

Карма: 146
Рейтинг сообщений: 6062
Зарегистрирован: Чт июн 04, 2009 21:06:49
Сообщений: 36292
Откуда: г.Мариинск
Рейтинг сообщения: 0
Медали: 1
Лучший человек Форума 2017 (1)
electroget писал(а):
Ну, наверно людям приятно почувствовать себя кем-то вроде Никола Тесла.

Зачем их обижать, там наверно не ниже Зевса себя чувствуют :)) .

_________________
Тем кого не устаревает наличия ошибок в моем тексте, оставляю права не пользоваться моими советами или просто не читать мои сообщения.


Вернуться наверх
 
Не в сети
 Заголовок сообщения: Re: Ремонт лабораторного блока питания LW-K3010D
СообщениеДобавлено: Сб дек 03, 2022 17:19:59 
Родился

Зарегистрирован: Сб дек 03, 2022 11:01:39
Сообщений: 3
Рейтинг сообщения: 0
Всем спасибо за ответы. да начну с дежурки . сегодня заказал на али TNY280 попробую заменить. насчет оптопары РС817 при подключении внешнего 12 вольт напряжение с обратной стороны на нем меняется на 0.4 вольта.
если кто знает напишите сколько вольт должно быть на оптопаре с входа и выхода. и как проверить его исправность?


Вернуться наверх
 
Не в сети
 Заголовок сообщения: Re: Ремонт лабораторного блока питания LW-K3010D
СообщениеДобавлено: Сб дек 03, 2022 17:28:48 
Друг Кота
Аватар пользователя

Карма: 146
Рейтинг сообщений: 6062
Зарегистрирован: Чт июн 04, 2009 21:06:49
Сообщений: 36292
Откуда: г.Мариинск
Рейтинг сообщения: 0
Медали: 1
Лучший человек Форума 2017 (1)
Начни с проверни диодов, оптопара проверяется омметром.

_________________
Тем кого не устаревает наличия ошибок в моем тексте, оставляю права не пользоваться моими советами или просто не читать мои сообщения.


Вернуться наверх
 
Не в сети
 Заголовок сообщения: Re: Ремонт лабораторного блока питания LW-K3010D
СообщениеДобавлено: Сб дек 03, 2022 17:45:54 
Друг Кота
Аватар пользователя

Карма: 5
Рейтинг сообщений: 61
Зарегистрирован: Ср сен 30, 2020 16:51:47
Сообщений: 4625
Откуда: РФ
Рейтинг сообщения: 0
ingradient,
https://mysku.club/blog/diy/63784.html


Вернуться наверх
 
Показать сообщения за:  Сортировать по:  Вернуться наверх
Начать новую тему Ответить на тему  [ Сообщений: 241 ]     ... , , , 11, ,  

Часовой пояс: UTC + 3 часа


Кто сейчас на форуме

Сейчас этот форум просматривают: нет зарегистрированных пользователей и гости: 80


Вы не можете начинать темы
Вы не можете отвечать на сообщения
Вы не можете редактировать свои сообщения
Вы не можете удалять свои сообщения
Вы не можете добавлять вложения

Найти:
Перейти:  


Powered by phpBB © 2000, 2002, 2005, 2007 phpBB Group
Русская поддержка phpBB
Extended by Karma MOD © 2007—2012 m157y
Extended by Topic Tags MOD © 2012 m157y