Например TDA7294

Форум РадиоКот • Просмотр темы - помогите с БП на tl494((
Форум РадиоКот
Здесь можно немножко помяукать :)

Текущее время: Пн янв 05, 2026 12:30:59

Часовой пояс: UTC + 3 часа


ПРЯМО СЕЙЧАС:



Начать новую тему Ответить на тему  [ Сообщений: 58 ]    , 2,  
Автор Сообщение
Не в сети
 Заголовок сообщения: Re: помогите с БП на tl494((
СообщениеДобавлено: Ср дек 22, 2010 19:20:39 
Прорезались зубы
Аватар пользователя

Карма: 1
Рейтинг сообщений: 1
Зарегистрирован: Пн мар 30, 2009 22:10:43
Сообщений: 200
Откуда: Кишинев Кагул
Рейтинг сообщения: 0
За номиналы - виноват , просто лень -штука очень вредная от которой тяжело избавиться.
Вот то , что я понял из data:


Вложения:
494.JPG [49.47 KiB]
Скачиваний: 633

_________________
Ненавижу микроконтролеры!!!!
Изображение
Вернуться наверх
 
Не в сети
 Заголовок сообщения: Re: помогите с БП на tl494((
СообщениеДобавлено: Ср дек 22, 2010 19:32:31 
Друг Кота
Аватар пользователя

Карма: 44
Рейтинг сообщений: 605
Зарегистрирован: Вс мар 04, 2007 11:39:00
Сообщений: 4470
Откуда: Ukraine, Kyiv
Рейтинг сообщения: 0
Цитата:
Смотрю в книгу (даташит) - вижу фигу.
(школьная "мудрость")

Большая часть, того, что я писал - пролетела мимо ушей...

_________________
Выслушай и противную сторону, даже если она и противна


Вернуться наверх
 
Не в сети
 Заголовок сообщения: Re: помогите с БП на tl494((
СообщениеДобавлено: Ср дек 22, 2010 20:22:52 
Прорезались зубы
Аватар пользователя

Карма: 1
Рейтинг сообщений: 1
Зарегистрирован: Пн мар 30, 2009 22:10:43
Сообщений: 200
Откуда: Кишинев Кагул
Рейтинг сообщения: 0
Если это про обвязку 494 , то не понимаю взял из data для push-pull преобразователя
если про биполяры и RC-цепочки на трансах,то я их все же буду ставить и смотреть , что получится.
Хоть электроника не моя специиальость , но базовые знания имею , НО понять вас не могу.

_________________
Ненавижу микроконтролеры!!!!
Изображение


Вернуться наверх
 
Не в сети
 Заголовок сообщения: Re: помогите с БП на tl494((
СообщениеДобавлено: Ср дек 22, 2010 20:42:34 
Друг Кота
Аватар пользователя

Карма: 44
Рейтинг сообщений: 605
Зарегистрирован: Вс мар 04, 2007 11:39:00
Сообщений: 4470
Откуда: Ukraine, Kyiv
Рейтинг сообщения: 0
Ну так вернитесь и разберитесь еще раз. Намекаю: обвязка 15-го вывода.

_________________
Выслушай и противную сторону, даже если она и противна


Вернуться наверх
 
Эиком - электронные компоненты и радиодетали
Не в сети
 Заголовок сообщения: Re: помогите с БП на tl494((
СообщениеДобавлено: Ср дек 22, 2010 21:03:25 
Прорезались зубы
Аватар пользователя

Карма: 1
Рейтинг сообщений: 1
Зарегистрирован: Пн мар 30, 2009 22:10:43
Сообщений: 200
Откуда: Кишинев Кагул
Рейтинг сообщения: 0
Я вас понял про "заглушение" его,но сделал как в data - так это я понял \2ой раз\
Что еще не так,по-вашему мнению?
Достал я , наверное , уже.

_________________
Ненавижу микроконтролеры!!!!
Изображение


Вернуться наверх
 
Не в сети
 Заголовок сообщения: Re: помогите с БП на tl494((
СообщениеДобавлено: Ср дек 22, 2010 21:25:03 
Друг Кота
Аватар пользователя

Карма: 44
Рейтинг сообщений: 605
Зарегистрирован: Вс мар 04, 2007 11:39:00
Сообщений: 4470
Откуда: Ukraine, Kyiv
Рейтинг сообщения: 0
Tehnik123, сколько людей - столько и мнений. А критерий истины один: практика. Пробуйте. Будет работать - великолепно. Что-то пойдет не так - пишите. Будем разбираться.

_________________
Выслушай и противную сторону, даже если она и противна


Вернуться наверх
 
Не в сети
 Заголовок сообщения: Re: помогите с БП на tl494((
СообщениеДобавлено: Ср дек 22, 2010 22:31:38 
Модератор
Аватар пользователя

Карма: 153
Рейтинг сообщений: 2927
Зарегистрирован: Сб авг 14, 2010 15:05:51
Сообщений: 18897
Откуда: г. Озерск, Челябинская обл.
Рейтинг сообщения: 0
Медали: 1
Лучший человек Форума 2017 (1)
Tehnik123, когда операционник глушится, ему не надо ставить конденсатор с 15 ноги на 3 ногу, и не надо в 15 ногу ставить резистор, сразу подключаем 15 ногу к 14 ноге.
и не надо изобретать свой личный велосипед. если не умеешь разрабатывать схемы - не берись за это дело.
научись сначала делать по готовым схемам.

_________________
Мудрость приходит вместе с импотенцией...
Когда на русском форуме переходят на Вы, в реальной жизни начинают бить морду.


Вернуться наверх
 
Не в сети
 Заголовок сообщения: Re: помогите с БП на tl494((
СообщениеДобавлено: Ср дек 22, 2010 23:39:53 
Прорезались зубы
Аватар пользователя

Карма: 1
Рейтинг сообщений: 1
Зарегистрирован: Пн мар 30, 2009 22:10:43
Сообщений: 200
Откуда: Кишинев Кагул
Рейтинг сообщения: 0
По поводу резистора и конденсатора,если они не нужны , то для чего их в data добавили?
Ну , в общем , я не изобретаю чего-то новое,просто решил базовую схему Левши не много переделать и причем хотел это сделать сам с помощью форума.
Теперь буду делать , посмотрим чего получится.
И еще вопрос не большой:не знаете ли,для Протеуса или Мултисима есть заготовка 494?

_________________
Ненавижу микроконтролеры!!!!
Изображение


Вернуться наверх
 
Не в сети
 Заголовок сообщения: Re: помогите с БП на tl494((
СообщениеДобавлено: Чт фев 14, 2013 21:41:16 
Встал на лапы
Аватар пользователя

Зарегистрирован: Вс янв 13, 2013 16:49:56
Сообщений: 99
Рейтинг сообщения: 0
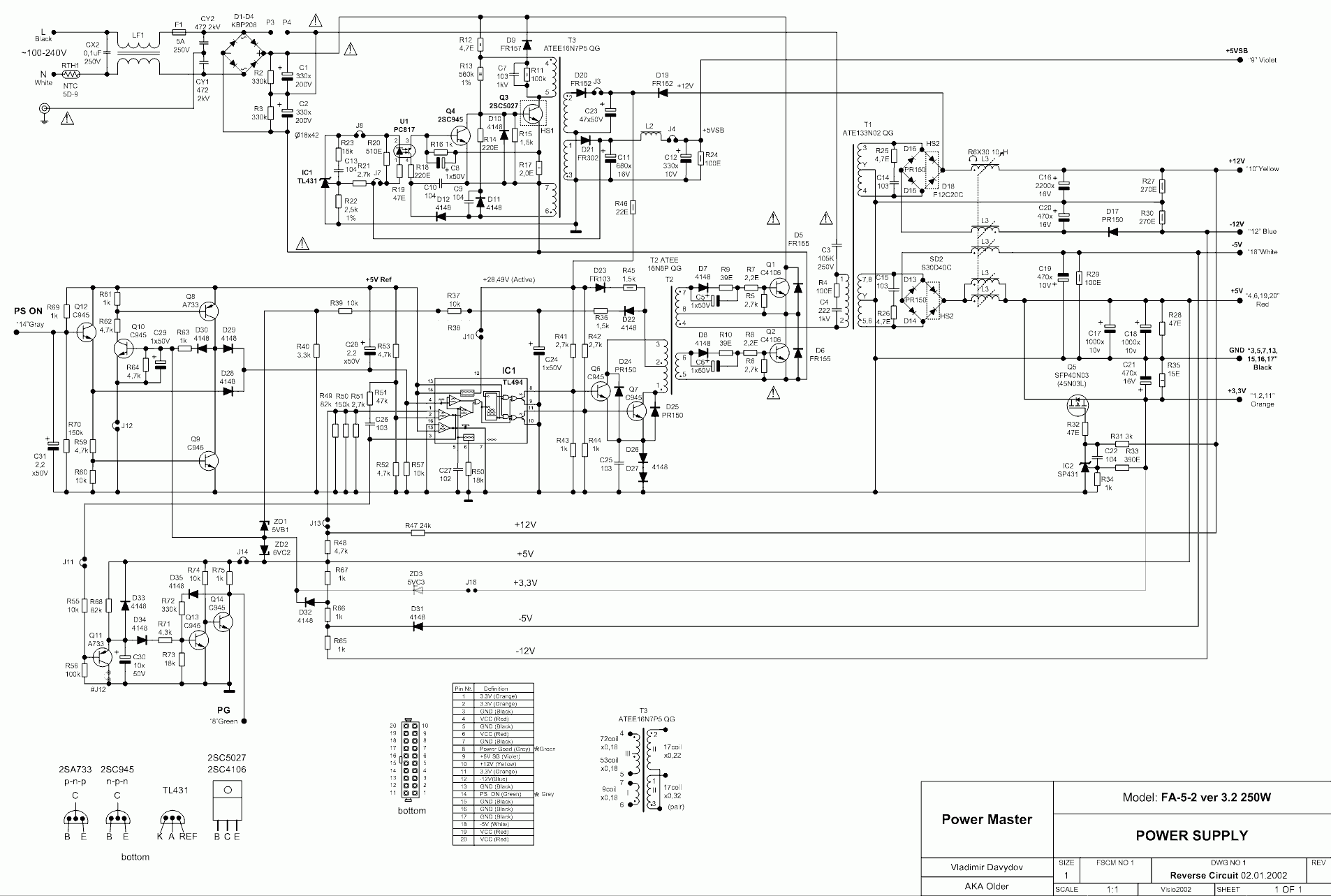
извините что пишу в чужой теме),в общем проблемка с переделаным бп атх,не работает защита по кз,шим 494(супервизора нет ).
передлывал простеишим подбором резистора с 1 ноги на 12в канала,поставил 15к резисторы с других линий убрал +убрал стабилитрон по защите от перенапряжения,так же убрал дежурку ,поставил на базу\колектор силовых ключеи по 150к как в блоках АТ.при кз просто летят силовые транзисторы!!!,в чем может быть дело!
схема почти такой,есть не большие различия в номиналах некоторых резисторов


Вложения:
Комментарий к файлу: схема
PowerMaster FA-5-2, 250W.png [59.95 KiB]
Скачиваний: 473
Вернуться наверх
 
Не в сети
 Заголовок сообщения: Re: помогите с БП на tl494((
СообщениеДобавлено: Чт фев 14, 2013 21:44:26 
Говорящий с текстолитом
Аватар пользователя

Карма: 3
Рейтинг сообщений: 38
Зарегистрирован: Ср сен 08, 2010 20:33:39
Сообщений: 1502
Откуда: Воронеж
Рейтинг сообщения: 0
А запускается он чем?
Блок АТХ запускается замыканием на землю PS-ON, а ваш каким образом сделан?

_________________
С шерстью на сайте постоянные проблемы. Обещали исправить, но никак. Вот работающая ссылка, если кому нужно. http://radiokot.ru/circuit/power/charger/40/


Вернуться наверх
 
Не в сети
 Заголовок сообщения: Re: помогите с БП на tl494((
СообщениеДобавлено: Чт фев 14, 2013 22:23:13 
Друг Кота
Аватар пользователя

Карма: 44
Рейтинг сообщений: 605
Зарегистрирован: Вс мар 04, 2007 11:39:00
Сообщений: 4470
Откуда: Ukraine, Kyiv
Рейтинг сообщения: 0
Metall4 ведь написал: "...поставил на базу\колектор силовых ключеи по 150 к". неужели непонятно? Или "поколение пепси" моя-твоя-не-понимай?

_________________
Выслушай и противную сторону, даже если она и противна


Вернуться наверх
 
Не в сети
 Заголовок сообщения: Re: помогите с БП на tl494((
СообщениеДобавлено: Чт фев 14, 2013 22:26:19 
Друг Кота

Карма: 68
Рейтинг сообщений: 1408
Зарегистрирован: Сб янв 29, 2011 00:28:48
Сообщений: 7774
Рейтинг сообщения: 0
Цепь защиты по току VD22-R36-R40-ZD1, возможно, тут надо подбирать номиналы, также непонятно как вы оставили цепь питания предвыходного каскада (есть ли электролит?) и сколько там вольт. У меня эта цепь обеспечивает защиту, но она годится только при фиксированном (или в малых пределах регулируемом) выходном напряжении.


Вернуться наверх
 
Не в сети
 Заголовок сообщения: Re: помогите с БП на tl494((
СообщениеДобавлено: Чт фев 14, 2013 23:03:17 
Говорящий с текстолитом
Аватар пользователя

Карма: 3
Рейтинг сообщений: 38
Зарегистрирован: Ср сен 08, 2010 20:33:39
Сообщений: 1502
Откуда: Воронеж
Рейтинг сообщения: 0
falkonist писал(а):
Или "поколение пепси" моя-твоя-не-понимай?

Дядя, ты не прав.
Если только поставить резисторы и всё, то согласно схемы (если он сделал только то что написал) на 4-ю ногу TL494 будет подано +5В и ШИМ работать не будет.
А вот если он замыкает эту самую ногу на землю (о чём сообщить забыл), то тем самым отключает и штатную защиту от перегрузки.
Вот поэтому я и спросил, а не просто так...

_________________
С шерстью на сайте постоянные проблемы. Обещали исправить, но никак. Вот работающая ссылка, если кому нужно. http://radiokot.ru/circuit/power/charger/40/


Вернуться наверх
 
Не в сети
 Заголовок сообщения: Re: помогите с БП на tl494((
СообщениеДобавлено: Чт фев 14, 2013 23:17:54 
Друг Кота
Аватар пользователя

Карма: 44
Рейтинг сообщений: 605
Зарегистрирован: Вс мар 04, 2007 11:39:00
Сообщений: 4470
Откуда: Ukraine, Kyiv
Рейтинг сообщения: 0
Stalker007, какое отношение имеют базово-коллекторные резисторы силовых ключей к 4-й ноге ШИМ???

Если запутался в 3-х соснах, то и не надо писать "Дядя, ты не прав". Одни люди поют, что знают. Другие - знают, что поют.

Кстати, напомните, когда мы с Вами пили на брудершафт?

_________________
Выслушай и противную сторону, даже если она и противна


Вернуться наверх
 
Не в сети
 Заголовок сообщения: Re: помогите с БП на tl494((
СообщениеДобавлено: Чт фев 14, 2013 23:29:10 
Говорящий с текстолитом
Аватар пользователя

Карма: 3
Рейтинг сообщений: 38
Зарегистрирован: Ср сен 08, 2010 20:33:39
Сообщений: 1502
Откуда: Воронеж
Рейтинг сообщения: 0
falkonist писал(а):
какое отношение имеют базово-коллекторные резисторы силовых ключей к 4-й ноге ШИМ???

А какое отношение они имеют к вопросу заданному человеком?
Metall4 писал(а):
при кз просто летят силовые транзисторы!!!,в чем может быть дело!

Объясните, если не трудно ВАМ.
И кстати, сразу хамить совсем не обязательно, я тоже умею "умник" ВЫ НАШ.
Если вы до сих пор не знаете, что если просто установить эти резисторы в блок АТХ и не запустить ШИМ, то генерации не будет - это ваши проблемы.
У вас я вообще НИЧЕГО НЕ СПРАШИВАЛ, я вопрос задал другому человеку. И если до вас не дошёл его смысл, то лучше подумать сначала, а потом уже писать своё хамство, если без этого никак не можешь обойтись.

_________________
С шерстью на сайте постоянные проблемы. Обещали исправить, но никак. Вот работающая ссылка, если кому нужно. http://radiokot.ru/circuit/power/charger/40/


Вернуться наверх
 
Не в сети
 Заголовок сообщения: Re: помогите с БП на tl494((
СообщениеДобавлено: Чт фев 14, 2013 23:50:43 
Друг Кота
Аватар пользователя

Карма: 44
Рейтинг сообщений: 605
Зарегистрирован: Вс мар 04, 2007 11:39:00
Сообщений: 4470
Откуда: Ukraine, Kyiv
Рейтинг сообщения: 0
Stalker007 писал(а):
Если вы до сих пор не знаете, что если просто установить эти резисторы в блок АТХ и не запустить ШИМ, то генерации не будет...
Действительно, не знал о таком. Потому что три раза переделывал АТХ с установкой таких резисторов, чтобы работал без дежурки и все три раза блок прекрасненько себе запускался.
Цитата:
Стою на асфальте я, в лыжи обутый.
То ли лыжи не едут, то ли я ...тый?

_________________
Выслушай и противную сторону, даже если она и противна


Вернуться наверх
 
Не в сети
 Заголовок сообщения: Re: помогите с БП на tl494((
СообщениеДобавлено: Пт фев 15, 2013 00:21:21 
Встал на лапы
Аватар пользователя

Зарегистрирован: Вс янв 13, 2013 16:49:56
Сообщений: 99
Рейтинг сообщения: 0
Enman.
Цепь защиты по току VD22-R36-R40-ZD1, возможно, тут надо подбирать номиналы,
попробую поиграть с ними.

также непонятно как вы оставили цепь питания предвыходного каскада (есть ли электролит?) и сколько там вольт.
14.5в,электролит 1000мкфх25в,все другие линий убрал кроме 5в но он отрезан от тл494

У меня эта цепь обеспечивает защиту, но она годится только при фиксированном (или в малых пределах регулируемом) выходном напряжении.
блок не регулируемый только 14.5в будет

Stalker007.
вкл блок через PSone не знаю как это работает но если поставить на базу-колектор 150-330к то от 12в обмотки транса через диод на 12 ногу тл 494 подается 12в а при PSone на минус уже 24в!!
почему не работает защита от кз не поиму ,4 ногу не трогал


Вернуться наверх
 
Не в сети
 Заголовок сообщения: Re: помогите с БП на tl494((
СообщениеДобавлено: Пт фев 15, 2013 00:26:48 
Друг Кота
Аватар пользователя

Карма: 44
Рейтинг сообщений: 605
Зарегистрирован: Вс мар 04, 2007 11:39:00
Сообщений: 4470
Откуда: Ukraine, Kyiv
Рейтинг сообщения: 0
Metall4, в любом случае на питание М/С будет поступать 24 В. Если ее питание, конечно, берется до ДГС.

Собственно перевод блока в формат АТ никак не должен сказаться на Вашей проблеме. Выложите схему своей переделки. А то "на пальцах" не совсем понятно. Только точную! Один-в один со сделанными переделками.

_________________
Выслушай и противную сторону, даже если она и противна


Вернуться наверх
 
Не в сети
 Заголовок сообщения: Re: помогите с БП на tl494((
СообщениеДобавлено: Пт фев 15, 2013 11:29:52 
Встал на лапы
Аватар пользователя

Зарегистрирован: Вс янв 13, 2013 16:49:56
Сообщений: 99
Рейтинг сообщения: 0
вот моя переделка + поправил некоторые номиналы


Вложения:
PowerMaster FA-5-2, 250W.png [202.94 KiB]
Скачиваний: 550
Вернуться наверх
 
Не в сети
 Заголовок сообщения: Re: помогите с БП на tl494((
СообщениеДобавлено: Пт фев 15, 2013 11:46:46 
Встал на лапы
Аватар пользователя

Зарегистрирован: Вс янв 13, 2013 16:49:56
Сообщений: 99
Рейтинг сообщения: 0
falkonist писал(а):
Metall4, в любом случае на питание М/С будет поступать 24 В.

питание берется стандартно до дгс


Вложения:
PSone on.jpg [130.45 KiB]
Скачиваний: 485
PSone of.jpg [155.29 KiB]
Скачиваний: 279


Последний раз редактировалось Metall4 Пт фев 15, 2013 11:52:27, всего редактировалось 2 раз(а).
Вернуться наверх
 
Показать сообщения за:  Сортировать по:  Вернуться наверх
Начать новую тему Ответить на тему  [ Сообщений: 58 ]    , 2,  

Часовой пояс: UTC + 3 часа


Кто сейчас на форуме

Сейчас этот форум просматривают: нет зарегистрированных пользователей и гости: 59


Вы не можете начинать темы
Вы не можете отвечать на сообщения
Вы не можете редактировать свои сообщения
Вы не можете удалять свои сообщения
Вы не можете добавлять вложения

Найти:
Перейти:  


Powered by phpBB © 2000, 2002, 2005, 2007 phpBB Group
Русская поддержка phpBB
Extended by Karma MOD © 2007—2012 m157y
Extended by Topic Tags MOD © 2012 m157y