Например TDA7294

Форум РадиоКот • Просмотр темы - Вольтметр В7-40 не имеряет переменку.
Форум РадиоКот
Здесь можно немножко помяукать :)

Текущее время: Вс фев 01, 2026 21:06:55

Часовой пояс: UTC + 3 часа


ПРЯМО СЕЙЧАС:



Начать новую тему Ответить на тему  [ Сообщений: 16 ] 
Автор Сообщение
Не в сети
 Заголовок сообщения: Вольтметр В7-40 не имеряет переменку.
СообщениеДобавлено: Пн дек 22, 2025 22:39:17 
Друг Кота
Аватар пользователя

Карма: 41
Рейтинг сообщений: 2997
Зарегистрирован: Пн июл 23, 2018 10:36:20
Сообщений: 3495
Откуда: Казань
Рейтинг сообщения: 0
Приветсвую форумчан.
нужен совет опытных ремонтеров советских вольметров.
В7-40 отлично измеряет постоянное напряжение, по перменному ранее индогда подглючивал, т.е. выдавал рандомные значения на всех дипапзонах, в том числе и с замкнутыми щупами.
Затем ситуация усугубилась, при переключении в режим измерения переменки мигает индикатором (выход за пределы), через некоторое время рандомные значения, спустя 30 минут (примерно) прогрева начинает работать адекватно, но значения иногда продпрыгивают.

в ТО указано, что при проблемах при измерении переменного напяжения необходимо заменить DA1, DA3 - к544уд2 и реле К3
Заменил DA1, DA3 ОУ новые, без изменений.
реле в зарпасе нет, при переключении реле счелкают, не уверен что с ним проблема.
на питание не грешу, были бы проблемы с постоянным напряжением.

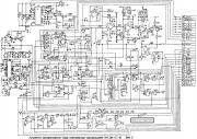
Схемы измерительного блока прикладываю,
Изображение Изображение

документация конечно как для врагов разработана
мой расчет больше на опыт форумчан, чем анализ схемы и высказвание предположений.
Конструкция такова что при работе измерительный блок для замеров не доступен.

не хочется приборчик списывать, пусть послужит еще.

_________________
ZZZ С Нами Бог ZZZ


Вернуться наверх
 
Не в сети
 Заголовок сообщения: Re: Вольтметр В7-40 не имеряет переменку.
СообщениеДобавлено: Вт дек 23, 2025 12:55:43 
Первый раз сказал Мяу!
Аватар пользователя

Карма: 11
Рейтинг сообщений: 44
Зарегистрирован: Пн окт 01, 2012 20:04:20
Сообщений: 39
Откуда: Запорожье
Рейтинг сообщения: 8
Так это классика, микросборка 04ПН007. В интернете есть информация по переделке под RMS-преобразователи от Analog Devices.


Вернуться наверх
 
Не в сети
 Заголовок сообщения: Re: Вольтметр В7-40 не имеряет переменку.
СообщениеДобавлено: Вт дек 23, 2025 18:22:33 
Друг Кота
Аватар пользователя

Карма: 41
Рейтинг сообщений: 2997
Зарегистрирован: Пн июл 23, 2018 10:36:20
Сообщений: 3495
Откуда: Казань
Рейтинг сообщения: 0
Благодрю за информацию

_________________
ZZZ С Нами Бог ZZZ


Вернуться наверх
 
Не в сети
 Заголовок сообщения: Re: Вольтметр В7-40 не имеряет переменку.
СообщениеДобавлено: Вт дек 23, 2025 19:38:57 
Вымогатель припоя

Зарегистрирован: Ср ноя 24, 2010 07:34:47
Сообщений: 598
Рейтинг сообщения: 8
Есть еще одна "классика" - реле РВ-5А.
Реле негерметичное и за время жизни прибора туда вполне могло надуть нанопыли еще с той эпохи.
В какой-то теме тут писал по способу очистки...


Вернуться наверх
 
Эиком - электронные компоненты и радиодетали
Не в сети
 Заголовок сообщения: Re: Вольтметр В7-40 не имеряет переменку.
СообщениеДобавлено: Вс дек 28, 2025 13:09:28 
Опытный кот

Карма: 3
Рейтинг сообщений: 143
Зарегистрирован: Пн июн 07, 2010 22:56:01
Сообщений: 881
Откуда: SU
Рейтинг сообщения: 0
local07,
подскажите, по какой причине РВ-5А трещат после включения прибора ?
а после того как их несколько раз сделать вкл/выкл перестают ...


Вернуться наверх
 
Не в сети
 Заголовок сообщения: Re: Вольтметр В7-40 не имеряет переменку.
СообщениеДобавлено: Пн дек 29, 2025 00:53:15 
Вымогатель припоя

Зарегистрирован: Ср ноя 24, 2010 07:34:47
Сообщений: 598
Рейтинг сообщения: 0
ass20,
Причиннно-следственная связь однозначно указывает на наличие неисправности в устройстве. Однако, не смотря на характер ее проявления, тем не менее, при определенных условиях, вариант "обновления прошивки" может быть не самым рациональным.
Если пара пинков его оживляет, стоит ли начинать процедуру лечения? :facepalm:

Есть один с подобным дефектом. Иногда сразу включится, иногда только после нескольких вкл\выкл или не совсем удобной процедуры выбора режима. Ваще не напрягает, уже лет так десять... :roll:


Вернуться наверх
 
Не в сети
 Заголовок сообщения: Re: Вольтметр В7-40 не имеряет переменку.
СообщениеДобавлено: Пн дек 29, 2025 22:54:49 
Опытный кот

Карма: 3
Рейтинг сообщений: 143
Зарегистрирован: Пн июн 07, 2010 22:56:01
Сообщений: 881
Откуда: SU
Рейтинг сообщения: 0
local07,
к сожалению пинки по реле не помогают ..
помогает переключение режимов и перезагрузка вольтметра...

прибор одно время лежал верх ногами.. может это повлияло на релюшки )))
В прибор лезть все рано надо, не пашет 4-х проводное измерение резисторов


Вернуться наверх
 
Не в сети
 Заголовок сообщения: Re: Вольтметр В7-40 не имеряет переменку.
СообщениеДобавлено: Вт дек 30, 2025 07:09:50 
Вымогатель припоя

Зарегистрирован: Ср ноя 24, 2010 07:34:47
Сообщений: 598
Рейтинг сообщения: 0
В каких-то приборах реле установлены горизонтально, в каких-то вертикально... 8)

Давным-давно в каких-то однотипных приборах иногда начинал глючить АВП (автоматический выбор пределов). Как только входной сигнал попадал в определенные границы, то прибор начинал без конца "качать" диапазоны вверх-вниз. И вроде как во всех режимах.
Оказалось, что ну очень сильно "уплывали" регулировки уровней АВП. Вот прибор и не мог определиться, какой предел установить. В итоге шарахался то туда, то обратно...
Вполне возможно, что сам дефект тогда так и не был обнаружен, но после тщательной регулировки, приборы успешно проходили поверку.
А так ..., вокруг вывода "впаянного" компонента, на контактной поверхности реле или переключателя, на рабочей поверхности или движке регулировочного элемента, вполне могла появиться пленка окисла. Которая критически влияла на режим работы узлов прибора. И которую "пробивали" броски тока при включения-выключение прибора или механическое воздействие на прибор или дефектный компонент. А уж про компоненты с плохими контактами внутри залитого корпуса
или межплатные переходы.... :facepalm:


Вернуться наверх
 
Не в сети
 Заголовок сообщения: Re: Вольтметр В7-40 не имеряет переменку.
СообщениеДобавлено: Вт дек 30, 2025 10:57:56 
Опытный кот

Карма: 3
Рейтинг сообщений: 143
Зарегистрирован: Пн июн 07, 2010 22:56:01
Сообщений: 881
Откуда: SU
Рейтинг сообщения: 4
Добавлю инфу про замену 04ПН007
инфа не моя, а с казуса ...
переходнник собран на AD8436

на али есть платки на LTC1966, возможно ими можно заменить микросборку ..


Вложения:
04pn007_3.7z [497.72 KiB]
Скачиваний: 15
04pn007_2.7z [535.75 KiB]
Скачиваний: 17
04pn007_1.7z [575.45 KiB]
Скачиваний: 14
Вернуться наверх
 
Не в сети
 Заголовок сообщения: Re: Вольтметр В7-40 не имеряет переменку.
СообщениеДобавлено: Вт дек 30, 2025 12:14:31 
Друг Кота
Аватар пользователя

Карма: 50
Рейтинг сообщений: 763
Зарегистрирован: Чт дек 29, 2005 00:18:30
Сообщений: 6595
Откуда: Москва
Рейтинг сообщения: 0
Бегло взглянул...неужели на AD8436 цена под десятку за кристалл? Или то мне такие попались завышенные? У самого несколько В7-40 лежат, правда не включал уже лет десять, мультиметра хватает..серьезных задач нет.

_________________
Ничто так не укрепляет взаимное доверие, как 100% предоплата! Дмитрий, ex-RK3AOR.


Вернуться наверх
 
Не в сети
 Заголовок сообщения: Re: Вольтметр В7-40 не имеряет переменку.
СообщениеДобавлено: Ср дек 31, 2025 00:35:46 
Опытный кот

Карма: 3
Рейтинг сообщений: 143
Зарегистрирован: Пн июн 07, 2010 22:56:01
Сообщений: 881
Откуда: SU
Рейтинг сообщения: 0
Дмитрий М,
ЧиД просит 3500р ... за AD8436

Глянул частотные характиристики В7-40 в плане переменки...Возможно даже обычный trueRMS из мультметра справится

Я сравнивал В7-53 с 04ПН007 и В7-73 с AD536, В7-73 гораздо лучше по частотному диапозону ...


Вернуться наверх
 
Не в сети
 Заголовок сообщения: Re: Вольтметр В7-40 не имеряет переменку.
СообщениеДобавлено: Ср дек 31, 2025 00:42:54 
Друг Кота
Аватар пользователя

Карма: 41
Рейтинг сообщений: 2997
Зарегистрирован: Пн июл 23, 2018 10:36:20
Сообщений: 3495
Откуда: Казань
Рейтинг сообщения: 0
Д, а с казуса ...


у Вас казус доступен? у меня нет.
вы бы не могли бы скинуть в эту тему процедуру настройки при замене 04ПН007 на AD8436

_________________
ZZZ С Нами Бог ZZZ


Вернуться наверх
 
Не в сети
 Заголовок сообщения: Re: Вольтметр В7-40 не имеряет переменку.
СообщениеДобавлено: Ср дек 31, 2025 01:17:27 
Опытный кот

Карма: 3
Рейтинг сообщений: 143
Зарегистрирован: Пн июн 07, 2010 22:56:01
Сообщений: 881
Откуда: SU
Рейтинг сообщения: 0
SSkot,
у меня тоже не доступен... и еще много других технических ресурсов ....
В архивах есть txt файл в нем все описание, что было на казусе ...

После замены нужно провести процедуру поверки измерителя переменного напряжения, чтоб удостоверится истинности показаний... При необходимости и калибровку...
методики поверки и калибровки должны быть описаны в доках к В7-40
Где счас брать AD8436 за гуманные деньги я не знаю ....


Вернуться наверх
 
Не в сети
 Заголовок сообщения: Re: Вольтметр В7-40 не имеряет переменку.
СообщениеДобавлено: Ср дек 31, 2025 09:09:31 
Друг Кота
Аватар пользователя

Карма: 41
Рейтинг сообщений: 2997
Зарегистрирован: Пн июл 23, 2018 10:36:20
Сообщений: 3495
Откуда: Казань
Рейтинг сообщения: 0
ass20, Спасибо за ответ.

_________________
ZZZ С Нами Бог ZZZ


Вернуться наверх
 
Не в сети
 Заголовок сообщения: Re: Вольтметр В7-40 не имеряет переменку.
СообщениеДобавлено: Ср дек 31, 2025 11:27:28 
Опытный кот

Карма: 3
Рейтинг сообщений: 143
Зарегистрирован: Пн июн 07, 2010 22:56:01
Сообщений: 881
Откуда: SU
Рейтинг сообщения: 0
local07,
Разобрался я вчера с РВ-5А... дело было не в них...
Походу был плохой контакт в шлейфах .. Заодно нашел высохший кондер... емкость была, а esr большой...


Вернуться наверх
 
Не в сети
 Заголовок сообщения: Re: Вольтметр В7-40 не имеряет переменку.
СообщениеДобавлено: Ср дек 31, 2025 16:03:05 
Вымогатель припоя

Зарегистрирован: Ср ноя 24, 2010 07:34:47
Сообщений: 598
Рейтинг сообщения: 0
Всяко бывает.
Есть один Щ306-2. При шевелении входного кабеля иногда переставал измерять. При исправном кабеле, подозревался входной разъем. Даже было желание заменить его на группу BNC-разъемов.
Однако, с кабелем прижатым корпусом, сбоев не было. Так они жили лет так десять, а может и больше... :roll:
Недавно это достало в конец. Оказалось, что проводники от платы до входного разъема находились очень близко друг от друга. Да так, что могли от шевеления входного разъема замкнуться. Никаких кембриков в помине не было. Это ж надо быдо такое придумать... :facepalm:


Вернуться наверх
 
Показать сообщения за:  Сортировать по:  Вернуться наверх
Начать новую тему Ответить на тему  [ Сообщений: 16 ] 

Часовой пояс: UTC + 3 часа


Кто сейчас на форуме

Сейчас этот форум просматривают: Kapitoska и гости: 22


Вы не можете начинать темы
Вы не можете отвечать на сообщения
Вы не можете редактировать свои сообщения
Вы не можете удалять свои сообщения
Вы не можете добавлять вложения

Найти:
Перейти:  


Powered by phpBB © 2000, 2002, 2005, 2007 phpBB Group
Русская поддержка phpBB
Extended by Karma MOD © 2007—2012 m157y
Extended by Topic Tags MOD © 2012 m157y