Например TDA7294

Форум РадиоКот • Просмотр темы - помогите С1-93, настройка окон. усилителя X и ремонт
Форум РадиоКот
Здесь можно немножко помяукать :)

Текущее время: Чт фев 12, 2026 14:06:24

Часовой пояс: UTC + 3 часа


ПРЯМО СЕЙЧАС:



Начать новую тему Ответить на тему  [ Сообщений: 23 ]  1,  
Автор Сообщение
Не в сети
 Заголовок сообщения: помогите С1-93, настройка окон. усилителя X и ремонт
СообщениеДобавлено: Пт май 06, 2016 18:07:42 
Родился

Зарегистрирован: Пт май 06, 2016 15:57:54
Сообщений: 18
Рейтинг сообщения: 0
Здравствуйте уважаемые,прошу помощи, нет опыта в этом вопросе

Ремонтирую залитый осциллограф, вода попала через щели на оконечный усилитель X над трубкой, была сильная коррозия,не было развертки, луч еле можно было поймать на открытом входе X в крайнем правом углу экрана,
плату почистил, были найдены обрывы на плате: заменил транзистор т4 кт326б на BF450 (350мгц 0.5пф hfe-100), заменил др1 470мкгн

1) Развертка появилась и кажется все работает и вроде все устраивает но как настроить оконечный усилитель X ? и стоит ли заменить также и нижний транзистор попарно?

2) В процессе работы появилось следующее:через 10 -30мин после включения развертка пропадает и остается точка на экране как при открытом входеX ,бывает что постепенно пропадает на участке диапазона время/дел на некоторых положениях переключателя развертка работает, а другие нет
диагностика показала что на выходе стабилизатора во время полного отключения развертки ВСЕ напряжения проседают на 10-20%
Связано ли второе с первым?

Осциллограф долгое время лежал в подвале , пломбы были целые когда вскрыл, накрутили только внешние через щели -корр. синхр.
По работе занимаюсь ремонтом , планирую его использовать для наладки приводов двигателей


Вложения:
oscilloscope-c1-93-3.png [61.61 KiB]
Скачиваний: 736
Вернуться наверх
 
Не в сети
 Заголовок сообщения: Re: помогите С1-93, настройка окон. усилителя X и ремонт
СообщениеДобавлено: Пт май 06, 2016 18:22:27 
Родился

Зарегистрирован: Пт май 06, 2016 15:57:54
Сообщений: 18
Рейтинг сообщения: 0
Изображение[/urlИзображение


Вернуться наверх
 
Не в сети
 Заголовок сообщения: Re: помогите С1-93, настройка окон. усилителя X и ремонт
СообщениеДобавлено: Пт май 06, 2016 18:53:59 
Родился

Зарегистрирован: Пт май 06, 2016 15:57:54
Сообщений: 18
Рейтинг сообщения: 0
Изображение


Вернуться наверх
 
Не в сети
 Заголовок сообщения: Re: помогите С1-93, настройка окон. усилителя X и ремонт
СообщениеДобавлено: Пт май 06, 2016 20:21:29 
Друг Кота

Карма: 27
Рейтинг сообщений: 1283
Зарегистрирован: Ср фев 11, 2009 20:35:58
Сообщений: 7853
Рейтинг сообщения: 0
У тебя мухи и котлеты в одной тарелке.
Настраивать пока нечего.
Восстанови развёртку для начала.


Вернуться наверх
 
Эиком - электронные компоненты и радиодетали
Не в сети
 Заголовок сообщения: Re: помогите С1-93, настройка окон. усилителя X и ремонт
СообщениеДобавлено: Сб май 07, 2016 08:30:35 
Родился

Зарегистрирован: Пт май 06, 2016 15:57:54
Сообщений: 18
Рейтинг сообщения: 0
Так развертка работает, на калибраторе все нормально, к генератору не подключал но там вроде тоже все будет достаточно , только выключается через какое то время после прогрева и при этом на питальнике напруги проседают.
Ткните носом что надо делать :)) ,аппарат 87 года на год старше меня
Скинул бы инструкцию но размер файла не позволяет


Вернуться наверх
 
Не в сети
 Заголовок сообщения: Re: помогите С1-93, настройка окон. усилителя X и ремонт
СообщениеДобавлено: Сб май 07, 2016 10:43:05 
Держит паяльник хвостом

Карма: 9
Рейтинг сообщений: 98
Зарегистрирован: Сб фев 13, 2010 23:50:42
Сообщений: 937
Откуда: Kazan
Рейтинг сообщения: 0
zoobyland писал(а):
после прогрева и при этом на питальнике напруги проседают.

Симптомы сдохшего высоковольтного трансформатора однако :( . Тем об этом избыточно много. Классическая http://monitor.net.ru/forum/1-83-info-10862.html


Вернуться наверх
 
Не в сети
 Заголовок сообщения: Re: помогите С1-93, настройка окон. усилителя X и ремонт
СообщениеДобавлено: Сб май 07, 2016 14:26:58 
Родился

Зарегистрирован: Пт май 06, 2016 15:57:54
Сообщений: 18
Рейтинг сообщения: 0
http://www.жаис.рф/DOWNLOAD/RS/c193rs.zip
Нашел вроде этого,
Там по ссылке предлагают просто замыкающую обмотку подключить через еще один транс через гальванической развязкой трансформатора
Осталось проверить, прозвонить цепи на моем блоке


Вернуться наверх
 
Не в сети
 Заголовок сообщения: Re: помогите С1-93, настройка окон. усилителя X и ремонт
СообщениеДобавлено: Пн май 09, 2016 11:43:10 
Открыл глаза

Карма: 4
Рейтинг сообщений: 14
Зарегистрирован: Вс июл 06, 2014 06:46:46
Сообщений: 70
Рейтинг сообщения: 0
Только-что ремонтировал С1-83 - причина оказалась в замыкании высоковольтной обмотки на обмотку накала!
Попробуйте отпаять обмотку накала от трубки(второй провод "-1500в" оставить!) - и посмотреть будет ли при этом так-же проседать питающее напряжение?


Вернуться наверх
 
Не в сети
 Заголовок сообщения: Re: помогите С1-93, настройка окон. усилителя X и ремонт
СообщениеДобавлено: Чт май 12, 2016 09:25:34 
Родился

Зарегистрирован: Пт май 06, 2016 15:57:54
Сообщений: 18
Рейтинг сообщения: 0
Обмотку накала пустил через трансформатор как показано выше.
Нашел времязадающий конденсатор 1мкф 250в с большой утечкой, заменил на меньших размеров
Включаю- все повторяется 40 минут и развертка пропадает напряжения просаживаются

замыкающие обмотки тестером никак поймать не могу, греются диодные мосты 514нд1, транзисторы кт603а, кт608б, стабилизатора +/-12в и +/-6.3в

попробую погонять долго накал от внешнего блока питания на 6.3 в, правда от него наводятся помехи на изображение


Вернуться наверх
 
Не в сети
 Заголовок сообщения: Re: помогите С1-93, настройка окон. усилителя X и ремонт
СообщениеДобавлено: Чт май 12, 2016 11:55:38 
Родился

Зарегистрирован: Пт май 06, 2016 15:57:54
Сообщений: 18
Рейтинг сообщения: 0
пробовал от внешнего ИИП на 24в питать все также, только на изображении помехи от него появляется, до этого такого не замечал.
при работе постепенно повышается ток потребления и и появляются завалы фронтов на выходе высоковольтного трансформатора и сдвигается уже вроде формы пилы


Вернуться наверх
 
Не в сети
 Заголовок сообщения: Re: помогите С1-93, настройка окон. усилителя X и ремонт
СообщениеДобавлено: Чт май 12, 2016 12:51:11 
Родился

Зарегистрирован: Пт май 06, 2016 15:57:54
Сообщений: 18
Рейтинг сообщения: 0
накладывается на изображение помеха от внешнего блока 24в, а когда питаю напрямую от 220 осциллограф- помехи нет
Ток потребления плавно нарастает во время работы однозначно с 1.2А 24в начиная и дальше, прибор "остывает" довольно быстро


Вернуться наверх
 
Не в сети
 Заголовок сообщения: Re: помогите С1-93, настройка окон. усилителя X и ремонт
СообщениеДобавлено: Чт май 12, 2016 14:26:32 
Родился

Зарегистрирован: Пт май 06, 2016 15:57:54
Сообщений: 18
Рейтинг сообщения: 0
zoobyland писал(а):
, греются диодные мосты 514нд1,

поправка 542нд1
Тогда какой же ток потребления по этим цепям? 542нд1-0.5А, кт603а-0.3А 608б-0.4А ,
Хорошо бы сразу заменить п215 на кт837 или другой для меньшего нагрева задней стенки, у меня правда там винты заржевели и высверлить нечем


Вернуться наверх
 
Не в сети
 Заголовок сообщения: Re: помогите С1-93, настройка окон. усилителя X и ремонт
СообщениеДобавлено: Пт май 13, 2016 00:25:27 
Родился

Зарегистрирован: Пт май 06, 2016 15:57:54
Сообщений: 18
Рейтинг сообщения: 0
Заменил разьём питания ШР, распайка разьема такая: 1 - +24в/220в 2--24в/220в 3-земля, на два болта закрепил перемычку и на третий посадил клемму, правда посолиднее бы вилку с проводом поискать, поставил какая была
Изображение
Изображение Изображение


Вернуться наверх
 
Не в сети
 Заголовок сообщения: Re: помогите С1-93, настройка окон. усилителя X и ремонт
СообщениеДобавлено: Пт май 13, 2016 05:57:20 
Вымогатель припоя
Аватар пользователя

Карма: 11
Рейтинг сообщений: 441
Зарегистрирован: Вс мар 30, 2014 13:09:29
Сообщений: 633
Откуда: Приморский край, г.Спасск-Дальний
Рейтинг сообщения: 0
Вы не заменили разъем питания, вы воткнули шнур от настольной лампы.Несерьезно это, колхоз конкретный. Если менять разъем, то вот хотя бы так:
Изображение
Осциллограф С1-55.

_________________
С уважением,Алексей


Вернуться наверх
 
Не в сети
 Заголовок сообщения: Re: помогите С1-93, настройка окон. усилителя X и ремонт
СообщениеДобавлено: Пт май 13, 2016 08:13:09 
Открыл глаза

Карма: 4
Рейтинг сообщений: 14
Зарегистрирован: Вс июл 06, 2014 06:46:46
Сообщений: 70
Рейтинг сообщения: 0
zoobyland писал(а):
Тогда какой же ток потребления по этим цепям? 542нд1-0.5А, кт603а-0.3А 608б-0.4А ,
Хорошо бы сразу заменить п215 на кт837 или другой


Зачем менять? Я их менял на кт837 временно для ремонта т.к. п215 выбивались!

Схему узлов приложите! А то думаете ее специально что-бы вам помочь искать будем?

И укажите схемные элементы что греются!


Вернуться наверх
 
Не в сети
 Заголовок сообщения: Re: помогите С1-93, настройка окон. усилителя X и ремонт
СообщениеДобавлено: Пт май 13, 2016 11:45:21 
Родился

Зарегистрирован: Пт май 06, 2016 15:57:54
Сообщений: 18
Рейтинг сообщения: 0
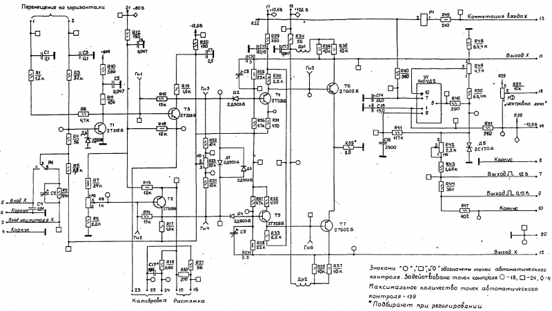
http://radiostorage.net/uploads/Image/s ... 1-93-2.png -схема общая
http://radiostorage.net/uploads/Image/s ... 1-93-5.png -стабилизатор
http://radiostorage.net/?area=news/3302 - другие части схемы
http://monitor.espec.ws/files/c1-93_9_109.jpg схема и23.233.169 которой нет в других схемах


Вернуться наверх
 
Не в сети
 Заголовок сообщения: Re: помогите С1-93, настройка окон. усилителя X и ремонт
СообщениеДобавлено: Пт май 13, 2016 12:55:40 
Родился

Зарегистрирован: Пт май 06, 2016 15:57:54
Сообщений: 18
Рейтинг сообщения: 0
по схеме стабилизатора греются элементы У1, У2, Т7, Т8, Т13, Т14
во время работы потребляемая мощность осциллографа в целом нарастает постепенно и на выходе трансформатора импульсы начинают менять свою форму заваливаются фронты


Вернуться наверх
 
Не в сети
 Заголовок сообщения: Re: помогите С1-93, настройка окон. усилителя X и ремонт
СообщениеДобавлено: Пт май 13, 2016 14:38:34 
Открыл глаза

Карма: 4
Рейтинг сообщений: 14
Зарегистрирован: Вс июл 06, 2014 06:46:46
Сообщений: 70
Рейтинг сообщения: 0
Похоже у вас перегружен стабилизатор +6.3 и -6.3(через его транзисторы текут токи 0.3-0.4а?) и похоже
эти напряжения у вас занижены и стабилизатор находится в ограничении тока.

Для начала:
1) замерьте +19.6в на эмиттере т1 903 относительно" - с11,с12" на месте(или завышено)?
2) замерьте +6.3 и -6.3 относит. корпуса сколько?


Вернуться наверх
 
Не в сети
 Заголовок сообщения: Re: помогите С1-93, настройка окон. усилителя X и ремонт
СообщениеДобавлено: Сб май 14, 2016 08:42:10 
Родился

Зарегистрирован: Пт май 06, 2016 15:57:54
Сообщений: 18
Рейтинг сообщения: 0
1)все верно
2)все верно двумя подстроечниками регулируется


Вернуться наверх
 
Не в сети
 Заголовок сообщения: Re: помогите С1-93, настройка окон. усилителя X и ремонт
СообщениеДобавлено: Сб май 14, 2016 10:15:49 
Родился

Зарегистрирован: Пт май 06, 2016 15:57:54
Сообщений: 18
Рейтинг сообщения: 0
Все функции прибора работают, синхронизируется с импульсом потенциометром и автоматически довольно устойчиво, частота и амплитуда со временем не уплывает


Вернуться наверх
 
Показать сообщения за:  Сортировать по:  Вернуться наверх
Начать новую тему Ответить на тему  [ Сообщений: 23 ]  1,  

Часовой пояс: UTC + 3 часа


Кто сейчас на форуме

Сейчас этот форум просматривают: GARMIN и гости: 23


Вы не можете начинать темы
Вы не можете отвечать на сообщения
Вы не можете редактировать свои сообщения
Вы не можете удалять свои сообщения
Вы не можете добавлять вложения

Найти:
Перейти:  


Powered by phpBB © 2000, 2002, 2005, 2007 phpBB Group
Русская поддержка phpBB
Extended by Karma MOD © 2007—2012 m157y
Extended by Topic Tags MOD © 2012 m157y