Например TDA7294

Форум РадиоКот • Просмотр темы - Осциллограф на ЭЛТ своими руками.
Форум РадиоКот
Здесь можно немножко помяукать :)

Текущее время: Сб окт 18, 2025 01:41:10

Часовой пояс: UTC + 3 часа


ПРЯМО СЕЙЧАС:



Начать новую тему Ответить на тему  [ Сообщений: 6809 ]     ... , , , 329, , , ...  
Автор Сообщение
Не в сети
 Заголовок сообщения: Re: Осциллограф на ЭЛТ своими руками.
СообщениеДобавлено: Ср июн 19, 2024 11:08:24 
Электрический кот
Аватар пользователя

Карма: 17
Рейтинг сообщений: 783
Зарегистрирован: Сб сен 07, 2019 20:13:34
Сообщений: 1052
Рейтинг сообщения: 0
Electricman,

"что с платой синхронихации? - она неисправна!" :)))
Для меня основной признак того, что работает как задумано, это

при кручении уровня, точка начала синуса на экране двигается от верхней вершины к нижней вершины, и синхра все это время стоит. Может быть сдвиг на экране из-за задержки, но полпериода должно угадываться.
Это постоянное смещение синуса выше-ниже ручкой уровня должно наблюдаться и на выходе усилителя синхронизации.

Пока из описания не ясно, диод это, или усилитель, или цепи смещения.
1И308 да, встречается редко.... На Авито сходу не нашел даже. Емкость у него сравнительно малая.

_________________
...наверное.


Вернуться наверх
 
Не в сети
 Заголовок сообщения: Re: Осциллограф на ЭЛТ своими руками.
СообщениеДобавлено: Ср июн 19, 2024 17:46:31 
Вымогатель припоя

Карма: 3
Рейтинг сообщений: 381
Зарегистрирован: Вс окт 20, 2019 20:54:30
Сообщений: 583
Рейтинг сообщения: 0
add.ocean писал(а):
"что с платой синхронихации? - она неисправна!"

Возможно. Впрочем, уже накрылся выход входного усилка (либо вход УВО) - на ЛЗ, на одном выводе около нуля, на другом около 0.8В, луч за пределами экрана, я устал, и только то, что осцил не мой, останавливает от нехороших действий. :))


Вернуться наверх
 
Не в сети
 Заголовок сообщения: Re: Осциллограф на ЭЛТ своими руками.
СообщениеДобавлено: Ср июн 19, 2024 18:46:11 
Электрический кот
Аватар пользователя

Карма: 17
Рейтинг сообщений: 783
Зарегистрирован: Сб сен 07, 2019 20:13:34
Сообщений: 1052
Рейтинг сообщения: 0
Electricman писал(а):
накрылся выход входного усилка

глядя на те микросборки из 6 транзисторов. ну явно там был распил и выполнение пятилетнего плана по разработке новых микросборок. потому что все то же самое можно сделать на плате и обычных деталях.
и уж на сегодня - можно раскрыть и припаять современные выводные или SMD/

только вот кто это будет делать, какими силами, в какое время.....

так-то 1-97 интересный прибор, как и 1-104 и 1-108... Все хотел себе приобрести, но не случилось. Вместо этого 2 тектроникса в кладовке. Там хоть микросборки на разъемах...

_________________
...наверное.


Вернуться наверх
 
Не в сети
 Заголовок сообщения: Re: Осциллограф на ЭЛТ своими руками.
СообщениеДобавлено: Ср июн 19, 2024 19:47:35 
Говорящий с текстолитом

Карма: 20
Рейтинг сообщений: 497
Зарегистрирован: Чт авг 10, 2017 20:57:51
Сообщений: 1535
Рейтинг сообщения: 0
Electricman писал(а):
либо вход УВО) - на ЛЗ

Было такое на мой С1-99. Его выбросили (пытались выбросить на моих глазах) из за непрерывное уплывание луча вверх. Оказалось - плохой контакт ЛЗ. Пропаял ... Луч встал как вкопанный. Таким образом мне достался С1-99 по цене 0


Вернуться наверх
 
Эиком - электронные компоненты и радиодетали
Не в сети
 Заголовок сообщения: Re: Осциллограф на ЭЛТ своими руками.
СообщениеДобавлено: Пн июн 24, 2024 15:32:35 
Электрический кот
Аватар пользователя

Карма: 17
Рейтинг сообщений: 783
Зарегистрирован: Сб сен 07, 2019 20:13:34
Сообщений: 1052
Рейтинг сообщения: 0
diplodok,

ну это самые классные и здоровские неисправности, когда неисправность 1 простейшая, а симптомы ужасающие :shock:

Зачастую такое бывает только из первых рук (то есть от пользователя прибора, прибор долго и исправно работал, но вдруг появились замечания).

А вот обратное (симптомы вроде незначительные, а неисправности поистине всеобъемлющие) - это да... И такой прибор может прийти от тех, кто сам пробовал его починить (может и несколько попыток, и несколько мастеров пробовали) - и безрезультатно. И тогда его выставляют на продажу "включается, дальше не проверял" :shock:

Например, вроде показывает, но что-то не совсем в порядке с калибровками и АЧХ (перемежающиеся отказы всех подстроечных резисторов и конденсаторов или всех органов коммутации, вследствие окисления например)

_________________
...наверное.


Вернуться наверх
 
Не в сети
 Заголовок сообщения: Re: Осциллограф на ЭЛТ своими руками.
СообщениеДобавлено: Пт июл 05, 2024 18:55:04 
Собутыльник Кота
Аватар пользователя

Карма: 47
Рейтинг сообщений: 911
Зарегистрирован: Ср дек 04, 2013 14:37:35
Сообщений: 2879
Откуда: Санкт Петербург
Рейтинг сообщения: 0
Коллеги привет,

Сейчас провожу опыты с ГЛИН по схемам Дорофеева
https://files.domcxem.ru/infocenter/%D0 ... 96-11.djvu стр 32

И классикой из С1-118, С1-131, КТ-04 итп.
https://img.radiokot.ru/files/92893/2gg2o6tir4.jpg

Обе схемы показывают отличные результаты по линейности и масштабируемости ЛНН при амплитуде выходного сигнала до 8 Вольт.
В схеме Дорофеева, линейность наклонного участка пилы реально регулируется в небольших пределах, резистором низкоомным ПОС, который он добавил, в исходную схему, взятую из БР осциллографа Н313, с переворотом полярности транзисторов.
https://files.domcxem.ru/infocenter/%D0 ... %9D313.doc
Обе схемы обеспечивают длительность наклонного участка пилы, равным 0,05 мкС ( ок 5нС/Дел при годном УВО) с времязадающим конденсатором 22пФ и добавочной ёмкостью затвора .
0,05мкC - ЛНН
https://img.radiokot.ru/files/92893/3hk1f42tq8.jpg

4мкС - ЛНН
https://img.radiokot.ru/files/92893/3hk1f2ukg1.jpg

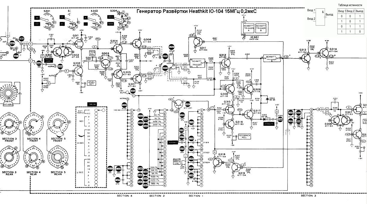
И вот решил я улучшить схему ИП от ГЛИН С1-131, заменив креистор сопротивлением несколько килоом, в истоке ИП, на источник тока на биполярном транзисторе, как сделано в старом осциллографе Heathkit IO-104
https://img.radiokot.ru/files/92893/3hk1dkuz2x.jpg

и в новом осциллографе Rigol DS-1054Z
https://files.domcxem.ru/infocenter/%D0 ... %20End.doc

Добавил я этот источник тока и не получил никакой разницы ни на предельный скоростях развёртки ни на длинных развёртках.
ЛНН не изменяется вообще никак по внешнему виду и положению относительно нулевой линии. Термостабильность тоже отлдичная. Единственная замеченная разница - при регулировании тока истока, истокового повторителя от 0,5 до 5мА, (говорим про схему БР С1-118, С1-131) изменяется время спада ЛНН - время разряда времязадающего конденсатора.

Теперь я в раздумьях - нужен ли активный источник тока в затворе транзистора истокового повторителя БР или достаточно обычного резистора, как сделано в упомянутых советских осциллографах?

Я помню, что в УНЧ, наличие источника тока в эмиттерном повторителе, уменьшает уровень искажений при больших уровнях входного сигнала. А какая польза в источнике тока ИП БР, по "классической" схеме?
Какой эксперимент на имеющемся макете вы предложите поставить, чтобы была очевидна польза от введения источника тока, в исток повторителя БР, по схеме, подобной С1-118, С1-131?

Заранее благодарю.

_________________
С уважением, ВикторС.


Вернуться наверх
 
Не в сети
 Заголовок сообщения: Re: Осциллограф на ЭЛТ своими руками.
СообщениеДобавлено: Пт июл 05, 2024 20:41:18 
Родился

Зарегистрирован: Вс май 20, 2012 13:25:19
Сообщений: 17
Откуда: Моск. обл.
Рейтинг сообщения: 0
У тов. М. Дорофеева есть вариант развертки с задержкой (без ЛЗ) в Радио 8-1998 с.54 и еще статья на эту тему в Радио 7-1998 с.28


Вернуться наверх
 
Не в сети
 Заголовок сообщения: Re: Осциллограф на ЭЛТ своими руками.
СообщениеДобавлено: Сб июл 06, 2024 14:29:50 
Электрический кот
Аватар пользователя

Карма: 17
Рейтинг сообщений: 783
Зарегистрирован: Сб сен 07, 2019 20:13:34
Сообщений: 1052
Рейтинг сообщения: 3
ВикторС писал(а):
нужен ли активный источник тока в затворе транзистора истокового повторителя БР или достаточно обычного резистора


все схемы не смотрел, посмотрел С1-131.
Там резисторы в нагрузке ИП питаются не от общего, а от -12В. То есть, это такой несовершенный источник тока из резисторов. Кроме того, за ИП следует ЭП. так что ПТ работатет в легких условиях.

Источник тока в теории желателен, потому что ПТ несовершенен и коэфф. передачи ИП приближается к 1 именно в таком варианте: ИП с источником тока, следом ЭП. Проще всего КПС104 или два подобранных из импортных ПТ тоже ничего.
Городить ист. тока на БТ можно если ПТ дефицит или дороги.

На практике, раз для вас работает - разница не заметна - зачем усложнять?

_________________
...наверное.


Последний раз редактировалось add.ocean Сб июл 06, 2024 16:19:30, всего редактировалось 1 раз.

Вернуться наверх
 
Не в сети
 Заголовок сообщения: Re: Осциллограф на ЭЛТ своими руками.
СообщениеДобавлено: Сб июл 06, 2024 14:47:05 
Собутыльник Кота
Аватар пользователя

Карма: 47
Рейтинг сообщений: 911
Зарегистрирован: Ср дек 04, 2013 14:37:35
Сообщений: 2879
Откуда: Санкт Петербург
Рейтинг сообщения: 0
add.ocean,

Спасибо за внимание к моему вопросу. Всё верно, ПТ в истоковом повторителе БР, соединён, истоком, с резистором 10КОм, сидящем на -12В. С Истока, сигнал поступает на базу ЭП, с эмиттерным резистором - подстроечником 4,7КОм, тоже на -12В. С эмиттера ЭП, сигнал предполагается подавать на вход УГО, а с движка подстроечника - на схему Hold.
ИМХО, источник тока, особенно на ПТ, в истоке ИП, и ЭП за ним следом, особенно актуален на входе УВО, где критически важен коэффициент передачи, максимально близкий к единице. В БР и фронты пологие и частоты ниже. Потерю в передаче сигнала через ИП можно, без проблем, вытянуть в УГО.

_________________
С уважением, ВикторС.


Вернуться наверх
 
Не в сети
 Заголовок сообщения: Re: Осциллограф на ЭЛТ своими руками.
СообщениеДобавлено: Ср июл 10, 2024 18:01:16 
Электрический кот
Аватар пользователя

Карма: 17
Рейтинг сообщений: 783
Зарегистрирован: Сб сен 07, 2019 20:13:34
Сообщений: 1052
Рейтинг сообщения: 3
трищи осциллостроители.
некоторое время назад ковырял GOS-6051/
там нет полноценной второй развертки, но есть функция "почти то же самое", а именно:
включается растяжка (есть переключение х5 х10 х20), и растяжка видна одновременно с основной разверткой (есть ручка смещения).
все ровно как у взрослых
Изображение

подумалось что внедрить такую функцию в любой скоп просто:
рассмотрим для понимания одноканальный режим.
надо сделать, чтобы ключик растяжки (в ВК X) коммутировался полевиком через деление на 2, в такт с переключением каналов. Этот же сигнал нужно подавать на отдельную цепь смещения (такую же как смещение лучей по Y)
В случае 2-х канального скопа надо внедрить делитель на 4.

Глпавное что новых узлов и деталей - минимум.
Коммутировать усиление полевиком правда надо за время обратного хода, но как показывает практика - это не так уж и быстро.
В режиме "прерывистый" это, само собой, не работает.
регулировка смещения по X сама по себе работает так, что в центре экрана находится одно и то же как на основном трейсе, так и на растянутом.

----------
вариант 2
И подумал что сделать такую картинку тоже можно попробовать:
Изображение
Для этого надо в некоторый момент ускорить развертку скажем в 10 раз.
Ускорение достигается просто отключением (ключом на полевике) конденсатора, который 90% от общей суммы. Было 200пФ осталось 20пФ. ГЛИН с этого места пошел в 10 раз быстрее.
Вот тут ключ должен работать очень быстро и без артефактов.
Момент переключения регулируется, по сути регулятор задержки состоит из: отдельный ГЛИН №2 (запускается одновременно с основным)+компаратор №2 (как в синхронизации), регулировкой уровня срабатывания компаратора и регулируется длительность задержки (момент переключения на растяжку)

данный вариант 2 отличается тем, что картинка формируется за 1 проход развертки (где-то это может быть критично)

_________________
...наверное.


Последний раз редактировалось add.ocean Ср июл 10, 2024 18:15:15, всего редактировалось 2 раз(а).

Вернуться наверх
 
Не в сети
 Заголовок сообщения: Re: Осциллограф на ЭЛТ своими руками.
СообщениеДобавлено: Ср июл 10, 2024 18:10:10 
Поставщик валерьянки для Кота

Карма: 48
Рейтинг сообщений: 508
Зарегистрирован: Вт фев 23, 2010 08:30:30
Сообщений: 2211
Откуда: Новосибирск
Рейтинг сообщения: 0
Цитата:
трищи осциллостроители.

Это по-какому?
Как это перевести?


Вернуться наверх
 
Не в сети
 Заголовок сообщения: Re: Осциллограф на ЭЛТ своими руками.
СообщениеДобавлено: Ср июл 10, 2024 18:11:30 
Электрический кот
Аватар пользователя

Карма: 17
Рейтинг сообщений: 783
Зарегистрирован: Сб сен 07, 2019 20:13:34
Сообщений: 1052
Рейтинг сообщения: 6
fedyaok,
это как перед строем говорят "товарищи", но быстро и сливается в "трищи" :idea:

_________________
...наверное.


Вернуться наверх
 
Не в сети
 Заголовок сообщения: Re: Осциллограф на ЭЛТ своими руками.
СообщениеДобавлено: Ср июл 10, 2024 19:29:23 
Собутыльник Кота
Аватар пользователя

Карма: 47
Рейтинг сообщений: 911
Зарегистрирован: Ср дек 04, 2013 14:37:35
Сообщений: 2879
Откуда: Санкт Петербург
Рейтинг сообщения: 1
Вот картинка с моего одноканального С1-73, почти без переделок -
Изображение
Сигнал формируется функциональным свип - генератором НЧ, выдающим или переменный тон от 70Гц до 80КГц или пачки имульсов НЧ+ВЧ, частоты которых задаются по отдельности. Чтобы сформировать пачки импульсов, потребовалось пилу развёртки подать на двухтранзисторный ТШ, формирующий меандр, с переключением на половине амплитуды ЛНН, а сигнал с выхода ТШ, на плевой ключ, который изменял управляющее напряжение ГУН.
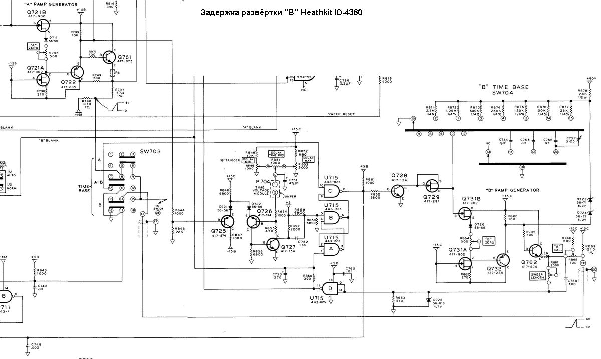
Развивая эту идею в направлении переноса в осциллограф, формирователь импульса переключения скорости развёртки, можно делать по схеме от осциллографа Heathkit IO-4360 - просто и со вкусом. Я тестил подобные транзисторные тиристоры, для использования в формирователях автоколебательного режима развёртки - они ОЧЕНЬ быстрые и реагируют на тончайшие иглы управляющего сигнала.
Изображение
Для быстрой коммутации времязадающей ёмкости ЛНН, можно использовать электронный ключ с НЕ насыщающимся транзистором, часть базового тока которого, отводится в коллекторную цепь, как показано на рисунке :
Изображение

_________________
С уважением, ВикторС.


Вернуться наверх
 
Не в сети
 Заголовок сообщения: Re: Осциллограф на ЭЛТ своими руками.
СообщениеДобавлено: Чт июл 11, 2024 14:00:32 
Опытный кот

Карма: -5
Рейтинг сообщений: 103
Зарегистрирован: Ср янв 02, 2013 21:32:54
Сообщений: 730
Рейтинг сообщения: 3
В моем С1-70 режим "лупа" имеется.

Так же как "все ровно как у взрослых" только по очереди.
Сначала выбирается диапазон и смещение, переключатель щелк, и на экране растянутое.
Ручкой растянутое можно влево - вправо подвигать.
Помниться изучать ПЦТС было удобно.

Схема С1-70 древняя значит ничего заумного, дефицитного и дорогого в ней нет:)


Вернуться наверх
 
Не в сети
 Заголовок сообщения: Re: Осциллограф на ЭЛТ своими руками.
СообщениеДобавлено: Чт июл 11, 2024 14:24:24 
Собутыльник Кота
Аватар пользователя

Карма: 47
Рейтинг сообщений: 911
Зарегистрирован: Ср дек 04, 2013 14:37:35
Сообщений: 2879
Откуда: Санкт Петербург
Рейтинг сообщения: 0
Коллеги привет,

В рамках опытов с ГЛИН по схеме С1-118 и её модернизацией, попробовал прикрутить электронную коммутацию диапазонов мС - мкС, используя перевёрнутый NPN транзистор, как показано на схеме, для аналоговых сигналов, оставив только ключевой транзистор, с времязадающим конденсатором в эмиттерной цепи.


Изображение

Получил простую и надёжную коммутацию с высокой термостабильностью.

Важное наблюдение, для НЕ искажённой коммутации быстрых развёрток подобным, перевёрнутым, ключом, требуется увеличивать ток базы коммутирующего транзистора.
В моём случае, напряжение закрывания ключевого транзистора - -5В, задаётся делителем, а открывание - +12В, напрямую,с шины питания, через коммутатор диапазонов мС-мкС. Базовый резистор коммутирующего транзистора, сопротивлением 5,6Ком, надёжно задаёт ток для ЛНН длительностью 0,5мС и более, а чтобы получить не искажённое ЛНН с длительностью 0,2мС и 0,1мС, потребовалось уменьшить базовый резистор до 560Ом. Теперь полная красота - длительность ЛНН коммутируется на три порядка при сохранении длительности рабочего участка.

_________________
С уважением, ВикторС.


Вернуться наверх
 
Не в сети
 Заголовок сообщения: Re: Осциллограф на ЭЛТ своими руками.
СообщениеДобавлено: Сб июл 13, 2024 13:54:53 
Встал на лапы

Карма: 1
Рейтинг сообщений: 4
Зарегистрирован: Вт ноя 14, 2017 17:06:16
Сообщений: 129
Откуда: г. Ставрополь
Рейтинг сообщения: 0
подскажите нет ли у кого информации по трубке 8ло8и (с1-124).


Вернуться наверх
 
Не в сети
 Заголовок сообщения: Re: Осциллограф на ЭЛТ своими руками.
СообщениеДобавлено: Сб июл 13, 2024 16:58:32 
Электрический кот
Аватар пользователя

Карма: 17
Рейтинг сообщений: 783
Зарегистрирован: Сб сен 07, 2019 20:13:34
Сообщений: 1052
Рейтинг сообщения: 4
aist, есть...
Изображение Изображение Изображение Изображение

_________________
...наверное.


Вернуться наверх
 
Не в сети
 Заголовок сообщения: Re: Осциллограф на ЭЛТ своими руками.
СообщениеДобавлено: Вт июл 16, 2024 22:07:17 
Открыл глаза

Зарегистрирован: Чт дек 30, 2010 04:53:55
Сообщений: 75
Рейтинг сообщения: 0
Доброго времени суток. Очень рад, что наткнулся на эту тему, но т.к очень уж много страниц, если можно, хотелось бы уточнить один момент. Досталась почти новая трубка 11ЛО2И (от С1-65 если не ошибаюсь). Можно ли на ней сделать что нибудь достойное, на более-менее современной элементной базе? Возможно с энкодерным управлением и прочими плюшками. т.е с использованием контроллера. По поводу сложности - не сторонник простых показометров, лучше поднапрячься и собрать что то стоящее)))
Если тут такое уже обсуждалось, собиралось, подскажите, на каких страницах можно посмотреть?

ps на данный момент пользуюсь С1-67, С1-73, но честно уже приелись, хочется посовременней))


Вернуться наверх
 
Не в сети
 Заголовок сообщения: Re: Осциллограф на ЭЛТ своими руками.
СообщениеДобавлено: Вт июл 16, 2024 23:07:37 
Электрический кот
Аватар пользователя

Карма: 17
Рейтинг сообщений: 783
Зарегистрирован: Сб сен 07, 2019 20:13:34
Сообщений: 1052
Рейтинг сообщения: 0
Pilot-by,

ну в этой теме наверное любой может посоветовать схемы Valentin Gvozdev, 100МГц.
11ЛО2И в принципе ок по чувствительности, так что, почему бы и нет. Схему ВВ части и включения ЭЛТ можно взять из тех же С1-64, С1-65.
Самоделок на микроконтроллере, с OSD, я не встречал.

_________________
...наверное.


Вернуться наверх
 
Не в сети
 Заголовок сообщения: Re: Осциллограф на ЭЛТ своими руками.
СообщениеДобавлено: Пн июл 22, 2024 19:49:43 
Опытный кот
Аватар пользователя

Карма: 31
Рейтинг сообщений: 1278
Зарегистрирован: Сб фев 24, 2018 10:11:28
Сообщений: 888
Откуда: Москва
Рейтинг сообщения: 0
Цитата:
Для этого надо в некоторый момент ускорить развертку скажем в 10 раз.
Ускорение достигается просто отключением (ключом на полевике) конденсатора, который 90% от общей суммы. Было 200пФ осталось 20пФ. ГЛИН с этого места пошел в 10 раз быстрее.


Если честно, то не вижу смысла в таком режиме. Для периодических сигналов, если мы хотим рассмотреть что-то поподробнее, всегда можно переключиться на более короткую развертку или активирироватьрастяжку. Электронна лупа тем и ценна, что позовляет рассмотреть ЛЮБУЮ по выбору часть сигнала, имеющего сложное строение.

Да и реализация вызывает много вопросов - обычно микросекундный кондесатор и так минимален (если речь идет о быстрых БР, то десятки пФ). И десятикратного запаса по увеличению скорости там просто нет - с таким конденсатором в 10 раз меньше ГЛИН просто не будет корректно работать. Учитывая неизбежные артефакты при переключении, реализация такого возможна относительно безболезненно лишь на миллисекундном пределе. И опять - зачем?

_________________
"Простые" конструкции - обычно лишь источник разочарований. (c) RU3AEP


Вернуться наверх
 
Показать сообщения за:  Сортировать по:  Вернуться наверх
Начать новую тему Ответить на тему  [ Сообщений: 6809 ]     ... , , , 329, , , ...  

Часовой пояс: UTC + 3 часа


Кто сейчас на форуме

Сейчас этот форум просматривают: нет зарегистрированных пользователей и гости: 19


Вы не можете начинать темы
Вы не можете отвечать на сообщения
Вы не можете редактировать свои сообщения
Вы не можете удалять свои сообщения
Вы не можете добавлять вложения

Найти:
Перейти:  


Powered by phpBB © 2000, 2002, 2005, 2007 phpBB Group
Русская поддержка phpBB
Extended by Karma MOD © 2007—2012 m157y
Extended by Topic Tags MOD © 2012 m157y