Например TDA7294

Форум РадиоКот • Просмотр темы - Методика калибровки мультиметров
Форум РадиоКот
Здесь можно немножко помяукать :)

Текущее время: Чт ноя 27, 2025 20:53:53

Часовой пояс: UTC + 3 часа


ПРЯМО СЕЙЧАС:



Начать новую тему Ответить на тему  [ Сообщений: 4027 ]     ... , , , 32, , , ...  
Автор Сообщение
Не в сети
 Заголовок сообщения: Re: Методика калибровки мультиметров
СообщениеДобавлено: Сб фев 07, 2015 23:44:22 
Встал на лапы

Карма: 1
Рейтинг сообщений: 14
Зарегистрирован: Пт авг 03, 2012 01:41:52
Сообщений: 147
Рейтинг сообщения: 0
Леонид Иванович писал(а):
Как ни странно, но "Интеграл" поставляет пластины с TL431 многим производителям в мире, они только режут и корпусируют. Есть ненулевой шанс встретить их под маркой любого бренда.
Что в этом странного?


Вернуться наверх
 
Не в сети
 Заголовок сообщения: Re: Методика калибровки мультиметров
СообщениеДобавлено: Вс фев 08, 2015 08:53:41 
Друг Кота
Аватар пользователя

Карма: 82
Рейтинг сообщений: 1030
Зарегистрирован: Сб апр 02, 2011 12:40:46
Сообщений: 4779
Откуда: Минск
Рейтинг сообщения: 0
Странного - ничего. Просто факт.


Вернуться наверх
 
Не в сети
 Заголовок сообщения: Re: Методика калибровки мультиметров
СообщениеДобавлено: Вс фев 08, 2015 15:20:29 
Потрогал лапой паяльник

Карма: 2
Рейтинг сообщений: 106
Зарегистрирован: Ср янв 28, 2015 10:09:22
Сообщений: 312
Откуда: Оренбург
Рейтинг сообщения: 0
TEKTRON писал(а):
Имеется в виду делитель 2.5/1.25?
Вспоминая свои трудозатраты по подгонке ТК делителей в ИОНах, я вам по-хорошему завидую! Иногда казалось, что скорее получу плохой термометр, чем хороший делитель :).
Интересно, температурным перепадам на 20С подвергался только образец, вольтметр имел постоянную температуру?

Всё целиком, измерял только выходное с делителя. Грелась и охлаждалась, естественно, только плата в коробке. Резисторы делителя наиотвратительнейшие, но из одной ленты. ТКС у них в районе 700. От термошока подобранные плечи делителя уехали на 30мВ. Будет обидно, если на наконец приехавших С5-61 (5 группы ТКС) делитель окажется хуже, чем на 6 китайских резисторах.
Цитата:
И не очень понятно, почему бы в качестве опоры для ОУ не использовать суммирующую точку (2.5 В)?

Да, пожалуй, изящнее использовать общую точку опоры. Но точности, при неточных резисторах и отсутствия теплоотвода при пайке(а еще и с привычкой рисовать "дорожки" припоем) это не прибавит. Здесь я пытался сделать акцент на количество.
Цитата:
Ну и до кучи :), не считаете ли вы выходное сопротивление 110 кОм великоватым для сопротивления нагрузки 10 МОм? Быть может, свободный ОУ задействовать как повторитель и кардинально уменьшить сопротивления плеч делителя?

Не уверен что один плохой ОУ здесь поможет, мне кажется правильнее будет тут вернуть еще 14 резисторов из первоначального проекта. Ведь в общем-то всё и задумано как поставить всего много, с минимальными затратами на подбор.


Вернуться наверх
 
Не в сети
 Заголовок сообщения: Re: Методика калибровки мультиметров
СообщениеДобавлено: Вт фев 10, 2015 14:28:04 
Друг Кота
Аватар пользователя

Карма: 82
Рейтинг сообщений: 1030
Зарегистрирован: Сб апр 02, 2011 12:40:46
Сообщений: 4779
Откуда: Минск
Рейтинг сообщения: 2
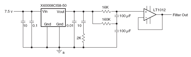
Какие все-таки смешные эти прецизионные схемы! Вот фильтр образцового напряжения из AN177 от Intersil:

Изображение


Вложения:
ref_flt.gif [5.41 KiB]
Скачиваний: 3230
Вернуться наверх
 
Эиком - электронные компоненты и радиодетали
Не в сети
 Заголовок сообщения: Re: Методика калибровки мультиметров
СообщениеДобавлено: Вт фев 10, 2015 15:59:25 
Это не хвост, это антенна
Аватар пользователя

Карма: 12
Рейтинг сообщений: 102
Зарегистрирован: Вс дек 02, 2012 03:13:48
Сообщений: 1433
Откуда: Калининград
Рейтинг сообщения: 0
Леонид Иванович писал(а):
Вот фильтр образцового напряжения из AN177 от Intersil


Подозрительная какаято схема. 10 pF последовательнос 2 КОм - зачем? Даже если предположить, что там 10 uF, все равно непонятно зачем. Почему там такие большие конденсаторы по 100 uF на входе ОУ?

Вот вариант, который показал Mickle http://www.ti.com/lit/pdf/sbva010 , он понятный. Видно где там борьба с высокочастотными шумами, а где с нестабильностью нагрузки.


Вернуться наверх
 
Не в сети
 Заголовок сообщения: Re: Методика калибровки мультиметров
СообщениеДобавлено: Вт фев 10, 2015 16:26:13 
Друг Кота
Аватар пользователя

Карма: 82
Рейтинг сообщений: 1030
Зарегистрирован: Сб апр 02, 2011 12:40:46
Сообщений: 4779
Откуда: Минск
Рейтинг сообщения: 0
balmer писал(а):
10 pF последовательнос 2 КОм - зачем? Даже если предположить, что там 10 uF, все равно непонятно зачем.


Это 10 мкФ. А резистор нужен для того, чтобы сохранялась устойчивость.

balmer писал(а):
Почему там такие большие конденсаторы по 100 uF на входе ОУ?


Для фильтрации шума опорного источника.

balmer писал(а):
Вот вариант, который показал Mickle, он понятный.


Зато не фильтрует низкочастотные шумы, которые у опорного источника самые сильные.


Вернуться наверх
 
Не в сети
 Заголовок сообщения: Re: Методика калибровки мультиметров
СообщениеДобавлено: Вт фев 10, 2015 16:53:53 
Друг Кота
Аватар пользователя

Карма: 97
Рейтинг сообщений: 1584
Зарегистрирован: Чт янв 26, 2012 14:44:34
Сообщений: 3736
Рейтинг сообщения: 0
Медали: 1
Мявтор 3-й степени (1)
Леонид Иванович писал(а):
Какие все-таки смешные эти прецизионные схемы! Вот фильтр образцового напряжения...
Забавнее всего цепочка 16K-160K-100uF-100uF. :) Хорошее решение.

_________________
Like the eyes of a cat in the black and blue...


Вернуться наверх
 
Не в сети
 Заголовок сообщения: Re: Методика калибровки мультиметров
СообщениеДобавлено: Вт фев 10, 2015 17:38:07 
Это не хвост, это антенна
Аватар пользователя

Карма: 12
Рейтинг сообщений: 102
Зарегистрирован: Вс дек 02, 2012 03:13:48
Сообщений: 1433
Откуда: Калининград
Рейтинг сообщения: 0
Леонид Иванович писал(а):
Это 10 мкФ. А резистор нужен для того, чтобы сохранялась устойчивость.

Почему у этого резистора такой большой номинал (2 КОм) ?

El-Eng писал(а):
16K-160K-100uF-100uF

Расскажите, а зачем там 160K-100uF детальки?


Вернуться наверх
 
Не в сети
 Заголовок сообщения: Re: Методика калибровки мультиметров
СообщениеДобавлено: Вт фев 10, 2015 17:59:23 
Поставщик валерьянки для Кота

Карма: 77
Рейтинг сообщений: 3419
Зарегистрирован: Чт сен 09, 2010 07:32:24
Сообщений: 2305
Откуда: г. Рыбинск
Рейтинг сообщения: 0
Можно рассматривать разные варианты фильтрации выходного напряжения ИОН, но стоит учитывать и то, что большинство мультиметров уже имеют интегратор в составе АЦП. Кроме того, от шума вида 1/f всё одно избавиться невозможно, а уменьшение частоты среза фильтра закономерно ведёт в увеличению номиналов R/C с одновременным возрастанием роли факторов второго порядка (утечки, наводки, нестабильности и пр.).

Возьмём для примера вышеприведенную схему из AN177. Сделаем допущение, что выбранные нами кондесаторы 100 мкФ имеют ток утечки 1 мкА при разности потенциалов на обкладках 5 В, и что ток прямо пропорционален последней. Тогда потенциал средней точки конденсаторов будет отличаться от выходного напряжения ИОН на 0,16 В, а падение напряжения на резисторе 16 кОм составит 0,5 мВ. Мало того, что 0,5 мВ сами по себе сводят на нет начальную точность указанного на схеме ИОН (0,01%), так в действительности эту величину предсказать будет затруднительно, т.к. ток утечки не есть величина постоянная и варьируется от разных факторов на порядки.

Другой пример заимствован из моего многострадального проекта 8,5-разрядного вольтметра. На вход опорного источника, который изначально подразумевался внешним по отношению к вольтметру, я водрузил НЧ фильтр Sallen-Key с частотой среза 2,8 Гц. Давайте прикинем, какой должен быть конденсатор фильтра C2 с точки зрения сопротивления утечек, чтобы падение напряжения на резисторах R1-R2 давало систематическую погрешность не более 1 ppm при номинальном напряжении ИОН 10 В? Ответ: 200 ГОм. Из перемерянной кучи плёночных конденсаторов лишь полипропиленовые имели 3..5-кратный запас по этому параметру, тогда, как лавсановые К73 только-только к нему подходили.

http://sim.okawa-denshi.jp/en/OPseikiLowkeisan.htm
Изображение


Вернуться наверх
 
Не в сети
 Заголовок сообщения: Re: Методика калибровки мультиметров
СообщениеДобавлено: Вт фев 10, 2015 18:09:21 
Друг Кота
Аватар пользователя

Карма: 82
Рейтинг сообщений: 1030
Зарегистрирован: Сб апр 02, 2011 12:40:46
Сообщений: 4779
Откуда: Минск
Рейтинг сообщения: 0
Mickle писал(а):
падение напряжения на резисторе 16 кОм составит 0,5 мВ


С плохими конденсаторами ничего хорошего не получится. Но можно взять получше. Это решение может помочь там, где конденсаторы немного не дотягивают по утечкам.


Вернуться наверх
 
Не в сети
 Заголовок сообщения: Re: Методика калибровки мультиметров
СообщениеДобавлено: Вт фев 10, 2015 20:26:35 
Друг Кота
Аватар пользователя

Карма: 97
Рейтинг сообщений: 1584
Зарегистрирован: Чт янв 26, 2012 14:44:34
Сообщений: 3736
Рейтинг сообщения: 0
Медали: 1
Мявтор 3-й степени (1)
balmer писал(а):
Расскажите, а зачем там 160K-100uF детальки?
Mickle уже практически все рассказал. Идея в том, чтобы при помощи резистора в 160К поднять напряжение средней точки последовательно соединенных конденсаторов как можно ближе к выходному напряжению источника, уменьшив таким образом напряжение на верхнем конденсаторе и соответственно его ток утечки. Этот ток протекает через резистор в 16К, падение напряжения на котором вносит ошибку в значение выходного напряжения источника.

_________________
Like the eyes of a cat in the black and blue...


Вернуться наверх
 
Не в сети
 Заголовок сообщения: Re: Методика калибровки мультиметров
СообщениеДобавлено: Вт фев 10, 2015 22:01:26 
Это не хвост, это антенна
Аватар пользователя

Карма: 12
Рейтинг сообщений: 102
Зарегистрирован: Вс дек 02, 2012 03:13:48
Сообщений: 1433
Откуда: Калининград
Рейтинг сообщения: 0
Ок, уменьшили мы ток утечки на верхнем конденсаторе и?? На нижнем конденсаторе он меньше не стал. Будет точно так-же утекать через 160 КОм и нижний конденсатор. Т.е. если выбросить 1 конденсатор и резистор 160 КОм - будет практически тот-же ток утечки на землю. Тут предполагаю, что ток утечки меньше 1 мкА и на резисторе 160 КОм - будет не больше 10-20% падения напряжения.


Вернуться наверх
 
Не в сети
 Заголовок сообщения: Re: Методика калибровки мультиметров
СообщениеДобавлено: Вт фев 10, 2015 22:11:32 
Поставщик валерьянки для Кота

Карма: 77
Рейтинг сообщений: 3419
Зарегистрирован: Чт сен 09, 2010 07:32:24
Сообщений: 2305
Откуда: г. Рыбинск
Рейтинг сообщения: 0
Ток через резистор 160 кОм нагружает только чип ИОН, выходное сопротивление которого мало. Так что нижний конденсатор свою работу делает :)


Вернуться наверх
 
Не в сети
 Заголовок сообщения: Re: Методика калибровки мультиметров
СообщениеДобавлено: Вт фев 10, 2015 22:46:13 
Вымогатель припоя
Аватар пользователя

Карма: 12
Рейтинг сообщений: 639
Зарегистрирован: Ср янв 12, 2011 07:42:16
Сообщений: 553
Рейтинг сообщения: 0
Mickle писал(а):
... 200 ГОм. Из перемерянной кучи плёночных конденсаторов лишь полипропиленовые имели 3..5-кратный запас по этому параметру...

Эх, чем бы померить 200...600...1000 ГОм! Ни один из моих вольтметров такого не умеет - максимум возможного - 3 ГОм у 3457-го... Mickle, уважаемый, подЕлитесь технологией?

_________________
VAC for us
HP3456A, HP3457A(+FRAM+STK12C68), HP3458A(+FRAM)
FLUKE 343A(+MAX44246+3xLM399)


Вернуться наверх
 
Не в сети
 Заголовок сообщения: Re: Методика калибровки мультиметров
СообщениеДобавлено: Вт фев 10, 2015 23:03:00 
Поставщик валерьянки для Кота

Карма: 77
Рейтинг сообщений: 3419
Зарегистрирован: Чт сен 09, 2010 07:32:24
Сообщений: 2305
Откуда: г. Рыбинск
Рейтинг сообщения: 0
Пожалуйста. Испытуемый объект включается в разрыв цепи между источником стабильного напряжения (калибратор Datron 4000A) и вольтметром HP 34401A. Входное сопротивление вольтметра устанавливается на 10 МОм. Таким образом, получается амперметр с чувствительностью 1 пА на пределе 10 В. Дальше, думаю, и так понятно. Учесть смещение нуля из-за собственного входного тока вольтметра (на моём HP он около 1 пА), установить PLC100 и в бой :)


Вернуться наверх
 
Не в сети
 Заголовок сообщения: Re: Методика калибровки мультиметров
СообщениеДобавлено: Ср фев 11, 2015 07:11:58 
Вымогатель припоя
Аватар пользователя

Карма: 12
Рейтинг сообщений: 639
Зарегистрирован: Ср янв 12, 2011 07:42:16
Сообщений: 553
Рейтинг сообщения: 0
Mickle, спасибо!
Я схожим образом оценивал утечки кабелей с разным типом изоляции, но из-за того, что использовал режим >10 ГОм, об измерении речь не шла.

_________________
VAC for us
HP3456A, HP3457A(+FRAM+STK12C68), HP3458A(+FRAM)
FLUKE 343A(+MAX44246+3xLM399)


Вернуться наверх
 
Не в сети
 Заголовок сообщения: Re: Методика калибровки мультиметров
СообщениеДобавлено: Ср фев 11, 2015 11:08:39 
Это не хвост, это антенна
Аватар пользователя

Карма: 12
Рейтинг сообщений: 102
Зарегистрирован: Вс дек 02, 2012 03:13:48
Сообщений: 1433
Откуда: Калининград
Рейтинг сообщения: 0
Mickle писал(а):
Ток через резистор 160 кОм нагружает только чип ИОН, выходное сопротивление которого мало.

Да. спасибо. Теперь понятно, в каком месте ошибался. Думал, что выходное сопротивление ИОН велико.

Теперь бы еще понять, почему там резистор 2 КОм последовательно с 10 uF в snubber network. Обычно в таких местах ставят резистор в интервале 5-100 Ом.


Вернуться наверх
 
Не в сети
 Заголовок сообщения: Re: Методика калибровки мультиметров
СообщениеДобавлено: Ср фев 11, 2015 11:55:02 
Поставщик валерьянки для Кота

Карма: 77
Рейтинг сообщений: 3419
Зарегистрирован: Чт сен 09, 2010 07:32:24
Сообщений: 2305
Откуда: г. Рыбинск
Рейтинг сообщения: 0
Ответ на этот вопрос есть в datasheet'е на чип ИОН:
Цитата:
Noise in the 1KHz to 100KHz band can be further reduced using a 0.1µF capacitor on the output, but noise in the 1Hz to 100Hz band increases due to instability of the very low power amplifier with a 0.1µF capacitance load. For load capacitances above .001µF the noise reduction network shown in fig. 3 is recommended.


Вернуться наверх
 
Не в сети
 Заголовок сообщения: Re: Методика калибровки мультиметров
СообщениеДобавлено: Сб фев 14, 2015 08:25:43 
Поставщик валерьянки для Кота

Карма: 77
Рейтинг сообщений: 3419
Зарегистрирован: Чт сен 09, 2010 07:32:24
Сообщений: 2305
Откуда: г. Рыбинск
Рейтинг сообщения: 0
Поделюсь результатами измерения среднесрочной стабильности последнего ИОН с термостатом:

Изображение

Как видно из графика, приработка заняла первые 200 часов. Затем скорость дрейфа резко снизилась до такой величины, достоверное измерение которой возможно только при длительной наработке. Продолжать жечь электроэнергию не вижу смысла. Тем более, что я обнаружил второе последствие ошибочной переполюсовки несчастного LM399: дифференциальное сопротивление стало 60 Ом вместо 0,5-1 Ом. Это сводит на нет дальнейшее практическое использование поделки.


Вернуться наверх
 
Не в сети
 Заголовок сообщения: Re: Методика калибровки мультиметров
СообщениеДобавлено: Вс фев 15, 2015 18:45:19 
Вымогатель припоя
Аватар пользователя

Карма: 12
Рейтинг сообщений: 639
Зарегистрирован: Ср янв 12, 2011 07:42:16
Сообщений: 553
Рейтинг сообщения: 0
Mickle писал(а):
...Это сводит на нет дальнейшее практическое использование поделки.
Ясненько :). Спасибо. Свой погибший экземпляр прибью к полке перед глазами, чтобы не забывать ставить защиту от переполюсовки даже на макетные дела.

_________________
VAC for us
HP3456A, HP3457A(+FRAM+STK12C68), HP3458A(+FRAM)
FLUKE 343A(+MAX44246+3xLM399)


Вернуться наверх
 
Показать сообщения за:  Сортировать по:  Вернуться наверх
Начать новую тему Ответить на тему  [ Сообщений: 4027 ]     ... , , , 32, , , ...  

Часовой пояс: UTC + 3 часа


Кто сейчас на форуме

Сейчас этот форум просматривают: нет зарегистрированных пользователей и гости: 21


Вы не можете начинать темы
Вы не можете отвечать на сообщения
Вы не можете редактировать свои сообщения
Вы не можете удалять свои сообщения
Вы не можете добавлять вложения

Найти:
Перейти:  


Powered by phpBB © 2000, 2002, 2005, 2007 phpBB Group
Русская поддержка phpBB
Extended by Karma MOD © 2007—2012 m157y
Extended by Topic Tags MOD © 2012 m157y