Например TDA7294

Форум РадиоКот • Просмотр темы - Мультиметр DT830, DT832, DT838
Форум РадиоКот
Здесь можно немножко помяукать :)

Текущее время: Пн ноя 17, 2025 09:22:06

Часовой пояс: UTC + 3 часа


ПРЯМО СЕЙЧАС:



Начать новую тему Ответить на тему  [ Сообщений: 737 ]    , , 3, , , ...  
Автор Сообщение
Не в сети
 Заголовок сообщения: Re: ремонт dt 830b
СообщениеДобавлено: Чт май 19, 2011 13:04:56 
Встал на лапы
Аватар пользователя

Зарегистрирован: Чт мар 17, 2011 15:18:37
Сообщений: 87
Откуда: Крым
Рейтинг сообщения: 0
Вот Вам книга в помощь, там все ответы на почти :)) все вопросы Современные цифровые мультиметры http://sunduk.radiokot.ru/loadfile/?load_id=1288168028.
Питать мультиметр от БП рискованно, на форумах об этом 100 раз писано. Не сожгли АЦП считайте КРУПНО повезло!
Про емкости стр. 15 и далее. Проследите Ваш С3, где стоит и его задачи.
Схему выше не вижу в упор, на стр 82-83 похожа?


Вернуться наверх
 
Не в сети
 Заголовок сообщения: Re: ремонт dt 830b
СообщениеДобавлено: Чт май 19, 2011 14:39:37 
Открыл глаза
Аватар пользователя

Зарегистрирован: Вт сен 14, 2010 14:40:55
Сообщений: 70
Откуда: Оттуда
Рейтинг сообщения: 0
Кот Pauls писал(а):
Проследите Ваш С3, где стоит и его задачи.
Схему выше не вижу в упор, на стр 82-83 похожа?

Извините, перепутал, схема была выложена в другой теме... :oops:
http://www.radiokot.ru/forum/download/file.php?id=47393
Схема действительно как на стр. 82-83, очень похожа, но у меня немного другая - на моей плате нет транзисторов вообще и нет емкости на делителе возле переключателя омметра.

Читал статью http://cxem.net/izmer/izmer48.php и там сказано что этот С3 в паре с R17 образуют ФНЧ для АЦП.
Но про влияние типа этой емкости, а точнее типа диэлектрика непонятно...

А вот про табу на питание тестера от БП не знал... Как-то не задавался этим вопросом и не встречал этого в инете.
Просто домашним тестером приходится пользоватся очень редко и чтоб не покупать батарейку просто хотел запитывать его от БП когда необходимо.


Вернуться наверх
 
Не в сети
 Заголовок сообщения: Re: ремонт dt 830b
СообщениеДобавлено: Чт май 19, 2011 16:50:45 
Встал на лапы
Аватар пользователя

Зарегистрирован: Чт мар 17, 2011 15:18:37
Сообщений: 87
Откуда: Крым
Рейтинг сообщения: 0
Думаю в ФНЧ С3 пойдет керамика, как Вы поставили.
Хороший (проверенный!) вариант замены кроны - аккумуляторная батарея GP ReCyko+8,4В 155мАч держит заряд долго. Стоит правда как мультиметр :))
Вложение:
Acc standart 7478-600x600.jpg [158.25 KiB]
Скачиваний: 2058


Вернуться наверх
 
Не в сети
 Заголовок сообщения: Re: ремонт dt 830b
СообщениеДобавлено: Чт май 19, 2011 17:13:26 
Открыл глаза
Аватар пользователя

Зарегистрирован: Вт сен 14, 2010 14:40:55
Сообщений: 70
Откуда: Оттуда
Рейтинг сообщения: 0
Кот Pauls писал(а):
Думаю в ФНЧ С3 пойдет керамика, как Вы поставили.
Хороший (проверенный!) вариант замены кроны - аккумуляторная батарея GP ReCyko+8,4В 155мАч держит заряд долго. Стоит правда как мультиметр :))
Вложение:
Acc standart 7478-600x600.jpg

Нуууу... Если мне туда Крону лень ставить, не думаю что этот акк. захочу... :)))
Но в любом случае спасибо за советы!

Кстати, еще возник вопрос...
При проверке измерения напряжения заметил что при его повышении тестер все больше и больше врет.
Например я задал на внешнем источнике 10,0В и подстроечником вывел тестер на это число, потом стал повышать это напр. и погрешность все возрастала, и при 62В (максимум источника) тестер показал всего 55В.
При промежуточных значениях тестер тоже всегда показывал значение ниже нужного.
С чем может быть связан такой рост погрешности???


Вернуться наверх
 
Эиком - электронные компоненты и радиодетали
Не в сети
 Заголовок сообщения: Re: ремонт dt 830b
СообщениеДобавлено: Чт май 19, 2011 20:42:20 
Встал на лапы
Аватар пользователя

Зарегистрирован: Чт мар 17, 2011 15:18:37
Сообщений: 87
Откуда: Крым
Рейтинг сообщения: 0
Если Ваш С3 интегрирующий, то может влиять на точность т.к. на нем опорное напряжение. Вы с номиналом не ошиблись? Крона в норме?
Советую, вообще то, купить новый, ХОРОШИЙ! Я бы этому не доверял после пыток питанием. АЦП, по моему, мрет уже от 13-15В, там же встроен стабилизатор, который дает двуполярное +-4,5В, могло его перекосить.
Книжку до 25 стр. рекомендую все таки прочитать :))
Удачи :beer:


Вернуться наверх
 
Не в сети
 Заголовок сообщения: Re: ремонт dt 830b
СообщениеДобавлено: Пт май 20, 2011 09:49:27 
Открыл глаза
Аватар пользователя

Зарегистрирован: Вт сен 14, 2010 14:40:55
Сообщений: 70
Откуда: Оттуда
Рейтинг сообщения: 0
Кот Pauls писал(а):
Если Ваш С3 интегрирующий, то может влиять на точность т.к. на нем опорное напряжение. Вы с номиналом не ошиблись? Крона в норме?
Советую, вообще то, купить новый, ХОРОШИЙ! Я бы этому не доверял после пыток питанием. АЦП, по моему, мрет уже от 13-15В, там же встроен стабилизатор, который дает двуполярное +-4,5В, могло его перекосить.
Книжку до 25 стр. рекомендую все таки прочитать :))
Удачи :beer:

Ну судя по статье http://cxem.net/izmer/izmer48.php С3 все же является ФНЧ на входе АЦП.
Какой там стоял родной я не знаю, но по схеме должно быть 100нФ - такой я и поставил.
Думаю попробовать заменить керамику на пленочный ради проверки, но под рукой есть только высоковольтные... Но думаю от этого они не хуже. Тем более это только для теста...
Возможно конечно действительно что АЦП "просел" после моих "пыток"... Тогда останется как пробник диодов - для этого точность не нужна :)))

А книжку обязательно просмотрю - в любом случае даже узнать что-то новое и полезное не помешает :)
Спасибо за ссылку!


Вернуться наверх
 
Не в сети
 Заголовок сообщения: Re: ремонт dt 830b
СообщениеДобавлено: Пт май 20, 2011 11:40:30 
Открыл глаза
Аватар пользователя

Зарегистрирован: Вт сен 14, 2010 14:40:55
Сообщений: 70
Откуда: Оттуда
Рейтинг сообщения: 0
Проверил таки тестер с пленочным кондером вместо керамического - разницы никакой абсолютно.
Напряжение и ток так и меряет с погрешностью, как ни крути переменник.

А вот зато омметр радует - довольно хорошая точность измерений на любых диапазонах (сравнивал точность с SMD-тестером Smart Teezer). Разве что на резисторах в единицы Ом привирает, немного завышает показания, но это уже не так критично.
Так что как омметр его все же вполне можно использовать и даже верить ему :)
Кстати, что интересно, заметил что подстроечник абсолютно не влияет на показания омметра! Я его крутил как угодно - результаты измерений не менялись. То есть выходит что он регулирует только измерения тока и напряжения, хотя по схеме... Непонятно :)

Жаль конечно что вольтметр не получится полноценно использовать... Ну да ладно, это уже мелочи :)


Вернуться наверх
 
Не в сети
 Заголовок сообщения: Re: ремонт dt 830b
СообщениеДобавлено: Пт май 20, 2011 15:05:26 
Нашел транзистор. Понюхал.
Аватар пользователя

Карма: 1
Рейтинг сообщений: 4
Зарегистрирован: Вт ноя 11, 2008 13:19:52
Сообщений: 157
Откуда: Крым
Рейтинг сообщения: 0
Bismark писал(а):
Кстати, еще возник вопрос...
При проверке измерения напряжения заметил что при его повышении тестер все больше и больше врет.
Например я задал на внешнем источнике 10,0В и подстроечником вывел тестер на это число, потом стал повышать это напр. и погрешность все возрастала, и при 62В (максимум источника) тестер показал всего 55В.
При промежуточных значениях тестер тоже всегда показывал значение ниже нужного.
С чем может быть связан такой рост погрешности???


Калибровать мультиметр нужно на младшем диапазоне измерения постоянного напряжения. Для этого надо подать входное напряжение с необходимой точностью и, вращая движок резистора VR1, добиться правильных показаний на индикаторе прибора.


Вернуться наверх
 
Не в сети
 Заголовок сообщения: Re: ремонт dt 830b
СообщениеДобавлено: Пт май 20, 2011 15:16:34 
Открыл глаза
Аватар пользователя

Зарегистрирован: Вт сен 14, 2010 14:40:55
Сообщений: 70
Откуда: Оттуда
Рейтинг сообщения: 0
Serp писал(а):
Калибровать мультиметр нужно на младшем диапазоне измерения постоянного напряжения. Для этого надо подать входное напряжение с необходимой точностью и, вращая движок резистора VR1, добиться правильных показаний на индикаторе прибора.

Ну у этого тестера самый младший диапазон - 200 мВ, не получится у меня такое напряжение точно подать :)
Я настраивал на диапазоне "до 20 В".
Но я заметил, что на высоком (относительно) напряжении, например те же 50В тестер уже ни в какую не хочет показывать правильное число - подстроечник до упора, а показания ниже правильных... Если подстроечник крутить в другую сторону, то показания только уменьшаются...


Вернуться наверх
 
Не в сети
 Заголовок сообщения: Re: ремонт dt 830b
СообщениеДобавлено: Пт май 20, 2011 16:39:08 
Нашел транзистор. Понюхал.
Аватар пользователя

Карма: 1
Рейтинг сообщений: 4
Зарегистрирован: Вт ноя 11, 2008 13:19:52
Сообщений: 157
Откуда: Крым
Рейтинг сообщения: 0
Bismark писал(а):
Но я заметил, что на высоком (относительно) напряжении, например те же 50В тестер уже ни в какую не хочет показывать правильное число - подстроечник до упора, а показания ниже правильных... Если подстроечник крутить в другую сторону, то показания только уменьшаются...


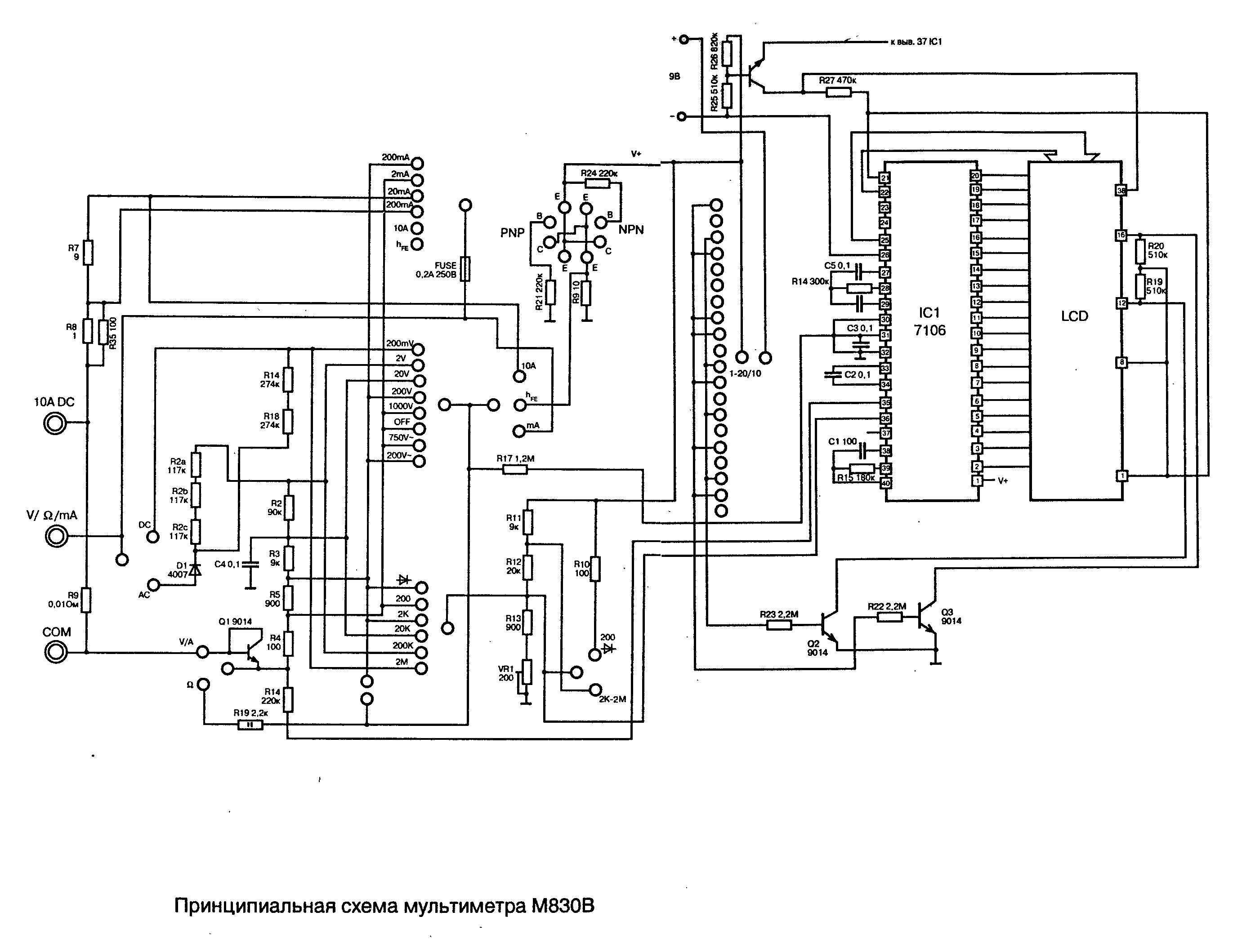
Можно попробовать проверить конденсаторы на утечку (заменой), идущие на выводы 27 и 29 микросхемы 7106.


Вернуться наверх
 
Не в сети
 Заголовок сообщения: Re: ремонт dt 830b
СообщениеДобавлено: Пт май 20, 2011 17:10:38 
Открыл глаза
Аватар пользователя

Зарегистрирован: Вт сен 14, 2010 14:40:55
Сообщений: 70
Откуда: Оттуда
Рейтинг сообщения: 0
Serp писал(а):
Можно попробовать проверить конденсаторы на утечку (заменой), идущие на выводы 27 и 29 микросхемы 7106.

Спасибо за совет, попробую.


Вернуться наверх
 
Не в сети
 Заголовок сообщения: Re: ремонт dt 830b
СообщениеДобавлено: Пт май 20, 2011 20:11:04 
Встал на лапы
Аватар пользователя

Зарегистрирован: Чт мар 17, 2011 15:18:37
Сообщений: 87
Откуда: Крым
Рейтинг сообщения: 0
Если омметр работает нормально 0 на закороченных щупах есть и не плывет, АЦП точно жив и здоров. Проверь внимательно еще и делитель на напряжение и ток. Для калибровки на 200 мВ можно попробовать сделать делитель на 1% резисторах.


Вернуться наверх
 
Не в сети
 Заголовок сообщения: Re: ремонт dt 830b
СообщениеДобавлено: Пт май 20, 2011 20:44:17 
Открыл глаза
Аватар пользователя

Зарегистрирован: Вт сен 14, 2010 14:40:55
Сообщений: 70
Откуда: Оттуда
Рейтинг сообщения: 0
Кот Pauls писал(а):
Если омметр работает нормально 0 на закороченных щупах есть и не плывет, АЦП точно жив и здоров. Проверь внимательно еще и делитель на напряжение и ток. Для калибровки на 200 мВ можно попробовать сделать делитель на 1% резисторах.

Таких резисторов под рукой нет...
Да и не думаю что такая проверка и калибровка что-то даст - я ж говорю, что при любом положении подстроечника показания тестера заниженные - вместо 62В показывает только 55В или ниже...
А больше никаких элементов регулировки нет...


Вернуться наверх
 
Не в сети
 Заголовок сообщения: Re: ремонт dt 830b
СообщениеДобавлено: Пт май 20, 2011 21:43:45 
Встал на лапы
Аватар пользователя

Зарегистрирован: Чт мар 17, 2011 15:18:37
Сообщений: 87
Откуда: Крым
Рейтинг сообщения: 0
Если на измерении тока и напряжения есть 0 и прибор занижает при измерении напряжений, есть смысл поискать "добавочное сопротивление" в контактах переключателя. Часто от длительного хранения окисляются и от неправильного включения подгорают. Был у меня такой Китаец, красная резинка его вылечила. Только аККККуратно!! с разборкой контакты хлипенькие и бывает выпадают. Поищите поиском писали на форумах, контактолом лечили, чуть ли не вазелином смазывали. Там эта болезнь со всех сторон описана. В дешевых приборах на контактах бывает экономят и они соответственно стираются и окисляются быстро, и проблемы похожи на Вашу.


Вернуться наверх
 
Не в сети
 Заголовок сообщения: Re: ремонт dt 830b
СообщениеДобавлено: Вт май 24, 2011 10:40:35 
Открыл глаза
Аватар пользователя

Зарегистрирован: Вт сен 14, 2010 14:40:55
Сообщений: 70
Откуда: Оттуда
Рейтинг сообщения: 0
Кот Pauls, контакты на самом переключателе я уже чистил... алмазным надфилем :)
Слегка зачистил до блеска чистого металла и сверху еще спиртом промыл. На плате контактные дорожки тоже чистил спиртом.
Возможно есть смысл заменить резистор R13 (по схеме возле подстроечника) на другое сопротивление? Или лучше этого не делать?


Вернуться наверх
 
Не в сети
 Заголовок сообщения: СЛОМАЛСЯ МУЛЬТИМЕТР DT838
СообщениеДобавлено: Пн июл 18, 2011 13:09:51 
Встал на лапы
Аватар пользователя

Зарегистрирован: Пт янв 14, 2011 10:54:40
Сообщений: 149
Откуда: Черкассы.Украина
Рейтинг сообщения: 0
СЛОМАЛСЯ МУЛЬТИМЕТР DT838 СГОРЕЛ РЕЗИСТОР И НЕ ВИДНО НОМИНАЛА В СХЕМЕ СТОИТ КАК R21. ПОМОГИТЕ УЗНАТЬ ПОНИМАЛ А ТО МНЕ С ТУПОГО МОБИЛЬНОГО ТЯЖЕЛО ЧТО ТО НАЙТИ.


Вернуться наверх
 
Не в сети
 Заголовок сообщения: Re: СЛОМАЛСЯ МУЛЬТИМЕТР DT838
СообщениеДобавлено: Вт июл 19, 2011 21:34:53 
Встал на лапы
Аватар пользователя

Зарегистрирован: Пт апр 16, 2010 17:26:14
Сообщений: 147
Откуда: Черкащина, Шевченків край
Рейтинг сообщения: 0
Просмотрел в Интернете. На двух схемах этот резистор имеет номинал 220 килоом и подключен к базе испытуемого транзистора р-п-р. В статье о ремонте такого же мультиметра R21 указан в иной позиции. Прочитать номинал не удалось.


Вернуться наверх
 
Не в сети
 Заголовок сообщения: Re: СЛОМАЛСЯ МУЛЬТИМЕТР DT838
СообщениеДобавлено: Ср июл 20, 2011 09:57:18 
Встал на лапы
Аватар пользователя

Зарегистрирован: Пт янв 14, 2011 10:54:40
Сообщений: 149
Откуда: Черкассы.Украина
Рейтинг сообщения: 0
VASILIY писал(а):
Просмотрел в Интернете. На двух схемах этот резистор имеет номинал 220 килоом и подключен к базе испытуемого транзистора р-п-р. В статье о ремонте такого же мультиметра R21 указан в иной позиции. Прочитать номинал не удалось.

СПАСИБО ЗА ПОМОЩЬ НО МНЕ НАДО ТОЧНО ЗНАТЬ .


Вернуться наверх
 
Не в сети
 Заголовок сообщения: Re: СЛОМАЛСЯ МУЛЬТИМЕТР DT838
СообщениеДобавлено: Ср июл 20, 2011 12:12:42 
Встал на лапы
Аватар пользователя

Зарегистрирован: Пт апр 16, 2010 17:26:14
Сообщений: 147
Откуда: Черкащина, Шевченків край
Рейтинг сообщения: 0
А Вы опишите, при каких обстоятельствах мультиметр вышел из строя. И к каким деталям на плате подсоединяется сгоревший резистор. Возможно, это поможет в определении его номинала.


Вернуться наверх
 
Не в сети
 Заголовок сообщения: Re: СЛОМАЛСЯ МУЛЬТИМЕТР DT838
СообщениеДобавлено: Ср июл 20, 2011 13:17:46 
Друг Кота
Аватар пользователя

Карма: 3
Рейтинг сообщений: 6
Зарегистрирован: Пт июл 11, 2008 09:42:35
Сообщений: 4793
Откуда: Made in USSR
Рейтинг сообщения: 0
Медали: 1
Получил миской по аватаре (1)
Они однотипные почти все...
http://kipovez.nm.ru/remont/dt838/838_1.htm
http://www.technica.ru/objects/download ... _pdf/8.pdf

_________________
scio me nihil scire...
_____

Изображение <= Жалобная кнопка в правом нижнем углу... )


Вернуться наверх
 
Показать сообщения за:  Сортировать по:  Вернуться наверх
Начать новую тему Ответить на тему  [ Сообщений: 737 ]    , , 3, , , ...  

Часовой пояс: UTC + 3 часа


Кто сейчас на форуме

Сейчас этот форум просматривают: АлександрЛ, Borodach и гости: 25


Вы не можете начинать темы
Вы не можете отвечать на сообщения
Вы не можете редактировать свои сообщения
Вы не можете удалять свои сообщения
Вы не можете добавлять вложения

Найти:
Перейти:  


Powered by phpBB © 2000, 2002, 2005, 2007 phpBB Group
Русская поддержка phpBB
Extended by Karma MOD © 2007—2012 m157y
Extended by Topic Tags MOD © 2012 m157y