Например TDA7294

Форум РадиоКот • Просмотр темы - Ремонт осциллографа Н313
Форум РадиоКот
Здесь можно немножко помяукать :)

Текущее время: Сб янв 03, 2026 04:57:06

Часовой пояс: UTC + 3 часа


ПРЯМО СЕЙЧАС:



Начать новую тему Ответить на тему  [ Сообщений: 380 ]     ... , , , 17, ,  
Автор Сообщение
Не в сети
 Заголовок сообщения: Re: Ремонт осциллографа Н313
СообщениеДобавлено: Пт мар 13, 2020 19:22:09 
Поставщик валерьянки для Кота
Аватар пользователя

Карма: 18
Рейтинг сообщений: 460
Зарегистрирован: Чт ноя 15, 2012 20:47:59
Сообщений: 2218
Откуда: Крымск
Рейтинг сообщения: 0
В описании кажется есть и количество витков и напряжение на обмотках!


Вернуться наверх
 
Не в сети
 Заголовок сообщения: Re: Ремонт осциллографа Н313
СообщениеДобавлено: Ср мар 18, 2020 12:19:38 
Открыл глаза
Аватар пользователя

Зарегистрирован: Сб июн 30, 2012 05:19:28
Сообщений: 49
Откуда: КБР г. Нальчик
Рейтинг сообщения: 0
Меня интересуют напряжения на обмотках заводского транса. Прошу, откликнитесь у кого есть подобный осцилограф на ходу. Вы мне очень поможете. Спасибо.

Ага, все владельцы сразу кинулись разматывать и считать витки. :kill: :))) шучу, конечно.
я перематывал многократно, но у меня был вариант 2, тоесть уже с авторазверткой, и без логики в гориз развертке.
но я его потом всеравно переделал по схеме с1-94. транс, тоже перемотал под него.
дело было почти 30 лет взад, так что все забылось, но таки помню, что первичка была на 1м керне, а вторички на другом
высоковольтная обмотка подключалась к умножителю. накал-6 вольт, но я его домотал до 9 и подавал через простейший стаб тока, предварительно выпрямив. питание для микросхем было 2 полярным, через простейшие параметрические стабы на гт402-404. ох, как давно это было...

Ну, я понимаю, что эти осциллографы далеко не современные, но инфы по ним крайне мало, да ещё и не всегда верная. Так то я перемотаю транс по своему уразумению, но если знать как должно быть, то как то легче было бы.


Вернуться наверх
 
Не в сети
 Заголовок сообщения: Re: Ремонт осциллографа Н313
СообщениеДобавлено: Ср мар 18, 2020 17:48:41 
Друг Кота
Аватар пользователя

Карма: 140
Рейтинг сообщений: 4277
Зарегистрирован: Чт сен 01, 2011 12:53:27
Сообщений: 20131
Откуда: ТьмуТаракания. Почетный житель подмостовья
Рейтинг сообщения: 0
https://yandex.ru/search/?clid=9582&tex ... u&lr=28786
посмотрите здесь, может чего нового найдете.
вот это, например
http://rw6ase.narod.ru/00/prib/n313r4_78.djvu
https://www.chipmaker.ru/files/file/16566/
https://www.qrz.ru/schemes/detail/7718.html техописание

_________________
Шекспир сказал: Судить меня -дано лишь Богу, другим я укажу дорогу... https://natribu.org/
Я его полностью поддерживаю.
Программирую на Fuse AtmelAVR.


Вернуться наверх
 
Не в сети
 Заголовок сообщения: Re: Ремонт осциллографа Н313
СообщениеДобавлено: Сб апр 11, 2020 10:00:40 
Родился
Аватар пользователя

Зарегистрирован: Сб апр 11, 2020 09:15:57
Сообщений: 5
Рейтинг сообщения: 0
Коты, добрый день. Прошу Вашего совета и помощи. Имеется такой же Н313 выпуска 1984 года( без триггерной логики и с трубой 5ЛО2И). Труба была заменена на 5ЛО38И, заменены все старые электролиты, изменены стабилизаторы +12 и -12 вольт на интегральные. Проблем было много( синхронизация, развёртка) победил почти все. Осталась одна маленькая и нерешённая, а именно луч горизонтальной развёртки с одного края не доходит до конца экрана, регулировки не помогают, выходные КТ611 были заменены на КТ940( подобраны по близким h21э ). Фото прилагаю, осциллограммы и замеры тоже прикреплю
[url=http://img.radiokot.ru/files/139848/medium/26e538ih3n.jpg]
[url=http://img.radiokot.ru/files/139848/medium/26e538k7f9.png]


Вложения:
Снимок.JPG [175.31 KiB]
Скачиваний: 517
cRWtgLu6fik.jpg [199.55 KiB]
Скачиваний: 381
av33stPKoFc.jpg [205.99 KiB]
Скачиваний: 355
Вернуться наверх
 
Эиком - электронные компоненты и радиодетали
Не в сети
 Заголовок сообщения: Re: Ремонт осциллографа Н313
СообщениеДобавлено: Сб апр 11, 2020 18:06:44 
Друг Кота
Аватар пользователя

Карма: 140
Рейтинг сообщений: 4277
Зарегистрирован: Чт сен 01, 2011 12:53:27
Сообщений: 20131
Откуда: ТьмуТаракания. Почетный житель подмостовья
Рейтинг сообщения: 1
Condensator80 писал(а):
луч горизонтальной развёртки с одного края не доходит до конца экрана

а ваще луч смещением доходит до края? если не доходит, можно попробовать увеличить усиление вых каскада уменьшив резисторы в катодах и между ними. схемы, у сожалению не открываются :dont_know:
Если же смещением луч доходит, значит надо менять пороги срабатывания генератора развертки, подбором соответствующих резисторов резисторов. но начинать надо с вых каскада однозначно

_________________
Шекспир сказал: Судить меня -дано лишь Богу, другим я укажу дорогу... https://natribu.org/
Я его полностью поддерживаю.
Программирую на Fuse AtmelAVR.


Вернуться наверх
 
Не в сети
 Заголовок сообщения: Re: Ремонт осциллографа Н313
СообщениеДобавлено: Сб апр 11, 2020 20:09:07 
Родился
Аватар пользователя

Зарегистрирован: Сб апр 11, 2020 09:15:57
Сообщений: 5
Рейтинг сообщения: 0
а ваще луч смещением доходит до края?
на приложенных фото видно, что луч с одного края упирается, и смещением сюда не "тянется" , в другую сторону отлично работает. Резисторы в коллекторах выходных тр-ров по 16 кОм, 2-х ваттные. Я вот только в это и уперся. Кусок именно своей схемы приложил под названием "Снимок"


Вернуться наверх
 
Не в сети
 Заголовок сообщения: Re: Ремонт осциллографа Н313
СообщениеДобавлено: Вс апр 12, 2020 20:00:31 
Родился
Аватар пользователя

Зарегистрирован: Сб апр 11, 2020 09:15:57
Сообщений: 5
Рейтинг сообщения: 0
видео работы развёртки

Добавлено after 4 hours 3 minutes 31 second:
Всё, победил осцилл в плане растяжки луча.Уменьшил до 330 ом резистор R24(430 Ом) . Тем самым увеличил ток в эмиттерах выходных транзисторов 8) За подсказку в нужном направлении спасибо oleg63m


Вернуться наверх
 
Не в сети
 Заголовок сообщения: Re: Ремонт осциллографа Н313
СообщениеДобавлено: Сб июл 11, 2020 20:05:42 
Открыл глаза
Аватар пользователя

Карма: 1
Рейтинг сообщений: 2
Зарегистрирован: Пт фев 22, 2013 01:51:30
Сообщений: 49
Откуда: украина николаев
Рейтинг сообщения: 0
Добрый день . подскажите плз по этому чуду н313 1981г выпуска

1 изображение расплывчитое регулеровка есть но как то добится правды ей не удается . яркость приемлимая
2 без сигнала у меня пунктир а не линия
3 при изменении яркости линии пунктира становится уже
4 при увеличении чувствительности при максимуме вообще проподает изображение

при подачи сигнала реакция присуцтвует
инструкцию с подходящей схемой прилагаю

Добавлено after 1 hour 1 minute 29 seconds:
вот несколько фоток на разных режимах


Вложения:
Комментарий к файлу: инструкция+схема
Н313 Осциллограф радиолюбителя.Руководство. Схема.rar [527.88 KiB]
Скачиваний: 407
Вернуться наверх
 
Не в сети
 Заголовок сообщения: Re: Ремонт осциллографа Н313
СообщениеДобавлено: Вс июл 12, 2020 14:46:37 
Открыл глаза
Аватар пользователя

Карма: 1
Рейтинг сообщений: 2
Зарегистрирован: Пт фев 22, 2013 01:51:30
Сообщений: 49
Откуда: украина николаев
Рейтинг сообщения: 0
https://ibb.co/LCfW1nV линия
https://ibb.co/yQgLXv5 нет сигнала
https://ibb.co/SX9tmhr прямоугольные импульсы
https://ibb.co/Z2Ry8Gb точка на низких порогах
https://ibb.co/VJm0rgd точка на высоких порогах

После замены всех литов и сухарей на новые и установки стабилизаторов картинка чуть улучшилась но при установки указываемой в мануале "подготовка к работе" у меня точка а не линия . регулировка по горизонтали и вертикали присутствует при переключении режимов точка убегает по горизонтале и вертикале
http://img.radiokot.ru/files/85156/medi ... rkl5nk.png
фото плат после замены и переделки
https://ibb.co/mvp0qf7
https://ibb.co/Z1p9q6Y
https://ibb.co/5s1Q9gG
https://ibb.co/0tRQb4s
https://ibb.co/rZybm35


Вернуться наверх
 
Не в сети
 Заголовок сообщения: Re: Ремонт осциллографа Н313
СообщениеДобавлено: Пн авг 10, 2020 16:04:29 
Первый раз сказал Мяу!
Аватар пользователя

Зарегистрирован: Ср май 20, 2020 11:08:35
Сообщений: 38
Рейтинг сообщения: 0
Коты!Заменил МБМ'ные кондеи,на плёнку такого-же номинала(за исключение напряжения,там вместо 700 - 630v),после чего развёртка уменьшилась очень сильно при упирании ручки стабилизации в упор влево.Правее - точка.Регулировка времени развёртки работает.Перемещение развётки вверх-вниз незначительное.А влево-вправо - развётка есть только при самом правом положении,иначе точка.Подскажите,куда тыкать.

_________________
Первый раз вижу,чтобы паяльная станция была в руках несоврешеннолетнего, но предчувствие плохое.


Вернуться наверх
 
Не в сети
 Заголовок сообщения: Re: Ремонт осциллографа Н313
СообщениеДобавлено: Вт авг 11, 2020 08:13:49 
Друг Кота
Аватар пользователя

Карма: 123
Рейтинг сообщений: 7959
Зарегистрирован: Сб сен 13, 2014 16:27:32
Сообщений: 39199
Откуда: СпиртоГонск созвездия Омега
Рейтинг сообщения: 0
уменшение длины скоре всего обьяснячется тем что высокое стало выше ране изза утечек в кандерах оно просажено было

_________________
ZМудрость(Опыт и выдержка) приходит с годами.
Все Ваши беды и проблемы, от недостатка знаний.
Умный и у дурака научится, а дураку и ..
Алберт Ейнштейн не поможет и ВВП не спасет.и МЧС опаздает


Вернуться наверх
 
Не в сети
 Заголовок сообщения: Re: Ремонт осциллографа Н313
СообщениеДобавлено: Чт мар 18, 2021 12:07:14 
Первый раз сказал Мяу!

Зарегистрирован: Пт май 14, 2010 10:40:14
Сообщений: 35
Откуда: ставрополь
Рейтинг сообщения: 0
Приветствую всех.
Случайно откопал такого зверя на чердаке. включил, он вроде даже работает, только черта чуть завалена на бок. но лежал он без щупов. что за разъемы на нем, какие подобрать что бы щупы самому сделать?


Вернуться наверх
 
Не в сети
 Заголовок сообщения: Re: Ремонт осциллографа Н313
СообщениеДобавлено: Чт мар 18, 2021 13:24:56 
Друг Кота

Карма: 27
Рейтинг сообщений: 1283
Зарегистрирован: Ср фев 11, 2009 20:35:58
Сообщений: 7853
Рейтинг сообщения: 0
Цитата:
какие подобрать что бы щупы самому сделать?

Такие чтобы в дырку влезли.


Вернуться наверх
 
Не в сети
 Заголовок сообщения: Re: Ремонт осциллографа Н313
СообщениеДобавлено: Чт мар 18, 2021 14:22:18 
Первый раз сказал Мяу!

Зарегистрирован: Пт май 14, 2010 10:40:14
Сообщений: 35
Откуда: ставрополь
Рейтинг сообщения: 0
Цитата:
какие подобрать что бы щупы самому сделать?

Такие чтобы в дырку влезли.

ну это несерьезно. хотелось бы нормальные, типа как заводские


Вернуться наверх
 
Не в сети
 Заголовок сообщения: Re: Ремонт осциллографа Н313
СообщениеДобавлено: Чт мар 18, 2021 15:56:17 
Друг Кота
Аватар пользователя

Карма: 197
Рейтинг сообщений: 8602
Зарегистрирован: Пн ноя 30, 2009 03:00:01
Сообщений: 43187
Откуда: Нерезиновая
Рейтинг сообщения: 0
что за разъемы на нем, какие подобрать что бы щупы самому сделать?

Там разъёмы типа "НКУГ" (Непонятно Какое Унылое Говнище) :))) :))) :)))
Самый лучший вариант- заменить разъём на "стандартный" BNC,
https://www.chipdip.ru/product/gb-124
https://www.chipdip.ru/product/gb-126
https://www.chipdip.ru/product/gb-111
https://www.chipdip.ru/product/gb-123
ну, или на СР-50 (имхо, худший вариант, так как вилку СР-50 сейчас найти труднее, чем BNC)
https://www.chipdip.ru/product/sr-50-1-pv
https://www.chipdip.ru/product/sr-50-63pv
https://www.chipdip.ru/product/sr-50-57-pv
Получите что- то наподобие этого:
СпойлерИзображение

Изображение

И у вас тут же начнут подходить "стандартные" щупы для приборов:
https://www.chipdip.ru/product/hp-9060
https://aliexpress.ru/item/32956198320.html
https://aliexpress.ru/item/4000430486966.html
https://aliexpress.ru/item/1005001856547226.html
https://aliexpress.ru/item/4001240897148.html
https://aliexpress.ru/item/1005002027657685.html

зы.. Мне кажется, что вот такой вариант BNC
Изображение
будет получше, там достаточно мало места от "морды" до платы, а это гнездо можно и снаружи закрепить.. :dont_know:


Вернуться наверх
 
Не в сети
 Заголовок сообщения: Re: Ремонт осциллографа Н313
СообщениеДобавлено: Вт авг 10, 2021 15:26:42 
Встал на лапы
Аватар пользователя

Карма: 5
Рейтинг сообщений: 12
Зарегистрирован: Вт июл 25, 2017 22:47:08
Сообщений: 106
Откуда: KAZAN
Рейтинг сообщения: 0
Коллеги, достался на опыты Н313. Вроде рабочий, прямоугольный сигнал кажет, правда трудно отловить. Разобрал его, осмотрел, вроде не копанный. Внимание привлекло пустое место на плате разверток с незанятыми отверстиями. Сравнил с фото в этой теме, у всех на этом месте стоит подстроечник, транзистор Кт361 и резистор. У меня этих деталей нет, а где стоял транзистор кинута перемычка (предположительно перемкнуты коллектор и эмиттер). Нашел на схеме эти детали и обвел их. Плата стоит на винтах, промаркированых заводской краской. Плату еще не снимал, поэтому и о дополнительных доработках пока сказать не могу. Никто с таким не сталкивался?


Вложения:
Плата разверток.jpg [129.68 KiB]
Скачиваний: 301
Вернуться наверх
 
Не в сети
 Заголовок сообщения: Re: Ремонт осциллографа Н313
СообщениеДобавлено: Ср авг 11, 2021 21:15:23 
Друг Кота
Аватар пользователя

Карма: 140
Рейтинг сообщений: 4277
Зарегистрирован: Чт сен 01, 2011 12:53:27
Сообщений: 20131
Откуда: ТьмуТаракания. Почетный житель подмостовья
Рейтинг сообщения: 0
наверняка и другие детали, измененные, есть.

_________________
Шекспир сказал: Судить меня -дано лишь Богу, другим я укажу дорогу... https://natribu.org/
Я его полностью поддерживаю.
Программирую на Fuse AtmelAVR.


Вернуться наверх
 
Не в сети
 Заголовок сообщения: Re: Ремонт осциллографа Н313
СообщениеДобавлено: Пн авг 16, 2021 11:05:19 
Встал на лапы
Аватар пользователя

Карма: 5
Рейтинг сообщений: 12
Зарегистрирован: Вт июл 25, 2017 22:47:08
Сообщений: 106
Откуда: KAZAN
Рейтинг сообщения: 0
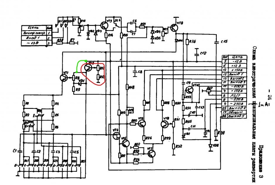
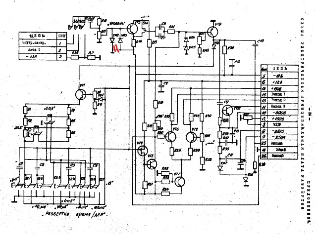
Я ошибся. Сняв плату увидел что это транзистор VT2, но на заводской схеме его нет (Схема 2) Нашел в сети случайно еще одну редакцию схемы, где этот узел присутствует (Схема 1). Поэтому можно точно сказать, что это заводская доработка, только не знаю улучшение ли это или упрощение? Еще нашел ошибку с входными диодами VD2, VD3. На одной схеме они вместе сидят на земле и тут же идут на -12В, что невозможно. На другой схеме - один диод посажен на землю, а другой уже на -12В. Прозвонить по плате не успел, т.к. ошибку увидел только что


Вложения:
Схема 2.jpg [148.01 KiB]
Скачиваний: 364
Схема 1.jpg [193.29 KiB]
Скачиваний: 337
Вернуться наверх
 
Не в сети
 Заголовок сообщения: Re: Ремонт осциллографа Н313
СообщениеДобавлено: Пн фев 06, 2023 18:04:17 
Родился

Зарегистрирован: Пт янв 03, 2020 21:57:50
Сообщений: 18
Рейтинг сообщения: 0
Подарили прибор в неисправном состоянии. Симптомы такие включается луча не видно но если покрутить ручку горизонтального ориентирования луча, видно что луч есть и по горизонтали двигается (светится трубка слева с право и вся ) но луч где то сверху и на перемещения вверх в низ не реагирует. Может кто сталкивался с такой проблемой подскажет в какую сторону капать ?


Вернуться наверх
 
Не в сети
 Заголовок сообщения: Re: Ремонт осциллографа Н313
СообщениеДобавлено: Пн фев 06, 2023 18:40:11 
Друг Кота
Аватар пользователя

Карма: 123
Рейтинг сообщений: 7959
Зарегистрирован: Сб сен 13, 2014 16:27:32
Сообщений: 39199
Откуда: СпиртоГонск созвездия Омега
Рейтинг сообщения: 0
мерим напругу на пластах ручками стараемся выровнять если удается смотрим ранше еслинет почти 100% ВК меняем 940 нофыми надо подобрать пары идентичные ГО и ВО на идентичность иначе хрен потор отбалансируешь... боле рани каскеадыдохнуцт реже и там обычно лучь движется ___| отн центра если лучть паявитца при отсутсви разверток почти 100% вылетел половой транзюль или пропиты временые капы

_________________
ZМудрость(Опыт и выдержка) приходит с годами.
Все Ваши беды и проблемы, от недостатка знаний.
Умный и у дурака научится, а дураку и ..
Алберт Ейнштейн не поможет и ВВП не спасет.и МЧС опаздает


Вернуться наверх
 
Показать сообщения за:  Сортировать по:  Вернуться наверх
Начать новую тему Ответить на тему  [ Сообщений: 380 ]     ... , , , 17, ,  

Часовой пояс: UTC + 3 часа


Кто сейчас на форуме

Сейчас этот форум просматривают: Sh_Juri и гости: 21


Вы не можете начинать темы
Вы не можете отвечать на сообщения
Вы не можете редактировать свои сообщения
Вы не можете удалять свои сообщения
Вы не можете добавлять вложения

Найти:
Перейти:  


Powered by phpBB © 2000, 2002, 2005, 2007 phpBB Group
Русская поддержка phpBB
Extended by Karma MOD © 2007—2012 m157y
Extended by Topic Tags MOD © 2012 m157y