Например TDA7294

Форум РадиоКот • Просмотр темы - Генератор Дмитрия Коржевского
Форум РадиоКот
Здесь можно немножко помяукать :)

Текущее время: Пн мар 02, 2026 18:50:07

Часовой пояс: UTC + 3 часа


ПРЯМО СЕЙЧАС:



Начать новую тему Ответить на тему  [ Сообщений: 34 ]    , 2
Автор Сообщение
 Заголовок сообщения: Re: Генератор Дмитрия Коржевского
СообщениеДобавлено: Пн май 06, 2024 20:40:17 
Модератор
Аватар пользователя

Карма: 120
Рейтинг сообщений: 1088
Зарегистрирован: Пн дек 08, 2008 19:28:04
Сообщений: 22886
Откуда: 10км от Москвы на Север
Рейтинг сообщения: 0
Может вживить в генератор схему стабилизации, типа вот такой?


Вложения:
1 (1).gif [18.81 KiB]
Скачиваний: 398
Вернуться наверх
 
 Заголовок сообщения: Re: Генератор Дмитрия Коржевского
СообщениеДобавлено: Пн май 06, 2024 21:01:45 
Открыл глаза

Зарегистрирован: Сб апр 04, 2020 11:24:14
Сообщений: 76
Откуда: Минск
Рейтинг сообщения: 0
Может вживить в генератор схему стабилизации, типа вот такой?

Насчёт этого незнаю. Но мне кажется это было бы круто

_________________
Есть схема ? Так делай!


Вернуться наверх
 
 Заголовок сообщения: Re: Генератор Дмитрия Коржевского
СообщениеДобавлено: Ср май 08, 2024 00:12:23 
Встал на лапы
Аватар пользователя

Карма: 23
Рейтинг сообщений: 24
Зарегистрирован: Пн дек 29, 2014 19:51:49
Сообщений: 107
Откуда: Санкт-Петербург
Рейтинг сообщения: 0
Медали: 5
Получил миской по аватаре (5)
Я стабилизировал свой генератор внешним усилителем выпрямленного сигнала с коэффициентом в несколько десятков единиц. Он отрицательным уровнем смещает затвор генерирующего транзистора в минус. Результат хороший. Но вот с КПЕ не повезло. Заказал пленочный на али, там их много... Но добротность настолько низкая, что более 20 МГц генерация срывается. Буду искать КПЕ с воздушным диэлектриком.
А с отечественным пленочным КПЕ удалось достичь амплитуд второй и третьей гармоник не более -50 дБ


Вернуться наверх
 
 Заголовок сообщения: Re: Генератор Дмитрия Коржевского
СообщениеДобавлено: Ср май 08, 2024 04:59:18 
Друг Кота
Аватар пользователя

Карма: 26
Рейтинг сообщений: 838
Зарегистрирован: Сб янв 28, 2006 22:47:24
Сообщений: 5974
Рейтинг сообщения: 0
А как котлеты от мух отделяются - АМ модуляция от АРУ?

_________________
Астролябия-сама меряет, было бы что мерять!!!


Вернуться наверх
 
Эиком - электронные компоненты и радиодетали
 Заголовок сообщения: Re: Генератор Дмитрия Коржевского
СообщениеДобавлено: Ср май 08, 2024 19:40:47 
Сверлит текстолит когтями
Аватар пользователя

Карма: 6
Рейтинг сообщений: 231
Зарегистрирован: Пн ноя 08, 2021 13:12:57
Сообщений: 1217
Откуда: 58С 58В
Рейтинг сообщения: 0
А как котлеты от мух отделяются - АМ модуляция от АРУ?

Как ЧМ от АПЧ. 8)

_________________
Свежий взгляд из прошлого тысячелетия.


Вернуться наверх
 
 Заголовок сообщения: Re: Генератор Дмитрия Коржевского
СообщениеДобавлено: Чт май 09, 2024 14:53:30 
Встал на лапы
Аватар пользователя

Карма: 23
Рейтинг сообщений: 24
Зарегистрирован: Пн дек 29, 2014 19:51:49
Сообщений: 107
Откуда: Санкт-Петербург
Рейтинг сообщения: 0
Медали: 5
Получил миской по аватаре (5)
А как котлеты от мух отделяются - АМ модуляция от АРУ?


Фильтрацией, дружище, фильтрацией)))


Вернуться наверх
 
 Заголовок сообщения: Re: Генератор Дмитрия Коржевского
СообщениеДобавлено: Чт май 09, 2024 15:15:07 
Модератор
Аватар пользователя

Карма: 120
Рейтинг сообщений: 1088
Зарегистрирован: Пн дек 08, 2008 19:28:04
Сообщений: 22886
Откуда: 10км от Москвы на Север
Рейтинг сообщения: 0
Я стабилизировал свой генератор внешним усилителем выпрямленного сигнала с коэффициентом в несколько десятков единиц.

Вот так?
Изображение


Вложения:
1 (1).gif [18.81 KiB]
Скачиваний: 2625
Вернуться наверх
 
 Заголовок сообщения: Re: Генератор Дмитрия Коржевского
СообщениеДобавлено: Чт май 09, 2024 17:49:21 
Встал на лапы
Аватар пользователя

Карма: 23
Рейтинг сообщений: 24
Зарегистрирован: Пн дек 29, 2014 19:51:49
Сообщений: 107
Откуда: Санкт-Петербург
Рейтинг сообщения: 0
Медали: 5
Получил миской по аватаре (5)
"Вот так?"
-
Принцип тот же, только у меня непосредственное управление затвором генерирующего транзистора (требуется двухполярное питание), смещением его в "минус", и управление амплитудой генератора (использую не фиксированный делитель стабилизированного питания, а потенциометр.
Целью в своем варианте схемы я ставил, прежде всего, получение минимальных гармоник генерируемого сигнала, ну и стабильности его амплитуды во всем необходимом мне диапазоне (9...35 Мгц)


Вернуться наверх
 
 Заголовок сообщения: Re: Генератор Дмитрия Коржевского
СообщениеДобавлено: Чт май 09, 2024 17:50:49 
Друг Кота
Аватар пользователя

Карма: 26
Рейтинг сообщений: 838
Зарегистрирован: Сб янв 28, 2006 22:47:24
Сообщений: 5974
Рейтинг сообщения: 0
А как котлеты от мух отделяются - АМ модуляция от АРУ?


Фильтрацией, дружище, фильтрацией)))

А вы пробовали на практике? Имеется ввиду АМ модуляция задающего генератора включенного в петлю АРУ.

_________________
Астролябия-сама меряет, было бы что мерять!!!


Вернуться наверх
 
 Заголовок сообщения: Re: Генератор Дмитрия Коржевского
СообщениеДобавлено: Чт май 09, 2024 18:03:28 
Встал на лапы
Аватар пользователя

Карма: 23
Рейтинг сообщений: 24
Зарегистрирован: Пн дек 29, 2014 19:51:49
Сообщений: 107
Откуда: Санкт-Петербург
Рейтинг сообщения: 0
Медали: 5
Получил миской по аватаре (5)
"Пробовал?"
-

Стабилизировать амплитудно модулированный сигнал генератора?
Или саму модуляцию?


Вернуться наверх
 
 Заголовок сообщения: Re: Генератор Дмитрия Коржевского
СообщениеДобавлено: Пт май 17, 2024 04:22:54 
Открыл глаза
Аватар пользователя

Зарегистрирован: Сб июн 30, 2012 05:19:28
Сообщений: 49
Откуда: КБР г. Нальчик
Рейтинг сообщения: 0
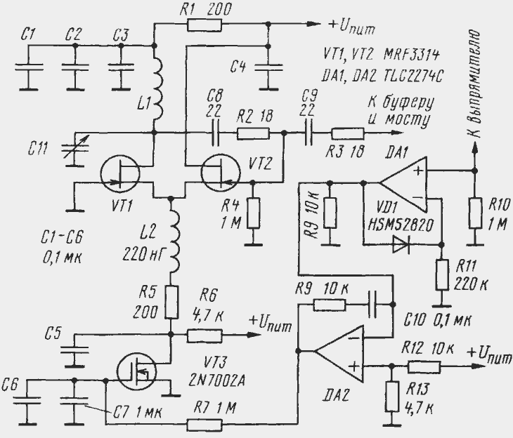
Схема как и на канале. Я ничего не менял.
Изображение
В генераторе два выхода. Один для подключения частотомера и еще один, с которого непосредственно снимается сигнал. Частотомер может быть любым. Я собрал самодельный. Опять же, на авторство не претендую. Здесь, на форуме был FLC метр на PIC16F628. Этот прибор мериит частоту и много чего еще. Мне много ещё чего не нужно, поэтому я на плате оставил только детали под частоту.http://www.cqham.ru/lcmeter3.htm
LB3500 имеет делитель на 8, а для работы надо 64, поэтому после неё добавил еще пару 74AS74. Это 2 триггера Шмидта в корпусе. Каждый из них делитель на 2. Надо добавить 3шт. соотв.


Вложения:
Архив WinRAR.rar [147.32 KiB]
Скачиваний: 170
Вернуться наверх
 
 Заголовок сообщения: Re: Генератор Дмитрия Коржевского
СообщениеДобавлено: Пт июн 28, 2024 08:09:14 
Собутыльник Кота
Аватар пользователя

Карма: 6
Рейтинг сообщений: 234
Зарегистрирован: Сб окт 16, 2010 12:20:55
Сообщений: 2610
Откуда: Саратовская обл.
Рейтинг сообщения: 0
Как сделать диапазон от 20гц до 120Мгц? Контура переделывать?

_________________
Если кажется, что работу сделать легко, это непременно будет трудно.


Вернуться наверх
 
 Заголовок сообщения: Re: Генератор Дмитрия Коржевского
СообщениеДобавлено: Ср июл 16, 2025 13:54:27 
Собутыльник Кота
Аватар пользователя

Карма: 6
Рейтинг сообщений: 234
Зарегистрирован: Сб окт 16, 2010 12:20:55
Сообщений: 2610
Откуда: Саратовская обл.
Рейтинг сообщения: 0
Подскажите, катушки L1 , L2 , L3 обязательно наматывать на ферритовый каркас или использовать обычный с ферритовым сердечником?

_________________
Если кажется, что работу сделать легко, это непременно будет трудно.


Вернуться наверх
 
 Заголовок сообщения: Re: Генератор Дмитрия Коржевского
СообщениеДобавлено: Пн авг 11, 2025 06:22:57 
Открыл глаза
Аватар пользователя

Зарегистрирован: Сб июн 30, 2012 05:19:28
Сообщений: 49
Откуда: КБР г. Нальчик
Рейтинг сообщения: 0
"Подскажите, катушки L1 , L2 , L3 обязательно наматывать на ферритовый каркас"
Катушки можно использовать любые. Если взять от ПЧ приемника, то в них внутри гантелька из феррита, а сверху накручивается сердечник. С ними проще,меньше мотать витков. Я делал так.
Изображение
Собрал по этой схеме простой генератор. Намотанную катушку по нему отстраивал. Сразу видно какая получилась частота.


Вернуться наверх
 
Показать сообщения за:  Сортировать по:  Вернуться наверх
Начать новую тему Ответить на тему  [ Сообщений: 34 ]    , 2

Часовой пояс: UTC + 3 часа


Вы не можете начинать темы
Вы не можете отвечать на сообщения
Вы не можете редактировать свои сообщения
Вы не можете удалять свои сообщения
Вы не можете добавлять вложения

Найти:
Перейти:  


Powered by phpBB © 2000, 2002, 2005, 2007 phpBB Group
Русская поддержка phpBB
Extended by Karma MOD © 2007—2012 m157y
Extended by Topic Tags MOD © 2012 m157y