Например TDA7294

Форум РадиоКот • Просмотр темы - Дозиметр своими руками
Форум РадиоКот
Здесь можно немножко помяукать :)

Текущее время: Чт ноя 13, 2025 14:03:10

Часовой пояс: UTC + 3 часа


ПРЯМО СЕЙЧАС:



Начать новую тему Ответить на тему  [ Сообщений: 191 ]     ... , , , 6, , , ,  
Автор Сообщение
Не в сети
 Заголовок сообщения: Re: Дозиметр своими руками
СообщениеДобавлено: Сб янв 14, 2012 12:04:41 
Друг Кота
Аватар пользователя

Карма: 45
Рейтинг сообщений: 623
Зарегистрирован: Вс ноя 14, 2010 19:24:26
Сообщений: 8007
Откуда: Лукалэнд
Рейтинг сообщения: 0
Параллельно соединяют нормальные датчики с известными характеристиками. Это делается для уменьшения времени подсчёта, например. Если соединить гирлянду неонок - ничего хорошего не получится. Чтобы, как ты говоришь, догнать площадь нормального датчика - тебе их много соединить надо. И это не устранит того, что неонка, как бы, иначе устроена. У неё другие электроды :dont_know:


Вернуться наверх
 
Не в сети
 Заголовок сообщения: Re: Дозиметр своими руками
СообщениеДобавлено: Сб янв 14, 2012 15:38:51 
Друг Кота
Аватар пользователя

Карма: 107
Рейтинг сообщений: 1031
Зарегистрирован: Пт дек 17, 2010 15:07:50
Сообщений: 12364
Откуда: Крымский Федеральный Округ
Рейтинг сообщения: 0
Хм, кольцо не подходит. . . А если Ш-образный взять, сойдёт?! Про ультрафаст диоды -- это обязательно?! Может там простые 1N4007 работать будут?! Могу в мостик соединить! :))) :solder:
Интересно, а из СГ-1П можно сделать?! Чисто побаловаться, на измерения не надеясь! :dont_know:

_________________
Изображение
И ты врёшь!!! © Vladisman
Изображение


Вернуться наверх
 
Не в сети
 Заголовок сообщения: Re: Дозиметр своими руками
СообщениеДобавлено: Сб янв 14, 2012 18:30:46 
Открыл глаза
Аватар пользователя

Зарегистрирован: Вт дек 20, 2011 19:28:29
Сообщений: 44
Откуда: из Валдая
Рейтинг сообщения: 0
я наверно соберу на диоде, pn-переход хорошо реагирует на радиацию,попробую параллельно соединить несколько диодов


Вернуться наверх
 
Не в сети
 Заголовок сообщения: Re: Дозиметр своими руками
СообщениеДобавлено: Сб янв 14, 2012 19:13:23 
Открыл глаза
Аватар пользователя

Зарегистрирован: Вт дек 20, 2011 19:28:29
Сообщений: 44
Откуда: из Валдая
Рейтинг сообщения: 0
тут один перец предлагает свой вариант самодельного счётчика Гейгера
Цитата:
Мои предложения: взять банку от нескафэ, незабыв сожрать всё кофе, внутрь поместить штырь, изолированный от корпуса, добавить неск капель спирта(для сброса ионизации) и разрядить воздух в ней холодильным компрессором, например. далее, подается ХВ напруга на банку (штырь и корпус) через резистор с пару сотен ком-пару мегаом, такая, чтоб было на грани ионизации в банке. Также параллельно выводам банки кап, экспериментально(или расчетно) подобранный, так чтоб при ионизации внутри банки вследствии попадания Y-кванта он разряжался на нее и тем самым обрывал продолжение разряда внутри банки, но в тоже время, чтоб успевал зарядиться через резик за время, необходимого для следующего попадания Y-кванта и соотв. следующего имульса. Ну а дальше херня, просто регистрируем скачки напруги на банке и считаем сколько их в сек. Как то так...

ваши комменты


Вернуться наверх
 
Эиком - электронные компоненты и радиодетали
Не в сети
 Заголовок сообщения: Re: Дозиметр своими руками
СообщениеДобавлено: Сб янв 14, 2012 19:23:06 
Открыл глаза
Аватар пользователя

Зарегистрирован: Вт дек 20, 2011 19:28:29
Сообщений: 44
Откуда: из Валдая
Рейтинг сообщения: 0
вот буду делать так:
Цитата:
возьмите германиевый/кремниевы диод (лучше быстрый PIN фотодиод с маленькой емкостью перехода), прицепите к нему 9В баттарейку последовательно в обратной полярности, и все это - в осциллограф, т.е. вторую ножку диода во вход осциллографа, а второй контакт баттарейки на землю осциллографа. Закройте окно диода чтоб свет не проходил, например покрасьте краской черной. Каждый гаммафотон попавший на диод сгенерит около 20000 свободных электронов, если входное сопротивление осциллографа 1 МОм а скорость диода скажем 3 микросекунды и то увидете на осциллографе импульсы порядка
(20000 э * 1.6е-19 Кулон/э) / (3е-6сек) *1е6 Ом = 1 миллиВольт.
Ну а дальше радиолюбители могут присобачить компаратор и счетчик и будет у вас самопальный счетчик гамма. Или небольшой усилок и на динамики - будет трещать... Время отклика считаем t=RC, где R-сопротивление нагрузки (осциллограф), а C - diode junction capacitance. В примере наверху C=3 пФ.


Вернуться наверх
 
Не в сети
 Заголовок сообщения: Re: Дозиметр своими руками
СообщениеДобавлено: Сб янв 14, 2012 19:24:59 
Друг Кота
Аватар пользователя

Карма: 107
Рейтинг сообщений: 1031
Зарегистрирован: Пт дек 17, 2010 15:07:50
Сообщений: 12364
Откуда: Крымский Федеральный Округ
Рейтинг сообщения: 0
В теории, всё так и происходит, но вот банка -- довольно не чувствительна. Надо с СГ-1П поэкспериментировать будет!

_________________
Изображение
И ты врёшь!!! © Vladisman
Изображение


Вернуться наверх
 
Не в сети
 Заголовок сообщения: Re: Дозиметр своими руками
СообщениеДобавлено: Сб янв 14, 2012 21:05:46 
Друг Кота
Аватар пользователя

Карма: 45
Рейтинг сообщений: 623
Зарегистрирован: Вс ноя 14, 2010 19:24:26
Сообщений: 8007
Откуда: Лукалэнд
Рейтинг сообщения: 0
просто КОТ писал(а):
Может там простые 1N4007 работать будут?! Могу в мостик соединить! :))) :solder:

Не будут. Это достаточно тугодумные диоды. Нужны быстрые. Если маленькая частота - FR207 может и справится.. В мостик? Отлично! Получишь не один тормознутый диод, а много :wink:

просто КОТ писал(а):
но вот банка -- довольно не чувствительна

Но, в отличии от диода, у неё площадь побольше :))) А диодом надо в реактор лезть, чтобы он "облучился".

кровосось писал(а):
тут один перец

Дальше можно было бы и не продолжать :))) Хотя его идея и более здравая, чем взять маленький диод или неонку.

кровосось писал(а):
pn-переход хорошо реагирует на радиацию

Просто отлично реагирует! Только он маленький. Следовательно, пока он тебе насчитает то, что на него попадёт (а это не много) - уже эти расчёты будут не так уж и важны :))

кровосось: что за нищебродство? Или возьми нормальный датчик, или не страдай фигнёй.


Вернуться наверх
 
Не в сети
 Заголовок сообщения: Re: Дозиметр своими руками
СообщениеДобавлено: Сб янв 14, 2012 21:17:35 
Друг Кота
Аватар пользователя

Карма: 107
Рейтинг сообщений: 1031
Зарегистрирован: Пт дек 17, 2010 15:07:50
Сообщений: 12364
Откуда: Крымский Федеральный Округ
Рейтинг сообщения: 0
Компромисный вариант это ИМХО стабилитрон СГ-1П. Экспериментировал с ними. Качер они чувствуют. Включил по схема как с банкой! Подойдёт ли Ш-образный трансформатор для преобразователя на блокинге?!

_________________
Изображение
И ты врёшь!!! © Vladisman
Изображение


Вернуться наверх
 
Не в сети
 Заголовок сообщения: Re: Дозиметр своими руками
СообщениеДобавлено: Вс янв 15, 2012 09:13:43 
Открыл глаза
Аватар пользователя

Зарегистрирован: Вт дек 20, 2011 19:28:29
Сообщений: 44
Откуда: из Валдая
Рейтинг сообщения: 0
кровосось писал(а):
pn-переход хорошо реагирует на радиацию
Просто отлично реагирует! Только он маленький. Следовательно, пока он тебе насчитает то, что на него попадёт (а это не много) - уже эти расчёты будут не так уж и важны :))

кровосось: что за нищебродство? Или возьми нормальный датчик, или не страдай фигнёй.

я поставлю несколько диодов или сделаю свой большой(из карандаша и проволоки)
у меня нет ни денег,ни магазинов :( поэтому приходится делать дозиметр из мусора


Вернуться наверх
 
Не в сети
 Заголовок сообщения: Re: Дозиметр своими руками
СообщениеДобавлено: Вс янв 15, 2012 09:44:58 
Друг Кота
Аватар пользователя

Карма: 107
Рейтинг сообщений: 1031
Зарегистрирован: Пт дек 17, 2010 15:07:50
Сообщений: 12364
Откуда: Крымский Федеральный Округ
Рейтинг сообщения: 0
Карандаш и поволока контактируют в месте, площадью 1мм". Это реально меньше банки!

_________________
Изображение
И ты врёшь!!! © Vladisman
Изображение


Вернуться наверх
 
Не в сети
 Заголовок сообщения: Re: Дозиметр своими руками
СообщениеДобавлено: Вс янв 15, 2012 13:38:56 
Открыл глаза
Аватар пользователя

Зарегистрирован: Вт дек 20, 2011 19:28:29
Сообщений: 44
Откуда: из Валдая
Рейтинг сообщения: 0
просто КОТ писал(а):
Карандаш и поволока контактируют в месте, площадью 1мм". Это реально меньше банки!

у меня есть другой проект,там контактов больше


Вернуться наверх
 
Не в сети
 Заголовок сообщения: Re: Дозиметр своими руками
СообщениеДобавлено: Вс янв 15, 2012 15:31:47 
Открыл глаза
Аватар пользователя

Зарегистрирован: Вт дек 20, 2011 19:28:29
Сообщений: 44
Откуда: из Валдая
Рейтинг сообщения: 0
вот что я нашёл:http://future-weapons.ru/forum/viewtopic.php?f=11&t=10&hilit=%D0%A1%D0%BE%D0%B1%D1%80%D0%B0%D0%BB+%D0%B0%D0%B1%D1%8B+%D0%BA%D0%B0%D0%BA+%D0%BD%D0%B0+%D0%B8%D0%B7%D0%BE%D0%BB%D0%B5%D0%BD%D1%82%D0%B5&start=20


вот это меня вдохновило:
Цитата:
Кстати, в описании сказано, что "когда частица проелтает сквозь катуху, она вызывает в ней явление индукции, поэтому разряжается кондер "что 1000пф) и щелк в телефоне.

вот это собрать я могу


Последний раз редактировалось кровосось Вс янв 15, 2012 17:28:01, всего редактировалось 1 раз.

Вернуться наверх
 
Не в сети
 Заголовок сообщения: Re: Дозиметр своими руками
СообщениеДобавлено: Вс янв 15, 2012 17:02:53 
Друг Кота
Аватар пользователя

Карма: 107
Рейтинг сообщений: 1031
Зарегистрирован: Пт дек 17, 2010 15:07:50
Сообщений: 12364
Откуда: Крымский Федеральный Округ
Рейтинг сообщения: 0
Там в общем то люди странные. Ересь пишут!
Цитата:
Народ, какой ток жрет движок от СД-рома тот что с пасиком?( в смысле не шаговик) 12,в или 5В?

_________________
Изображение
И ты врёшь!!! © Vladisman
Изображение


Вернуться наверх
 
Не в сети
 Заголовок сообщения: Re: Дозиметр своими руками
СообщениеДобавлено: Вс янв 15, 2012 17:28:55 
Открыл глаза
Аватар пользователя

Зарегистрирован: Вт дек 20, 2011 19:28:29
Сообщений: 44
Откуда: из Валдая
Рейтинг сообщения: 0
Цитата:
Народ, какой ток жрет движок от СД-рома тот что с пасиком?( в смысле не шаговик) 12,в или 5В?
[/quote]
ну да :))) смешно


Вернуться наверх
 
Не в сети
 Заголовок сообщения: Re: Дозиметр своими руками
СообщениеДобавлено: Вс янв 15, 2012 21:50:02 
Друг Кота
Аватар пользователя

Карма: 107
Рейтинг сообщений: 1031
Зарегистрирован: Пт дек 17, 2010 15:07:50
Сообщений: 12364
Откуда: Крымский Федеральный Округ
Рейтинг сообщения: 0
Но я там зарегистрировался, буду их на путь истинный ставить.
З.Ы. если что, я там Радиатор!

_________________
Изображение
И ты врёшь!!! © Vladisman
Изображение


Вернуться наверх
 
Не в сети
 Заголовок сообщения: Re: Дозиметр своими руками
СообщениеДобавлено: Чт янв 19, 2012 23:26:15 
Поставщик валерьянки для Кота
Аватар пользователя

Карма: 46
Рейтинг сообщений: 216
Зарегистрирован: Чт май 24, 2012 22:47:39
Сообщений: 2087
Откуда: Тула
Рейтинг сообщения: 0
Медали: 1
Получил миской по аватаре (1)
МММДА!
Почитал я тему улыбнуло! :)))

Народ какие блин ПИН-диоды вы чего !!!!!!!!!!!!!
В зависимости от температуры, партии, древности этого диода он ЛЕГКО может начать реагировать не при 1 000 мкРч а при 1 000 000 мкРч. А может еще хуже.... когда все прочие транзисторы в схеме уже накроются медным тазом.

Если б взяли кусок КАЧЕСТВЕННОГО сцинтиллятора и СВЕРХчуствительный фотодиод, я бы может и поверил бы.... но это простите полная ахинея!

Банка со штырем и полевиком, работают да, но они на радиацию реагируют также как на включение микроволновки в соседнем городе.
Гамма излучение ионизирует воздух, это факт. Почитайте откуда берется ЭМИ при взрыве ядерной бомбы. (ионизация воздуха сверх сильным гамма выбросом) Но по мимо всего прочего если на крышу поставить охрененно огромную антену, к прицепить к ней затвор полевика, то как вы думаете, вы будите мерить радиационный фон да??? :))) :))) :)))

Поверьте мне, это все фигня!
Я то знаю как делать дозики: http://youtu.be/xT7l1oJEEJ0 8)

Для измерения чего либо, существую специально разработанные для этого приборы.
Тему надо не в ИЗМЕРЕНИЯ, а в ШАМАНСТВО.

_________________
Дозиметр мало отличается от девушки, он нежный, любит чистоту, и хорошо себя чувствует только под обильным слоем лака.


Вернуться наверх
 
Не в сети
 Заголовок сообщения: Re: Дозиметр своими руками
СообщениеДобавлено: Пт янв 20, 2012 00:00:25 
Друг Кота
Аватар пользователя

Карма: 45
Рейтинг сообщений: 623
Зарегистрирован: Вс ноя 14, 2010 19:24:26
Сообщений: 8007
Откуда: Лукалэнд
Рейтинг сообщения: 0
Да не доходит. Подавай из дерьма и палок - и всё.


Вернуться наверх
 
Не в сети
 Заголовок сообщения: Re: Дозиметр своими руками
СообщениеДобавлено: Пт янв 20, 2012 00:13:54 
Друг Кота
Аватар пользователя

Карма: 107
Рейтинг сообщений: 1031
Зарегистрирован: Пт дек 17, 2010 15:07:50
Сообщений: 12364
Откуда: Крымский Федеральный Округ
Рейтинг сообщения: 0
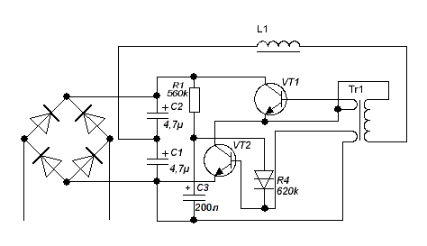
Слушай, гибройд, пока ты тут: Будет импульсник такой работать, если я на дроссель вторичку приделаю?!
Изображение


Вложения:
Комментарий к файлу: Ну?!
Лампа1.0.GIF [5.04 KiB]
Скачиваний: 1998

_________________
Изображение
И ты врёшь!!! © Vladisman
Изображение
Вернуться наверх
 
Не в сети
 Заголовок сообщения: Re: Дозиметр своими руками
СообщениеДобавлено: Пт янв 20, 2012 00:39:55 
Друг Кота
Аватар пользователя

Карма: 45
Рейтинг сообщений: 623
Зарегистрирован: Вс ноя 14, 2010 19:24:26
Сообщений: 8007
Откуда: Лукалэнд
Рейтинг сообщения: 0
Если ты про балласт лампы (судя бегло по схеме - это он вроде и есть) - так делают, наматывают на свободное место на дросселе вторичку. Но много там не намотаешь, да и первичка слабая. Ну и сам сердечник мелкий. Лучше прикурочить транс от блока ATX (большой который).
Кстати, без нагрузки на вторичке такая схема не стартанёт. И по КЗ во вторичке вынесет транзисторы полумоста. Лучше делать обратную связь по напряжению, а не как тут, по току.


Вернуться наверх
 
Не в сети
 Заголовок сообщения: Re: Дозиметр своими руками
СообщениеДобавлено: Пт янв 20, 2012 19:01:10 
Открыл глаза
Аватар пользователя

Зарегистрирован: Вт дек 20, 2011 19:28:29
Сообщений: 44
Откуда: из Валдая
Рейтинг сообщения: 0
схема из катушки,двух кондеров и головного телефона работает!
скоро выложу скрин


Вернуться наверх
 
Показать сообщения за:  Сортировать по:  Вернуться наверх
Начать новую тему Ответить на тему  [ Сообщений: 191 ]     ... , , , 6, , , ,  

Часовой пояс: UTC + 3 часа


Кто сейчас на форуме

Сейчас этот форум просматривают: нет зарегистрированных пользователей и гости: 17


Вы не можете начинать темы
Вы не можете отвечать на сообщения
Вы не можете редактировать свои сообщения
Вы не можете удалять свои сообщения
Вы не можете добавлять вложения

Найти:
Перейти:  


Powered by phpBB © 2000, 2002, 2005, 2007 phpBB Group
Русская поддержка phpBB
Extended by Karma MOD © 2007—2012 m157y
Extended by Topic Tags MOD © 2012 m157y