Например TDA7294

Форум РадиоКот • Просмотр темы - Проблема с частотомером на pic16f628a с алиэкспресс
Форум РадиоКот
Здесь можно немножко помяукать :)

Текущее время: Вт мар 03, 2026 23:25:11

Часовой пояс: UTC + 3 часа


ПРЯМО СЕЙЧАС:



Начать новую тему Ответить на тему  [ Сообщений: 48 ]    , , 3
Автор Сообщение
 Заголовок сообщения: Re: Проблема с частотомером на pic16f628a с алиэкспресс
СообщениеДобавлено: Сб янв 31, 2026 13:22:50 
Первый раз сказал Мяу!

Зарегистрирован: Сб сен 26, 2020 19:47:11
Сообщений: 33
Рейтинг сообщения: 0
Хотелось бы понять, диапазон частот для кварцев 1 мгц - 50 мгц - это неправда, или все же у кого-то на самом деле работает.

Добавлено after 31 minute 43 seconds:
Мне бы хотелось , чтобы тестер правильно определял частоту кварцев в диапазоне 1 мгц -30 мгц и правильно измерял частоту от внешнего генератора, но пока не получается.


Вернуться наверх
 
 Заголовок сообщения: Re: Проблема с частотомером на pic16f628a с алиэкспресс
СообщениеДобавлено: Сб янв 31, 2026 14:16:50 
Электрический кот

Карма: 2
Рейтинг сообщений: 123
Зарегистрирован: Пт ноя 22, 2024 14:08:43
Сообщений: 1038
Рейтинг сообщения: 0
частоту он и так измеряет правильно....с учётом того, что у вас нет эталона частоты....генератор со стрелкой - это не эталон, а просто генератор


Вернуться наверх
 
 Заголовок сообщения: Re: Проблема с частотомером на pic16f628a с алиэкспресс
СообщениеДобавлено: Вт фев 03, 2026 13:03:37 
Первый раз сказал Мяу!

Зарегистрирован: Сб сен 26, 2020 19:47:11
Сообщений: 33
Рейтинг сообщения: 0
"когда вспоминают про Вст, то такая схема никому не нужна.
будет сдвинута граница работы на 20-100 кГц."


1. На форуме ЧИПГУРУ в теме Частотомер до 50 МГц + тестер кварцевых резонаторов можно прочитать:
"Померил несколько кварцев. Удивила "точность" показаний:
Ровно 4 мГц. Кстати, 4 мГц кварц заводится не хотел, тогда поменял транзистор 9018 на СМД BC847 с более большим коэффициентом передачи."


2. другой фуромчанин пишет :
"а вот 1МГц уже мерять не хочет, так же как и у Олега (omich), тоже мой набор не захотел мерять кварцы 4,43Мгц,(3 штуки все не завелись) 7,3МГц(1 шт) и 9,997Мгц.
Так же как Олег , заменил транзистор 9018, на КТ 3102 с hэ=430 и все кварцы "завелись" кроме 1МГц(2 шт).Хотя на них собирал кварцевые генераторы и они работали.

3. В другом китайском тестере кварцев в точно такой-же схеме кварцевого генератора вместо транзистора S9018 используется S8050,
значительно менее высокочастотный, но с большим Бета

Схема может и не нужна, а тестер кварцев не помешает!
И замена S9018 на транзистор с большим Бета, похоже, более привлекательна.


Вернуться наверх
 
 Заголовок сообщения: Re: Проблема с частотомером на pic16f628a с алиэкспресс
СообщениеДобавлено: Вт фев 03, 2026 18:34:55 
Опытный кот
Аватар пользователя

Карма: 10
Рейтинг сообщений: 387
Зарегистрирован: Пт май 01, 2015 14:33:13
Сообщений: 855
Рейтинг сообщения: 0
Схема может и не нужна, а тестер кварцев не помешает!
И замена S9018 на транзистор с большим Бета, похоже, более привлекательна.

Вы сами на предыдущей странице приводили ссылку на измеритель кварцев, который реально работает. По аналогичной схеме я собираю для своих самодельных Ттестеров схему для измерения частоты вакуумных, керамических и кварцевых резонаторов и измерения внешней частоты.
Вот ссылка на схему (левый верхний угол) ниже на странице примеры измерений...
https://vrtp.ru/index.php?showtopic=250 ... t&p=979575

Вот примеры измерений всех разновидностей резонаторов, какие есть в наличии. Эта схема собрана на низкочастотной разновидности 4060, предел измерения < 30 МГц, если использовать высокочастотную версию, то я измеряю 48 МГц (несколькими постами ниже в приведенной ссылке). Но схема совсем другая.
СпойлерДля измерения используются два входа - НЧ и ВЧ со своими элементами настройки и самое главное используется внутренний формирователь 4060 для входа частотомера. Показания резонаторов всегда должны иметь несколько увеличенное значение в 4 - 5 знаке, это свидетельствует о том, что подбором корректирующей емкости можно понизить частоту до требуемой величины.

Изображение


Вернуться наверх
 
Эиком - электронные компоненты и радиодетали
 Заголовок сообщения: Re: Проблема с частотомером на pic16f628a с алиэкспресс
СообщениеДобавлено: Вт фев 03, 2026 20:13:48 
Первый раз сказал Мяу!

Зарегистрирован: Сб сен 26, 2020 19:47:11
Сообщений: 33
Рейтинг сообщения: 0
Впечатлен. Увы, не мой уровень.
Возможно Вы сможете пояснить, за счет чего достигается широкий диапазон частот измерения кварцев в этой схеме.
Вложение:
от 50 кгц до 25мгц схема3.33.jpg [29.86 KiB]
Скачиваний: 51


Вернуться наверх
 
 Заголовок сообщения: Re: Проблема с частотомером на pic16f628a с алиэкспресс
СообщениеДобавлено: Ср фев 04, 2026 14:14:53 
Опытный кот
Аватар пользователя

Карма: 10
Рейтинг сообщений: 387
Зарегистрирован: Пт май 01, 2015 14:33:13
Сообщений: 855
Рейтинг сообщения: 0
Возможно Вы сможете пояснить, за счет чего достигается широкий диапазон частот измерения кварцев в этой схеме.

Проверил вашу схему на КП303Д и КП307А. Работает в диапвзоне кварцев 1,8 - 48 МГц (у меня нет ниже и выше). Выходное напрядение на Стоке от 9v до 1-2 v для указанного диапазона. Большее значение показал КП307А, это для дросселей в стоке 330-470 мкГн. Емкости С3, С4 нужны для показаний основной частоты кварца, а не 3 гармоники для низкочастотных кварцев < 6 МГц. Не зная параметров RFC1, RFC2 не проверял диапазон ниже, но керамические резонаторы точно не работают. Емкость обозначенную 0 001 (в цепи сток- входы) поставил 68 пФ. Питание 5 вольт и без измерительных цепей и выходного делителя С1, С2....


Вернуться наверх
 
 Заголовок сообщения: Re: Проблема с частотомером на pic16f628a с алиэкспресс
СообщениеДобавлено: Ср фев 04, 2026 17:07:22 
Первый раз сказал Мяу!

Зарегистрирован: Сб сен 26, 2020 19:47:11
Сообщений: 33
Рейтинг сообщения: 0
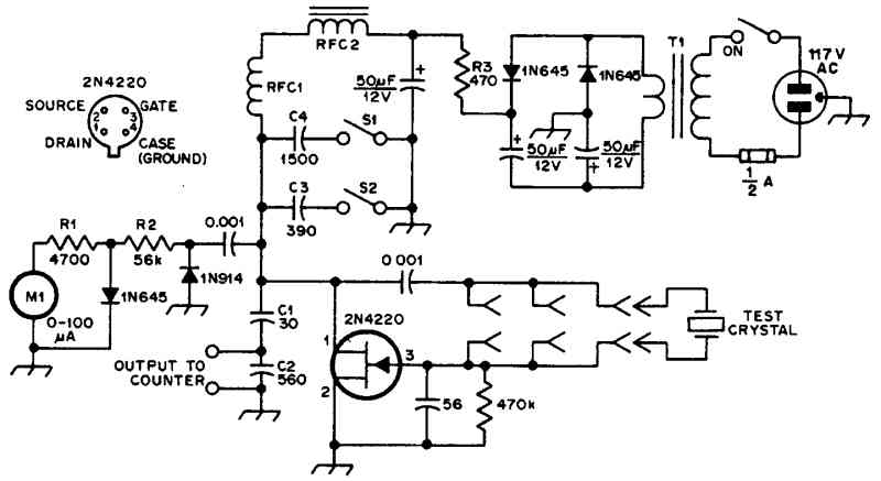
Добрый день, Yuriy_King. Огромное спасибо за Ваше внимание и потраченное время.
Не ожидал, что так без дополнительных вопросов. Эта схема часто встречалась в перепечатках, но оригинала я не нашел.

Если еще актуально, схема сопровождается текстом:

Генератор Пирса на полевом транзисторе 2N4220 тестирует любые кварцевые резонаторы (кварцы) в диапазоне частот от 50 кГц до 25 МГц. Схема используется для определения верхней границы частот, согласования кварцев и предназначена для подключения внешнего частотомера для измерения частоты кварца. Тестирует кварцы очень высокой частоты (VHF-кварцы) на их основной частоте.

Т1 — небольшой трансформатор, взятый от лампового радиоприемника с отношением витков 33:1, или какой-либо другой трансформатор, позволяющий получить питающее напряжение 9 В. Катушка индуктивности RFC1 — 2,5 мГн, a RFC2 — миниатюрный дроссель с кольцевым сердечником на 150 мГн.


Добавлено after 30 minutes 57 seconds:
С учетом идеального структурирования обсуждаемой схемы, где все функциональные узлы автором четко разнесены
у меня сложилось впечатление, что конденсаторы С3 и С4 совместно RFC1 и RFC2 образуют переключаемый Пи-контур для фильтрации ВЧ в разных диапазонах,
но не исключено, что Ваше объяснение имеет место быть. Хотя этом случае, для автора было бы логичнее поместить их на схеме рядом с С1 и С2.

Остается вопрос, насколько частота такого генератора близка к частоте измеряемого кварца.


Вернуться наверх
 
 Заголовок сообщения: Re: Проблема с частотомером на pic16f628a с алиэкспресс
СообщениеДобавлено: Ср фев 04, 2026 19:33:45 
Опытный кот
Аватар пользователя

Карма: 10
Рейтинг сообщений: 387
Зарегистрирован: Пт май 01, 2015 14:33:13
Сообщений: 855
Рейтинг сообщения: 0
Остается вопрос, насколько частота такого генератора близка к частоте измеряемого кварца.

Подобрал диапазон дросселей, нормально работает в диапазоне 1 - 10 мГн. Все кварцы работают на основной частоте, т.е. С3, С4 и переключатели S1, S2 не нужны. Точность будет определятся конденсаторами 0 001 и 56 пФ, последнего в моей схеме нет. Но все сонденсаторы нужно подбирать под монтаж, т.к. их номиналы соизмеримы с входной емкостью затвора и собственно монтажа.

СпойлерИзображение


Вернуться наверх
 
Показать сообщения за:  Сортировать по:  Вернуться наверх
Начать новую тему Ответить на тему  [ Сообщений: 48 ]    , , 3

Часовой пояс: UTC + 3 часа


Вы не можете начинать темы
Вы не можете отвечать на сообщения
Вы не можете редактировать свои сообщения
Вы не можете удалять свои сообщения
Вы не можете добавлять вложения

Найти:
Перейти:  


Powered by phpBB © 2000, 2002, 2005, 2007 phpBB Group
Русская поддержка phpBB
Extended by Karma MOD © 2007—2012 m157y
Extended by Topic Tags MOD © 2012 m157y