|
Часовой пояс: UTC + 3 часа |
| ПРЯМО СЕЙЧАС: |
|
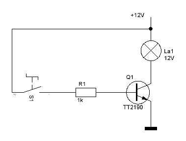
TT2190
Узелки:
|
Страница 1 из 1 |
[ Сообщений: 2 ] |
|
|
| Автор | Сообщение | |||
|---|---|---|---|---|
| skorceni |
|
|||
Зарегистрирован: Пт дек 12, 2008 02:29:57 Сообщений: 7 Рейтинг сообщения: 0 |
|
|||
| Вернуться наверх | |
|||
| Реклама | ||||
|
|
|
|||
| nik-as |
|
||||||
Карма: 8 Рейтинг сообщений: 53 Зарегистрирован: Вс фев 08, 2009 16:13:38 Сообщений: 5728 Откуда: п.Красногорский Рейтинг сообщения: 0 |
|
||||||
| Вернуться наверх | |
||||||
| Реклама | ||||
|
|
|
|||
|
Страница 1 из 1 |
[ Сообщений: 2 ] |
|
Часовой пояс: UTC + 3 часа |
| Вы не можете начинать темы Вы не можете отвечать на сообщения Вы не можете редактировать свои сообщения Вы не можете удалять свои сообщения Вы не можете добавлять вложения |






