Например TDA7294

Форум РадиоКот • Просмотр темы - светодиодная светомузыка на UAA180
Форум РадиоКот
Здесь можно немножко помяукать :)

Текущее время: Сб фев 07, 2026 08:55:22

Часовой пояс: UTC + 3 часа


ПРЯМО СЕЙЧАС:



Начать новую тему Ответить на тему  [ Сообщений: 18 ] 
Автор Сообщение
Не в сети
 Заголовок сообщения: светодиодная светомузыка на UAA180
СообщениеДобавлено: Пн ноя 27, 2006 20:09:59 
Первый раз сказал Мяу!
Аватар пользователя

Зарегистрирован: Пн ноя 27, 2006 19:38:27
Сообщений: 30
Откуда: Москва - Пушкино МО
Рейтинг сообщения: 0
Здрасти всем! собрал я вот такой вот прибор сегодня точно по схеме от мастеркита со всеми номиналами точь в точь!!! http://www.masterkit.ru/main/set.php?num=538 Всё вообщемто было хорошо спаял быстро и правильно! НО! Поработал он наверна минуту и....... перестал! микросхема жутко нагрелась, а када я ее нюхал чтоб проверить сгорела иль нет то она еще и громко так щелкнула! я поставил вторую (специально вторую купил чтоб еще один собрать такой) но та тоже нагрелась и ничего не изменилось! Я проверил все резисторы они в норме! Проверил подстроечник... ОК! Диод не пробит! Все светодиоды тож в норме! А больше там и нет ничего! окрамя микросхемы! Вообщем я ее хотел использавать в качестве светомузыки! Но вот такая бяка произошла! В свободное время сгоняю конешна и куплю еще таких микросхем! Но ведь если они так постоянно будут гореть....... (и вообще сгорели ли они??? Там больше и нечему гореть!) мож у кого кака нить мусля созреет по этому поводу??? Буду рад принять подсказку или совет! Спасиба всем кто ответит! И мож еще ктонибудь знает какие то варианты схем подобного рода??? P.S А и вот еще в приведенной схеме http://www.masterkit.ru/main/set.php?num=538 контакт 3 INPUT это плюс от аудио выхода, контакт 4 GND это минус от аудио выхода, а 1 Vcc и 2 GND это плюс и минус например 12 вольт!? так это или нет!??? Тока что об этом подумал..... Жду помощи..... спасиба! :))


Вернуться наверх
 
Не в сети
 Заголовок сообщения:
СообщениеДобавлено: Пн ноя 27, 2006 20:20:24 
Модератор
Аватар пользователя

Карма: 46
Рейтинг сообщений: 236
Зарегистрирован: Чт окт 27, 2005 18:50:07
Сообщений: 11169
Откуда: из мест не столь отдалённых
Рейтинг сообщения: 0
Медали: 2
Получил миской по аватаре (1) Мявтор 3-й степени (1)
Да, правильно! А питание подавали точно 12 вольт, не больше?И не перегружали входным сигналом?


Вернуться наверх
 
Не в сети
 Заголовок сообщения:
СообщениеДобавлено: Пн ноя 27, 2006 20:30:42 
Первый раз сказал Мяу!
Аватар пользователя

Зарегистрирован: Пн ноя 27, 2006 19:38:27
Сообщений: 30
Откуда: Москва - Пушкино МО
Рейтинг сообщения: 0
Да, я сначала подал 5 вольт для проверки, она работала но тускло! Потом подал 12, но насколько мне извесно это микросхема способна держать напругу до 18!!! вольт. А носчет входного сигнала, я хоть и подключал его к усилку ват 25 но я начинал выкручивать громкость с нуля! к тому же када я впервые подал на него напряжение, то первый светик горел ярко сам по себе даже без входа сигнала (но это ладно это может как контрольный что типпа "напряжение поступает") а вот 4 и 5 светодиоды светились так в пол накала как будто фонили от чегото... но работали! но эт насторожило... я пробовал подстроичником выровнять яркость но не получилось. А потом уже када я поменял микруху я подключал ее к линейному выходу компа! там мощщи то никакой по сути! но и всеравно БУЙ! :o Вот такой шайтан! :))


Вернуться наверх
 
Не в сети
 Заголовок сообщения:
СообщениеДобавлено: Вт ноя 28, 2006 02:20:33 
Первый раз сказал Мяу!
Аватар пользователя

Зарегистрирован: Сб май 20, 2006 09:07:30
Сообщений: 37
Откуда: Latvija
Рейтинг сообщения: 0
Sobiral po sheme http://shems.h1.ru/?03/izmer18.php
stavil Uaa180 vse rabotaet,isklucil balastnie soprtibleija, postavil toka odno,shemu ispolzuju v zarjadnike rabotaet to4no,proverjai montaz. :)


Вернуться наверх
 
Эиком - электронные компоненты и радиодетали
Не в сети
 Заголовок сообщения:
СообщениеДобавлено: Чт дек 14, 2006 18:16:15 
Мявтор!
Аватар пользователя

Карма: 5
Рейтинг сообщений: 42
Зарегистрирован: Вс дек 18, 2005 20:04:42
Сообщений: 825
Откуда: Свердловская обл.
Рейтинг сообщения: 0
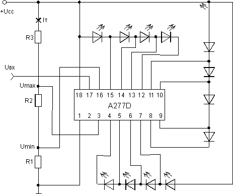
У меня в справочнике есть подглючение этой микры тока тама диоды не так законекчены и напруха написано 12,5 макс


Вложения:
Комментарий к файлу: вроде этого
a277_1.gif [5.73 KiB]
Скачиваний: 1843

_________________
Настоящий кот всегда либо голоден,
либо невыспался ...
Вернуться наверх
 
Не в сети
 Заголовок сообщения: Могу посоветовать LM3914/15/16.
СообщениеДобавлено: Пт дек 15, 2006 11:52:13 
Первый раз сказал Мяу!

Зарегистрирован: Ср дек 06, 2006 14:31:39
Сообщений: 23
Рейтинг сообщения: 0
На этой микросхеме не собирал. Могу посоветовать на 10 но с возможносью продления шкалы ещё на 10 ступеней и с функцией как точечного указания уровня так и шкального LM3914(15,16). Простая обвязка. Отличается от 15 и 16 выходным током для светодиодов. Сам собирал и питал от 7 до 15в работает нормально.


Вернуться наверх
 
 Заголовок сообщения:
СообщениеДобавлено: Пт дек 15, 2006 18:24:20 
Как альтернатива у меня срава есть там куча всяких микр со схемами есть даже стерео с лографмической школой и т.д.


Вернуться наверх
   
 
Не в сети
 Заголовок сообщения:
СообщениеДобавлено: Вс дек 17, 2006 15:19:14 
Мявтор!
Аватар пользователя

Карма: 5
Рейтинг сообщений: 42
Зарегистрирован: Вс дек 18, 2005 20:04:42
Сообщений: 825
Откуда: Свердловская обл.
Рейтинг сообщения: 0
Сейчас паяю девайс на той же микре. О работе собщу

_________________
Настоящий кот всегда либо голоден,
либо невыспался ...


Вернуться наверх
 
 Заголовок сообщения:
СообщениеДобавлено: Вс дек 17, 2006 19:11:38 
Fantomas писал(а):
...а вот 4 и 5 светодиоды светились так в пол накала как будто фонили от чегото... но работали!

Тож столкнулся с этой проблемой, повидимому это какая-то утечка, решил сразу - параллельно подсвечивающим диодам прямо под выводами подпаял SMD-резисторы, номинал подходит от 8,2К до 3К.

Микросхема работала нормально, в схеме был предусмотрен подстроечник который регулировал яркость светодиодов, при максимальной яркости диодов, микросхема была тёплой не более.


Вернуться наверх
   
 
Не в сети
 Заголовок сообщения:
СообщениеДобавлено: Вт дек 19, 2006 14:36:37 
Первый раз сказал Мяу!
Аватар пользователя

Зарегистрирован: Пн ноя 27, 2006 19:38:27
Сообщений: 30
Откуда: Москва - Пушкино МО
Рейтинг сообщения: 0
А и точно а я об этом и не подумал как то..... попробую еще конечно разок заменить микруху а после попробую собрать приборчик на другой микросхеме!


Вернуться наверх
 
Не в сети
 Заголовок сообщения:
СообщениеДобавлено: Вт дек 19, 2006 15:01:48 
Мявтор!
Аватар пользователя

Карма: 5
Рейтинг сообщений: 42
Зарегистрирован: Вс дек 18, 2005 20:04:42
Сообщений: 825
Откуда: Свердловская обл.
Рейтинг сообщения: 0
У меня ваще кроме одного диода ничего не горит сигнал с генератора гнал различной частотой амплитудой.

_________________
Настоящий кот всегда либо голоден,
либо невыспался ...


Вернуться наверх
 
 Заголовок сообщения:
СообщениеДобавлено: Вт дек 19, 2006 17:23:09 
Честно сказать, UAA180 полная фигня, тоже одну перепаивал, просто сдохла без видимой причины. Можно попробовать заменить полным аналогом A277D, всё-таки 12 диодов держит...

Чё-то не могу сообразить что делает UAA180 в цифровой технике. Микросхемка то аналоговая.


Вернуться наверх
   
 
Не в сети
 Заголовок сообщения:
СообщениеДобавлено: Вт дек 19, 2006 23:34:29 
Первый раз сказал Мяу!
Аватар пользователя

Зарегистрирован: Пн ноя 27, 2006 19:38:27
Сообщений: 30
Откуда: Москва - Пушкино МО
Рейтинг сообщения: 0
Ну извините!!!! не увидел разницы!!! :evil: :evil: :evil:


Вернуться наверх
 
Не в сети
 Заголовок сообщения:
СообщениеДобавлено: Вс июл 13, 2008 04:35:49 
Первый раз сказал Мяу!
Аватар пользователя

Зарегистрирован: Пт мар 14, 2008 15:33:52
Сообщений: 35
Откуда: Владивосток
Рейтинг сообщения: 0
И где вы все увидели там диод? Уменя лично там стоит стабилитрон и всё нормально уже 2 года работает! И подключать его надо не на выход уся,а на вход!

_________________
А я самый мартовский мартовский кот! ;) Это правДА!


Вернуться наверх
 
Не в сети
 Заголовок сообщения:
СообщениеДобавлено: Ср окт 22, 2008 12:55:19 
Потрогал лапой паяльник
Аватар пользователя

Зарегистрирован: Ср июл 30, 2008 15:00:01
Сообщений: 309
Откуда: УКРАИНА Бердянск
Рейтинг сообщения: 0
а кто нибудь знает как у вот этого вольтметра http://www.masterkit.ru/main/set.php?num=415 сделать вход не положительным а отрицательным????

_________________
нет нет а вот и даааааааааааа!!!!!!
упс......рвануло.......
зря я это сделал........


Вернуться наверх
 
Не в сети
 Заголовок сообщения:
СообщениеДобавлено: Вт дек 09, 2008 23:04:05 
Модератор
Аватар пользователя

Карма: 120
Рейтинг сообщений: 1088
Зарегистрирован: Пн дек 08, 2008 19:28:04
Сообщений: 22877
Откуда: 10км от Москвы на Север
Рейтинг сообщения: 0
Есть аналогичная схема на три канала, только немного на других микросхемах... .

Изображение


Вернуться наверх
 
Не в сети
 Заголовок сообщения:
СообщениеДобавлено: Ср дек 10, 2008 06:47:12 
Прорезались зубы
Аватар пользователя

Зарегистрирован: Вт ноя 13, 2007 10:25:16
Сообщений: 213
Откуда: Брянск
Рейтинг сообщения: 0
может немного не в тему, но... существует микра такая, чтоб светиков 7-15 держала, не сильно сложную обвязку имела, и главное - умела фиксировать макс уровень сигнала?


Вернуться наверх
 
Не в сети
 Заголовок сообщения: Re: светодиодная светомузыка на UAA180
СообщениеДобавлено: Сб май 21, 2011 12:58:24 
Первый раз сказал Мяу!
Аватар пользователя

Зарегистрирован: Вт июн 29, 2010 10:50:24
Сообщений: 30
Рейтинг сообщения: 0
а печатная плата в lay есть? скиньте пожалуйста если не трудно


Вернуться наверх
 
Показать сообщения за:  Сортировать по:  Вернуться наверх
Начать новую тему Ответить на тему  [ Сообщений: 18 ] 

Часовой пояс: UTC + 3 часа


Кто сейчас на форуме

Сейчас этот форум просматривают: tonyk и гости: 23


Вы не можете начинать темы
Вы не можете отвечать на сообщения
Вы не можете редактировать свои сообщения
Вы не можете удалять свои сообщения
Вы не можете добавлять вложения

Найти:
Перейти:  


Powered by phpBB © 2000, 2002, 2005, 2007 phpBB Group
Русская поддержка phpBB
Extended by Karma MOD © 2007—2012 m157y
Extended by Topic Tags MOD © 2012 m157y