Например TDA7294

Форум РадиоКот • Просмотр темы - Помогите, для чего используется синий регулируемый резистор?
Форум РадиоКот
Здесь можно немножко помяукать :)

Текущее время: Чт мар 12, 2026 12:13:12

Часовой пояс: UTC + 3 часа


ПРЯМО СЕЙЧАС:



Начать новую тему Ответить на тему  [ Сообщений: 91 ]  1, , , ,  
Автор Сообщение
 Заголовок сообщения: Помогите, для чего используется синий регулируемый резистор?
СообщениеДобавлено: Ср май 21, 2025 09:21:47 
Встал на лапы

Зарегистрирован: Пн янв 03, 2022 05:45:18
Сообщений: 92
Рейтинг сообщения: 0
Это печатная плата дифференциального усилителя датчика давления.
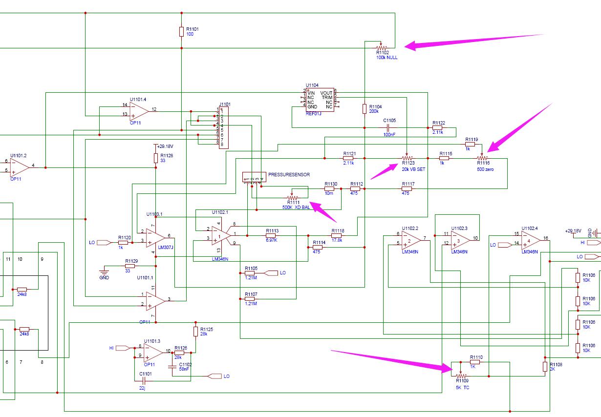
Интересно, для чего используется синий регулируемый резистор?Например: R1109 (TC), R1102 (NULL), R1111 (XD BAL), R1116 (ZERO), R1123 (VB SET)
Я хочу знать, какова цель их корректировки.Или какие изменения произойдут после их корректировки?
Напряжения S+ и S- датчика давления постепенно изменяются от 0,15 мВ при включении питания до 0,33 мВ.В конечном итоге это приводит к смещению выходного напряжения HI-LO и его невозможно вернуть к нулю.
Я хочу его откалибровать, но не знаю как.

Изображение
Изображение
Изображение

Вложение:
Комментарий к файлу: Фактическое изображение спереди
pcba.jpg [102.54 KiB]
Скачиваний: 114

Вложение:
Комментарий к файлу: Обратная сторона фактической фотографии
pcbb.jpg [102.15 KiB]
Скачиваний: 117

Вложение:
Комментарий к файлу: Схема цепи
11.jpg [96.69 KiB]
Скачиваний: 106

Вложение:
Комментарий к файлу: Подробная принципиальная схема
SCH_Schematic1_2025-05-21.pdf [165.41 KiB]
Скачиваний: 117


Спасибо


Последний раз редактировалось icespirit Чт май 22, 2025 01:17:12, всего редактировалось 3 раз(а).

Вернуться наверх
 
 Заголовок сообщения: Re: Помогите, для чего используется синий регулируемый резис
СообщениеДобавлено: Ср май 21, 2025 09:55:52 
Друг Кота
Аватар пользователя

Карма: 59
Рейтинг сообщений: 2255
Зарегистрирован: Чт янв 26, 2012 16:44:29
Сообщений: 20067
Откуда: Таксимо
Рейтинг сообщения: 0
Они все синие. Пожалуйста

_________________
Мои поставщики запчастей с отличной репутацией
texnomag.ru
radioremont.com
pl-1.org
4ip.info
elitan.ru


Вернуться наверх
 
 Заголовок сообщения: Re: Помогите, для чего используется синий регулируемый резис
СообщениеДобавлено: Ср май 21, 2025 10:06:10 
Друг Кота
Аватар пользователя

Карма: 107
Рейтинг сообщений: 3841
Зарегистрирован: Пн фев 09, 2009 22:19:49
Сообщений: 25365
Откуда: Когда-то был прекрасный город для людей
Рейтинг сообщения: 0
У меня и черные есть. Не дам.


Вернуться наверх
 
 Заголовок сообщения: Re: Помогите, для чего используется синий регулируемый резис
СообщениеДобавлено: Ср май 21, 2025 10:42:48 
Друг Кота
Аватар пользователя

Карма: 107
Рейтинг сообщений: 3337
Зарегистрирован: Сб фев 11, 2017 15:59:13
Сообщений: 14972
Откуда: 57 RUS
Рейтинг сообщения: 0
Интересно, для чего используется синий регулируемый резистор

Для регулировки, знамо.

_________________
НАРОДОВЛАСТИЕ а не кланово-олигархическая дерьмократия!!!
Цифровому рабству, навязываемому цифровым олигархатом - НЕТ!


Вернуться наверх
 
Эиком - электронные компоненты и радиодетали
 Заголовок сообщения: Re: Помогите, для чего используется синий регулируемый резис
СообщениеДобавлено: Ср май 21, 2025 14:31:33 
Встал на лапы

Зарегистрирован: Пн янв 03, 2022 05:45:18
Сообщений: 92
Рейтинг сообщения: 0
Интересно, для чего используется синий регулируемый резистор

Для регулировки, знамо.


Я хочу знать, какова цель их корректировки.Или какие изменения произойдут после их корректировки?

Спасибо


Вернуться наверх
 
 Заголовок сообщения: Re: Помогите, для чего используется синий регулируемый резис
СообщениеДобавлено: Ср май 21, 2025 19:31:41 
Сверлит текстолит когтями
Аватар пользователя

Карма: 6
Рейтинг сообщений: 231
Зарегистрирован: Пн ноя 08, 2021 13:12:57
Сообщений: 1226
Откуда: 58С 58В
Рейтинг сообщения: 0
Любопытно различие (ZERO) и (NULL). :dont_know:

_________________
Свежий взгляд из прошлого тысячелетия.


Вернуться наверх
 
 Заголовок сообщения: Re: Помогите, для чего используется синий регулируемый резис
СообщениеДобавлено: Чт май 22, 2025 02:21:31 
Встал на лапы

Зарегистрирован: Пн янв 03, 2022 05:45:18
Сообщений: 92
Рейтинг сообщения: 0
Любопытно различие (ZERO) и (NULL). :dont_know:

Знаете ли вы, какие изменения произойдут после их корректировки?

Добавлено after 1 hour 13 minutes 4 seconds:
Re: Помогите, для чего используется синий регулируемый резистор?
Насколько нам известно, регулировка R1102 (NULL) может регулировать нулевое положение напряжения HI-LO.
Другие синие резисторы, назначение неизвестно


Вернуться наверх
 
 Заголовок сообщения: Re: Помогите, для чего используется синий регулируемый резис
СообщениеДобавлено: Чт май 22, 2025 09:34:13 
Друг Кота
Аватар пользователя

Карма: 96
Рейтинг сообщений: 1505
Зарегистрирован: Вт мар 16, 2010 22:02:27
Сообщений: 15513
Откуда: ДОНЕЦК
Рейтинг сообщения: 0
Для того, чтобы понять "зачем" и "что" крутить надо инструкцию на то устройство, откуда вышеуказанная платка выдрана, пред глазами иметь.
Судя по монтажу - как бы еще не СЭВовское устройство было.
Крутить без инструкций зафиксированные краской подстроечные резисторы - многооборотники крайне не рекомендуется.
:cry:


Вернуться наверх
 
 Заголовок сообщения: Re: Помогите, для чего используется синий регулируемый резис
СообщениеДобавлено: Чт май 22, 2025 09:49:37 
Встал на лапы

Зарегистрирован: Пн янв 03, 2022 05:45:18
Сообщений: 92
Рейтинг сообщения: 0
Для того, чтобы понять "зачем" и "что" крутить надо инструкцию на то устройство, откуда вышеуказанная платка выдрана, пред глазами иметь.
Судя по монтажу - как бы еще не СЭВовское устройство было.
Крутить без инструкций зафиксированные краской подстроечные резисторы - многооборотники крайне не рекомендуется.
:cry:


Ниже приведены руководства по эксплуатации и обслуживанию данного анализатора.
https://mega.nz/file/sMYVDYCS#Uezoi3J0u ... 1VggLn92Lw
На странице 10-6 я видел описание R1102, но остальные резисторы не были подробно описаны.
Эта печатная плата находится внутри RT-203 (модуль потока)
Изображение

По следующей ссылке я разбираю хост RT-200
https://www.ebme.co.uk/forums/ubbthread ... cs/78352/1


Вернуться наверх
 
 Заголовок сообщения: Re: Помогите, для чего используется синий регулируемый резис
СообщениеДобавлено: Чт май 22, 2025 09:59:39 
Друг Кота
Аватар пользователя

Карма: 96
Рейтинг сообщений: 1505
Зарегистрирован: Вт мар 16, 2010 22:02:27
Сообщений: 15513
Откуда: ДОНЕЦК
Рейтинг сообщения: 0
ПЕЧАЛЬКА...
:facepalm:
Эту технику надо или соответствующим фирмам на ремонт сдавать или разве что садомазохисту для развлечения песцов белопушистых...
:cry: :cry:
Старение компонентов (и монтажа) штука весьма неблагодарная.
:roll:

УПС....
А какое Вы отношение к ремонтам медицинской техники имеете то???!
:shock:
Это отдельная особо требовательная к квалификации специалистов область.
Любое вмешательство "стороннего специалиста" весьма чревато негативными последствиями!
:?


Вернуться наверх
 
 Заголовок сообщения: Re: Помогите, для чего используется синий регулируемый резис
СообщениеДобавлено: Чт май 22, 2025 10:19:58 
Встал на лапы

Зарегистрирован: Пн янв 03, 2022 05:45:18
Сообщений: 92
Рейтинг сообщения: 0
ПЕЧАЛЬКА...
:facepalm:
Эту технику надо или соответствующим фирмам на ремонт сдавать или разве что садомазохисту для развлечения песцов белопушистых...
:cry: :cry:
Старение компонентов (и монтажа) штука весьма неблагодарная.
:roll:

УПС....
А какое Вы отношение к ремонтам медицинской техники имеете то???!
:shock:
Это отдельная особо требовательная к квалификации специалистов область.
Любое вмешательство "стороннего специалиста" весьма чревато негативными последствиями!
:?


Я инженер по техническому обслуживанию медицинского оборудования, и RT-200 — мой наиболее используемый инструмент.
Производитель RT-200 прекратил послепродажное обслуживание, поэтому я единственный, кто несет ответственность за его техническое обслуживание.

У меня есть источник калибровки воздушного потока, но я не знаю, как правильно его откалибровать.
Другими словами, я хочу знать, как настроить R1109 (TC), R1111 (XD BAL), R1116 (ZERO), R1123 (VB SET)


Вернуться наверх
 
 Заголовок сообщения: Re: Помогите, для чего используется синий регулируемый резис
СообщениеДобавлено: Чт май 22, 2025 11:58:36 
Друг Кота
Аватар пользователя

Карма: 96
Рейтинг сообщений: 1505
Зарегистрирован: Вт мар 16, 2010 22:02:27
Сообщений: 15513
Откуда: ДОНЕЦК
Рейтинг сообщения: 0
Тогда Вам сюда надо обращаться (сейчас залез на сайт - там сообщение прислали еще и о группе в телеграмме (по медтехнике)):
https://www.medteh.info/forum/
Есть еще группы по профинтересам в ВКонтакте
Да и не в разделе аналоговой техники данному прибору место для рассмотрения...
Как вариант - смотрим работы(темы) с тензодатчиками/весами тут на радиокоте в разделах:
viewforum.php?f=2
viewforum.php?f=20
viewforum.php?f=56 (все подразделы)
viewforum.php?f=10
С другой стороны - вероятнее всего "дефекты старения" - более 15 лет эксплуатации только латать дефекты остается.
Параметры датчика явно вышли за рамки допустимого - а это уже и подстроечниками (штатными) убрать не удастся.
Изучать полностью документацию на английском не для радиолюбителя.
В отношении профи медтехники - повымерло все лет 20 назад как минимум.
:beer:


Вернуться наверх
 
 Заголовок сообщения: Re: Помогите, для чего используется синий регулируемый резис
СообщениеДобавлено: Чт май 22, 2025 17:01:23 
Друг Кота
Аватар пользователя

Карма: 59
Рейтинг сообщений: 704
Зарегистрирован: Вт сен 25, 2012 23:13:41
Сообщений: 5873
Откуда: г.Дзержинск Нижегородской обл.
Рейтинг сообщения: 0
Я инженер по техническому обслуживанию медицинского оборудования
Серьёзно? И диплом о в/о имеется?
Прежде чем получить допуск к работе с прибором, Вы должны были пройти техническое обучение на предприятии-изготовителе. В комплекте с прибором должна быть необходимая для обслуживания техническая документация. Где всё это?

я хочу знать, как настроить R1109 (TC), R1111 (XD BAL), R1116 (ZERO), R1123 (VB SET)
А вот я хочу знать как Вы устроились на эту работу не имея знаний, опыта, с не пройденным техобучением. Вы теперь по каждому прибору на форум будете обращаться и требовать ответы на свои вопросы?

Добавлено after 25 minutes 3 seconds:
Судя по монтажу - как бы еще не СЭВовское устройство было.
Производство компании Timeter Instrument Corp. USA. 1988 г.

_________________
Спасение утопающих дело рук самих утопающих.


Последний раз редактировалось Николай_С Чт май 22, 2025 17:17:18, всего редактировалось 1 раз.

Вернуться наверх
 
 Заголовок сообщения: Re: Помогите, для чего используется синий регулируемый резис
СообщениеДобавлено: Чт май 22, 2025 17:17:15 
Друг Кота
Аватар пользователя

Карма: 96
Рейтинг сообщений: 1505
Зарегистрирован: Вт мар 16, 2010 22:02:27
Сообщений: 15513
Откуда: ДОНЕЦК
Рейтинг сообщения: 0
Ну это "полный раритет" (песец белопушистый) тогда...
Остальное см. личку(причины ситуации с моего взгляду).
:twisted:


Вернуться наверх
 
 Заголовок сообщения: Re: Помогите, для чего используется синий регулируемый резис
СообщениеДобавлено: Пт май 23, 2025 03:29:58 
Встал на лапы

Зарегистрирован: Пн янв 03, 2022 05:45:18
Сообщений: 92
Рейтинг сообщения: 0
Я инженер по техническому обслуживанию медицинского оборудования
Серьёзно? И диплом о в/о имеется?
Прежде чем получить допуск к работе с прибором, Вы должны были пройти техническое обучение на предприятии-изготовителе. В комплекте с прибором должна быть необходимая для обслуживания техническая документация. Где всё это?

я хочу знать, как настроить R1109 (TC), R1111 (XD BAL), R1116 (ZERO), R1123 (VB SET)
А вот я хочу знать как Вы устроились на эту работу не имея знаний, опыта, с не пройденным техобучением. Вы теперь по каждому прибору на форум будете обращаться и требовать ответы на свои вопросы?

Добавлено after 25 minutes 3 seconds:
Судя по монтажу - как бы еще не СЭВовское устройство было.
Производство компании Timeter Instrument Corp. USA. 1988 г.


Да.Я получил высшее образование по специальности «Биомедицинская инженерия».
Но анализ схем — не моя сильная сторона.
Техническая документация здесь - https://mega.nz/file/sMYVDYCS#Uezoi3J0u ... 1VggLn92Lw


RT-200 — моя личная собственность.По моему мнению, RT-200 похож на цифровой мультиметр Fluke 187 и является моим личным инструментом.У меня есть и другие. Например, Fluke VT650. . . . . .
Я пользовался RT-200 много лет, но теперь он сломался.Так что я надеюсь это исправить.

Я был бы признателен, если бы вы могли мне помочь.

Добавлено after 38 minutes 46 seconds:
Ну это "полный раритет" (песец белопушистый) тогда...
Остальное см. личку(причины ситуации с моего взгляду).
:twisted:

Сначала я, как и вы, думал, что неисправность вызвана старением датчика давления.

Я разобрал печатную плату внутри модуля давления RT-202.
Похоже, что в нем на один диод больше, чем в модуле расхода RT-203.
Я использовал тот же метод для проверки напряжения датчика давления [(S+)-(S-)] в модуле давления RT-202.
Было обнаружено, что напряжение [(S+)-(S-)] также составляло 0,32 В, когда давление не подавалось.
Тогда датчик давления на модуле расхода RT-203 не поврежден, он может иметь внутреннее смещение напряжения

Похоже, что для восстановления нормальной работы требуются только соответствующие регулировки R1116 (НОЛЬ) и R1109 (TC).
Я не уверен насчет R1116 (НОЛЬ) и R1109 (TC). Мне следует отрегулировать один или оба?
Изображение

Добавлено after 18 minutes 51 second:
Re: Помогите, для чего используется синий регулируемый резистор?
Я разобрал датчик давления, но не могу найти паспорт на эту модель датчика давления.
Изображение
Изображение
Изображение
Изображение
Изображение
Изображение
Изображение
Изображение
Изображение





Вернуться наверх
 
 Заголовок сообщения: Re: Помогите, для чего используется синий регулируемый резис
СообщениеДобавлено: Пт май 23, 2025 08:13:26 
Друг Кота
Аватар пользователя

Карма: 96
Рейтинг сообщений: 1505
Зарегистрирован: Вт мар 16, 2010 22:02:27
Сообщений: 15513
Откуда: ДОНЕЦК
Рейтинг сообщения: 0
По нормальному работы с древней техникой с контроля блока питания начинаются.
:tea:
Настоятельно рекомендую сдать аппарат в соответствующий сервисный центр.
Самостоятельный ремонт на месте невозможен.
Замена/подбор е соответствующих техдокументации компонентов требует особых условий и юридически подкрепленных обоснований.
Это не бытовая техника...
:(


Вернуться наверх
 
 Заголовок сообщения: Re: Помогите, для чего используется синий регулируемый резис
СообщениеДобавлено: Пт май 23, 2025 08:38:27 
Встал на лапы

Зарегистрирован: Пн янв 03, 2022 05:45:18
Сообщений: 92
Рейтинг сообщения: 0
По нормальному работы с древней техникой с контроля блока питания начинаются.
:tea:
Настоятельно рекомендую сдать аппарат в соответствующий сервисный центр.
Самостоятельный ремонт на месте невозможен.
Замена/подбор е соответствующих техдокументации компонентов требует особых условий и юридически подкрепленных обоснований.
Это не бытовая техника...
:(



Выпускался в 1989-1990 годах.
Согласно инструкции, производитель предоставляет обслуживание в течение 7 лет, поэтому обслуживание должно было быть прекращено в 1997 году.И его необходимо отправить обратно в Соединенные Штаты, что дорого и нелегко осуществить.

Так что мне пришлось ремонтировать его самому.


Вернуться наверх
 
 Заголовок сообщения: Re: Помогите, для чего используется синий регулируемый резис
СообщениеДобавлено: Пт май 23, 2025 08:44:25 
Друг Кота
Аватар пользователя

Карма: 59
Рейтинг сообщений: 704
Зарегистрирован: Вт сен 25, 2012 23:13:41
Сообщений: 5873
Откуда: г.Дзержинск Нижегородской обл.
Рейтинг сообщения: 0
Так что мне пришлось ремонтировать его самому.
:facepalm:
А как Вы этот прибор собираетесь использовать? Надеюсь, не по прямому назначению. ;)

Техническая документация здесь - https://mega.nz/file/sMYVDYCS#Uezoi3J0u ... 1VggLn92Lw
И что в ней написано по поводу ремонта и калибровки?
Timeter RT-200 Calibration Analyzer Operator and Service Manual писал(а):
Consult the "USER TROUBLESHOOTING" section of this manual to eliminate the possibility of an application error before using the following troubleshooting instructions. If the following troubleshooting charts do not isolate the fault, return the RT-200 to Timeter for repair. It will be necessary in most cases to return the entire RT-200 system even though only one module appears to be malfunctioning. Recalibration following repair usually involves all three modules.
Тут явно указаны те работы по обслуживанию, которые могут производиться пользователем и какие должны производиться на предприятии-изготовителе. У Вас нет ни методики, ни стенда, ни эталонных образцов, ни запчастей для проведения ремонта с последующей калибровкой. Прибору уже 35 лет, а он рассчитан на 7 лет работы. На что Вы надеритесь - непонятно.

_________________
Спасение утопающих дело рук самих утопающих.


Вернуться наверх
 
 Заголовок сообщения: Re: Помогите, для чего используется синий регулируемый резис
СообщениеДобавлено: Пт май 23, 2025 09:37:24 
Друг Кота

Карма: 20
Рейтинг сообщений: 826
Зарегистрирован: Пт ноя 02, 2018 16:14:36
Сообщений: 3183
Рейтинг сообщения: 0
R109 регулирует коэффициент передачи инвертирующего усилителя на U1 102-4, выход которого уходит куда-то за пределы рисунка. Подписано ТС.

_________________
Нет ничего практичнее хорошей теории


Вернуться наверх
 
 Заголовок сообщения: Re: Помогите, для чего используется синий регулируемый резис
СообщениеДобавлено: Пт май 23, 2025 09:42:50 
Встал на лапы

Зарегистрирован: Пн янв 03, 2022 05:45:18
Сообщений: 92
Рейтинг сообщения: 0
[uquote="icespirit"][uquote="BOB51",url="/forum/viewtopic.php?p=4717752#p4717752"]Так что мне пришлось ремонтировать его самому.
:facepalm:
А как Вы этот прибор собираетесь использовать? Надеюсь, не по прямому назначению. ;)

Техническая документация здесь - https://mega.nz/file/sMYVDYCS#Uezoi3J0u ... 1VggLn92Lw
И что в ней написано по поводу ремонта и калибровки?
Timeter RT-200 Calibration Analyzer Operator and Service Manual писал(а):
Consult the "USER TROUBLESHOOTING" section of this manual to eliminate the possibility of an application error before using the following troubleshooting instructions. If the following troubleshooting charts do not isolate the fault, return the RT-200 to Timeter for repair. It will be necessary in most cases to return the entire RT-200 system even though only one module appears to be malfunctioning. Recalibration following repair usually involves all three modules.
Тут явно указаны те работы по обслуживанию, которые могут производиться пользователем и какие должны производиться на предприятии-изготовителе. У Вас нет ни методики, ни стенда, ни эталонных образцов, ни запчастей для проведения ремонта с последующей калибровкой. Прибору уже 25 лет. На что Вы надеритесь - непонятно.[/uquote]

Я использовал программное обеспечение для перевода, чтобы общаться с вами. Пожалуйста, простите меня, если есть какие-либо ошибки перевода.

В настоящее время, по всей видимости, произошел сбой в работе модуля расхода RT-200 (RT-203).Отображается код ошибки "HELP 0"
Я следовал инструкциям руководства на стр. 10-6.0.Я отрегулировал R1102 и одновременно измерил напряжение HI-LO.Напряжение на дисплее стабильно на уровне 0,005 В постоянного тока.Преобразователь V/F отображает 387 цифр
Войдите в пользовательский интерфейс и пользуйтесь им как обычно.

Но как только я выключаю питание и перезагружаю, снова появляется "HELP 0".Войдите в интерфейс «30» и проверьте преобразователь V/F, который показывает 860 чисел и продолжает уменьшаться.Ожидание занимает много времени, и функция может вернуться в нормальное состояние только тогда, когда отображаемое число находится в диапазоне 500–250.

Я проверил датчик давления, и он, похоже, в норме и не имеет неисправностей.

Похоже, что температурный дрейф вызывает необходимость калибровки.
Поэтому мне нужно знать инструкции по настройке для R1109 (TC), R1102 (NULL), R1111 (XD BAL), R1116 (ZERO), R1123 (VB SET)
Особенно важны R1109 (TC) и R1116 (ZERO)
Если кто-нибудь сможет понять схему и подскажет, как настроить эти синие потенциометры, я буду очень благодарен.

Спасибо

Добавлено after 5 minutes 2 seconds:
R109 регулирует коэффициент передачи инвертирующего усилителя на U1 102-4, выход которого уходит куда-то за пределы рисунка. Подписано ТС.


Знаете ли вы, какие изменения произойдут после корректировки R1109 (TC) и R1116 (ZERO)?


Схема здесь
Вложение:
RT-203 FLOW MODULE SCH_Schematic1_2025-05-19.pdf [165.38 KiB]
Скачиваний: 102


Вернуться наверх
 
Показать сообщения за:  Сортировать по:  Вернуться наверх
Начать новую тему Ответить на тему  [ Сообщений: 91 ]  1, , , ,  

Часовой пояс: UTC + 3 часа


Вы не можете начинать темы
Вы не можете отвечать на сообщения
Вы не можете редактировать свои сообщения
Вы не можете удалять свои сообщения
Вы не можете добавлять вложения

Найти:
Перейти:  


Powered by phpBB © 2000, 2002, 2005, 2007 phpBB Group
Русская поддержка phpBB
Extended by Karma MOD © 2007—2012 m157y
Extended by Topic Tags MOD © 2012 m157y