Например TDA7294

Форум РадиоКот • Просмотр темы - Как управлять громкостью с МСН ?
Форум РадиоКот
Здесь можно немножко помяукать :)

Текущее время: Сб ноя 22, 2025 16:30:43

Часовой пояс: UTC + 3 часа


ПРЯМО СЕЙЧАС:



Начать новую тему Ответить на тему  [ Сообщений: 15 ] 
Автор Сообщение
Не в сети
 Заголовок сообщения: Как управлять громкостью с МСН ?
СообщениеДобавлено: Вт сен 03, 2019 23:37:16 
Вымогатель припоя
Аватар пользователя

Зарегистрирован: Пт апр 22, 2011 00:14:21
Сообщений: 515
Рейтинг сообщения: 0
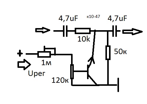
Лежит (точнее валяется) рядом УКВ-1-05С. Вспомнил, что есть МСН-4, приживить бы к нему 8) Но неизвестны значения напряжения настройки, да и как бы УПЧ собрать лучше, с керамическим фильтром. Стереодекодер - то есть как бы вариант, но не точно, с перестройкой как нибудь разберусь.
Думал как управлять громкостью с МСН - условно рабочий вариант


Вложения:
Комментарий к файлу: Alpha version 0.1 =)
рсаапп.jpg [26.83 KiB]
Скачиваний: 306

_________________
Смотри: вот это - ноль, а это - фаааааааа!!!!!!!!!!!!!!!
Вернуться наверх
 
Не в сети
 Заголовок сообщения: Re: Как управлять громкостью с МСН ?
СообщениеДобавлено: Ср сен 04, 2019 04:52:05 
Модератор
Аватар пользователя

Карма: 159
Рейтинг сообщений: 4072
Зарегистрирован: Пт янв 23, 2009 19:20:05
Сообщений: 45120
Рейтинг сообщения: 0
Медали: 1
Получил миской по аватаре (1)
А не проще собрать предвариловку по схеме с электронной регулировкой громкости и тембра? Уровни согласовать - не проблема, зато будет и громкость, и баланс, и тембры регулировать! :) (и искажений уровень на два порядка меньше, чем в Вашей "схеме"! :))) )


Вернуться наверх
 
Не в сети
 Заголовок сообщения: Re: Как управлять громкостью с МСН ?
СообщениеДобавлено: Ср сен 04, 2019 06:04:55 
Вымогатель припоя
Аватар пользователя

Зарегистрирован: Пт апр 22, 2011 00:14:21
Сообщений: 515
Рейтинг сообщения: 0
А не проще собрать предвариловку по схеме с электронной регулировкой громкости и тембра? Уровни согласовать - не проблема, зато будет и громкость, и баланс, и тембры регулировать! :) (и искажений уровень на два порядка меньше, чем в Вашей "схеме"! :))) )

Видел схемы только с кнопочным управлением...


Последний раз редактировалось aen Ср сен 04, 2019 06:42:43, всего редактировалось 1 раз.
Опять нарушение Правил форума п. 2.7


Вернуться наверх
 
Не в сети
 Заголовок сообщения: Re: Как управлять громкостью с МСН ?
СообщениеДобавлено: Ср сен 04, 2019 10:34:30 
Модератор
Аватар пользователя

Карма: 159
Рейтинг сообщений: 4072
Зарегистрирован: Пт янв 23, 2009 19:20:05
Сообщений: 45120
Рейтинг сообщения: 5
Медали: 1
Получил миской по аватаре (1)
Есть огромное количество микросхем для предварительных усилителей с электронной регулировкой громкости, баланса и тембра, есть готовые недорогие платки на Али - нужно только вместо четырех одинарных переменных резисторов - подать соответствующие управляющие напряжения! :)
(LM1036 - типичный пример... :roll: )


Вернуться наверх
 
Эиком - электронные компоненты и радиодетали
Не в сети
 Заголовок сообщения: Re: Как управлять громкостью с МСН ?
СообщениеДобавлено: Ср сен 04, 2019 14:59:06 
Друг Кота
Аватар пользователя

Карма: 110
Рейтинг сообщений: 6673
Зарегистрирован: Пт авг 14, 2015 14:25:02
Сообщений: 11291
Откуда: Одесса - мама
Рейтинг сообщения: 0
В 3УСЦТ громкость регулировалась электронным способом! Поднимите схему любого телека 3-го или 4-го поклоения и найдёте! :write:
Там же и радиоканал, который запросто ловил УКВ между ТВ-каналами! :)) :wink:

_________________
90% времени уходит на отыскание неисправности,остальное - ждать когда нагреется паяльник! :)


Вернуться наверх
 
Не в сети
 Заголовок сообщения: Re: Как управлять громкостью с МСН ?
СообщениеДобавлено: Ср сен 04, 2019 20:15:25 
Вымогатель припоя
Аватар пользователя

Зарегистрирован: Пт апр 22, 2011 00:14:21
Сообщений: 515
Рейтинг сообщения: 5
В 3УСЦТ это на микросборке висело, упчз)

_________________
Смотри: вот это - ноль, а это - фаааааааа!!!!!!!!!!!!!!!


Вернуться наверх
 
Не в сети
 Заголовок сообщения: Re: Как управлять громкостью с МСН ?
СообщениеДобавлено: Ср сен 04, 2019 20:27:12 
Друг Кота
Аватар пользователя

Карма: 110
Рейтинг сообщений: 6673
Зарегистрирован: Пт авг 14, 2015 14:25:02
Сообщений: 11291
Откуда: Одесса - мама
Рейтинг сообщения: 0
Да, только там промежуточная 6.5, а не 10.7... Но все-же! :)

_________________
90% времени уходит на отыскание неисправности,остальное - ждать когда нагреется паяльник! :)


Вернуться наверх
 
Не в сети
 Заголовок сообщения: Re: Как управлять громкостью с МСН ?
СообщениеДобавлено: Пт сен 13, 2019 14:25:00 
Вымогатель припоя
Аватар пользователя

Зарегистрирован: Пт апр 22, 2011 00:14:21
Сообщений: 515
Рейтинг сообщения: 0
перепаивать микросборку - бдсм. Попробую поискать микросхемы с электронной регулировкой

_________________
Смотри: вот это - ноль, а это - фаааааааа!!!!!!!!!!!!!!!


Вернуться наверх
 
Не в сети
 Заголовок сообщения: Re: Как управлять громкостью с МСН ?
СообщениеДобавлено: Вс сен 15, 2019 16:55:28 
Друг Кота
Аватар пользователя

Карма: 43
Рейтинг сообщений: 167
Зарегистрирован: Вс янв 25, 2009 21:16:04
Сообщений: 35639
Откуда: Москва
Рейтинг сообщения: 0
Заодно поищи и схемы автоматической регулировки усиления (АРУ), где и один транзюк с этим справляется. а можно этот узел сделать и на любом ОУ, врезав его в канал звука. (за счет изменения глубины обратной связи). Щевели извилинами...удачи!.

_________________
А поболтать?


Вернуться наверх
 
Не в сети
 Заголовок сообщения: Re: Как управлять громкостью с МСН ?
СообщениеДобавлено: Пн сен 16, 2019 05:17:23 
Модератор
Аватар пользователя

Карма: 159
Рейтинг сообщений: 4072
Зарегистрирован: Пт янв 23, 2009 19:20:05
Сообщений: 45120
Рейтинг сообщения: 0
Медали: 1
Получил миской по аватаре (1)
Схема "на одном транзисторе" даёт дикие искажения уже при уровне сигнала в сотню милливольт... В "настоящих" регуляторах используют свойство зависимости коэф. усиления дифференциального каскада от тока питания, или что-то подобное... Проще, разумеется, использовать готовую микросхему, тем более, что они не так уж дороги, да и согласовать готовый темброблок с МСН труда не составит (для каждого канала там отдельный ЦАП, подобрать нужно будет пару резисторов... :) )


Вернуться наверх
 
Не в сети
 Заголовок сообщения: Re: Как управлять громкостью с МСН ?
СообщениеДобавлено: Пн сен 16, 2019 08:32:56 
Поставщик валерьянки для Кота
Аватар пользователя

Карма: 40
Рейтинг сообщений: 779
Зарегистрирован: Чт дек 12, 2013 11:18:14
Сообщений: 2141
Откуда: Украина, Черновцы
Рейтинг сообщения: 0
Даешь фоторезистор!

Кстати, есть еще вариант регулирования ну почти "на одном транзисторе". В нем транзистор тупо коротит сигнал, но управляется при этом ШИМ-ом. После стоит фильтр, отрезающий помехи от ШИМа. Да, сложнее, но диапазон сигналов и диапазон регулирования достаточно широкие.


Вернуться наверх
 
Не в сети
 Заголовок сообщения: Re: Как управлять громкостью с МСН ?
СообщениеДобавлено: Пн сен 16, 2019 09:31:35 
Друг Кота
Аватар пользователя

Карма: 41
Рейтинг сообщений: 2989
Зарегистрирован: Пн июл 23, 2018 10:36:20
Сообщений: 3481
Откуда: Казань
Рейтинг сообщения: 0
В журнале радиохабби опубликовано довольно интересное решение.
РГ на 64 положения на шести реле.
кому интересно, тот сможет найти статью полностью.

Изображение

_________________
ZZZ С Нами Бог ZZZ


Вернуться наверх
 
Не в сети
 Заголовок сообщения: Re: Как управлять громкостью с МСН ?
СообщениеДобавлено: Пн сен 16, 2019 17:30:29 
Модератор
Аватар пользователя

Карма: 159
Рейтинг сообщений: 4072
Зарегистрирован: Пт янв 23, 2009 19:20:05
Сообщений: 45120
Рейтинг сообщения: 0
Медали: 1
Получил миской по аватаре (1)
Знаменитая "схема Никитина"? Так чтобы сделать её регулятором громкости - нужно добавить тонкомпенсацию, желательно - отключаемую, иначе это не регулирование ГРОМКОСТИ, а просто регулирование уровня сигнала! :) Всё же, качественный регулятор громкости с тонкомпенсацией и электронным управлением - не такая простая штука... :dont_know: Версия на фоторезисторах в Радио печаталась, но нынче найти нужное количество фоторезисторов с требуемыми, да ещё одинаковыми параметрами - может быть не так просто... :(


Вернуться наверх
 
Не в сети
 Заголовок сообщения: Re: Как управлять громкостью с МСН ?
СообщениеДобавлено: Пн сен 16, 2019 18:44:45 
Друг Кота
Аватар пользователя

Карма: 59
Рейтинг сообщений: 2216
Зарегистрирован: Чт янв 26, 2012 16:44:29
Сообщений: 19435
Откуда: Таксимо
Рейтинг сообщения: 0
Попадался вариант регулятора с кнопками на одном полевике или на двух, не помню уже. Там принцип такой что затвор имеет огромное сопротивление утечки и конденсатор к нему подключенный пленка практически не разряжается. Ну пусть за несколтко часов на 10% громкость упадет, но это некритично, зато простота

_________________
Мои поставщики запчастей с отличной репутацией
texnomag.ru
radioremont.com
pl-1.org
4ip.info
elitan.ru


Вернуться наверх
 
Не в сети
 Заголовок сообщения: Re: Как управлять громкостью с МСН ?
СообщениеДобавлено: Вт сен 17, 2019 10:28:41 
Модератор
Аватар пользователя

Карма: 159
Рейтинг сообщений: 4072
Зарегистрирован: Пт янв 23, 2009 19:20:05
Сообщений: 45120
Рейтинг сообщения: 0
Медали: 1
Получил миской по аватаре (1)
МСН выдаёт ШИМ-сигнал, постоянная составляющая которого, выделенная простейшим фильтром, используется для управления... Как уже писал выше, проще всего согласуется МСН с типовым регулятором громкости, баланса и тембра на распространённых микросхемах, типа той же LM1036 или подобной, коих выпущено множество. Зачем изобретать велосипед?


Вернуться наверх
 
Показать сообщения за:  Сортировать по:  Вернуться наверх
Начать новую тему Ответить на тему  [ Сообщений: 15 ] 

Часовой пояс: UTC + 3 часа


Кто сейчас на форуме

Сейчас этот форум просматривают: нет зарегистрированных пользователей и гости: 37


Вы не можете начинать темы
Вы не можете отвечать на сообщения
Вы не можете редактировать свои сообщения
Вы не можете удалять свои сообщения
Вы не можете добавлять вложения

Найти:
Перейти:  


Powered by phpBB © 2000, 2002, 2005, 2007 phpBB Group
Русская поддержка phpBB
Extended by Karma MOD © 2007—2012 m157y
Extended by Topic Tags MOD © 2012 m157y