Например TDA7294

Форум РадиоКот • Просмотр темы - Микрофонный усилитель
Форум РадиоКот
Здесь можно немножко помяукать :)

Текущее время: Ср ноя 26, 2025 00:06:05

Часовой пояс: UTC + 3 часа


ПРЯМО СЕЙЧАС:



Начать новую тему Ответить на тему  [ Сообщений: 435 ]     ... , , , 16, , , ...  
Автор Сообщение
Не в сети
 Заголовок сообщения: Re: Микрофонный усилитель
СообщениеДобавлено: Вт май 08, 2018 10:30:45 
Первый раз сказал Мяу!

Карма: 1
Рейтинг сообщений: 14
Зарегистрирован: Сб май 24, 2014 22:21:27
Сообщений: 32
Откуда: Тольятти
Рейтинг сообщения: 0
только чем будете давать на затвор смещение с полярностью, противоположной стоковому?

не совсем понял, а для чего это? поляризация транзистора - стандартно, резистором, хватит 100 Мом, такой легко купить (собрать из доступных в продаже). поляризация капсюля - от балды, есть два способа. я же писал про неэлектретные капсюли.


Вернуться наверх
 
Не в сети
 Заголовок сообщения: Re: Микрофонный усилитель
СообщениеДобавлено: Вт май 08, 2018 11:32:39 
Друг Кота
Аватар пользователя

Карма: 44
Рейтинг сообщений: 601
Зарегистрирован: Вс мар 04, 2007 11:39:00
Сообщений: 4469
Откуда: Ukraine, Kyiv
Рейтинг сообщения: 0
поляризация транзистора - стандартно, резистором
Вы, вообще-то, сами понимаете, что написали?

Полевой транзистор с P-N переходом (Junction FET) работает в I и IV квадрантах (с полярностью напряжения на затворе, относительно истока, обратной к той, что подается на сток). Мембрана наэлектризовывается именно в такой полярности. Т.е., если транзистор питается плюсом, то на затворе - минус от наэлектризованной мембраны.

Чисто конденсаторные капсюли требуют подачи внешнего напряжения соответствующей полярности на затвор согласующего полевого транзистора. Собственно, электретный микрофон - это крайне упрощенный конденсаторный, не требующий специальной цепи подачи затворного напряжения противоположной полярности к питающему.

_________________
Выслушай и противную сторону, даже если она и противна


Вернуться наверх
 
Не в сети
 Заголовок сообщения: Re: Микрофонный усилитель
СообщениеДобавлено: Вт май 08, 2018 12:27:23 
Первый раз сказал Мяу!

Карма: 1
Рейтинг сообщений: 14
Зарегистрирован: Сб май 24, 2014 22:21:27
Сообщений: 32
Откуда: Тольятти
Рейтинг сообщения: 0
наэлектризованная мембрана вообще не подключается к затвору. она либо соединена с землей через высокоомное сопротивление и на ней будет затворный потенциал (можно даже такой прикол сотворить, капсюль будет поляризоваться от транзистора через затвор, вообще без подачи специального питания на капсюль, тихо, но будет работать), либо, если мы хотим снимать сигнал именно с наэлектризованной части капсюля (это совсем необязательно будет мембрана), как делается в большинстве микрофонов и на это есть свои причины, - тогда обязательно через конденсатор на затвор.
про плюсы и минусы на мембране, а как же тогда работают двухкапсюльные микрофоны, где при восьмеркообразной направленности подается одновременно и положительное напряжение на капсюль и отрицательное? транзистор там один.
вы наверное имели ввиду схему поляризации транзистора с введением резистора в исток, еще бывает делают даже на оу подстройку рабочей точки, так это больше для уменьшения всяких искажений и шумов. извращается кто как может. это непринципиально. на капсюле можете менять полярность как хотите и ничего от этого не изменится. и в электретных полярность заряда электрета тоже на звук не повлияет. я понимаю там есть свои технологические тонкости, но не более. кроме. самой простой схемы неэлектретного микрофона без затворного конденсатора. и то в этом случае немного изменится разность потенциалов обкладок конденсатора-капсюля, что может повлиять на устойчивость мембраны, чувствительность. но если так делают, значит знают что делают, снижают или повышают напряжение на капсюле на сколько надо.
я не понимаю про что вы хотите сказать. теоретически можно наверное сделать так, чтобы все выводы транзистора были под потенциалами сравнимыми с потенциалом на капсюле, и при этом чтобы он еще выдержал, но я такого честно не встречал. вы какие то сложности прям описываете, взгляните на схемы реальных микрофонов и там довольно все просто же.


Вернуться наверх
 
Не в сети
 Заголовок сообщения: Re: Микрофонный усилитель
СообщениеДобавлено: Вт май 08, 2018 12:45:02 
Друг Кота
Аватар пользователя

Карма: 44
Рейтинг сообщений: 601
Зарегистрирован: Вс мар 04, 2007 11:39:00
Сообщений: 4469
Откуда: Ukraine, Kyiv
Рейтинг сообщения: 0
Знаете, я фантастику люблю читать "в чистом виде", а не привязанную к электронике.

_________________
Выслушай и противную сторону, даже если она и противна


Вернуться наверх
 
Эиком - электронные компоненты и радиодетали
Не в сети
 Заголовок сообщения: Re: Микрофонный усилитель
СообщениеДобавлено: Вт май 08, 2018 12:58:50 
Модератор
Аватар пользователя

Карма: 159
Рейтинг сообщений: 4072
Зарегистрирован: Пт янв 23, 2009 19:20:05
Сообщений: 45126
Рейтинг сообщения: 0
Медали: 1
Получил миской по аватаре (1)
...Полевой транзистор с P-N переходом (Junction FET) работает в I и IV квадрантах (с полярностью напряжения на затворе, относительно истока, обратной к той, что подается на сток)...
Полевые транзисторы прекрасно работают при нулевом смещении между истоком и затвором, более того - именно в таком режиме шум транзистора минимален... Собирал УВ для катушечного магнитофона на сборках 2ПС104 в таком режиме - уровень шума получился лучше, чем у "родного" усилителя на КТ3102Е... :)


Вернуться наверх
 
Не в сети
 Заголовок сообщения: Re: Микрофонный усилитель
СообщениеДобавлено: Вт май 08, 2018 16:15:07 
Друг Кота
Аватар пользователя

Карма: 44
Рейтинг сообщений: 601
Зарегистрирован: Вс мар 04, 2007 11:39:00
Сообщений: 4469
Откуда: Ukraine, Kyiv
Рейтинг сообщения: 0
Убедите производителей, чтобы мембрану не поляризовали! Зачем они так делают, если без этого шумы меньше, а транзистору работается лучше.

_________________
Выслушай и противную сторону, даже если она и противна


Вернуться наверх
 
Не в сети
 Заголовок сообщения: Re: Микрофонный усилитель
СообщениеДобавлено: Вт май 08, 2018 22:03:15 
Первый раз сказал Мяу!

Карма: 1
Рейтинг сообщений: 14
Зарегистрирован: Сб май 24, 2014 22:21:27
Сообщений: 32
Откуда: Тольятти
Рейтинг сообщения: 0
по всякому делают. от конструкции зависит. если у измерительных; с малой диафрагмой; тех же электретных - диафрагма физически соединена с землей, тут сильно не разгонишься в плане подключения. в каких то микрофонах нужна защита от влажности, пыли, в каких то другие приоритеты, упрощение переключения направленности и т. д. даже у известной немецкой фирмы микрофоны одного типа (например студийные кардиодные) были и такие и такие. да и разве это проблема поменять местами провода и выбрать что кому лучше.


Вернуться наверх
 
Не в сети
 Заголовок сообщения: Re: Микрофонный усилитель
СообщениеДобавлено: Пт май 18, 2018 00:21:01 
Первый раз сказал Мяу!

Карма: 1
Рейтинг сообщений: 14
Зарегистрирован: Сб май 24, 2014 22:21:27
Сообщений: 32
Откуда: Тольятти
Рейтинг сообщения: 0
Убедите производителей, чтобы мембрану не поляризовали! Зачем они так делают, если без этого шумы меньше, а транзистору работается лучше.

я понял. не все знают устройство конденсаторного микрофона. это не зазорно даже для электронщика, все таки вещь специфическая. так вот нарисовал схематично, в реально существующих микрофонах используется в основном два варианта проверенных временем (верхняя и нижняя слева). если вас смущает то что мембрана заряженная или не заряженная, мысленно переверните капсюль, чтобы не плодить картинки я так нарисовал просто. так же что касается транзистора - нарисовано только для примера, бывают очень разные схемы.
когда вы начали про полярности и т. д., я сам задумался, а ведь можно соединить напрямую затвор с заряженной частью, и что для этого нужно. вот правая картинка и есть моя фантазия на этот счет. нам же важно создать разность потенциалов, а не обязательно разные полярности, тем более в микрофоне где бывает и 100 вольт используется для мембраны, так и транзисторы не выдержали бы.
я и сам хочу спросить разбирающихся, работоспособен ли такой вариант?
Изображение
потом перечитал вашу строчку про "с полярностью напряжения на затворе, относительно истока, обратной к той, что подается на сток", и хоть я сам по сути практик дилетант, но это ваше мне показалось очень странным) как будто попытка гуманитария объяснить себе что такое отрицательное напряжение затвор-исток)) даже странно такое читать от человека вроде опытного и я верю что вы понимаете как работает транзистор.
я тоже понаписал много и глупостей. хотя в двух словах хотел сказать следующее: в реальных микрофонах цепь поляризации мембраны и цепь поляризации jfet не связаны между собой. именно поэтому можно например уменьшать напряжение на капсюле (аттенюация микрофона), даже менять полярность на капсюле в процессе работы (переключение диаграммы направленности с круга на восьмерку). если вы такое встречали, где это объединено, будет интересно взглянуть.


Вернуться наверх
 
Не в сети
 Заголовок сообщения: Re: Микрофонный усилитель
СообщениеДобавлено: Чт сен 13, 2018 11:52:47 
Друг Кота
Аватар пользователя

Карма: 44
Рейтинг сообщений: 601
Зарегистрирован: Вс мар 04, 2007 11:39:00
Сообщений: 4469
Откуда: Ukraine, Kyiv
Рейтинг сообщения: 0
Не удивляться надо, а учиться. Полевые транзисторы бывают Р-канальные и N-канальные (к примеру, КП103 и КП303). Поэтому для первых напряжение на затворе будет положительное, а не отрицательное. Мое "сложное" описание охватывает оба варианта, как это принято в практике патентоведения.

_________________
Выслушай и противную сторону, даже если она и противна


Вернуться наверх
 
Не в сети
 Заголовок сообщения: усилитель ндля электретного микрофона
СообщениеДобавлено: Сб янв 26, 2019 13:38:18 
Открыл глаза

Зарегистрирован: Чт авг 31, 2017 18:47:50
Сообщений: 62
Откуда: местечко сортавала (карелия)
Рейтинг сообщения: 0
Здравствуйте решил я собрать усилитель к электретному микрофону сделал я его по простому вот схема.Собирал на макетке.
Но получается такая беда он фонит,свистит,самовозбуждается беда просто, но проблема та вся в том что ничего кроме этого не слышно правда если подуть в микрофон можно понять что пациент жив,человеческую речь слышит только если засунуть его в рот на 1 сантиметр ,и то скорее шумит в такт речи.Транзисторы 2N3904 с усилением по датишу 100-300.И еще если положить на динамик микрофона звук весьма искажённый,чуть при подымешь звука нет.Микрофон со встроенным полевым транзистором ,так как без питания не работает.
я сам выделяю несколько возможных причин
1)усиление моей схемы не достаточно надо еще каскадов.
2)данная схема в силу своей простоты не имеет достаточной стабилизации и шумы забивают полезный сигнал.
3)я криворукий и детали расположены не правильно и приемник самовозбуждается хотя частота всего от силы 10 000герц.
4)китайцы надули и продали партию микрофонов с браком.
5)причина не в моей компетенции в силу недостатка образования.
6)питание моего хлеба(макетки) шумит опять китайцы виноваты.
ЗАРАНЕЕ СПАСИБО.
Вложение:
усилитель микрофона.JPG [19.7 KiB]
Скачиваний: 1061



Тема дубль.
Сюда перенес.
Читайте с самой первой страницы. Там все написано.
aen


Вернуться наверх
 
Не в сети
 Заголовок сообщения: Re: усилитель ндля электретного микрофона
СообщениеДобавлено: Сб янв 26, 2019 13:48:51 
Друг Кота
Аватар пользователя

Карма: 197
Рейтинг сообщений: 8575
Зарегистрирован: Пн ноя 30, 2009 03:00:01
Сообщений: 42992
Откуда: Нерезиновая
Рейтинг сообщения: 0
20 кОм для питания микрофона- МНОГО
Какое напряжение на эмиттере первого транзистора? В этой схеме надо подбирать резистор от питания на базу так, чтобы на коллекторе была половина напряжения питания!
Резистор 470 Ом в коллекторе первого трангзистора- МАЛО!! Там надо ставить резистор примерно в 2~10 раз больше.
Нет резистора смещения базы второго транзистора!
Резистор номиналом 470 Ом в цепи наушников- просто лишний, а в этой схеме он ещё получается делителем примерно в 15 раз.
1000 мкФ переходных конденсаторов- много, там обычно ставят 10 - 47 мкФ, больше и не надо, хотя работе они и не помешают.

зы.. Схему сами придумали, или взяли откуда- то?


Последний раз редактировалось АлександрЛ Сб янв 26, 2019 13:55:53, всего редактировалось 1 раз.

Вернуться наверх
 
Не в сети
 Заголовок сообщения: Re: усилитель ндля электретного микрофона
СообщениеДобавлено: Сб янв 26, 2019 13:57:20 
Открыл глаза

Зарегистрирован: Чт авг 31, 2017 18:47:50
Сообщений: 62
Откуда: местечко сортавала (карелия)
Рейтинг сообщения: 0
Блин я забыл начертить на схеме смещение.

Добавлено after 2 minutes 1 second:
Схему почти моя сам переделал под свое напряжение

Добавлено after 1 minute 59 seconds:
Сейчас пойду переделаю по вашим рекомендациям,
потом отпишусь.


Вернуться наверх
 
Не в сети
 Заголовок сообщения: Re: усилитель ндля электретного микрофона
СообщениеДобавлено: Сб янв 26, 2019 13:57:26 
Друг Кота
Аватар пользователя

Карма: 197
Рейтинг сообщений: 8575
Зарегистрирован: Пн ноя 30, 2009 03:00:01
Сообщений: 42992
Откуда: Нерезиновая
Рейтинг сообщения: 0
А как это "переделал"?
В таких "упрощённых" схемах - вся переделка- это подбор базового резистора.


Вернуться наверх
 
Не в сети
 Заголовок сообщения: Re: усилитель для электретного микрофона
СообщениеДобавлено: Сб янв 26, 2019 14:03:02 
Открыл глаза

Зарегистрирован: Чт авг 31, 2017 18:47:50
Сообщений: 62
Откуда: местечко сортавала (карелия)
Рейтинг сообщения: 0
А про конденсаторы у меня других электролитических нет,можно оставить?


Вернуться наверх
 
Не в сети
 Заголовок сообщения: Re: усилитель для электретного микрофона
СообщениеДобавлено: Сб янв 26, 2019 16:43:52 
Друг Кота
Аватар пользователя

Карма: 197
Рейтинг сообщений: 8575
Зарегистрирован: Пн ноя 30, 2009 03:00:01
Сообщений: 42992
Откуда: Нерезиновая
Рейтинг сообщения: 0
конденсаторы у меня других электролитических нет,можно оставить?
А что у вас вообще ЕСТЬ?
Как минимум, нужны резисторы разных номиналов от 470 Ом до 470 кОм, вместо электролитов можно поставить керамику 1~4,7 мкФ..
И ещё мультиметр не помешало бы- "на палец" аналоговые схемы настраивать- :facepalm:


Вернуться наверх
 
Не в сети
 Заголовок сообщения: Re: усилитель ндля электретного микрофона
СообщениеДобавлено: Ср мар 27, 2019 06:54:12 
Друг Кота
Аватар пользователя

Карма: 95
Рейтинг сообщений: 1815
Зарегистрирован: Ср дек 07, 2011 18:17:50
Сообщений: 6352
Откуда: Western Siberia
Рейтинг сообщения: 0
Блин я забыл начертить на схеме смещение.

Добавлено after 2 minutes 1 second:
Схему почти моя
потом отпишусь.

Там в вашей схеме полностью отсутствует правильная развязка по питанию
Резисторы по плюсу в классических схемах идут последовательно в нагрузку.
У вас параллельно.
Подобный микрофонный усилитель можно сделать на малошумящем
транзисторе 3102 с большим коэффициентом усиления.(200-500)
Время займет полчаса на коленке.
Несколько резисторов, один стабилитрон. Электролит на 16 вольт 1000 мкф.


Вернуться наверх
 
Не в сети
 Заголовок сообщения: Re: Микрофонный усилитель
СообщениеДобавлено: Вт июн 11, 2019 02:09:11 
Родился

Зарегистрирован: Вс июн 09, 2019 22:07:48
Сообщений: 1
Рейтинг сообщения: 0
Подскажите, пожалуйста, господа. Возможно ли без особых заморочек переделать эту схему
Вложение:
33.JPG [12.91 KiB]
Скачиваний: 794
под фантомное питание 3В?
Я видел, что есть это,
Вложение:
04.png [10.05 KiB]
Скачиваний: 541
но там используется pnp, которого прямо сейчас нет, но есть куча npn.

Если всё же переделать не возможно, то что можно сделать с этим?
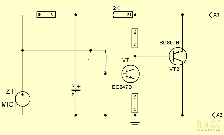
Собрал такую схему на BC550
СпойлерИзображение
, есть 2 микрофона, с одним работает хорошо, дает где-то 20дб усиления, а с другим микрофоном, как раз тем, что мне нужен, почему-то работает очень плохо, усиление максимум 5дб. Попытался разобраться в чем может быть проблема.

Есть даташит на микрофон
СпойлерИзображение
моя модель это 1.5В/680Ом, звуковая карта 3В/2.2КОм и собственно нерабочая схема. Попробовал сильно упростить схему, оставил только нагрузку в виде переменного резистора, выяснил, что микрофон работает лишь при сопротивлении ~2-2.5к а усиление существенно не изменилось.

Пока изучал данный вопрос наткнулся на один ресурс и попробовал повторить схему https://www.falstad.com/circuit/circuitjs.html но моих примитивных познаний в схемотехнике кажется не хватило, чтобы всё правильно согласовать. Если, оно вообще там работает... :facepalm:

В общем, хочу попросить знающих подсказать по поводу питания, можно ли вообще с ним что-то сделать, а так же помочь разобраться, как можно заставить схему нормально усиливать этот микрофон, может вообще другую схему посоветуете. Схемы на ОУ в будущем, пока хочется в это палкой потыкать :)) .


Вернуться наверх
 
Не в сети
 Заголовок сообщения: Re: Микрофонный усилитель
СообщениеДобавлено: Вт июн 11, 2019 04:57:40 
Друг Кота
Аватар пользователя

Карма: 197
Рейтинг сообщений: 8575
Зарегистрирован: Пн ноя 30, 2009 03:00:01
Сообщений: 42992
Откуда: Нерезиновая
Рейтинг сообщения: 0
Самая проблема в том, чт, не только микрофоны разных производителей имеют большой разброс характеристик, а, даже микрофоны одной и той же модели- имеют разброс.. Если у вас в схеме один микрофон работает, а другой - нет, то оставьте тот микрофон, который работает..
Вот из этой статьи:
https://radiokot.ru/circuit/audio/amplifier/40/
я собирал обе схемы- они РАБОЧИЕ..


Вернуться наверх
 
Не в сети
 Заголовок сообщения: Re: Микрофонный усилитель
СообщениеДобавлено: Чт июн 13, 2019 11:24:39 
Первый раз сказал Мяу!

Зарегистрирован: Вс фев 17, 2013 21:32:57
Сообщений: 31
Рейтинг сообщения: 0
Здравствуйте.Я думаю, будет в тему.

Делаю шумомер по вот этому гайду.
http://davidegironi.blogspot.com/2014/0 ... QIaAIgzaUl

У него в коде, есть константы, где нужно указать напряжение после усиления, при определенном уровне шума.
Изначально, для его схемы указано 300мкВ при 32дБ
Но он измерял эксперементально, с эталонным шумометром.
У его микрофона WM-61A, чувствительность -35dB V\Pa

Я выбрал микрофон ECM-30A. Чувствительность -55dB V\ubar.
Перевел ее в -35dB V\Pa и далее в 17мВ\Па.
У моего микрофонного усилителя КУ 66 (усилитель делал по схеме техасов и расчеты все их же, там все простейше — делитель ОУ * коэффициент от фильтров и на 95% там все зависит от делителя.
Собственно, что бы получить напряжение на выходе усилителя при 32дБ, я взял звуковое давление при этих 32дБ,
которое получилось 0.0008 Па, и попросту перемножил с КУ и чувствительность.

В итоге КУ*Чуствительность*0.0008Па у меня получилось что то в районе 800мкВ при 32дБ, что в более чем 2 раза превосходит значения автора, при микрофоне со схожими параметрами.
Или в 2 раза недотягивает, если уменьшить КУ, до авторского.

В чем моя ошибка? Мне кажется нельзя так просто умножать мВ\Па на обычные Па.


Вернуться наверх
 
Не в сети
 Заголовок сообщения: Re: Микрофонный усилитель
СообщениеДобавлено: Сб июн 29, 2019 22:39:44 
Первый раз сказал Мяу!

Карма: 1
Рейтинг сообщений: 14
Зарегистрирован: Сб май 24, 2014 22:21:27
Сообщений: 32
Откуда: Тольятти
Рейтинг сообщения: 0
Здравствуйте.Я думаю, будет в тему.

В чем моя ошибка? Мне кажется нельзя так просто умножать мВ\Па на обычные Па.


Формул не знаю, можно ли умножать или нет. Давайте, чтобы не ошибиться, сделаем проще и логичнее. Берем wm-61a, чувствительность его уже дана 17 мв/Па, а поскольку известно что измеряют при 94 дб, а нам нужно знать напряжение при 32 дб. просто нужно уменьшить 17 на 62 дб (94-32). Это надо будет разделить примерно на 1258. Получим 13.51 мкВ. Вроде пока все верно? Но это теория.
Надо понимать что производитель микрофона (допустим опять panasonic, я думаю им можно доверять) под чувсвительностью подразумевает сигнал внутри капсюля который получается при давлении 94 дб. Но кроме этого в микрофоне есть и полевик. И на выходе в зависимости от схемы мы получим разное усиление, оно может быть даже меньше единицы, но в стандартной схеме с резистором в зависимости от питания усиление будет скажем от 1.5 до 3. Может тут и кроется разгадка? Вы не учли усиление самого полевика внутри?
Еще. Посмотрел даташит на этот ECM-30A, мало сведений и смущает почему они пишут чувсвительность с учетом напряжения и резистора, уж не имеется ли в виду что это значение будет уже на выходе схемы? (в отличие от wm61a). Честно говоря как правило китайские капсюли имеют чуйку ~-40 дб. С такими чаще сталкиваемся, а у wm-61a она довольно высокая и редко где такую найдешь.
Да и вообще, везде разброс +-3 дб, приплюсуйте еще разброс полевиков, я думаю если делать шумомер, то не обойтись без эталонного более менее точного прибора.
Какой дать совет, если уверены в капсюлях, то раз уж параметры более менее совпадают с panasonic, то не надо ничего высчитывать, просто примите выход при 32 дб такой же как у автора. Ну конечно с учетом своего усиления ОУ.
Кстати, 32 дб (у панасоника) это будет эквивалент шума самого микрофона, если еще повезет, в вашем скорее всего шум больше, в даташите ничего конкретного не сказано, то есть в полной тишине ниже 32-35 дб вы ничего не намеряете, если это важно.


Вернуться наверх
 
Показать сообщения за:  Сортировать по:  Вернуться наверх
Начать новую тему Ответить на тему  [ Сообщений: 435 ]     ... , , , 16, , , ...  

Часовой пояс: UTC + 3 часа


Кто сейчас на форуме

Сейчас этот форум просматривают: нет зарегистрированных пользователей и гости: 24


Вы не можете начинать темы
Вы не можете отвечать на сообщения
Вы не можете редактировать свои сообщения
Вы не можете удалять свои сообщения
Вы не можете добавлять вложения

Найти:
Перейти:  


Powered by phpBB © 2000, 2002, 2005, 2007 phpBB Group
Русская поддержка phpBB
Extended by Karma MOD © 2007—2012 m157y
Extended by Topic Tags MOD © 2012 m157y