Например TDA7294

Форум РадиоКот • Просмотр темы - Самодельный щуп к осциллографу
Форум РадиоКот
Здесь можно немножко помяукать :)

Текущее время: Вс окт 05, 2025 05:06:01

Часовой пояс: UTC + 3 часа


ПРЯМО СЕЙЧАС:



Начать новую тему Ответить на тему  [ Сообщений: 205 ]     ... , , , 9, ,  
Автор Сообщение
Не в сети
 Заголовок сообщения: Re: Самодельный щуп к осциллографу
СообщениеДобавлено: Сб ноя 13, 2021 12:24:55 
Вымогатель припоя
Аватар пользователя

Карма: 12
Рейтинг сообщений: 639
Зарегистрирован: Ср янв 12, 2011 07:42:16
Сообщений: 553
Рейтинг сообщения: 0
...сделать осциллограммы с растяжкой - идея хорошая
Радует, что вы заценили труд ТЕКовских инженеров :idea:
т.к. визуально повысит разрешающую способность...
Да в том-то и дело, что не только визуально! Если внимательно посмотреть осциллограммы, приведённые выше, можно увидеть, что разрешающая способность курсорных измерений по оси времени тоже повысилась десятикратно. Как ещё вы можете получить 500 пс/дел на своём 2465В?

Именно поэтому в руководстве пользователя для таких измерений написано:
Изображение Изображение
Причём про повышенную точность говорится в сравнении с автоматическим измерением, для которого вообще пару кнопок нажать требуется. Я это не использую, мне кнопку растяжки ткнуть не в лом.
Изображение

Как выглядит англоязычная аббревиатура, в грубой форме призывающая ознакомиться с содержимым мануала, и так все знают, приводить не буду.

_________________
VAC for us
HP3456A, HP3457A(+FRAM+STK12C68), HP3458A(+FRAM)
FLUKE 343A(+MAX44246+3xLM399)


Вернуться наверх
 
Не в сети
 Заголовок сообщения: Re: Самодельный щуп к осциллографу
СообщениеДобавлено: Сб ноя 13, 2021 15:43:16 
Электрический кот
Аватар пользователя

Карма: 17
Рейтинг сообщений: 783
Зарегистрирован: Сб сен 07, 2019 20:13:34
Сообщений: 1050
Рейтинг сообщения: 0
TEKTRON,
Как выглядит англоязычная аббревиатура, в грубой форме призывающая ознакомиться с содержимым мануала, и так все знают, приводить не буду.
Эк вы прицепились, право слово, просто заело вас на этом месте.

_________________
...наверное.


Вернуться наверх
 
Не в сети
 Заголовок сообщения: Re: Самодельный щуп к осциллографу
СообщениеДобавлено: Вт янв 18, 2022 23:39:03 
Прорезались зубы

Зарегистрирован: Пн фев 10, 2014 19:40:03
Сообщений: 246
Рейтинг сообщения: 0
Здравствуйте.
Можно я здесь задам вопрос по щупам?
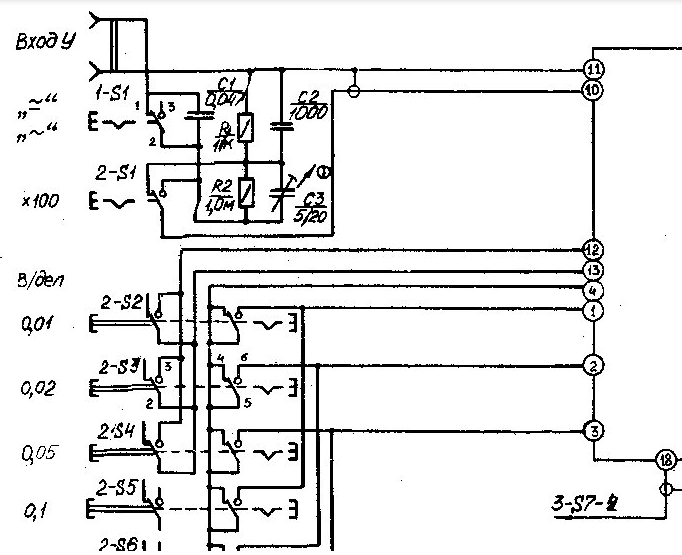
Приобрел осциллограф ОМЛ-3М. В комплекте мне достался вот такой щуп:
Изображение
Характеристики его неизвестны. Но думаю он некомплектный(самодельный). Центральная жила медная. Сопротивление маленькое. точно не скажу, но меньше 0.1 Ом. Кабель похож на РК50. Достаточно его будет для измерений до 10МГц(ну как измерений, на такой частоте наверное только можно будет посмотреть наличие сигнала). Реально что-то измерить этим осциллографом наверное можно на частотах до 5 МГц. Длинна одного периода частотой 5МГц по экрану осциллографа будет равна 10мм, а на частоте 10МГц - 5мм. Ну так вот, как можно понять, что щуп, с которым мне достался осциллограф способен работать на таких частотах? Я слышал, что на высоких частотах нужно проводить измерения с делителем. В моем осциллографе делителя нет, хотя на схеме он нарисован(кнопка 2-S1).
Изображение

Если делитель необходим, то можно ли использовать китайский щуп Р6100 https://aliexpress.ru/item/100500185654 ... _content=2

Характеристики щупа Р6100 :
Изображение

Характеристики осциллографа

Спойлер1) наблюдение формы импульсов любой полярности с длительностью от 0,2 мкс до 0,1 с и размахом от 10 мВ до 300 В;
2) наблюдение периодических колебаний в диапазоне частот от 3 до 5 МГц;
3) измерение амплитуд исследуемых сигналов от 20 мВ до 150 В;
4) измерение временных интервалов от 0,4 мкс до 0,2 с.
2.2. Размер рабочей части экрана – 30 х 40 мм или 6 х 8 делений по вертикальной и горизонтальной осям масштабной сетки, цена деления которой 5 мм.
2.3. Толщина линии луча осциллографа - не более 1,0 мм.
2.4. Усилитель канала вертикального отклонения луча имеет следующие параметры:
1) неравномерность частотной характеристики не превышает 3 дБ в диапазоне частот от 3 то 5 МГц при амплитуде, равной 4 делениям
2) неравномерность частотной характеристики не превышает 10 % в диапазоне частот от 0 до 3 МГц,
3) дрейф нулевой линии осциллографа за 30 мин. работы не превышает 1,5 делений;
дрейф нулевой линии осциллографа от изменения напряжения сети на ±10 % - не более 1 деления;
4) входное сопротивление усилителя при открытом входе 1 Мом ±2% параллельно с емкостью 40 пФ, не более;
Вход усилителя может быть открытым и закрытым;
5) допустимая суммарная величина постоянного переменного напряжений на входе – 300 В не более;
6) коэффициент отклонения канала вертикального отклонения луча имеет 12 фиксированных значений: 0,01; 0,02; 0,05; 0,1; 0,2; 0,5; 1,0; 2,0; 5,0; 10,0; 20,0; 50,0 В/дел.
2.5. Погрешность измерения амплитуд импульсных сигналов в диапазоне от 20 мВ до 150 В – 15%, не более;
2.6. Режим работы развертки может быть ждущим и авто-колебательным со следующими параметрами:
1) диапазоны длительности развертки и фиксированные значения:
0,1; 0,2; 0,5; 1,0; 2,0; 5,0; 10,0; 20,0; 50,0 мкс/дел;
0,1; 0,2; 0,5; 1,0; 2,0; 5,0; 10,0; 20,0; 50,0 мс/дел;
2) Погрешность измерения временных интервалов в диапазоне от 0,4 мкс до 0,2 с при величине изображения по горизонтали от 4 до 6 делений - 15 %, не более;
автоколебательный режим работы развертки обеспечивает наблюдение линии развертки в случае отсутствия сигнала на входе осциллографа.
2.7. синхронизация ждущего режима развертки осуществляется исследуемым сигналом любой полярности:
1) минимальный размер изображения, при котором обеспечивается синхронизация исследуемым сигналом в диапазоне частот от 20 Гц до 5 МГц и импульсами длительностью от 1 мкс до 2 с – 1 деление, не более;
2) минимальная величина внешней синхронизации в диапазоне частот от 20 Гц до 5 МГц – 1 В, не более.
2.8. Усилитель канала горизонтального отклонения луча имеет параметры:
1) неравномерность частотной характеристики в диапазоне частот от 0 до 0,5 МГц – 30 %, не более;
2) коэффициент отклонения со входа "X" – 0,5 В/дел, не более;
3) входное сопротивление 10 кОм.
2.9. Питание осциллографа осуществляется от сети переменного тока напряжением 220 В ± 10 %, частотой 50 Гц.


В интернетах где-то читал, что компенсационная емкость щупа должна составлять 1/9 от входной емкости осциллографа. Если это так, то китайский щуп не подходит? Или можно в нем попробовать заменить компенсационную емкость?


Вернуться наверх
 
Не в сети
 Заголовок сообщения: Re: Самодельный щуп к осциллографу
СообщениеДобавлено: Ср янв 19, 2022 10:30:25 
Опытный кот
Аватар пользователя

Карма: 31
Рейтинг сообщений: 1278
Зарегистрирован: Сб фев 24, 2018 10:11:28
Сообщений: 888
Откуда: Москва
Рейтинг сообщения: 0
Цитата:
Характеристики его неизвестны. Но думаю он некомплектный(самодельный). Центральная жила медная. Сопротивление маленькое. точно не скажу, но меньше 0.1 Ом. Кабель похож на РК50

Судя по рисунку, это однозначно чей-то самопал. Сам когда-то делал нечто подобное для своего первого самодельного осциллографа. Увы, но щупом это назвать нельзя. Во-первых, выходная емоксть такого чуда будет, скорее всего, больше 100 пФ. Но самое главное - из-за того, что кабель не согласован, будет наблюдаться звон на высоких частотах, обусловленный резонансными явлениями. Если длина кабеля в районе метра, то частота этого звона будет где-то на 20-30 Мгц.. Скорее всего, ваш прибор не сможет воспроизвести его полностью, но в любом случае искажения сигналов со сложным спектром (т.е. всего, отличного от синуса) однозначно будут. У себя подобным "щупом" я вообще не мог нормально наблюдать импульсы, так как каждый фронт порождал сильные и медленно затухающие колебания и прибор по сути показывал то, чего на самом деле нет (правда, и полоса у него была пошире, где-то в районе 15-20 Мгц, в вашем случае все может быть не так критично).

Цитата:
Если делитель необходим, то можно ли использовать китайский щуп Р6100 https://aliexpress.ru/item/100500185654 ... _content=2

Характеристики щупа Р6100 :

Если верить характеристикам, то в кашему прибору пододят щупы вплоть до 60-мегагерцового. Обратите внимание на compensation range - у НЧ-щупов он достигает 45 пФ, выше - только до 35 пФ. Так что согласовать P6100 с девайсом, вы, скорее всего, не сможете. Другое дело, что тут вроде бы писали о том, что китайские НЧ-щупы - это полное г., и вроде бы ам даже кабель медный. От себя могу посоветовать вот такой вот финт ушами - взять HP2100 (в нем компенсация выполнена в самом щупе, а не на конце кабеля у разъема). Жила кабеля там нихромовая. Если не хватит диапазона компенсации, тот он там относительно безболезненно расширяется оберзанием кабеля со стороны разъема (кроме разъема там ничего нет, в отличие от других серий). Чем больше обрежешь, тем больше максимальная входная емксть прибора может быть скомпенсирована. Дополнительный бонус HP-2100 - меньшая емкость в режиме 1:1 и полоса в таком режиме в районе 15-20 Мгц.

Цитата:
В интернетах где-то читал, что компенсационная емкость щупа должна составлять 1/9 от входной емкости осциллографа.

Очень примерно так и есть (более точно - 1/9 от входной емоксти прибора+емкость кабеля, если компенсационный подстроечный конденсатор расположен на щупе. Если он у разъема, то все несколько иначе). Только это уже вопросы, относящийся к конструированию щупов. В случае готовых изделий нам важно, чтобы емкость нашего прибора попадала в диапазон компенсации.

Добавлено after 20 minutes 2 seconds:
Ради интереса взял тот самый старый кабель с крокодилами на конце и посмотрел, как импульсы видны через него.. Подозреваю, что картинка еще более-менее приличная благодаря тому, что источник сигнала у меня 50-омный и более-менее согласованный с кабелем.. В случае произвольного импеданса все скорее всего будет намного хуже. Итак, меандр 2 Мгц от Оса103:
Изображение
Выбросы в половину амплитуды...

Тот же саый сигнал через нормальный щуп HP2100:
Изображение

Думаю, комментарии излишни.

_________________
"Простые" конструкции - обычно лишь источник разочарований. (c) RU3AEP


Вернуться наверх
 
Не в сети
 Заголовок сообщения: Re: Самодельный щуп к осциллографу
СообщениеДобавлено: Ср янв 19, 2022 13:01:27 
Грызет канифоль

Карма: 3
Рейтинг сообщений: 6
Зарегистрирован: Чт янв 21, 2016 11:34:56
Сообщений: 265
Рейтинг сообщения: 0
Прекрасный комментарий ! У меня с китайским щупом такая ситуация - на эталоне 1 МГц подстроил щуп до устранения выбросов, а когда измерял выход с ОХП появилась жуткая лапша, ничем не убираемая, то есть щуп глючит на более больших частотах.


Вернуться наверх
 
Не в сети
 Заголовок сообщения: Re: Самодельный щуп к осциллографу
СообщениеДобавлено: Ср янв 19, 2022 13:20:42 
Опытный кот
Аватар пользователя

Карма: 31
Рейтинг сообщений: 1278
Зарегистрирован: Сб фев 24, 2018 10:11:28
Сообщений: 888
Откуда: Москва
Рейтинг сообщения: 0
На самом деле наличие и форма выбросов и осцилляций зависят не от частоты повторения, а от КРУТИЗНЫ ФРОНТОВ (или, что эквивалентно - от ширины спектра сигнала). При равной крутизне что 1 КГц, что 1 Мгц будет давать одинаковые выбросы. Другое дело, что в первом случае из-за их кратковременности относительно периода колебаний основного сигнала можно и не заметить.. И уж они точно не будут бросаться в глаза, в отличие от второго случая.
В случае медленно затухающих колебаний после фронтов и достаточно высокой частоте сигнала вполне возможен случай, когда эти колебания не будут затухать до следующего фронта. Тогда "полок" на осциллограмме вообще не будет, а будет сплошная кривая..


Цитата:
на эталоне 1 МГц подстроил щуп до устранения выбросов, а когда измерял выход с ОХП появилась жуткая лапша, ничем не убираемая, то есть щуп глючит на более больших частотах.

Так не бывает. Тут два варианта - либо ваш эталон имеет слишком пологие фронты, которые ваш осциллограф воспроизводит "как есть" (в норме фронты должны быть сильно короче, чем время нарастания переходной характеристики, чтобы можно было понять, как прибор реагирует на быстрые перепады, полностью отобразить которые он в принципе не может). А сигнал с ОХП имеет фронты много круче и переходная характеристика измерительной системы предстает на них "во всей красе"

Либо (если эталон правильный) сигнал с ОХП действительно примерно такой, как его вам показывает ваш осциллограф.

Есть еще и третий вариант - подстройка щупа велась не на 1 Мгц, а на 1 Кгц (так называемая НЧ-компенсация).. Увы, но она сильно и однозначно влияет на АЧХ только в области килогерц-десятков Кгц. Подстроить АЧХ на ВЧ ей невозможно (вернее - обычно АЧХ на ВЧ также зависит от положения компенсатора, но далеко не всегда именно так, как хочется. В хороших щупах есть и ВЧ-компенсация, но в китайских - увы..)

_________________
"Простые" конструкции - обычно лишь источник разочарований. (c) RU3AEP


Вернуться наверх
 
Не в сети
 Заголовок сообщения: Re: Самодельный щуп к осциллографу
СообщениеДобавлено: Ср янв 19, 2022 13:35:51 
Грызет канифоль

Карма: 3
Рейтинг сообщений: 6
Зарегистрирован: Чт янв 21, 2016 11:34:56
Сообщений: 265
Рейтинг сообщения: 0
Надо, видимо разобраться с эталоном. Может подскажете, какой лучше взять (сделать, купить) ?


Вернуться наверх
 
Не в сети
 Заголовок сообщения: Re: Самодельный щуп к осциллографу
СообщениеДобавлено: Ср янв 19, 2022 13:47:54 
Опытный кот
Аватар пользователя

Карма: 31
Рейтинг сообщений: 1278
Зарегистрирован: Сб фев 24, 2018 10:11:28
Сообщений: 888
Откуда: Москва
Рейтинг сообщения: 0
Если полоса вашего осциллографа 100 и менее Мгц, то в качестве первого приближения пойдет сигнал с выхода скоростных микросхем серии 74AC. Я использовал 74AC00. Они дают почти наносекундные фронты. Только питание должно быть правильным - толстыми проводами, с блокировочными конденсаторами по кратчайшему пути.. 74AC74 не рекомендую.

_________________
"Простые" конструкции - обычно лишь источник разочарований. (c) RU3AEP


Вернуться наверх
 
Не в сети
 Заголовок сообщения: Re: Самодельный щуп к осциллографу
СообщениеДобавлено: Ср янв 19, 2022 14:45:29 
Прорезались зубы

Зарегистрирован: Пн фев 10, 2014 19:40:03
Сообщений: 246
Рейтинг сообщения: 0
Valentin Gvozdev, спасибо за развернутый ответ. Но я не совсем понял пару моментов.
Поясните мне пожалуйста про подстрочную емкость(compensation range). Как все-таки ее выбирать? Я понял так, что эта емкость складывается с емкостью кабеля(если построечная емкость находится в BNC разъеме . Для наглядности давайте возьмем характеристики щупа Р6100 - не важно, что он мне не подходит, это только для наглядности. Общая емкость щупа на х10 будет равна емкость кабеля+compensation range ,т.е Собщ=17+35=52пФ. Т.е эти 52пФ должны составлять 1/9 от входной емкости осциллографа(40пФ)? И почему именно 1/9, почему не 1/8? Откуда взяли это соотношение? Также у щупа есть параметр время нарастания/спада фронта 3,5нС. На моем осциллографе при максимальной развертке это 0,175мм, т.е такое даже не возможно будет рассмотреть. Стоит-ли мне обращать внимание на этот параметр в таком случае?


Вернуться наверх
 
Не в сети
 Заголовок сообщения: Re: Самодельный щуп к осциллографу
СообщениеДобавлено: Чт янв 20, 2022 01:16:38 
Опытный кот
Аватар пользователя

Карма: 31
Рейтинг сообщений: 1278
Зарегистрирован: Сб фев 24, 2018 10:11:28
Сообщений: 888
Откуда: Москва
Рейтинг сообщения: 0
В первом приближении щуп 10:1 можно представить себе как частотно-компенсированный делитель. В ве5рхнем плече которого - резистор 9 мегаом, нижнее образовано входным сопротивлением прибора (1 мегаом). Как извесно, чтобы делитель был частотно компенсированным и его коэффициент деления не зависел от частоты, должно соблюдаться соотношение R1/R2 = C1/C2, где С1 и С2 - это емкости парллельно соотвествующим резисторам. параллельно резистору нижнего плеча у нас включена емкость кабеля+ входная емоксть прибора. Тогда параллельно верхнему надо включить подстроечный конденсатор, вращением которого и добиваться частотной компнсации.. Примерно так устроен щуп HP-2100 (на самом деле там все много сложнее, но несуть).. Другой вариант - конденсатор параллельно резистору 9 Мом ставим постоянный, а на разъеме щупа, параллельно входной емкости и емкости кабеля, ставим подстроечник - так устрорена серия P6xxx.

То, что называется compensation range - это диапазон входный емкостей прибоора, в котором возможна компенсация щупа штатным подстроечником(!). При этом точную его емкость знать не нужно.. Как осуществляют НЧ-компенсацию - да очень просто. Практически в любом осциллографе для этого есть калибратор, выдающий меандр 1 Кгц.. Подключая щуп к нему и крутя подстрочник, надо добиться правильной формы - без завалов и выбросов. Вот и все.. Это не гарантирует оптимальности АЧХ в ВЧ-области (увы, она тоже меняется при подстройке), но простый щупы не предполагают ВЧ-коррекции.


Время нарастания - это, если не углубляться в теорию, своеобразный эквивалент гарантированной полосы пропускания. 3.5 нс соответствует полосе в 100 Мгц, 35 нс - полосе в 10 Мгц итд - все пропорционально. Учитывая, что ваш прибор абсолютно не в состоянии воспроизвести такие фронты и реальное время нарастание ПХ у него вряд ли лучше 35-50 нс, то на этот параметр щупа вполне можно закрыть глаза.

_________________
"Простые" конструкции - обычно лишь источник разочарований. (c) RU3AEP


Вернуться наверх
 
Не в сети
 Заголовок сообщения: Re: Самодельный щуп к осциллографу
СообщениеДобавлено: Чт янв 20, 2022 08:44:39 
Прорезались зубы

Зарегистрирован: Пн фев 10, 2014 19:40:03
Сообщений: 246
Рейтинг сообщения: 0
Valentin Gvozdev, спасибо за пояснение.
Давайте теперь проверим на цифрах правильно ли я все понял.
Емкость щупа Р6100 в положении х10 13-17 пФ. Входная емкость осциллографа 40 пФ. Эти емкости соединяются параллельно при подключении щупа к осциллографу, правильно? Т.е. Собщ=13+40=57пФ Значит Сcomp=57/9=6,3 пФ Диапазон изменения компенсационной емкости в щупе Р6100 от 10 до 35 пФ. Получается скомпенсировать это щуп с моим осциллографом не получится.
Верный ход моих мыслей? Я все правильно понял?


Вернуться наверх
 
Не в сети
 Заголовок сообщения: Re: Самодельный щуп к осциллографу
СообщениеДобавлено: Чт янв 20, 2022 09:07:44 
Собутыльник Кота

Карма: 14
Рейтинг сообщений: 472
Зарегистрирован: Вс фев 02, 2020 09:12:37
Сообщений: 2804
Рейтинг сообщения: 0
вход осциллографа имеет довольно стандартные значения 1М-40пФ, поэтому и щуп подойдёт....
===
40 пФ складываются с ёмкостью кабеля щупа, а не со входной ёмкостью щупа....15 пФ позволяют компенсировать входную ёмкость 135 пФ (осц+кабель)


Вернуться наверх
 
Не в сети
 Заголовок сообщения: Re: Самодельный щуп к осциллографу
СообщениеДобавлено: Чт янв 20, 2022 11:17:06 
Опытный кот
Аватар пользователя

Карма: 31
Рейтинг сообщений: 1278
Зарегистрирован: Сб фев 24, 2018 10:11:28
Сообщений: 888
Откуда: Москва
Рейтинг сообщения: 0
Цитата:
Емкость щупа Р6100 в положении х10 13-17 пФ. Входная емкость осциллографа 40 пФ. Эти емкости соединяются параллельно при подключении щупа к осциллографу, правильно? Т.е. Собщ=13+40=57пФ Значит Сcomp=57/9=6,3 пФ Диапазон изменения компенсационной емкости в щупе Р6100 от 10 до 35 пФ. Получается скомпенсировать это щуп с моим осциллографом не получится.

Абсолютно неправильно. Compensation range - это допустимый для данного щупа диапазон входной емкости прибора, в котором возможна нормальная НЧ-компенсация. Какая и где там в итоге будет емкость внутри самого щупа, с точки зрения пользователя совсем неважно.
Зная точную схему вашего щупа, можно, конечно, это подсчитать, но зачем? Все равно компенсацию проводят визуально, крутя подстроечник и глядя на экран.

Для щупов с компенсацилнным конденсатором на самом щупе (HP-2100) диапазон компенсации может быть немного расширен вверх путем укорачивания кабеля. В причипе, то же самое может быть сденлано и с щупами типа P6xxx, только там это немного технически сложнее.. При этом несколько изменяются ВЧ-характеристики, но в первом приближении это неважно. Особенно при полосе прибора в 5-10 Мгц.

_________________
"Простые" конструкции - обычно лишь источник разочарований. (c) RU3AEP


Вернуться наверх
 
Не в сети
 Заголовок сообщения: Re: Самодельный щуп к осциллографу
СообщениеДобавлено: Чт янв 20, 2022 11:49:25 
Прорезались зубы

Зарегистрирован: Пн фев 10, 2014 19:40:03
Сообщений: 246
Рейтинг сообщения: 0
Абсолютно неправильно.

А как тогда правильно? Не могли бы вы написать это в формулал на примере конкретного щупа. Я окончательно запутался.
Вот в этом видео препарируют щуп Р6100. Там же есть и его схема(на 24 минуте).

Добавлено after 7 minutes 2 seconds:
1en2,
Цитата:
40 пФ складываются с ёмкостью кабеля щупа, а не со входной ёмкостью щупа....

Тогда получается емкость кабеля по таблице 120пФ + 40пФ входной емкости осциллографа и равно 160пФ. Делим это на 9 и получаем 17.8пФ. Попадаем в диапазон 10 - 35пФ. Делаем вывод, что кабель можно скомпенсировать. Все верно?


Вернуться наверх
 
Не в сети
 Заголовок сообщения: Re: Самодельный щуп к осциллографу
СообщениеДобавлено: Чт янв 20, 2022 12:12:51 
Собутыльник Кота

Карма: 14
Рейтинг сообщений: 472
Зарегистрирован: Вс фев 02, 2020 09:12:37
Сообщений: 2804
Рейтинг сообщения: 0
для ОМЛ можно не заморачиваться, полоса не та...


Вернуться наверх
 
Не в сети
 Заголовок сообщения: Re: Самодельный щуп к осциллографу
СообщениеДобавлено: Чт янв 20, 2022 16:09:50 
Прорезались зубы

Зарегистрирован: Пн фев 10, 2014 19:40:03
Сообщений: 246
Рейтинг сообщения: 0
1en2, дело не в ОМЛ. Я для себя хочу разобраться. Сегодня у меня ОМЛ, а завтра что-то лучше.


Вернуться наверх
 
Не в сети
 Заголовок сообщения: Re: Самодельный щуп к осциллографу
СообщениеДобавлено: Чт янв 20, 2022 16:37:20 
Опытный кот
Аватар пользователя

Карма: 31
Рейтинг сообщений: 1278
Зарегистрирован: Сб фев 24, 2018 10:11:28
Сообщений: 888
Откуда: Москва
Рейтинг сообщения: 0
Для начала советую почитать вот это: https://web.archive.org/web/20160312232 ... robes.html
Там даны основные принципы создания щупов и неявные моменты их работы. В реальности все несколько сложнее, но для первого (и второго тоже) приближения этого вполне хватит.

_________________
"Простые" конструкции - обычно лишь источник разочарований. (c) RU3AEP


Вернуться наверх
 
Не в сети
 Заголовок сообщения: Re: Самодельный щуп к осциллографу
СообщениеДобавлено: Чт янв 20, 2022 19:56:14 
Прорезались зубы

Зарегистрирован: Пн фев 10, 2014 19:40:03
Сообщений: 246
Рейтинг сообщения: 0
Valentin Gvozdev, большое спасибо за ссылку. Я это читал. А еще это https://itnan.ru/post.php?c=1&p=594915
это https://www.radioradar.net/articles/tec ... robes.html
это https://habr.com/ru/post/583694/
и это https://mysku.ru/blog/china-stores/31657.html
Но я так и не понял, как подбирать щуп к осциллографу.
Поясните пожалуйста.


Вернуться наверх
 
Не в сети
 Заголовок сообщения: Re: Самодельный щуп к осциллографу
СообщениеДобавлено: Чт янв 20, 2022 20:29:44 
Опытный кот
Аватар пользователя

Карма: 31
Рейтинг сообщений: 1278
Зарегистрирован: Сб фев 24, 2018 10:11:28
Сообщений: 888
Откуда: Москва
Рейтинг сообщения: 0
На самом деле, если копать глубоко и широко (по полосе) то вопрос довольно неоднозначный. Ибо редко когда можно найти данные об АЧХ щупа. Более того - эта АЧХ в ВЧ-области зависит от положения НЧ-компенсации (а стало быть косвенно - и от входной емкости прибора). Так что получить близкую к идеальной АЧХ всей измерительной системы щуп-осциллограф (а именно это нам и нужно) обычно не получается. Даже при близком к идеальному осциллографе. Увы..

Но все это по большому счету глубокие материи. Если есть конкретный осциллограф с конкретными характеристиками, то базовых параметра два. Первое - полоса пропускания щупа, косвенно определяемая через декларируемое время нарастания. Она должна быть не меньше полосы пропускания осциллографа. А хорошо, когда она больше - как минимум раза в 2-3.
Второй немаловажный параметр - тот самый диапазон компенсации. Входная емкость вашего прибора должна попадать в него. Иначе - вы не скомпенсируете щуп должным образом и измерения будут сопровождать систематической ошибкой.

В любой случае с любым щупом необходимо проделать простую процедуру НЧ-компенсации на тестовом меандре. Так, чтобы купить щуп, присоединить его к прибору и сразу же получить правильные параметры - так не бывает.

_________________
"Простые" конструкции - обычно лишь источник разочарований. (c) RU3AEP


Вернуться наверх
 
Не в сети
 Заголовок сообщения: Re: Самодельный щуп к осциллографу
СообщениеДобавлено: Чт янв 20, 2022 21:40:43 
Грызет канифоль

Карма: 3
Рейтинг сообщений: 6
Зарегистрирован: Чт янв 21, 2016 11:34:56
Сообщений: 265
Рейтинг сообщения: 0
Ссылка Valentin Gvozdev на статью весьма полезна. Получается, что "хлястик" общего провода может дать больше копоти, чем все остальное. Может быть есть простое решение с отводом от коаксиального кабеля (тройник какой-то) для "нулевого провода" ? Объяснено, что центральная жила должна иметь большее сопротивление чем медь - что у нас есть или что можно употребить ?


Вернуться наверх
 
Показать сообщения за:  Сортировать по:  Вернуться наверх
Начать новую тему Ответить на тему  [ Сообщений: 205 ]     ... , , , 9, ,  

Часовой пояс: UTC + 3 часа


Кто сейчас на форуме

Сейчас этот форум просматривают: нет зарегистрированных пользователей и гости: 11


Вы не можете начинать темы
Вы не можете отвечать на сообщения
Вы не можете редактировать свои сообщения
Вы не можете удалять свои сообщения
Вы не можете добавлять вложения

Найти:
Перейти:  


Powered by phpBB © 2000, 2002, 2005, 2007 phpBB Group
Русская поддержка phpBB
Extended by Karma MOD © 2007—2012 m157y
Extended by Topic Tags MOD © 2012 m157y