Вопросы по генератору ВЧ
- Артур
- Нашел транзистор. Понюхал.
- Сообщения: 157
- Зарегистрирован: Пн дек 04, 2006 09:50:08
- Откуда: Vladivostok
Вопросы по генератору ВЧ
Эта тема по статьям из обучалки.
http://radiokot.ru/start/analog/basics/14/
http://radiokot.ru/start/analog/bugs/03/
http://radiokot.ru/start/analog/basics/15/
И другим подобным генераторам.
aen
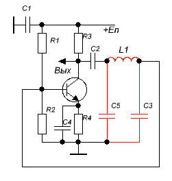
Уважаемые Знатоки РАДИО!!!
Обращаюсь к Вам за помощью, т.к. сам только начинаю осваивать колебательные системы.
Гляньте пожалуйста схему и помогите понять расчет генератора, может в схеме ошибки, может чегото не хватает?
номиналы деталей и условия такие:
Катушки L1 и L2 выполнены на одном сердечнике
Частота генератора=40.000.000Гц
С1=39ПФ
L1=0.39мкГн
транзистор КТ315Б
Uпит= 9В
И самые наболевшие вопросы:
1) В каком режиме должен работать транзистор для наилучшего результата данной схемы?
2) Каковы должны быть напряжения на его выводах для данной схемы?
http://radiokot.ru/start/analog/basics/14/
http://radiokot.ru/start/analog/bugs/03/
http://radiokot.ru/start/analog/basics/15/
И другим подобным генераторам.
aen
Уважаемые Знатоки РАДИО!!!
Обращаюсь к Вам за помощью, т.к. сам только начинаю осваивать колебательные системы.
Гляньте пожалуйста схему и помогите понять расчет генератора, может в схеме ошибки, может чегото не хватает?
номиналы деталей и условия такие:
Катушки L1 и L2 выполнены на одном сердечнике
Частота генератора=40.000.000Гц
С1=39ПФ
L1=0.39мкГн
транзистор КТ315Б
Uпит= 9В
И самые наболевшие вопросы:
1) В каком режиме должен работать транзистор для наилучшего результата данной схемы?
2) Каковы должны быть напряжения на его выводах для данной схемы?
- Вложения
-
- Генератор.gif
- (3.19 КБ) 3351 скачивание
Последний раз редактировалось Артур Сб июн 16, 2007 01:33:40, всего редактировалось 1 раз.
Век живи! - Век учись!
ICQ-15B87330h
ICQ-15B87330h
- Реклама
L2 мотай исходя из того сколько тебе надо вольт на базе.
Паралленьно транзистору воткни ультрабыстрый диод, только в обратную сторону. Чтобы уменьшить сопротивление катушки.
Типо так:
Паралленьно транзистору воткни ультрабыстрый диод, только в обратную сторону. Чтобы уменьшить сопротивление катушки.
Типо так:
- Вложения
-
- Генератор[1].gif
- (2.02 КБ) 2745 скачиваний
- aen
- Модератор
- Сообщения: 11940
- Зарегистрирован: Пт апр 28, 2006 15:26:07
- Откуда: Россия.
- Контактная информация:
Не надо ничего выдумывать, всё уже придумано.Артур писал(а):Николай2 - С катушкой L2 понятно
И какие условия ему нужно создать для наилучшего результата (выбор рабочей точки с контуром)?
Для практической реализации не надо брать схемы, которые нарисованы в обучалке В УЧЕБНЫХ ЦЕЛЯХ.
В них для упрощения не нарисованы цепи смещения транзистора.
В обучалке схемы предназначены только для того, что бы понять принцип их действия. В них часто опущены некоторые элементы схемы, что бы её не загромождать.
Сам же понимаешь, что без установки режима по постоянному току транзистора ничего работать не будет. Бери реальные проверенные схемы и вперёд.
Вот здесь нарисованы все цепи смещения транзистора.
И здесь в теме есть схемы генераторов которые можно спаять.
http://radiokot.ru/forum/viewtopic.php?f=28&t=130189
И здесь можно посмотреть на другие генераторы нарисованные полностью.
http://www.naf-st.ru/main/generator/?lcgen
http://projects.org.ua/project/generato ... ators.htmlЭлементы R1, R2, R3, как и в предыдущей схеме, обеспечивают режим работы по постоянному току транзистора VT,
http://radiokot.ru/forum/viewtopic.php?f=21&t=33417
http://www.radiokot.ru/forum/viewtopic. ... 0%F2%EE%F0
http://www.radiokot.ru/forum/viewtopic. ... 5778#25778
http://faksu.vstu.vinnica.ua/SiteNEV/ru ... /2-8-1.htm
Смотри на моей картинке, как должна выглядеть твоя схема. Если полазить по интернету, то можно увидеть, что эта схема практически никогда не применяется, т.к. она склонна переходить в режим прерывистых колебаний. Единственное достоинство этой схемы, что на её примере хорошо рассказывать принцип работы автогенератора.
И ещё тебе совет.
Рассчитывать схемы - это конечно хорошо. Но никакой расчёт тебе не дасть точности более 20%, т.к. при расчёте всего не учтёшь.
Нужны приборы. Или покупные или самодельные.
Вот я например захотел сделать простейший передатчик с амплитудной модуляцией и попробовать принять сигнал с него на приемник имеющий короткие волны. Есть у меня китайский. Диапазон КВ у него от 6 мгц до 12 мгц.
Я попробовал задающий генератор по схемам, что приведены в данной статье и оказалось, что при модуляции по амплитуде у задающего генератора возникает паразитная частотная модуляция и она получается шире, чем полоса пропускания приемника. С этим можно конечно побороться, но это только усложнит настройку, что в данном случае ни к чему.
Можно например сделать буферный каскад между задающим генератором и УМ, но для упрощения настройки я сделал задающий генератор на кварце. Это сути не меняет. Просто вместо колебательного контура в генераторе ставим кварц. Он может быть любой на частоты, что принимает приемник.
Я выбрал на 10 мгц.
Первое, что делаем, это модулятор. Он на схеме красным обведен.
По сути это УНЧ. Выходной каскад этого УНЧ сделан по схеме эмиттерного повторителя, а нагрузкой эмиттерного повторителя является выходной каскад передатчика(усилитель мощности), т.е. получается, что питание усилителя мощности меняется в такт звуковой частоты.
Напряжение на выходе модулятора с помощью резистора R5 выставляем порядка 3,5 вольта. При этом когда говорим в микрофон, это напряжение в такт со звуком меняется от 2 вольт, до 5 вольт.
Для лучшей модуляции от него еще берется и смещение в задающем генераторе, но это делать не обязательною т.к. в этом случае необходимо проверить, что генерация задающего генератора не срывается при напряжении на выходе модулятора 2 вольта.
Делаем на макетке. Нам же просто попробовать для интереса.
Антенна там всего около метра, при этом она никак не настраивалась и о большой дальности конечно речи быть не может, но для того, что бы понять как работает передатчик вполне достаточно. По сути любой АМ передатчик сделан по такому принципу.
На вход микрофон. Я поставил маленький динамик, поэтому звук подучился каким то "бубнящим" но это тоже роли не играет в данном случае.
Настраиваем приемник на 10 мгц, в динамик говорим и в приемнике слушаем.
Там в файле 2.rar записал голос, как смог.
Данный передатчик конечно мало пригоден для практического использования и делать его имеет смысл только для того, что бы набираться опыты в построении подобных устройств. На фон 50 гц в звуке можно в данном случае не обращать внимания. Просто это мультипликативная помеха через сетевой блок питания и в данном случае я с ней не боролся, т.к. задача была другая.
В качестве микрофона использовал наушник, поэтому голос как из консервной банки.
- Вложения
-
- 1.JPG
- (74.38 КБ) 18746 скачиваний
-
- 1.JPG
- (11.81 КБ) 11476 скачиваний
-
- 2.GIF
- (14.94 КБ) 32816 скачиваний
-
- Генератор..GIF
- (4.19 КБ) 2054 скачивания
- Реклама
- aen
- Модератор
- Сообщения: 11940
- Зарегистрирован: Пт апр 28, 2006 15:26:07
- Откуда: Россия.
- Контактная информация:
R1, R2 подаёт начальное смещение на базу, а R3 создаёт ООС для стабилизации режима транзистора. Что бы эта ООС (отрицательная обратная связь) работала только по постоянному току, R3 зашунтирован конденсатором. Т.е. на ВЧ сопротивлениеАртур писал(а):а как конденсатор С3 задает режим транзистора, если он не проводит постоянный ток?
цепочки R3, C3 маленькое и ООС по ВЧ нет, а по постоянному току большое и ООС по постоянному току есть.
А по ВЧ там наоборот есть ПОС (положительная ОС) через конденсатор С1 и как видишь эта ПОС только по ВЧ, постоянный ток по ней не проходит.
- Вложения
-
- Генератор.GIF
- (3.82 КБ) 1736 скачиваний
- aen
- Модератор
- Сообщения: 11940
- Зарегистрирован: Пт апр 28, 2006 15:26:07
- Откуда: Россия.
- Контактная информация:
Это индуктивная трёхточка, поэтому там и есть отвод от катушки. Т.е. у катушки д.б. три точки подсоединения.Артур писал(а):Почему катушка разделена пополам, что это дает?
На то она и называется трёхточка.
Насчёт номиналов, это нужно пробовать. Обычно по опыту примерно знаешь, потом приборами проверяешь и контролируешь.
Во всяком случае я так делаю.
- Вложения
-
- 23.GIF
- (2.78 КБ) 28237 скачиваний
-
- 22.GIF
- (2.9 КБ) 26591 скачивание
-
- 21.GIF
- (2.83 КБ) 20483 скачивания
-
- 20.GIF
- (3.9 КБ) 20679 скачиваний
-
- 19.GIF
- (2.43 КБ) 20781 скачивание
-
- 18.GIF
- (2.93 КБ) 23215 скачиваний
-
- 17.GIF
- (2.85 КБ) 20716 скачиваний
-
- 16.GIF
- (3.02 КБ) 21542 скачивания
-
- 15.GIF
- (2.54 КБ) 20585 скачиваний
-
- 14.GIF
- (3.58 КБ) 23679 скачиваний
-
- 13.GIF
- (3.14 КБ) 23519 скачиваний
-
- 12.GIF
- (2.44 КБ) 22037 скачиваний
-
- 11.GIF
- (3.14 КБ) 24455 скачиваний
-
- 10.GIF
- (2.52 КБ) 22926 скачиваний
-
- 9.GIF
- (2.34 КБ) 23386 скачиваний
-
- 8.GIF
- (7.22 КБ) 21644 скачивания
-
- 7.PNG
- (96.67 КБ) 22619 скачиваний
-
- 6.PNG
- (108.83 КБ) 22697 скачиваний
-
- 5.GIF
- (5.96 КБ) 23548 скачиваний
-
- 4.GIF
- (1.86 КБ) 21928 скачиваний
-
- 3.GIF
- (5.46 КБ) 22397 скачиваний
-
- 2.GIF
- (4.22 КБ) 22999 скачиваний
-
- 1.GIF
- (4.09 КБ) 23444 скачивания
- aen
- Модератор
- Сообщения: 11940
- Зарегистрирован: Пт апр 28, 2006 15:26:07
- Откуда: Россия.
- Контактная информация:
Если тебе нужна отрицательная обратная связь (ООС) только по постоянному току для стабилизации режимов по нему, то ставь конденсатор.Артур писал(а):ведь должен же быть какойто расчет?
Например если в еммитере стоит активное сопротивление 100 ом означает ли это что нужно ставить паралельно сопротивлению конденсатор с таким расчетом чтоб для нужной частоты его реактивное сопротивление было тоже 100 ом?
Если тебе нужна ООС и по переменному току, которая между прочим уменьшает усиление, но увеличивает входное сопротивление и т.д. , то не шунтируй его конденсатором.
Можешь оставить ООС по низким частотам и убрать по высоким, то поставь маленькую ёмкость.
Если хочешь вообще убрать ООС по переменному току, то ставь большую ёмкость. Её сопротивление на самой низкой рабочей частоте д.б. быть намного меньше 100 ом в твоём случае. Ну хотя бы 0,1 ом.
Ну, а считать можно в уме, можно в программе, можно и вообще не считать, а примерно знать чего нужно ставить и при случае приборами посмотреть и скорректировать.
- alekseykolesnik
- Собутыльник Кота
- Сообщения: 2500
- Зарегистрирован: Пн мар 09, 2009 16:22:50
- Откуда: Украина, Донецкая обл., г. Торез
Генератор ВЧ
Люди помогите пожалуйста! По какой формуле расчитывать детали генератора ВЧ
Сюда перенес.
aen
Сюда перенес.
aen
- aen
- Модератор
- Сообщения: 11940
- Зарегистрирован: Пт апр 28, 2006 15:26:07
- Откуда: Россия.
- Контактная информация:
Здесь не читал?
http://radiokot.ru/start/analog/bugs/
Тему то почему в разделе питания завел?
Сейчас получишь.
http://radiokot.ru/start/analog/bugs/
Тему то почему в разделе питания завел?
Сейчас получишь.
Последний раз редактировалось Jemchug Вт дек 22, 2009 16:01:23, всего редактировалось 1 раз.
Какие детали какого генератора?
Бочаров Л.Н. и др. - Расчет электронных устройств на транзисторах
Голуб В.С. - Генераторы гармонических колебаний
Гринфилд Дж. - Транзисторы и линейные ИС. Руководство по анализу и расчету
Кауфман М., Сидман А. - Практическое руководство по расчетам схем в электронике
Все книжки есть в нашем Сундуке.
Бочаров Л.Н. и др. - Расчет электронных устройств на транзисторах
Голуб В.С. - Генераторы гармонических колебаний
Гринфилд Дж. - Транзисторы и линейные ИС. Руководство по анализу и расчету
Кауфман М., Сидман А. - Практическое руководство по расчетам схем в электронике
Все книжки есть в нашем Сундуке.
Если хотите, чтобы жизнь улыбалась вам, подарите ей своё хорошее настроение
- alekseykolesnik
- Собутыльник Кота
- Сообщения: 2500
- Зарегистрирован: Пн мар 09, 2009 16:22:50
- Откуда: Украина, Донецкая обл., г. Торез
- aen
- Модератор
- Сообщения: 11940
- Зарегистрирован: Пт апр 28, 2006 15:26:07
- Откуда: Россия.
- Контактная информация:
Все равно одной формулой не обойдешься.alekseykolesnik писал(а):В 7!!!!!
Чего конкретно нужно то?
- alekseykolesnik
- Собутыльник Кота
- Сообщения: 2500
- Зарегистрирован: Пн мар 09, 2009 16:22:50
- Откуда: Украина, Донецкая обл., г. Торез
- aen
- Модератор
- Сообщения: 11940
- Зарегистрирован: Пт апр 28, 2006 15:26:07
- Откуда: Россия.
- Контактная информация:
А принцип как в маятнике. Что бы он всегда качался, его нужно в определенные моменты подталкивать с определенной силой. Так и в генераторе. Что бы в колебательном контуре колебания не прекращались, их нужно в определенный момент подталкивать с определенной силой. Для этого с выхода генератора (с контура) берут маленькую часть колебаний, усиливают их например транзистором и снова подают в контур в определенные моменты. Для того, что бы эти моменты были в нужное время в генераторе создается положительная обратная связь. ПОС.
Все генераторы в принципе работают так, кроме некоторых. Например шумовых. Но об этом пока не задумывайся.
А начальные колебания в контуре возникают при включении питаная. Включение играет роль начального толчка. После этого вступает в действие ПОС. (положительная обратная связь), которая не дает этим колебаниям прекратиться.
Все генераторы в принципе работают так, кроме некоторых. Например шумовых. Но об этом пока не задумывайся.
А начальные колебания в контуре возникают при включении питаная. Включение играет роль начального толчка. После этого вступает в действие ПОС. (положительная обратная связь), которая не дает этим колебаниям прекратиться.
Последний раз редактировалось Jemchug Вт дек 22, 2009 17:58:55, всего редактировалось 1 раз.


