Например TDA7294

Форум РадиоКот • Просмотр темы - Часы на газоразрядных индикаторах
Форум РадиоКот
Здесь можно немножко помяукать :)

Текущее время: Вт мар 17, 2026 07:01:01

Часовой пояс: UTC + 3 часа


ПРЯМО СЕЙЧАС:



Начать новую тему Ответить на тему  [ Сообщений: 48975 ]     ... , , , 1745, , , ...  
Автор Сообщение
 Заголовок сообщения: Re: Часы на газоразрядных индикаторах
СообщениеДобавлено: Чт ноя 12, 2015 09:51:38 
Грызет канифоль
Аватар пользователя

Карма: 6
Рейтинг сообщений: 82
Зарегистрирован: Чт сен 24, 2015 17:46:26
Сообщений: 275
Откуда: Обираловка, МО
Рейтинг сообщения: 0
Конечно видно и глазом - это стандартная "болезнь" начинающих. Частично лечится диодами и стабилитроном.

Схема, думаю, не имеет смысла.
Собиралось чисто из спортивного интереса, когда я увидел видео часов с такими эффектами.
Без дешифратора и отдельной м\с RTC. Часы на асинхронном счётчике МК с внешним кварцем.
Преобразователь на 34063 с трансформатором, питание от 5в, в даном случае вообще от USB ноута через USBasp :)

https://lh3.googleusercontent.com/-7Azg ... 104526.jpg
https://lh3.googleusercontent.com/-hbaE ... 104549.jpg

СпойлерD0 - катод 1
D1 - катод 2
D2 - прерывание INT0, кнопка 1
D3 - катод 3
D4 - катод 4
D5 - катод 5
D6 - катод 6
D7 - катод 7

B0 - катод 8
B1 - катод 9
B2 - катод 0

C0 - анод 1
C1 - анод 2
C2 - анод 3
C3 - анод 4


При этом не заняты ноги i2c (PC4,PC5), а так же SPI/PWM (PB3-PB5), можно и точки прикрутить и всё умещается, на такой платке, несмотря на то, что все элементы выводные. Может быть будет компактнее, если вместо транзисторов поставить пару ULN2003A диповых. Хотя, не факт.

_________________
Errare humanum est


Последний раз редактировалось a_winner Чт ноя 12, 2015 11:54:48, всего редактировалось 2 раз(а).

Вернуться наверх
 
 Заголовок сообщения: Re: Часы на газоразрядных индикаторах
СообщениеДобавлено: Чт ноя 12, 2015 10:44:01 
Встал на лапы
Аватар пользователя

Карма: 5
Рейтинг сообщений: 26
Зарегистрирован: Пн янв 26, 2015 07:48:56
Сообщений: 109
Откуда: Москва, Троицк
Рейтинг сообщения: 0
На ролике с перетеканием: 34 35 36 быдыщ 00 быдыш 34 35 36


Вернуться наверх
 
 Заголовок сообщения: Re: Часы на газоразрядных индикаторах
СообщениеДобавлено: Чт ноя 12, 2015 10:52:04 
Грызет канифоль
Аватар пользователя

Карма: 6
Рейтинг сообщений: 82
Зарегистрирован: Чт сен 24, 2015 17:46:26
Сообщений: 275
Откуда: Обираловка, МО
Рейтинг сообщения: 0
diafour писал(а):
На ролике с перетеканием: 34 35 36 быдыщ 00 быдыш 34 35 36

Это я питание зацепил случайно, а 34 - начальное значение забил, чтобы не с 00 начиналось. Батарейку ж я не прикрутил :)

Попытался ещё раз снять видео. Телефон фокус выводит куда-то далеко и выдержка оромная, видимо, глазами лучше сотмрится.

https://youtu.be/bVCLcJxIz9U
https://youtu.be/fu11FH33YYo

_________________
Errare humanum est


Вернуться наверх
 
 Заголовок сообщения: Re: Часы на газоразрядных индикаторах
СообщениеДобавлено: Чт ноя 12, 2015 12:51:02 
Открыл глаза

Карма: -2
Рейтинг сообщений: -1
Зарегистрирован: Пт окт 25, 2013 17:13:03
Сообщений: 68
Рейтинг сообщения: 0
Коллеги ,а не поделиться ли кто исходником прошивки для BAscom AVR - DS1307+Attiny2313+ИД1 ??
Но чтоб на аноды выходы тоже были с PORTB. а то другие порты с другой стороны - плату разводить по другому придется..

_________________
GPS-часы на Attiny2313 и газоразрядных ИН-12
FuseBit Doctor


Вернуться наверх
 
Эиком - электронные компоненты и радиодетали
 Заголовок сообщения: Re: Часы на газоразрядных индикаторах
СообщениеДобавлено: Пт ноя 13, 2015 14:11:36 
Опытный кот

Карма: 6
Рейтинг сообщений: 65
Зарегистрирован: Сб янв 05, 2013 22:27:00
Сообщений: 849
Откуда: новосиб
Рейтинг сообщения: 3
woddy писал(а):
Спойлервспомнил что у меня лежат max1771, думаю пущу их в дело.


катушку отмотал с 680 до 150mH.
Rsense поставил в параллель 3 по 0.22 = 0,073ом
нагрузка 8,05ком (по замерам мультиметра)
напряжение на нагрузке 199в

ток не замерял, рассчетно должно быть 24,7ма
потребление 12.7в * 0.43а (не замерял, показывает лабораторный источник)
получается КПД 90% что очень неплохо


При большей индуктивности (проверял на 470, 330, 260) идет просадка при низком напряжении питания. Если задрать питание до 17-18в, то это исправляет ситуацию.
свиста нет совсем

Rsense выбирается из тока насыщения катушки. 0,1ом примерно соответствует 1А. Мой дроссель, по прикидке, должен до 2А держать, итого можно еще один резистор допаять (0.055 ом будет).

транзистор IRFP450 потому что был в тумбочке. диод MUR160 по этой же причине.
транзистор имеет Vgs около 10в, потому при низком напряжении питания будет всё плохо (не проверял).
по хорошему бы перемотать катушку более толстым проводом

спалил, случайно 20в подал... к концу недели еще проведу испытания, микросхемы дома остались



Продолжаю опыты. Дроссель греется, хотя по рассчетам насыщения быть не должно.
резистор Rsense 0.055 ом.
Дроссель пробовал перемотать более толстым проводом. Провод 0.5 не влез, остановился на провод диаметром 0.4, 35 витков, индуктивность 68mh.
При напряжении 180в выдает ток 44ма, кпд 80%, что маловато. Заметно греются и дроссель и транзистор. При напряжении 200в выдает до 37ма.

при повышении напряжения до 14-16 вольт заметно повышается КПД.


Вернуться наверх
 
 Заголовок сообщения: Re: Часы на газоразрядных индикаторах
СообщениеДобавлено: Пт ноя 13, 2015 16:41:36 
Друг Кота
Аватар пользователя

Карма: 38
Рейтинг сообщений: 549
Зарегистрирован: Пн июл 14, 2008 21:28:00
Сообщений: 10692
Откуда: Москва
Рейтинг сообщения: 0
180в 44ма - довольно неплохая нагрузочная способность! по идее даже для больших часов на ин-18 должно хватить.

_________________
Ищу тиратрон ТХИ1-2000/4, ГРИ ИН-23, ФЭУ-103; 134; 135, 138, 155, 157, лампу ИСШ-7.
Любые ГИС серий 203, 225, 233, 244, 250, 296, 801, 838 в любом состоянии. Компоненты и детали от миниатюрных твердотельных лазеров.


Вернуться наверх
 
 Заголовок сообщения: Re: Часы на газоразрядных индикаторах
СообщениеДобавлено: Сб ноя 14, 2015 04:27:56 
Друг Кота
Аватар пользователя

Карма: 54
Рейтинг сообщений: 839
Зарегистрирован: Сб дек 24, 2011 05:02:33
Сообщений: 4323
Откуда: Киев
Рейтинг сообщения: 4
Медали: 1
Получил миской по аватаре (1)
Nixie Clock " Грецкий ОРЕХ"
(стекляшки с деревяшки :dont_know: )
выпилен с найденной под ногами ореховой ветки :solder:

Изображение

Изображение

Изображение

_________________
mss_ja@rambler.ru


Вернуться наверх
 
 Заголовок сообщения: Re: Часы на газоразрядных индикаторах
СообщениеДобавлено: Сб ноя 14, 2015 22:39:47 
Это не хвост, это антенна
Аватар пользователя

Карма: 48
Рейтинг сообщений: 366
Зарегистрирован: Пт июн 22, 2012 20:51:16
Сообщений: 1370
Откуда: Россия
Рейтинг сообщения: 0
После двух с половиной месяцев непрерывной работы в часах на 511ой логике сдохла одна ИН-4. :(
Просто погасла и всё..воткнул другую, работает. Так, для статистики.


Вернуться наверх
 
 Заголовок сообщения: Re: Часы на газоразрядных индикаторах
СообщениеДобавлено: Вс ноя 15, 2015 12:35:55 
Друг Кота
Аватар пользователя

Карма: 50
Рейтинг сообщений: 1400
Зарегистрирован: Пт авг 28, 2009 21:34:30
Сообщений: 7347
Откуда: 845-й км.
Рейтинг сообщения: 0
Медали: 1
Получил миской по аватаре (1)
А как погасла? газ вытек?


Вернуться наверх
 
 Заголовок сообщения: Re: Часы на газоразрядных индикаторах
СообщениеДобавлено: Вс ноя 15, 2015 12:40:09 
Встал на лапы
Аватар пользователя

Карма: 10
Рейтинг сообщений: 378
Зарегистрирован: Ср дек 25, 2013 17:46:38
Сообщений: 94
Откуда: Челябинск
Рейтинг сообщения: 0
Товарищи, приобрел тут недавно у одного человека с форума новые газоразрядные панели ИГПП-32/32, целых 4 штуки. Очень захотелось мне на них кое-какой проект сварганить.
Изображение
Изображение
Изображение

Начал разбираться со схемой включения панели. Казалось бы, все просто, катоды к земле, на аноды +200В через токоограничительный резистор. Попробовал - ноль реакции, даже потребления по току в микроамперах никакого нет. Пробовал повышать напряжение до 250В, все равно не светится.

В Multisim сэмулировал схему включения из паспорта, и обнаружил такую интересную картину:
При частоте 32кГц:
Изображение
При частоте 100Гц:
Изображение
Момент гашения крупным планом:
Изображение

Собрал схему на макетке, подал на базу транзистора Q2 сигнал с частотой 20кГц и панель зажглась.
Изображение
Т.е. реальное напряжение зажигания около 400В, прямо как у панели ИГГ1-32х32Л (интересно, в чем тогда их отличие?), а напряжение 200В в паспорте указано для всей схемы включения, а не для отдельной стекляхи панели.
НО, при таком включении мне, почему-то, так и не удалось полностью погасить зажженный элемент панели, т.е если подтянуть базу транзистора либо к +5, либо к земле, то элемент продолжает гореть, только немного менее ярко.


Вернуться наверх
 
 Заголовок сообщения: Re: Часы на газоразрядных индикаторах
СообщениеДобавлено: Вс ноя 15, 2015 13:46:23 
Друг Кота
Аватар пользователя

Карма: 50
Рейтинг сообщений: 1400
Зарегистрирован: Пт авг 28, 2009 21:34:30
Сообщений: 7347
Откуда: 845-й км.
Рейтинг сообщения: 0
Медали: 1
Получил миской по аватаре (1)
Эта панель переменного тока. Она обладает эффектом "памяти". потому управление ею не такое простое, как у панаплексов и т.п. ГРИ. Так как электроды не имеют прямого контакта с газом, а между ними стоит диэлектрик, который ведёт себя как конденсатор. Ищите в книжках эти ключевые слова.


Вернуться наверх
 
 Заголовок сообщения: Re: Часы на газоразрядных индикаторах
СообщениеДобавлено: Вс ноя 15, 2015 13:51:11 
Встал на лапы
Аватар пользователя

Карма: 10
Рейтинг сообщений: 378
Зарегистрирован: Ср дек 25, 2013 17:46:38
Сообщений: 94
Откуда: Челябинск
Рейтинг сообщения: 0
Нет, это панель постоянного тока, так написано в паспорте.
Изображение

Возможно, что от 5 вольт транзистор не до конца открывается, ведь по идее элемент должен гаситься, когда транзистор открыт.
Slvik уже запускал подобную панель используя стандартный драйвер на mpsa42+mpsa92 в анодах.

UPD: Продолжаю свои эксперименты с панелью. Сейчас удалось добиться стабильного гашения и зажигания элемента панели, путем уменьшения напряжения на выходе преобразователя до 160В. При 165В элемент иногда остается зажженным. При наличии на базе меандра с частотой 32кГц элемент светится. Во всех других случаях не светится.
UPD2: Рано радоваться, стабильность зажигания по всему полю просто никакая. Некоторые элементы хорошо зажигаются и гаснут, некоторые иногда зажигаются, некоторые совсем не зажигаются. Поднимешь напряжение - начнут нормально зажигаться и гаснуть, но другие перестают гаснуть :dont_know:


Последний раз редактировалось iiiytn1k Вс ноя 15, 2015 15:55:22, всего редактировалось 1 раз.

Вернуться наверх
 
 Заголовок сообщения: Re: Часы на газоразрядных индикаторах
СообщениеДобавлено: Вс ноя 15, 2015 15:31:13 
Вымогатель припоя
Аватар пользователя

Карма: 3
Рейтинг сообщений: 100
Зарегистрирован: Вс фев 12, 2012 14:06:28
Сообщений: 665
Откуда: Киев
Рейтинг сообщения: 0
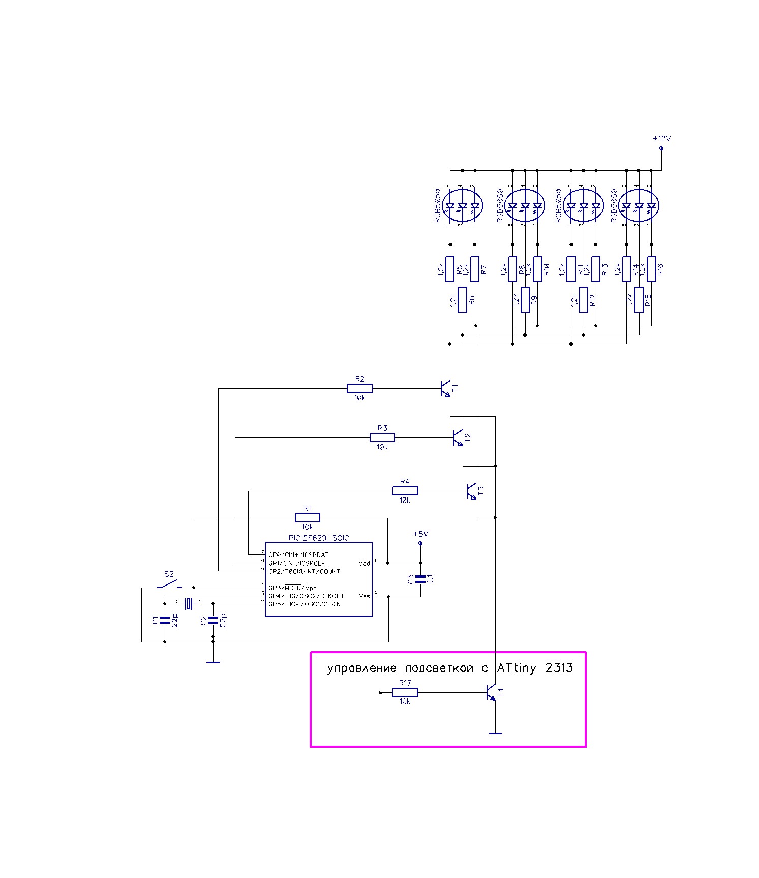
Люди добрие, простите что к вам обращаемся. Сами не месные элекричкой бошку отбило, не соображает ;-)

Есть схема RGB подсветки от уважаемого SLvik. Приростил ее к часам уважаемого Triggerа на плате уважаемого Яна.
Есть проект RGB лампы http://picprojects.org.uk/projects/rgb/index.htm Программирование забросил еще в 92м, мне не одолеть. Кто то может адаптировать прошивку под эту схему?
СпойлерИзображение

Короткое нажатие кнопки - смена программы, длинная - заморозка цвета.
Если кому интересно - проект индикаторной платы в атаче. Но процессорная тоже требует изменения. Надо подать на разъем +5В и третью кнопку вывести.


Вложения:
Yan_14-RGB.rar [18.54 KiB]
Скачиваний: 286
SlvikRGB.jpg [149.77 KiB]
Скачиваний: 1649
Вернуться наверх
 
 Заголовок сообщения: Re: Часы на газоразрядных индикаторах
СообщениеДобавлено: Вс ноя 15, 2015 15:32:50 
Родился

Карма: 3
Рейтинг сообщений: 3
Зарегистрирован: Вс ноя 15, 2015 15:00:15
Сообщений: 5
Рейтинг сообщения: 0
Прошу совета у уважаемых форумчан. Недавно спас от выкидывания на металлолом переднюю панель от шкафа управления станка. Фото прилагается.Изображение Изображение На нем установлены лампы ИН-12 блоками 2хИН12А; 4хИН12А; 3хИН12А; 2хИН12А+1ХИН12Б.Изображение Изображение Возникла идея сообразить из этой радости индикаторные часы из расчета 4хИН12А-часы и минуты, 2хИН12А-секунды, 2хИН12А+1хИН12Б-температура. Но при этом нет желания распаивать детали. Вопрос такой, возможно ли использование этих блоков не перепаивая просто добавив блок питания и контроллер. Подскажите полному новичку пожалуйста.


Вернуться наверх
 
 Заголовок сообщения: Re: Часы на газоразрядных индикаторах
СообщениеДобавлено: Вс ноя 15, 2015 16:14:05 
Друг Кота
Аватар пользователя

Карма: 50
Рейтинг сообщений: 1400
Зарегистрирован: Пт авг 28, 2009 21:34:30
Сообщений: 7347
Откуда: 845-й км.
Рейтинг сообщения: 0
Медали: 1
Получил миской по аватаре (1)
iiiytn1k писал(а):
Нет, это панель постоянного тока, так написано в паспорте.

Тогда сравните схему с рис. 4.10 из книжки МБР 1134 "Сто схем с индикаторами" и если это оно прочитайте про принцип управления. Там, похоже фишка в том, что между сканированиями надо делать паузу для заряда этих конденсаторов.
Кстати, посмотрел - принцип такой же. Эти 200в складываются с 200в на конденсаторе.


Вернуться наверх
 
 Заголовок сообщения: Re: Часы на газоразрядных индикаторах
СообщениеДобавлено: Вс ноя 15, 2015 19:37:12 
Грызет канифоль
Аватар пользователя

Карма: 6
Рейтинг сообщений: 82
Зарегистрирован: Чт сен 24, 2015 17:46:26
Сообщений: 275
Откуда: Обираловка, МО
Рейтинг сообщения: 0
uldemir, можно нескромный вопрос? У Вас отчество сулчайно не Сергеевич?

_________________
Errare humanum est


Вернуться наверх
 
 Заголовок сообщения: Re: Часы на газоразрядных индикаторах
СообщениеДобавлено: Вс ноя 15, 2015 19:43:58 
Встал на лапы
Аватар пользователя

Карма: 10
Рейтинг сообщений: 378
Зарегистрирован: Ср дек 25, 2013 17:46:38
Сообщений: 94
Откуда: Челябинск
Рейтинг сообщения: 0
За книгу спасибо большое, почерпнул для себя некоторую информацию по работе с индикаторами.
С подключением моей панели вопросов в общем-то нет. Сейчас я подключил её один в один как по этой схеме:
Изображение

Далее, подаю на базу анодного транзистора сигнал такой формы: одну секунду меандр с частотой 32кГц амплитудой 5В, следующую секунду просто подключаю базу к 5В, далее все повторяется.
Катод вешаю просто на землю. По идее, я должен наблюдать мигание элемента панели с частотой 1Гц, но вместо этого я наблюдаю следующую картину: одну секунду элемент панели горит ярко, следующую секунду горит, но с меньшей яркостью.


Вернуться наверх
 
 Заголовок сообщения: Re: Часы на газоразрядных индикаторах
СообщениеДобавлено: Вс ноя 15, 2015 20:58:27 
Потрогал лапой паяльник
Аватар пользователя

Карма: 5
Рейтинг сообщений: 80
Зарегистрирован: Вс фев 03, 2013 00:47:59
Сообщений: 349
Откуда: Киев
Рейтинг сообщения: 0
vbnzxc1990 писал(а):
Подскажите полному новичку пожалуйста.

Блоки использовать вряд ли получится. Легче всего купить собранный набор и поставить в него лампы. Попаять придется, но осилить можно.


Вернуться наверх
 
 Заголовок сообщения: Re: Часы на газоразрядных индикаторах
СообщениеДобавлено: Вс ноя 15, 2015 22:14:51 
Друг Кота
Аватар пользователя

Карма: 50
Рейтинг сообщений: 1400
Зарегистрирован: Пт авг 28, 2009 21:34:30
Сообщений: 7347
Откуда: 845-й км.
Рейтинг сообщения: 1
Медали: 1
Получил миской по аватаре (1)
Да нет же! Там надо подавать высокий уровень перед каждой строкой, а затем подавать низкий вместе с выбранной строкой тем пикселям, которые должны засветиться. Низкий уровень чтобы зарядить конденсаторы, а при высоком конденсаторы разряжаются.

Кстати, и не подумал бы об этом если бы не увидел эту схему. У Вуколова ничего про эти 400в нет ни слова. В параметрах написано, что напряжение должно быть 195-205в. правда есть одна странная фраза насчет напряжения смещения, которое тоже "не должно превышать 205в".

a_winner писал(а):
uldemir, можно нескромный вопрос? У Вас отчество сулчайно не Сергеевич?
Нет, и даже не родственник.


Вернуться наверх
 
 Заголовок сообщения: Re: Часы на газоразрядных индикаторах
СообщениеДобавлено: Вс ноя 15, 2015 22:22:59 
Сверлит текстолит когтями
Аватар пользователя

Карма: 10
Рейтинг сообщений: 127
Зарегистрирован: Пт май 20, 2011 09:13:02
Сообщений: 1121
Откуда: Украина
Рейтинг сообщения: 0
vbnzxc1990 писал(а):
Прошу совета у уважаемых форумчан. Но при этом нет желания распаивать детали. Вопрос такой, возможно ли использование этих блоков не перепаивая просто добавив блок питания и контроллер. Подскажите полному новичку пожалуйста.

То что Вы хотите сделать,в теории возможно,просто интересная постановка вопроса.Подскажите,мне лень... Тут при любом раскладе придется попотеть и распаивать.Из того что Вы показали,можно сделать на статике.Схемы есть в инете и блоге Алексея РобоС,поищите,посмотрите и определитесь.Главное стремление.


Вернуться наверх
 
Показать сообщения за:  Сортировать по:  Вернуться наверх
Начать новую тему Ответить на тему  [ Сообщений: 48975 ]     ... , , , 1745, , , ...  

Часовой пояс: UTC + 3 часа


Вы не можете начинать темы
Вы не можете отвечать на сообщения
Вы не можете редактировать свои сообщения
Вы не можете удалять свои сообщения
Вы не можете добавлять вложения

Найти:
Перейти:  


Powered by phpBB © 2000, 2002, 2005, 2007 phpBB Group
Русская поддержка phpBB
Extended by Karma MOD © 2007—2012 m157y
Extended by Topic Tags MOD © 2012 m157y