Например TDA7294

Форум РадиоКот • Просмотр темы - Эмулятор ключей домофонов «Цифрал», «Метаком» и «Даллас»
Форум РадиоКот
Здесь можно немножко помяукать :)

Текущее время: Пт ноя 14, 2025 19:57:18

Часовой пояс: UTC + 3 часа


ПРЯМО СЕЙЧАС:



Начать новую тему Ответить на тему  [ Сообщений: 1689 ]  1, , , , ...  
Автор Сообщение
Не в сети
 Заголовок сообщения: Эмулятор ключей домофонов «Цифрал», «Метаком» и «Даллас»
СообщениеДобавлено: Ср ноя 09, 2011 04:52:36 
Грызет канифоль
Аватар пользователя

Карма: 11
Рейтинг сообщений: 36
Зарегистрирован: Пн дек 15, 2008 19:28:38
Сообщений: 262
Откуда: Омск
Рейтинг сообщения: 6
Здесь обсуждается статья http://radiokot.ru/circuit/digital/security/14/


Последний раз редактировалось iplogger Пт ноя 11, 2011 05:07:41, всего редактировалось 1 раз.

Вернуться наверх
 
Не в сети
 Заголовок сообщения: Re: Эмулятор ключей домофонов «Цифрал», «Метаком» и «Даллас»
СообщениеДобавлено: Ср ноя 09, 2011 05:11:58 
Грызет канифоль
Аватар пользователя

Карма: 11
Рейтинг сообщений: 36
Зарегистрирован: Пн дек 15, 2008 19:28:38
Сообщений: 262
Откуда: Омск
Рейтинг сообщения: 2
Первое обновление к статье (3in1.rar).
1 Исправлено чтение ключей - не читались ключи "Даллас".
2 При эмуляции ключей "Даллас" используются номинальные тайминги согласно спецификации iButton - одно из устройств отказалось без этого работать с эмулятором.
3 Исправлен просмотр ключа на индикаторе - прерывание просмотра без "моргания".
4 Исправлена ошибка при ручном вводе ключа. Соответствующий абзац в статье следует читать так:
"
Запись ключа.
Выбираем кнопками S1/S2 номер ключа для записи, затем нажимаем кнопку S2*.
Индика-тор начнет мигать. Далее вводим код ключа по одной тетраде. Т.е.,
для каждой тетрады кнопками S1/S2 выбираем значение (0, 1 … F) и нажимаем кнопку S1*.
Всего нужно ввести 8 байт (по две тетрады). После ввода последнего значения мигание
прекратится и появится символ [||] - ключ сохранен. Если очередное значение введено неверно,
нужно нажать кнопку S2*. При этом, если кнопка S2* была нажата после ввода
байта (введено две тетрады), произойдет возврат назад на один байт. Если кнопка S2*
была нажата после ввода полубайта (введена одна тетрада), произойдет возврат к первой
тетраде этого же байта. Если текущим был первый байт, ввод ключа отменяется
(за исключением уже записанных байт). Две последние тетрады – код ключа
(FA – цифрал, FB – метаком, 01 – DS1990A, 06 – DS1992, 08 – DS1993).
Корректность ключей не проверяется. Примеры ввода ключей:"

Второе обновление к статье (3in1_2.rar).
Исправлена ошибка с повышенным потреблением в ждущем режиме


Вложения:
3in1_2.rar [26.76 KiB]
Скачиваний: 2743
3in1.rar [26.85 KiB]
Скачиваний: 2153


Последний раз редактировалось iplogger Вс янв 08, 2012 08:31:08, всего редактировалось 2 раз(а).
Вернуться наверх
 
Не в сети
 Заголовок сообщения: Re: Эмулятор ключей домофонов «Цифрал», «Метаком» и «Даллас»
СообщениеДобавлено: Ср ноя 09, 2011 05:24:27 
Грызет канифоль
Аватар пользователя

Карма: 11
Рейтинг сообщений: 36
Зарегистрирован: Пн дек 15, 2008 19:28:38
Сообщений: 262
Откуда: Омск
Рейтинг сообщения: 3
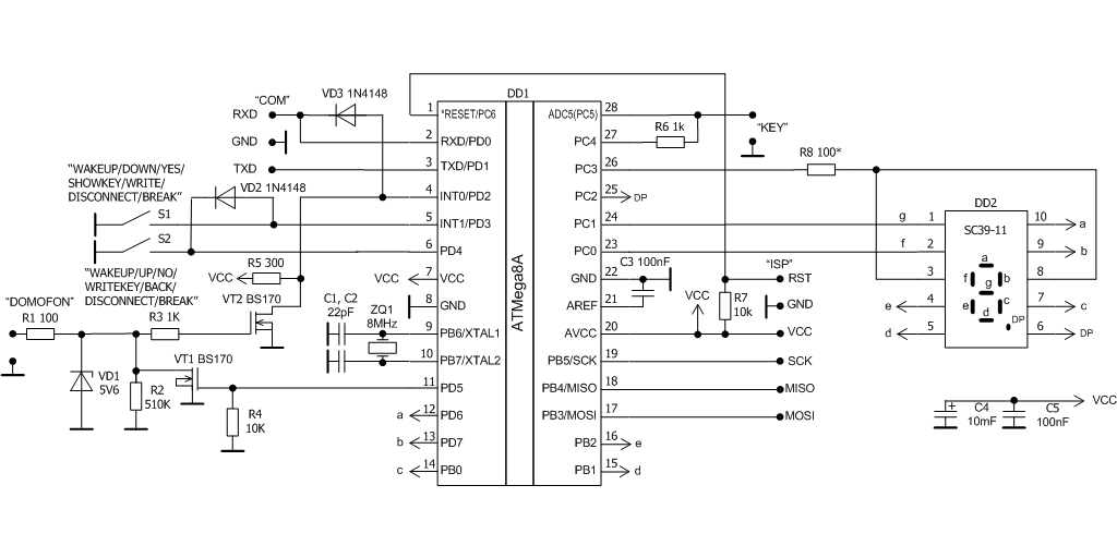
Новая схема с динамической индикацией. Ключи DS1992, DS1993 не поддерживаются. В данной версии поддерживается в "сыром" виде дубликатор ключей ТМ2004, RW1990.X (3in1_dyn.rar, 3in1_dyn.png).
Изображение

Второе обновление, схема не менялась (3in1_dyn_2.rar).
Исправлена ошибка с повышенным потреблением в ждущем режиме

Третье обновление, схема не менялась (3in1_dyn_3.rar).
Перед записью ключа в эмулятор показывается наличие уже записанного ключа (символ "-"). Впоследствии будет включатся как опция.
Исправлена ошибка с записью на заготовки RW1990.1(ТМ-08v2) и RW1990.2. Проверена запись на заготовку RW1990.1.

Нарушение правил. п - 2.2. FAKIR. Замечание.


Вложения:
3in1_dyn_3.rar [24.78 KiB]
Скачиваний: 3088
3in1_dyn_2.rar [24.08 KiB]
Скачиваний: 1963
3in1_dyn.png [30.3 KiB]
Скачиваний: 3756
3in1_dyn.rar [23.99 KiB]
Скачиваний: 2365


Последний раз редактировалось iplogger Вс янв 08, 2012 08:32:59, всего редактировалось 7 раз(а).
Вернуться наверх
 
Не в сети
 Заголовок сообщения: Re: Эмулятор ключей домофонов «Цифрал», «Метаком» и «Даллас»
СообщениеДобавлено: Ср ноя 09, 2011 08:20:41 
Открыл глаза
Аватар пользователя

Зарегистрирован: Вс янв 20, 2008 13:01:38
Сообщений: 42
Откуда: Барнаул
Рейтинг сообщения: 0
Доброго времени суток! У меня эмулятор будится по S1/S2 и отображает всегда номер ключа 0, затем нужный нужно выбирать. Так и надо или должен отображаться последний использованный или какой еще?


Вернуться наверх
 
Эиком - электронные компоненты и радиодетали
Не в сети
 Заголовок сообщения: Re: Эмулятор ключей домофонов «Цифрал», «Метаком» и «Даллас»
СообщениеДобавлено: Ср ноя 09, 2011 10:46:06 
Это не хвост, это антенна
Аватар пользователя

Карма: 23
Рейтинг сообщений: 416
Зарегистрирован: Пт фев 05, 2010 03:48:21
Сообщений: 1451
Откуда: 056.RU
Рейтинг сообщения: 0
У меня отображается последний, каким пользовался.

_________________
Кошка случайно подсказала!


Вернуться наверх
 
Не в сети
 Заголовок сообщения: Re: Эмулятор ключей домофонов «Цифрал», «Метаком» и «Даллас»
СообщениеДобавлено: Ср ноя 09, 2011 11:52:36 
Это не хвост, это антенна
Аватар пользователя

Карма: 23
Рейтинг сообщений: 416
Зарегистрирован: Пт фев 05, 2010 03:48:21
Сообщений: 1451
Откуда: 056.RU
Рейтинг сообщения: 0
iplogger писал(а):
Есть в "сыром" виде дубликатор ключей ТМ2004, RW1990.X.

Интересно бы посмотреть, iplogger выложите пожалуйста если не жалко или в личку.

_________________
Кошка случайно подсказала!


Вернуться наверх
 
Не в сети
 Заголовок сообщения: Re: Эмулятор ключей домофонов «Цифрал», «Метаком» и «Даллас»
СообщениеДобавлено: Ср ноя 09, 2011 17:16:45 
Грызет канифоль
Аватар пользователя

Карма: 11
Рейтинг сообщений: 36
Зарегистрирован: Пн дек 15, 2008 19:28:38
Сообщений: 262
Откуда: Омск
Рейтинг сообщения: 0
reviver писал(а):
iplogger писал(а):
Есть в "сыром" виде дубликатор ключей ТМ2004, RW1990.X.

Интересно бы посмотреть, iplogger выложите пожалуйста если не жалко или в личку.


Не жалко. Подправил текст поста от "Ср ноя 09, 2011 Н:24:27"


Вернуться наверх
 
Не в сети
 Заголовок сообщения: Re: Эмулятор ключей домофонов «Цифрал», «Метаком» и «Даллас»
СообщениеДобавлено: Ср ноя 09, 2011 18:56:14 
Это не хвост, это антенна
Аватар пользователя

Карма: 23
Рейтинг сообщений: 416
Зарегистрирован: Пт фев 05, 2010 03:48:21
Сообщений: 1451
Откуда: 056.RU
Рейтинг сообщения: 0
Спасибо, понял. Сначала неправильно понял. Но у меня изначально в 3в1 почему-то дублировались ТМ2004, RW1990.X.
Поэтому ничего и не понял.

_________________
Кошка случайно подсказала!


Вернуться наверх
 
Не в сети
 Заголовок сообщения: Re: Эмулятор ключей домофонов «Цифрал», «Метаком» и «Даллас»
СообщениеДобавлено: Ср ноя 09, 2011 19:17:00 
Грызет канифоль
Аватар пользователя

Карма: 11
Рейтинг сообщений: 36
Зарегистрирован: Пн дек 15, 2008 19:28:38
Сообщений: 262
Откуда: Омск
Рейтинг сообщения: 0
reviver писал(а):
Спасибо, понял. Сначала неправильно понял. Но у меня изначально в 3в1 почему-то дублировались ТМ2004, RW1990.X.
Поэтому ничего и не понял.


:shock: Теперь уже я нифига не понял. Поясняю на пальцах. С помощью эмулятора с динамической индикацией можно попробовать записать любой ключ из эмулятора на заготовки ТМ2004 или RW1990.


Вернуться наверх
 
Не в сети
 Заголовок сообщения: Re: Эмулятор ключей домофонов «Цифрал», «Метаком» и «Даллас»
СообщениеДобавлено: Ср ноя 09, 2011 19:44:44 
Это не хвост, это антенна
Аватар пользователя

Карма: 23
Рейтинг сообщений: 416
Зарегистрирован: Пт фев 05, 2010 03:48:21
Сообщений: 1451
Откуда: 056.RU
Рейтинг сообщения: 0
Вот теперь понял! Теперь Эмулятор работает и как копировщик ключей? Или я тупой или Вам в описании так и нужно было написать. Извините.
Переделаю попробую с заготовкой ТМ-01F. Только как копировать? Заранее Спасибо!

_________________
Кошка случайно подсказала!


Вернуться наверх
 
Не в сети
 Заголовок сообщения: Re: Эмулятор ключей домофонов «Цифрал», «Метаком» и «Даллас»
СообщениеДобавлено: Ср ноя 09, 2011 22:01:32 
Открыл глаза

Зарегистрирован: Вс сен 18, 2011 14:15:51
Сообщений: 41
Рейтинг сообщения: 0
Копир ключей был бы очень кстати в данном устройстве. Кто-нибудь, ответьте мне на тупой вопрос. Почему автор схемы рисует выводы на ISP-разъём для atmega8a в dip-28 корпусе? Её разве программируют внутрисхемно? Чего я не понимаю?


Вернуться наверх
 
Не в сети
 Заголовок сообщения: Re: Эмулятор ключей домофонов «Цифрал», «Метаком» и «Даллас»
СообщениеДобавлено: Ср ноя 09, 2011 22:08:01 
Это не хвост, это антенна
Аватар пользователя

Карма: 23
Рейтинг сообщений: 416
Зарегистрирован: Пт фев 05, 2010 03:48:21
Сообщений: 1451
Откуда: 056.RU
Рейтинг сообщения: 0
Ну я думаю туда причипляется программатор, если AVR запаян на плате а не стоит на сокете.

_________________
Кошка случайно подсказала!


Вернуться наверх
 
Не в сети
 Заголовок сообщения: Re: Эмулятор ключей домофонов «Цифрал», «Метаком» и «Даллас»
СообщениеДобавлено: Ср ноя 09, 2011 22:43:44 
Родился

Зарегистрирован: Вс сен 12, 2010 18:27:43
Сообщений: 9
Откуда: Беларусь, Могилёв
Рейтинг сообщения: 0
а нельзя ли сделать поддержку ds1992 1993 и динамическую индикацию в одном устройстве?


Вернуться наверх
 
Не в сети
 Заголовок сообщения: Re: Эмулятор ключей домофонов «Цифрал», «Метаком» и «Даллас»
СообщениеДобавлено: Чт ноя 10, 2011 04:36:28 
Грызет канифоль
Аватар пользователя

Карма: 11
Рейтинг сообщений: 36
Зарегистрирован: Пн дек 15, 2008 19:28:38
Сообщений: 262
Откуда: Омск
Рейтинг сообщения: 0
mebadboy писал(а):
Копир ключей был бы очень кстати в данном устройстве. Кто-нибудь, ответьте мне на тупой вопрос. Почему автор схемы рисует выводы на ISP-разъём для atmega8a в dip-28 корпусе? Её разве программируют внутрисхемно? Чего я не понимаю?


Вы не понимаете того, что абсолютно все 8-битные микроконтроллеры AVR фирмы Atmel могут программироваться внутрисхемно.


Вернуться наверх
 
Не в сети
 Заголовок сообщения: Re: Эмулятор ключей домофонов «Цифрал», «Метаком» и «Даллас»
СообщениеДобавлено: Чт ноя 10, 2011 04:38:02 
Грызет канифоль
Аватар пользователя

Карма: 11
Рейтинг сообщений: 36
Зарегистрирован: Пн дек 15, 2008 19:28:38
Сообщений: 262
Откуда: Омск
Рейтинг сообщения: 0
a-droo писал(а):
а нельзя ли сделать поддержку ds1992 1993 и динамическую индикацию в одном устройстве?


Памяти ATmega8 не хватает


Вернуться наверх
 
Не в сети
 Заголовок сообщения: Re: Эмулятор ключей домофонов «Цифрал», «Метаком» и «Даллас»
СообщениеДобавлено: Чт ноя 10, 2011 18:32:23 
Открыл глаза

Зарегистрирован: Вс сен 18, 2011 14:15:51
Сообщений: 41
Рейтинг сообщения: 0
Спасибо за ответ, а то в прошлой теме я был удивлён, когда меня ткнули в картинку с внешним программатором. Вообще в dip-мк не вижу смысла. Разве что паять удобнее и на макетке ковыряться.

Возможно имеет смысл взять 16-ю или 32-ю мегу? Там памяти больше. Правда, придётся и прошивку переписывать.


Вернуться наверх
 
Не в сети
 Заголовок сообщения: Re: Эмулятор ключей домофонов «Цифрал», «Метаком» и «Даллас»
СообщениеДобавлено: Пн ноя 14, 2011 19:12:04 
Вымогатель припоя
Аватар пользователя

Карма: 6
Рейтинг сообщений: 72
Зарегистрирован: Вт ноя 08, 2011 21:13:41
Сообщений: 562
Откуда: Светлоград Ставропольский край
Рейтинг сообщения: 0
рекрасная статья, прекрасная схема. Есть один законный вопрос: А нет ли разводки печатной платы в Sprint-Layot5? А то я уже начал разрабатывать печатку под корпус Atmega8A TQFP32. Я хочу собрать супер компактный эмулятор на SMD элементах.


Вернуться наверх
 
Не в сети
 Заголовок сообщения: Re: Эмулятор ключей домофонов «Цифрал», «Метаком» и «Даллас»
СообщениеДобавлено: Пн ноя 14, 2011 20:07:46 
Родился

Зарегистрирован: Пн ноя 14, 2011 18:41:49
Сообщений: 7
Рейтинг сообщения: 0
Здравствуйте! Два вопроса:

1. Можно ли заменить безболезненно Мегу8 на 168?
2. Повсеместно встречаются 16 разрядные вездеходы Dallas, а для Метакома есть ли подобное?


Вернуться наверх
 
Не в сети
 Заголовок сообщения: Re: Эмулятор ключей домофонов «Цифрал», «Метаком» и «Даллас»
СообщениеДобавлено: Пн ноя 14, 2011 23:29:45 
Открыл глаза

Зарегистрирован: Вс сен 18, 2011 14:15:51
Сообщений: 41
Рейтинг сообщения: 0
federic писал(а):
рекрасная статья, прекрасная схема. Есть один законный вопрос: А нет ли разводки печатной платы в Sprint-Layot5? А то я уже начал разрабатывать печатку под корпус Atmega8A TQFP32. Я хочу собрать супер компактный эмулятор на SMD элементах.


Тут на 15 странице были, но не по последней схеме (без динамической индикации). viewtopic.php?f=25&t=37116&start=280

А не рано ли? Автор видимо еще хочет реализовать копир ключей + не факт, что не перейдёт на другой мк. Думаю, лучше впоследствии развести финальную версию и заказать печатку на всех заинтересованных.

Меня вот интересует другой вопрос. Можно ли увидеть исходники прошивок? Было бы интересно поковырять.


Вернуться наверх
 
Не в сети
 Заголовок сообщения: Re: Эмулятор ключей домофонов «Цифрал», «Метаком» и «Даллас»
СообщениеДобавлено: Вт ноя 15, 2011 11:55:05 
Вымогатель припоя
Аватар пользователя

Карма: 6
Рейтинг сообщений: 72
Зарегистрирован: Вт ноя 08, 2011 21:13:41
Сообщений: 562
Откуда: Светлоград Ставропольский край
Рейтинг сообщения: 0
Опишите пожалуйста процедуру записи ключей на болванки TM 2004, RW1990.X


Вернуться наверх
 
Показать сообщения за:  Сортировать по:  Вернуться наверх
Начать новую тему Ответить на тему  [ Сообщений: 1689 ]  1, , , , ...  

Часовой пояс: UTC + 3 часа


Кто сейчас на форуме

Сейчас этот форум просматривают: нет зарегистрированных пользователей и гости: 36


Вы не можете начинать темы
Вы не можете отвечать на сообщения
Вы не можете редактировать свои сообщения
Вы не можете удалять свои сообщения
Вы не можете добавлять вложения

Найти:
Перейти:  


Powered by phpBB © 2000, 2002, 2005, 2007 phpBB Group
Русская поддержка phpBB
Extended by Karma MOD © 2007—2012 m157y
Extended by Topic Tags MOD © 2012 m157y