Например TDA7294

Форум РадиоКот • Просмотр темы - Всё о фьюзах...
Форум РадиоКот
Здесь можно немножко помяукать :)

Текущее время: Сб ноя 29, 2025 10:50:35

Часовой пояс: UTC + 3 часа


ПРЯМО СЕЙЧАС:



Начать новую тему Ответить на тему  [ Сообщений: 2665 ]     ... , , , 10, , , ...  
Автор Сообщение
Не в сети
 Заголовок сообщения:
СообщениеДобавлено: Сб мар 08, 2008 23:20:02 
Мучитель микросхем
Аватар пользователя

Зарегистрирован: Ср ноя 21, 2007 19:04:23
Сообщений: 462
Рейтинг сообщения: 0
Прошил ПониПрогом мегу8 со включенными фьюз битами SPIEN, CKOPT, BODEN, SUT0. Со всех остальных снял галочки. Мне параллельный программатор поможет или МК в помойку?


Вернуться наверх
 
Не в сети
 Заголовок сообщения:
СообщениеДобавлено: Вс мар 09, 2008 03:10:39 
Вымогатель припоя
Аватар пользователя

Зарегистрирован: Сб фев 24, 2007 06:26:18
Сообщений: 615
Откуда: г.Нижний Тагил
Рейтинг сообщения: 0
atmega8 параллельным программатором оживляется без всяких проблем.


Вернуться наверх
 
Не в сети
 Заголовок сообщения:
СообщениеДобавлено: Вс мар 09, 2008 10:16:57 
Мучитель микросхем
Аватар пользователя

Зарегистрирован: Ср ноя 21, 2007 19:04:23
Сообщений: 462
Рейтинг сообщения: 0
Спасибо :)) , значит мне в соседнюю тему.


Вернуться наверх
 
Не в сети
 Заголовок сообщения:
СообщениеДобавлено: Вс мар 09, 2008 12:32:26 
Мучитель микросхем
Аватар пользователя

Зарегистрирован: Ср ноя 21, 2007 19:04:23
Сообщений: 462
Рейтинг сообщения: 0
А какие фьюзы следует включить на меге8, чтобы заработал внутренний генератор?


Вернуться наверх
 
Эиком - электронные компоненты и радиодетали
Не в сети
 Заголовок сообщения:
СообщениеДобавлено: Пн мар 17, 2008 12:36:05 
Родился

Зарегистрирован: Пн мар 17, 2008 12:29:30
Сообщений: 7
Рейтинг сообщения: 0
Нужна помощь в расшифровке командной строки для программатора STK500.
stk500.exe -cUSB -dATMEGA16 -I250000 -ifmain.hex -e -pf -vf -fC1EF -E03 -lCF
Вот собственно. Расскажите как тут фьюзы прошиты, нужно выставить фьюзы в CVAVR.


Вернуться наверх
 
Не в сети
 Заголовок сообщения:
СообщениеДобавлено: Пн мар 17, 2008 13:59:37 
Э...
Аватар пользователя

Карма: 1
Рейтинг сообщений: 9
Зарегистрирован: Ср апр 04, 2007 08:39:14
Сообщений: 2792
Откуда: Москва
Рейтинг сообщения: 0
DEST писал(а):
Нужна помощь в расшифровке командной строки для программатора STK500.
stk500.exe -cUSB -dATMEGA16 -I250000 -ifmain.hex -e -pf -vf -fC1EF -E03 -lCF
Вот собственно. Расскажите как тут фьюзы прошиты, нужно выставить фьюзы в CVAVR.


2 байта фьюзов похоже такие C1 и EF - как выставить
в CVAVR на стр. 7 моей домашней странички.

_________________
Думайте сами, решайте сами ... а вот он-лайн перевод на корявый русский http://translate.ru


Вернуться наверх
 
Не в сети
 Заголовок сообщения:
СообщениеДобавлено: Пн мар 17, 2008 15:48:08 
Родился

Зарегистрирован: Пн мар 17, 2008 12:29:30
Сообщений: 7
Рейтинг сообщения: 0
Уважаемый я просил указать фьюзы. То что вы сказали я и сам понял. Хочется поконкретнее, услышать ответ от знающих людей, удостоверится в том что я сам нашёл, дабы не прибить Мегу.


Вернуться наверх
 
Не в сети
 Заголовок сообщения:
СообщениеДобавлено: Пн мар 17, 2008 16:21:25 
Э...
Аватар пользователя

Карма: 1
Рейтинг сообщений: 9
Зарегистрирован: Ср апр 04, 2007 08:39:14
Сообщений: 2792
Откуда: Москва
Рейтинг сообщения: 0
DEST писал(а):
Уважаемый я просил указать фьюзы.


Я вам их и указал ! ВСЕ 16 штук !

А в даташите указан их порядок в байтах.
Две таблицы в разделе "Fuse Bits"

мега16 наверно и не убиваемая фьюзами - у ней вроде не отключается ISP как в меге8 и тинях.

_________________
Думайте сами, решайте сами ... а вот он-лайн перевод на корявый русский http://translate.ru


Вернуться наверх
 
Не в сети
 Заголовок сообщения:
СообщениеДобавлено: Пн мар 17, 2008 20:56:45 
Потрогал лапой паяльник

Зарегистрирован: Пт фев 08, 2008 13:46:03
Сообщений: 327
Откуда: Воронеж
Рейтинг сообщения: 0
Народ, подскажите пожалуйста, как заставить мегу8 работать на частоте 16 МГц.

пробовал следующие комбинации настроек фьюзов
CKSEL = 1110 CKOPT = 0
CKSEL = 1111 CKOPT = 0

???


Вернуться наверх
 
Не в сети
 Заголовок сообщения:
СообщениеДобавлено: Пн мар 17, 2008 23:22:58 
Потрогал лапой паяльник

Зарегистрирован: Пт фев 08, 2008 13:46:03
Сообщений: 327
Откуда: Воронеж
Рейтинг сообщения: 0
Люди, пожалуйста помогите. Не хочет работать у меня МК мега8 на 16 МГц, на 11 работает, а вто на 16 никак.
Какую конфигурацию фьюзов надо выставить, чтобы произошло это чудо!


Вернуться наверх
 
Не в сети
 Заголовок сообщения:
СообщениеДобавлено: Вт мар 18, 2008 00:09:10 
Потрогал лапой паяльник

Зарегистрирован: Пт фев 08, 2008 13:46:03
Сообщений: 327
Откуда: Воронеж
Рейтинг сообщения: 0
:) Ура! Помощь пока больше не нужна.
Калькулятор для фьюзов очень помог.

Теперь МК работает даже на 20МГц

http://palmavr.sourceforge.net/cgi-bin/ ... &P=ATmega8


Вернуться наверх
 
Не в сети
 Заголовок сообщения:
СообщениеДобавлено: Ср мар 19, 2008 02:00:59 
Родился

Зарегистрирован: Пн янв 14, 2008 00:45:13
Сообщений: 10
Рейтинг сообщения: 0
Привет!
Не подскажите можно ли ещё что-то исправить?
Я тут пытался к ATtiny2313 подключить внешний кварц на 10mhz...
Програматор ByteBlaster, прога avreal
Правильный ли был ход:
Сначала я поставил CKDIV8=1, потом CLKSEL=f,SUT=3... Он начал вести себя как-то странно... Примерно пол секунды начинал работать, а потом зависал...
Я начал пробовать разные SUT... Потом и CKSEL...
Дальше я точно понимаю, что поступил не правильно: CLKSEL=0,SUT=0
Теперь я даже не могу поменять их :( хотя, когда прошивал, думал, что -o0 помогут...

Собственно вопросы:
1) CKDIV8=1,CLKSEL=f,SUT=3 - настраивают на внешний кварц 8+ mhz, или нет?
2) Можно ли как-то его вернуть к жизни? (я так понимаю можно, но только подав на XTAL1 сигнал от другого МК?)


Вернуться наверх
 
Не в сети
 Заголовок сообщения:
СообщениеДобавлено: Ср мар 19, 2008 02:30:20 
Грызет канифоль
Аватар пользователя

Зарегистрирован: Пн фев 11, 2008 20:32:45
Сообщений: 255
Откуда: Краснодарский край
Рейтинг сообщения: 0
Стоит все таки читать Даташиты.... много интересного пишут.... и как фюзы программировать и какая частота кварца должна сответствовать фюзу....

с кварцем на 10 МГц надо запрограммировать CKSEL0..3 (1111)


Вернуться наверх
 
Не в сети
 Заголовок сообщения:
СообщениеДобавлено: Ср мар 19, 2008 03:03:14 
Родился

Зарегистрирован: Пн янв 14, 2008 00:45:13
Сообщений: 10
Рейтинг сообщения: 0
А я и читаю.
CKSEL=f,SUT=2 - я тоже пробовал...


Вернуться наверх
 
Не в сети
 Заголовок сообщения:
СообщениеДобавлено: Чт мар 20, 2008 11:31:36 
Э...
Аватар пользователя

Карма: 1
Рейтинг сообщений: 9
Зарегистрирован: Ср апр 04, 2007 08:39:14
Сообщений: 2792
Откуда: Москва
Рейтинг сообщения: 0
Fuse биты AVR - скриншоты установок фьюзов AVR - лучше один раз увидеть ! Добавьте в избранное ! Ctrl + D
Пригодится не раз.

_________________
Думайте сами, решайте сами ... а вот он-лайн перевод на корявый русский http://translate.ru


Вернуться наверх
 
Не в сети
 Заголовок сообщения:
СообщениеДобавлено: Пт мар 21, 2008 15:31:49 
Родился

Зарегистрирован: Пн янв 14, 2008 00:45:13
Сообщений: 10
Рейтинг сообщения: 0
Ну как ставить фузы я в принципе знаю... Просто решил уточнить. Ибо не работало на CKSEL=f,SUT=2. Теперь я грешу не на фузы, а на конденсаторы или кварц...
А что по поводу второго вопроса:
Можно ли как-то МК вернуть к жизни?


Вернуться наверх
 
Не в сети
 Заголовок сообщения:
СообщениеДобавлено: Пт мар 21, 2008 19:11:35 
Нашел транзистор. Понюхал.
Аватар пользователя

Зарегистрирован: Чт мар 20, 2008 20:33:43
Сообщений: 173
Рейтинг сообщения: 0
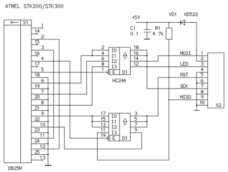
Я как-то тоже играясь с Tiny2313 ошибся с фюзами. Исправил при помощи AVRealshell, можно AVReal, который сам подает генерацию. Для этого c STK 200 нужно подать сигнал LED, на 5- ножку МК (XTAL1).
У вашего программатора тоже наверно будет такая возможность. В Интернете были подобные обсуждения. Что-то по этому поводу с вашим программатором было здесь
http://forum.rcdesign.ru/index.php?showtopic=38033
Сейчас не читал, некогда, скинул на всякий случай.
Вы писали про ключ -oO. Так вы это уже проделали?


Вложения:
stk200.jpg [26.73 KiB]
Скачиваний: 840
Вернуться наверх
 
Не в сети
 Заголовок сообщения:
СообщениеДобавлено: Сб мар 22, 2008 21:26:57 
Прорезались зубы

Карма: 5
Рейтинг сообщений: 7
Зарегистрирован: Вс дек 10, 2006 19:26:13
Сообщений: 208
Рейтинг сообщения: 0
Где то прочитал,чтоб никто не смог вскрыть прошивку нельзя оставлять включенными фьюзы OCDEN и DWEN.В моем программаторе Uniproff на фьюзе OCDEN стоит галочка или 1,но все равно считывается,а DWEN вообще нет,может по другому называется ?
Контроллер мега16.


Вернуться наверх
 
Не в сети
 Заголовок сообщения:
СообщениеДобавлено: Сб мар 22, 2008 21:39:32 
Э...
Аватар пользователя

Карма: 1
Рейтинг сообщений: 9
Зарегистрирован: Ср апр 04, 2007 08:39:14
Сообщений: 2792
Откуда: Москва
Рейтинг сообщения: 0
dm211 писал(а):
а DWEN вообще нет,может по другому называется ?
Контроллер мега16.


А в даташите попробуйте ПОЗЫРИТЬ САМИ !

_________________
Думайте сами, решайте сами ... а вот он-лайн перевод на корявый русский http://translate.ru


Вернуться наверх
 
Не в сети
 Заголовок сообщения:
СообщениеДобавлено: Сб мар 22, 2008 22:23:34 
Прорезались зубы

Карма: 5
Рейтинг сообщений: 7
Зарегистрирован: Вс дек 10, 2006 19:26:13
Сообщений: 208
Рейтинг сообщения: 0
Ну неохота мне,скажите просто в двух словах,раз знаете.
И другие узнают.


Вернуться наверх
 
Показать сообщения за:  Сортировать по:  Вернуться наверх
Начать новую тему Ответить на тему  [ Сообщений: 2665 ]     ... , , , 10, , , ...  

Часовой пояс: UTC + 3 часа


Кто сейчас на форуме

Сейчас этот форум просматривают: нет зарегистрированных пользователей и гости: 17


Вы не можете начинать темы
Вы не можете отвечать на сообщения
Вы не можете редактировать свои сообщения
Вы не можете удалять свои сообщения
Вы не можете добавлять вложения

Найти:
Перейти:  


Powered by phpBB © 2000, 2002, 2005, 2007 phpBB Group
Русская поддержка phpBB
Extended by Karma MOD © 2007—2012 m157y
Extended by Topic Tags MOD © 2012 m157y