Например TDA7294

Форум РадиоКот • Просмотр темы - Усилитель на германиевых транзисторах. Для начинающих.
Форум РадиоКот
Здесь можно немножко помяукать :)

Текущее время: Сб ноя 29, 2025 04:43:18

Часовой пояс: UTC + 3 часа


ПРЯМО СЕЙЧАС:



Начать новую тему Ответить на тему  [ Сообщений: 3114 ]     ... , , , , 156
Автор Сообщение
Не в сети
 Заголовок сообщения: Re: Усилитель на германиевых транзисторах. Для начинающих.
СообщениеДобавлено: Вс ноя 16, 2025 22:50:32 
Сверлит текстолит когтями

Карма: 8
Рейтинг сообщений: 27
Зарегистрирован: Ср мар 01, 2023 12:56:48
Сообщений: 1224
Рейтинг сообщения: 0
-serg- писал(а):
Для увеличения тока через них можно увеличить напряжение питания драйвера до 30 вольт.

не serg не получится. дривер индикаторов питается от общего с умзч источника 19 В. пробовал 24 но греются выходники и легкий гул в колонках.
радиаторы для красоты, корпус тесный. попробую ваши рекомендации.
в мультяшном симуляторе пробовал по всякому играть номиналами , толку мало.
и так норм играет .


Вернуться наверх
 
Не в сети
 Заголовок сообщения: Re: Усилитель на германиевых транзисторах. Для начинающих.
СообщениеДобавлено: Пн ноя 17, 2025 04:40:17 
Открыл глаза
Аватар пользователя

Зарегистрирован: Вс сен 28, 2025 22:53:37
Сообщений: 79
Откуда: Планета Мурляндия
Рейтинг сообщения: 0
Вот, держите.
Вложение:
ABK_3.3.3.JPG

Это вам не беслик, а в 5 раз лудчШе параметры.
Вот прямо позавчера схемка, завалившаяся, нашлась - прямо "в руку"...

питание надо 12 В вы есть в вк?

Добавлено after 5 minutes 50 seconds:
Во-первых. Что забыли КТ 3102 в усилителе на германии?
Во-вторых. Квазикомплементарные П 213 - 215 и их аналоги это вообще не смешно. Они в усилитель не пригодны и не были пригодны изначально. Ставили их от безальтернативности.


вот и у меня стоит и играет я на хифи не притендую. Моя схема рабочая была такая
Изображение

Но я хочу сделать на однополярке 12 В с моим выхкаскадом УМ . На раскачку у меня есть гт 403
На первый каскад есть простые пнп мпшки. Не один мне тут еще не помг реализовать это.

_________________
Кто сказал мяу?


Вернуться наверх
 
Не в сети
 Заголовок сообщения: Re: Усилитель на германиевых транзисторах. Для начинающих.
СообщениеДобавлено: Пн ноя 17, 2025 05:58:29 
Друг Кота
Аватар пользователя

Карма: 57
Рейтинг сообщений: 371
Зарегистрирован: Ср май 04, 2016 23:18:38
Сообщений: 5986
Рейтинг сообщения: 0
А не проще на выход поставить тоже кремниевые и не страдать от завала высоких?

_________________
Ваше открытие опровергает науку? Нет, это наука опровергает ваш бред.
Истина никогда не бывает посередине. Ведь середина на стороне того, кто больше лжёт.
Не стыдно писать в МЯЯЯУ! - стыдно вести себя не как порядочный Радио Кот. :)


Вернуться наверх
 
Не в сети
 Заголовок сообщения: Re: Усилитель на германиевых транзисторах. Для начинающих.
СообщениеДобавлено: Пн ноя 17, 2025 19:26:32 
Открыл глаза
Аватар пользователя

Зарегистрирован: Вс сен 28, 2025 22:53:37
Сообщений: 79
Откуда: Планета Мурляндия
Рейтинг сообщения: 0
нет там никакого завала

_________________
Кто сказал мяу?


Вернуться наверх
 
Эиком - электронные компоненты и радиодетали
Не в сети
 Заголовок сообщения: Re: Усилитель на германиевых транзисторах. Для начинающих.
СообщениеДобавлено: Пн ноя 17, 2025 19:54:57 
Модератор
Аватар пользователя

Карма: 159
Рейтинг сообщений: 4072
Зарегистрирован: Пт янв 23, 2009 19:20:05
Сообщений: 45129
Рейтинг сообщения: 0
Медали: 1
Получил миской по аватаре (1)
Там не завал, а резкий рост искажений будет, его ещё называют "транзисторный звук"...


Вернуться наверх
 
Не в сети
 Заголовок сообщения: Re: Усилитель на германиевых транзисторах. Для начинающих.
СообщениеДобавлено: Пн ноя 17, 2025 21:34:51 
Друг Кота
Аватар пользователя

Карма: 57
Рейтинг сообщений: 371
Зарегистрирован: Ср май 04, 2016 23:18:38
Сообщений: 5986
Рейтинг сообщения: 0
Есть завал. Может от одного каскада и не так заметно. Поскольку ОООсь сгладит. Но лучше не делать УСь из барахла. Особенно если оно не предназначено на УСь.

_________________
Ваше открытие опровергает науку? Нет, это наука опровергает ваш бред.
Истина никогда не бывает посередине. Ведь середина на стороне того, кто больше лжёт.
Не стыдно писать в МЯЯЯУ! - стыдно вести себя не как порядочный Радио Кот. :)


Вернуться наверх
 
Не в сети
 Заголовок сообщения: Re: Усилитель на германиевых транзисторах. Для начинающих.
СообщениеДобавлено: Вт ноя 18, 2025 14:35:20 
Вымогатель припоя

Зарегистрирован: Пт май 20, 2022 12:28:46
Сообщений: 597
Рейтинг сообщения: 0
Мы, конечно, живем в свободном обществе и каждый волен делать всё, что он хочет, если это не противоречит УКРФ. Но объясните мне, идиоту, зачем в оконечник ставить германий если всё, что перед ним на кремнии, не комплиментарном, да еще и на весьма поганом (для аудиоприменения) кремнии.

Это примерно то же самое, что построить современный дом, но накрыть его сверху соломенной крышей и вставить слюдяные окна. Получится ни то ни сё.


Вернуться наверх
 
Не в сети
 Заголовок сообщения: Re: Усилитель на германиевых транзисторах. Для начинающих.
СообщениеДобавлено: Вт ноя 18, 2025 17:49:37 
Модератор
Аватар пользователя

Карма: 159
Рейтинг сообщений: 4072
Зарегистрирован: Пт янв 23, 2009 19:20:05
Сообщений: 45129
Рейтинг сообщения: 0
Медали: 1
Получил миской по аватаре (1)
На сколько я понимаю этот бзик, у сплавных транзисторов меньше кривизна характеристики усиления, что снижает количество гармоник высших порядков, но Беслик и его последователи напрочь нивелируют даже это (сомнительное...) преимущество, применяя ООС довольно большой глубины, в результате - динамические искажения и "транзисторный звук"...


Вернуться наверх
 
Не в сети
 Заголовок сообщения: Re: Усилитель на германиевых транзисторах. Для начинающих.
СообщениеДобавлено: Ср ноя 19, 2025 10:05:31 
Открыл глаза
Аватар пользователя

Зарегистрирован: Вс сен 28, 2025 22:53:37
Сообщений: 79
Откуда: Планета Мурляндия
Рейтинг сообщения: -1
так собери в железе и послушай. 3 недели не один не написал тут ничего толкового...Проще уже на али купить германиевый унч чем тут что то искать

_________________
Кто сказал мяу?


Вернуться наверх
 
Не в сети
 Заголовок сообщения: Re: Усилитель на германиевых транзисторах. Для начинающих.
СообщениеДобавлено: Ср ноя 19, 2025 11:20:36 
Вымогатель припоя

Зарегистрирован: Пт май 20, 2022 12:28:46
Сообщений: 597
Рейтинг сообщения: 1
CatsPowerRus писал(а):
так собери в железе и послушай.
Я не вижу в этом смысла, так как уже примерно понятно, как это будет звучать (спойлер: никак)

а про "толковое"
CatsPowerRus, тут в форуме, есть комрад AndreyZZ, который тоже очень любит класс А и Германий, но знаете какое между вами отличие?
Он делает (за что ему огромный респект), а вы наполняете базу данных форма бесполезным нытьём. Тут не нравится, сдесь не нравится, схема не по фен-шую...
Интернет завален схемами. На любой вкус, цвет и кошелек.
Соберите хоть одну, включите, наладьте, посмотрите, как работает. Послушайте, нравится / не нравится.

Если будут вопросы по делу, пишите сюда, вам ответят и про дифкаскад и про ООС и про перенос земли с плюса на минус... Про всё.
Но не надо жить по принципу "вы мне делайте, а я буду ценные указания давать" Ценные указания нынче в разделе "есть работа", как отдельный пункт за отдельные деньги.

Добавлено after 16 minutes 16 seconds:
А что касается представленной схемы, то я вангую THD+N у нее на уровне 0.5 Это даже не вписывается в нормы хай фая в его оригинальном виде из 70х.
причем 0.2-0.25% получится исключительно на несимметричном оконечнике. А всё остальное приедет от ОУ.. Тут же вся коррекция искажений ложится на операционник, а у него скорость нарастания 1.5 в/мкс.


Вернуться наверх
 
Не в сети
 Заголовок сообщения: Re: Усилитель на германиевых транзисторах. Для начинающих.
СообщениеДобавлено: Ср ноя 19, 2025 16:02:10 
Открыл глаза
Аватар пользователя

Зарегистрирован: Вс сен 28, 2025 22:53:37
Сообщений: 79
Откуда: Планета Мурляндия
Рейтинг сообщения: -1
опять про хайфай. Схему одно фуфло большая половина симуляторщиков. Другая половина двуполярка.
0.25 или 0.00000025 мне ваще пофигу абы играло с тем что есть у меня. А не собери вот это когда в таком случае проще готовую плату купить

_________________
Кто сказал мяу?


Вернуться наверх
 
Не в сети
 Заголовок сообщения: Re: Усилитель на германиевых транзисторах. Для начинающих.
СообщениеДобавлено: Ср ноя 19, 2025 23:14:34 
Вымогатель припоя

Зарегистрирован: Пт май 20, 2022 12:28:46
Сообщений: 597
Рейтинг сообщения: 0
И стало мне интересно, что такого в этом германии, поэтому решил собрать усилитель для наушников, тем более, что мой входной модуль поддерживает установку платы расширения для подключения оных.
Сделаю так:
Соберу две схемы для прослушивания и тестирования

1 вариант усилителя: будет на хорошем чипе + транзисторы разработанные специально для аудиоприменения.
2 вариант усилителя: будет на советской элементной базе. ОУ в корпусе 301.8-2 в золоте + транзисторы ГТ402Б и ГТ404Б (плату тоже сделаю черную с позолотой. Если со звуком будет не очень, то хоть на полке будет красиво смотреться )

и еще третью референсную на TPA6120A2

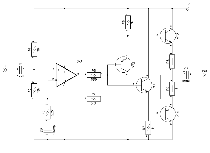
порывшись, понял, то германий у меня только pnp-шный решил пока собрать тестовый стенд для проверки ОУ
для этого взял классическую схему усилителя (он же усилитель Агеева) перепер ее на однополярное питание. (делал совершенно на глаз и из того, что было под рукой)
Изображение

В качестве транзисторов использовал КТ602БМ и КТ626А и протестировал для разных ОУ
Лучше всего на этой схеме показали себя усилители TL071 и 081 (что не странно, так как 081, это по факту отобранные 071) частота усиления до 500кГц. Искажения на меандре минимальные
второе место досталось К140УД8, третье NE5534, Хуже всего выступили UA741 и OPA134. 741 имеет очень низкую частоту, поэтому заваливать меандр он уже начал при 20кГц, а на 50 там уже была пила, а 134 паленый не завелся вообще а оригинальный загенерил в нижнем плече.

Что дальше.
Жду ГТ402Б и ГТ404Б и заказываю платы.


Вернуться наверх
 
Не в сети
 Заголовок сообщения: Re: Усилитель на германиевых транзисторах. Для начинающих.
СообщениеДобавлено: Вс ноя 23, 2025 15:02:00 
Мучитель трёхпрограммников

Карма: -47
Рейтинг сообщений: -446
Зарегистрирован: Пн фев 29, 2016 10:10:26
Сообщений: 11483
Рейтинг сообщения: 0
AndreyZZ Как успехи? Вот тоже хочу провести испытания усилителя.


Вернуться наверх
 
Не в сети
 Заголовок сообщения: Re: Усилитель на германиевых транзисторах. Для начинающих.
СообщениеДобавлено: Вс ноя 23, 2025 19:54:42 
Открыл глаза
Аватар пользователя

Зарегистрирован: Вс сен 28, 2025 22:53:37
Сообщений: 79
Откуда: Планета Мурляндия
Рейтинг сообщения: 0
помогите нашел схему

Изображение

у меня выходники сделанны так кстати двуполярка + оу = единственная схема которая у меня работала
Изображение

собирал такое не работает хрипит Изображение

так вот я свой выходной каскад к первой схеме приделал
обратная связь поставил 10к
резистор Т1 коллектор поставил 4к7

и ответьте на 2 вопрос... Мой каскад с ОУ если оттуда убрать ОУ и добавить лампу 6н23П сигнал с катода снимать обратку завести на анод или на вход не понимаю в этом...в ообщем можно упростить это все чтобы к вых каскаду не городить транзисторы а лампу приделать просто ?
эмитер Т1 поставил там 1к
смещение 30к а второй крутил от 1 до 30 ничего не меняется оставил там в смещении сверху 1к
с3 что стоит что нет толку нету разве что с ним немного гул пропадает
Сигнал подавал и между диодами и снизу все одинаково хрипит

33к смещение диодов ставил и 30к и 20к и 10к ничего не меняется
Звук играет чисто если пальцем трогать сам эмитер т1

Но во всех вариантах звук с какими то помехами сильными гуденьями.
Если звука навалить хрип пропадает играет очень громко схема.
Транзисторы вообще не греются никак.
Можно было бы сказать у них разное КУ но они работали же идеально в моем каскаде АБ
Я так понимаю это что Б класс? И да у меня тот 33к подключен не на выход за кондером а на общий может из за этого.
Думал 10к в базах поставить как во второй картинке было гудение началось...
Ничего не понимаю в этих унч.

_________________
Кто сказал мяу?


Вернуться наверх
 
Показать сообщения за:  Сортировать по:  Вернуться наверх
Начать новую тему Ответить на тему  [ Сообщений: 3114 ]     ... , , , , 156

Часовой пояс: UTC + 3 часа


Кто сейчас на форуме

Сейчас этот форум просматривают: alexsan и гости: 16


Вы не можете начинать темы
Вы не можете отвечать на сообщения
Вы не можете редактировать свои сообщения
Вы не можете удалять свои сообщения
Вы не можете добавлять вложения

Найти:
Перейти:  


Powered by phpBB © 2000, 2002, 2005, 2007 phpBB Group
Русская поддержка phpBB
Extended by Karma MOD © 2007—2012 m157y
Extended by Topic Tags MOD © 2012 m157y