Например TDA7294

Форум РадиоКот • Просмотр темы - Мультиварка PPC 1203AD не включается
Форум РадиоКот
Здесь можно немножко помяукать :)

Текущее время: Вт дек 02, 2025 14:00:21

Часовой пояс: UTC + 3 часа


ПРЯМО СЕЙЧАС:



Начать новую тему Ответить на тему  [ Сообщений: 12 ] 
Автор Сообщение
Не в сети
 Заголовок сообщения: Мультиварка PPC 1203AD не включается
СообщениеДобавлено: Чт окт 16, 2025 20:46:31 
Встал на лапы

Зарегистрирован: Вт ноя 23, 2010 18:39:00
Сообщений: 84
Рейтинг сообщения: 0
Уважаемые товарищи! Племянница с сестрой вручили мне для ремонта мультиварку PPC 1203AD. Как выяснилось, устройство не включается: будучи подключенным к сети, - никакой реакции на нажатие кнопки "Старт", как и других кнопок. Кабель на ~220V был проверен вольтметром и оказался исправен.
Частичная разборка и частичная проверка не выявила никаких локальных неисправностей. Так, тепловые предохранители на красном и синем проводах прозваниваются тестером мультиметра; электромагнитное реле я тоже проверил "по полной программе": дал 12 V на контакты первичной цепи, подключив тестер мультиметря к контактам вторичной цепи. Щелкало и звенело. Т.е. всё то, что рассмотрено в роликах про мультварки, которые я посмотрел, мною проверено и исправно. Приборчик, который на плате питания идет сразу после коричневого провода, - наверное, предохранитель 1A/250V, т.к. на плате обозначен как F2, тоже "звенит" - значит, исправен.
Была мысль - поменять плату питания в сборе, но она стоит 2000 руб., и есть только в одном из магазинов. Магазин - в Москве, а я живу в Челябинске, т.е. еще и за доставку платить. И хорошо, если в этой плате дело.

Подскажите, пожалуйста, в чем еще может быть дело? Где и как "копать"? Может, добраться до блока управления? И может, у кого-то есть схема сего устройства?

Заранее благодарен за любые ответы и советы.

С уважением
Владимир
Изображение
Изображение
Изображение
Изображение


Вернуться наверх
 
Не в сети
 Заголовок сообщения: Re: Мультиварка PPC 1203AD не включается
СообщениеДобавлено: Пт окт 17, 2025 01:20:56 
Друг Кота
Аватар пользователя

Карма: 65
Рейтинг сообщений: 802
Зарегистрирован: Чт апр 19, 2007 16:10:43
Сообщений: 9888
Откуда: г.Москва
Рейтинг сообщения: 0
Напряжение на кондерах после выпрямителя какое?

_________________
Правило для российского гражданина: Во всем принимай сторону России, независимо от того, кто Россию возглавляет в данный момент, и какая страна или страны ей противостоят. Руководствуйся мудростью: "Россия, - всё, остальное - ничто!"


Вернуться наверх
 
Не в сети
 Заголовок сообщения: Re: Мультиварка PPC 1203AD не включается
СообщениеДобавлено: Пт окт 17, 2025 08:17:12 
Держит паяльник хвостом

Карма: 7
Рейтинг сообщений: 36
Зарегистрирован: Ср дек 11, 2019 12:13:29
Сообщений: 999
Откуда: Север М.О.
Рейтинг сообщения: 0
Обычно, что бы понять, кто виноват блок питания или блок управления
надо подать внешнее питание (скорее всего +12в определить можно по реле )
и посмотреть, что дальше будет.
А если поднимать плату БП проверить ШИМ , конденсаторы и т.д.


Вернуться наверх
 
Не в сети
 Заголовок сообщения: Re: Мультиварка PPC 1203AD не включается
СообщениеДобавлено: Пт окт 17, 2025 16:13:19 
Друг Кота
Аватар пользователя

Карма: 182
Рейтинг сообщений: 8322
Зарегистрирован: Пт фев 04, 2011 17:57:51
Сообщений: 19983
Откуда: Рыбинск
Рейтинг сообщения: 0
Медали: 1
Лучший человек Форума 2017 (1)
Судя по познаниям автора в электронике, все закончится сгоревшими платами и покупкой новой мультиварки :sleep:


Вернуться наверх
 
Эиком - электронные компоненты и радиодетали
Не в сети
 Заголовок сообщения: Re: Мультиварка PPC 1203AD не включается
СообщениеДобавлено: Пт окт 17, 2025 17:53:48 
Держит паяльник хвостом

Карма: 7
Рейтинг сообщений: 36
Зарегистрирован: Ср дек 11, 2019 12:13:29
Сообщений: 999
Откуда: Север М.О.
Рейтинг сообщения: 0
Ну а вдруг умеет что человек руками делать...
Вот приблизительно как DK106 включается https://forum.cxem.net/uploads/monthly_ ... 58a28f.GIF

я бы поднял D3 (N4007) на плате и на конденсатор подал +12в
разъем соединить и посмотреть реакцию платы управления
В сеть вилку мультиварки не включать .......... :)


Вернуться наверх
 
Не в сети
 Заголовок сообщения: Re: Мультиварка PPC 1203AD не включается
СообщениеДобавлено: Пт окт 17, 2025 21:14:29 
Друг Кота
Аватар пользователя

Карма: 80
Рейтинг сообщений: 1077
Зарегистрирован: Ср мар 25, 2015 15:25:51
Сообщений: 5767
Откуда: ст. Новоминская
Рейтинг сообщения: 0
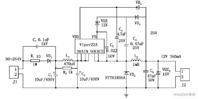
В этом аппарате DK106 включена по бестрансформаторной схеме.
Примерно так:

Изображение

Изображение

При недоступности микросхемы, её можно заменить внешним блоком питания.
Внутри можно расположить, места хватает.
Делал так уже.


Вернуться наверх
 
Не в сети
 Заголовок сообщения: Re: Мультиварка PPC 1203AD не включается
СообщениеДобавлено: Сб окт 18, 2025 08:23:28 
Держит паяльник хвостом

Карма: 7
Рейтинг сообщений: 36
Зарегистрирован: Ср дек 11, 2019 12:13:29
Сообщений: 999
Откуда: Север М.О.
Рейтинг сообщения: 0
Крайний БП который я не захотел ремонтировать (ввиду нерентабильности)
был 12V 2A от спутниковой приставки.
Пошёл в ближаёшую лавку и купил за 370 руб.


Вернуться наверх
 
Не в сети
 Заголовок сообщения: Re: Мультиварка PPC 1203AD не включается
СообщениеДобавлено: Сб окт 18, 2025 21:35:03 
Друг Кота
Аватар пользователя

Карма: 80
Рейтинг сообщений: 1077
Зарегистрирован: Ср мар 25, 2015 15:25:51
Сообщений: 5767
Откуда: ст. Новоминская
Рейтинг сообщения: 0
Ну как бы была возможность ставить KA5L0380 вместо всяких микросхем в БП. А сейчас во всяких ДВБТ-ресиверах и прочих приборах плата уже разведена под внешний БП.
Сгорает китайская микросхема в штатном БП. Да ну его нафиг искать замену китайской непонятной микре. Впаять гнездо под внешний БП. И у владельца уже есть в загашнике БП на 5 вольт от дсл модема или зарядное к планшету или к смарту. :dont_know:
Ну и ОФФТОП. На счёт последний-крайний. На прошлой неделе на пикабу прочитал :)))
Спойлер«Жил-был молодой человек по имени Аркадий. Аркадий был большим любителем потешить свое ЧСВ. Он считал себя интеллектуалом, эстетом и знатоком «истинно правильного» русского языка. В его голове существовала целая таблица «можно» и «нельзя», и главным его коньком была борьба со словом «последний».

Услышав в очереди «Кто последний?», Аркадий брезгливо морщился и, проходя мимо, с важным видом изрекал: «В очереди — крайний». Он искренне верил, что слово «последний» несет негативный оттенок, а «крайний» — благородное и уместное.

Однажды Аркадий попал на собеседование в престижную фирму. Конкуренция была огромной, и он, чтобы выделиться, решил блеснуть не только знаниями, но и своей речевой культурой. Все шло прекрасно, он уверенно отвечал на вопросы, кивая своему отражению в стеклянной стене.

И вот, беседа подошла к концу. Менеджер по персоналу, приятная женщина по имени Анна Сергеевна, улыбнулась и сказала:

— Ну что ж, Аркадий, вы произвели хорошее впечатление. У меня к вам последний вопрос.

Сердце Аркадия забилось в экстазе. Вот он, звездный час! Сейчас он элегантко поправит эту милую, но невежественную женщину и окончательно покорит ее своей эрудицией.

Он снисходительно улыбнулся, сделал театральную паузу и произнес, растягивая слова:
— Анна Сергеевна, вы, конечно, извините, но грамотнее было бы сказать не «последний», а «крайний» вопрос.

В кабинете повисла тишина. Анна Сергеевна перестала улыбаться. Ее взгляд стал тяжелым и изучающим.

— Аркадий, — сказала она холодно. — Я ценю стремление к чистоте речи. Но, вы считаете, что мой вопрос — «крайний»? То есть он находится на краю чего-то или может быть на грани чего-либо? На грани приличия? Или, может, он «крайний» в смысле — экстремальный? Или вы намекаете, что после него наступит пропасть?

Аркадий почувствовал, как по его спине побежал холодный пот.

— Н-нет, — залепетал он. — Я просто хотел... Избежать негативной коннотации... «Последний» — это ведь так безнадежно...

— В русском языке, — продолжила Анна Сергеевна, и ее голос зазвучал, как у учителя, выводящего двоечника к доске, — слово «последний» означает тот, что следует за предшествующим по времени или порядку. «Последний вопрос», «последний день отпуска», «последний экземпляр». Это абсолютно нейтральное и правильное слово. А «крайний» употребляется по отношению к чему-то, находящемуся на краю. Крайний дом на улице. Крайняя мера, крайняя плоть, в конце концов. Или в профессиональном жаргоне летчиков и альпинистов, где оно является суеверным эвфемизмом и абсолютно их не красит.

Она сделала паузу, глядя на побелевшего Аркадия.

— Использовать «крайний» вместо «последний» в обычной речи — это не признак культуры, а признак псевдокультуры. Мне кажется, человек, претендующий на должность, где важна точность формулировок, должен это понимать. Мой вопрос и правда был последним. Вы свободны.

Аркадий вышел из кабинета, не чувствуя под собой ног. Он не просто опростоволосился — он устроил себе мастер-класс по публичному унижению, да еще и с лингвистическим уклоном.

И теперь, слыша в очереди «Кто последний?», он лишь тихо улыбается и думает: «Спасибо, Анна Сергеевна, за этот последний и самый главный урок».

Автор на Пикабу: dyadkatolyanich
Комментарии: http://pikabu.ru/link/6N7-F2-U8A »


Вернуться наверх
 
Не в сети
 Заголовок сообщения: Re: Мультиварка PPC 1203AD не включается
СообщениеДобавлено: Вс окт 19, 2025 08:33:22 
Держит паяльник хвостом

Карма: 7
Рейтинг сообщений: 36
Зарегистрирован: Ср дек 11, 2019 12:13:29
Сообщений: 999
Откуда: Север М.О.
Рейтинг сообщения: 0
:) Всё верно про "крайний" , но явно не последний...
На следующий же день попросили на работе отремонтировать БП сервера 12В 80А (заклинол вентилятор, умер ШИМ, транзисторы, мост, а уж потом
предохранитель).
Т.к. на зарплате моей это никак не отразилось бы, товарищи
были посланы ..... в ближайшую контору за новым.


Вернуться наверх
 
Не в сети
 Заголовок сообщения: Re: Мультиварка PPC 1203AD не включается
СообщениеДобавлено: Вс окт 19, 2025 09:27:46 
Друг Кота
Аватар пользователя

Карма: 59
Рейтинг сообщений: 2217
Зарегистрирован: Чт янв 26, 2012 16:44:29
Сообщений: 19468
Откуда: Таксимо
Рейтинг сообщения: 0
У приставок проще. Шнур usb папа-папа. Воткнул в телек и в приставку и норм

_________________
Мои поставщики запчастей с отличной репутацией
texnomag.ru
radioremont.com
pl-1.org
4ip.info
elitan.ru


Вернуться наверх
 
Не в сети
 Заголовок сообщения: Re: Мультиварка PPC 1203AD не включается
СообщениеДобавлено: Вс окт 19, 2025 17:26:18 
Встал на лапы

Зарегистрирован: Вт ноя 23, 2010 18:39:00
Сообщений: 84
Рейтинг сообщения: 0
бабай писал(а):
Напряжение на кондерах после выпрямителя какое?


Померял напряжения на электролитических конденсаторах.
1.304 В на каждом.
2.E2: 5,11 B; E3: 5,45 В.
3.13,82 В.
4.На цифровом мультиметре показания скачут. На стрелочном 4 В.

Изображение

Добавлено after 18 minutes 18 seconds:
Обычно, что бы понять, кто виноват блок питания или блок управления
надо подать внешнее питание (скорее всего +12в определить можно по реле )
и посмотреть, что дальше будет.
А если поднимать плату БП проверить ШИМ , конденсаторы и т.д.


А в какие точки (плюс и минус) подавать 12 вольт?
На реле я уже подавал. Оно работает.

Вообще-то, склоняюсь к тому, что не БП виноват, а БУ.


Вернуться наверх
 
Не в сети
 Заголовок сообщения: Re: Мультиварка PPC 1203AD не включается
СообщениеДобавлено: Вс окт 19, 2025 20:36:09 
Держит паяльник хвостом

Карма: 7
Рейтинг сообщений: 36
Зарегистрирован: Ср дек 11, 2019 12:13:29
Сообщений: 999
Откуда: Север М.О.
Рейтинг сообщения: 0
Ну подавать +12 не надо поскольку оно есть в виде +13,8в
Измерения надо было производить при нагрузке (разъем пристегнуть от платы управления).
Проверить саму кнопку СТАРТ да и все остальные не помешает


Вернуться наверх
 
Показать сообщения за:  Сортировать по:  Вернуться наверх
Начать новую тему Ответить на тему  [ Сообщений: 12 ] 

Часовой пояс: UTC + 3 часа


Кто сейчас на форуме

Сейчас этот форум просматривают: нет зарегистрированных пользователей и гости: 15


Вы не можете начинать темы
Вы не можете отвечать на сообщения
Вы не можете редактировать свои сообщения
Вы не можете удалять свои сообщения
Вы не можете добавлять вложения

Найти:
Перейти:  


Powered by phpBB © 2000, 2002, 2005, 2007 phpBB Group
Русская поддержка phpBB
Extended by Karma MOD © 2007—2012 m157y
Extended by Topic Tags MOD © 2012 m157y