Например TDA7294

Форум РадиоКот • Просмотр темы - Методика ремонта УМЗЧ (делюсь опытом)
Форум РадиоКот
Здесь можно немножко помяукать :)

Текущее время: Вт янв 27, 2026 04:31:29

Часовой пояс: UTC + 3 часа


ПРЯМО СЕЙЧАС:



Начать новую тему Ответить на тему  [ Сообщений: 210 ]  1, , , , ...  
Автор Сообщение
Не в сети
 Заголовок сообщения: Методика ремонта УМЗЧ (делюсь опытом)
СообщениеДобавлено: Чт апр 29, 2010 09:11:41 
Друг Кота
Аватар пользователя

Карма: 44
Рейтинг сообщений: 605
Зарегистрирован: Вс мар 04, 2007 11:39:00
Сообщений: 4470
Откуда: Ukraine, Kyiv
Рейтинг сообщения: 24
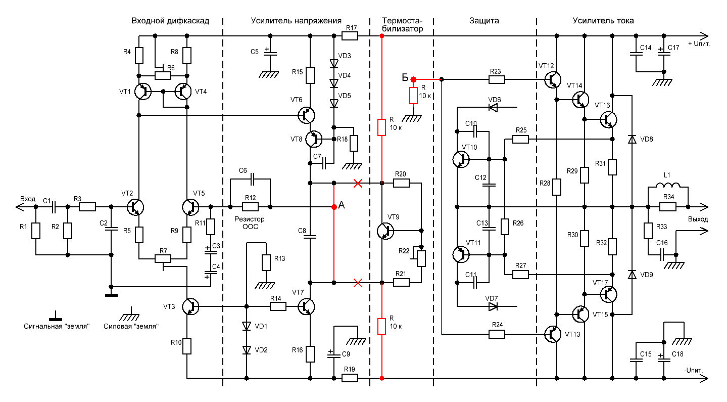
Ремонт УМЗЧ – чуть ли не самый частый из вопросов, задаваемых на радиолюбительских форумах. И при том – один из самых сложных. Конечно, охватить все случаи, встречающиеся в практике ремонта, не представляется возможным, однако, если следовать определенному алгоритму, то в подавляющем большинстве случаев удается восстановить работоспособность устройства за вполне приемлемое время.

Данный алгоритм был выработан мною по опыту ремонта около полусотни различных УМЗЧ, от простейших, на несколько ватт или десятков ватт, до концертных «монстров» по 1…2 кВт на канал, большинство из которых поступало на ремонт без принципиальных схем. Методика изложена на примере ремонта гипотетического транзисторного УМЗЧ с биполярными транзисторами в выходных каскадах с ОК (рис), не слишком примитивного, но и не очень сложного (наиболее распространенная «классика жанра»), изложена в виде статьи (во вложении) на 9 страницах.

Конечно же, в рамках данной статьи не описаны нюансы ремонта усилителей с «экзотическими» каскадами, с ОУ на входе, с выходными транзисторами, включенными с ОЭ, с «двухэтажными» выходными каскадами и многое другое… Поэтому продолжение последует после ваших благожелательных (и не очень, и даже очень не благожелательных - всё принимается с благодарностью) замечаний и корректив.


Вложения:
Комментарий к файлу: Статья
Методика ремонта УМЗЧ.doc [150 KiB]
Скачиваний: 17676
Комментарий к файлу: Рис.1
УМЗЧ-1.GIF [35.26 KiB]
Скачиваний: 13082
Комментарий к файлу: Рис.4
УМЗЧ-2.GIF [38.17 KiB]
Скачиваний: 11696

_________________
Выслушай и противную сторону, даже если она и противна


Последний раз редактировалось falkonist Ср май 19, 2010 15:03:21, всего редактировалось 1 раз.
Вернуться наверх
 
Не в сети
 Заголовок сообщения: Re: Методика ремонта УМЗЧ (делюсь опытом)
СообщениеДобавлено: Чт апр 29, 2010 17:54:49 
Поставщик валерьянки для Кота
Аватар пользователя

Карма: 3
Рейтинг сообщений: 24
Зарегистрирован: Вс дек 27, 2009 17:17:38
Сообщений: 2208
Откуда: Глазов
Рейтинг сообщения: 0
ВАХ! позволь пожать лапу! кстати! внимние! не беритесь за ремонт веги 50у 122с-адски непродуманный аппарат и адски неоправданно усложненный! а еще, встречал транзисторы с перепутанной цоколевкой, был в шоке! так же попадаются новые дохлые транзисторы, так что проверяйте перед пайкой, и ещен, старайтесь ползоваться Цшкой, были случаи, что потекший транзистор мультиметром нормально звонился, а Цшкой- обнаружил утечку! тема-гуд, надо типа фака оформить

_________________
не включайте аппаратуру в сеть, чтобы не выйти за границы ОБР


Вернуться наверх
 
Не в сети
 Заголовок сообщения: Re: Методика ремонта УМЗЧ (делюсь опытом)
СообщениеДобавлено: Чт апр 29, 2010 18:32:04 
Модератор
Аватар пользователя

Карма: 46
Рейтинг сообщений: 236
Зарегистрирован: Чт окт 27, 2005 18:50:07
Сообщений: 11169
Откуда: из мест не столь отдалённых
Рейтинг сообщения: 0
Медали: 2
Получил миской по аватаре (1) Мявтор 3-й степени (1)
Уважаемый falkonist выдал неплохой материал, достойный оформления в виде статьи.
Замечаний пока нет- читал по диагонали, не придираясь к терминологии и форме подачи материала.
надеюсь, продолжение воспоследует после накопления критической массы отзывов. Еснно, критической массы- в смысле количества отзывов.


Вернуться наверх
 
Не в сети
 Заголовок сообщения: Re: Методика ремонта УМЗЧ (делюсь опытом)
СообщениеДобавлено: Чт апр 29, 2010 20:12:53 
Друг Кота
Аватар пользователя

Карма: 44
Рейтинг сообщений: 605
Зарегистрирован: Вс мар 04, 2007 11:39:00
Сообщений: 4470
Откуда: Ukraine, Kyiv
Рейтинг сообщения: 0
Уважаемый Сэр Мурр, терминология и форма подачи тоже важны и мне тоже интресны замечания и об этом.

_________________
Выслушай и противную сторону, даже если она и противна


Вернуться наверх
 
Эиком - электронные компоненты и радиодетали
Не в сети
 Заголовок сообщения: Re: Методика ремонта УМЗЧ (делюсь опытом)
СообщениеДобавлено: Пт апр 30, 2010 01:44:23 
Друг Кота
Аватар пользователя

Карма: 20
Рейтинг сообщений: 323
Зарегистрирован: Ср дек 05, 2007 19:39:08
Сообщений: 4450
Откуда: Мурманск
Рейтинг сообщения: -3
Цитата:
не беритесь за ремонт веги 50у 122с

Да не-лет пять назад справился без особых проблем :))) Несмотря на типа навороченную защиту :))) На время проверок и ремонта её ж можно выключить,парой проводков :)))


Вернуться наверх
 
Не в сети
 Заголовок сообщения: Re: Методика ремонта УМЗЧ (делюсь опытом)
СообщениеДобавлено: Пт апр 30, 2010 07:49:58 
Поставщик валерьянки для Кота
Аватар пользователя

Карма: 3
Рейтинг сообщений: 24
Зарегистрирован: Вс дек 27, 2009 17:17:38
Сообщений: 2208
Откуда: Глазов
Рейтинг сообщения: 0
не, дело не в этом- схема неоправданно усложнена, переключение питания ВК, до кучи-не звучит он. +ко всему-это то, что при любом коротыше по питанию-у меня были битые транзисторы в - плече ВК, дохнет буквально все. у меня даже коммутатор накрылся. кароч, кому как повезет. но обычно с ней не везет :cry:

_________________
не включайте аппаратуру в сеть, чтобы не выйти за границы ОБР


Вернуться наверх
 
Не в сети
 Заголовок сообщения: Re: Методика ремонта УМЗЧ (делюсь опытом)
СообщениеДобавлено: Пт апр 30, 2010 09:36:17 
Друг Кота
Аватар пользователя

Карма: 44
Рейтинг сообщений: 605
Зарегистрирован: Вс мар 04, 2007 11:39:00
Сообщений: 4470
Откуда: Ukraine, Kyiv
Рейтинг сообщения: 0
Вот на этом примере и разберем, как "воевать" с УМЗЧ с ОУ на входе и выходом по цепям его питания, и частично "двухэтажным" выходным каскадом. Но, наверное, уже после праздников. Больших (существенных, принципиальных) отличий от приведенной методики навскидку не вижу.


Вложения:
Вега 50У-12С.rar [118.21 KiB]
Скачиваний: 3763

_________________
Выслушай и противную сторону, даже если она и противна
Вернуться наверх
 
Не в сети
 Заголовок сообщения: Re: Методика ремонта УМЗЧ (делюсь опытом)
СообщениеДобавлено: Вс май 02, 2010 21:04:40 
Поставщик валерьянки для Кота

Карма: 48
Рейтинг сообщений: 508
Зарегистрирован: Вт фев 23, 2010 08:30:30
Сообщений: 2211
Откуда: Новосибирск
Рейтинг сообщения: 0
Falkonist, очень нужная статья(подробно всё,-супер) только для модераторов и для тех, кому нечем заниматься, а вот для, вновь влетевших - шапка невидимка


Вернуться наверх
 
Не в сети
 Заголовок сообщения: Re: Методика ремонта УМЗЧ (делюсь опытом)
СообщениеДобавлено: Вс май 02, 2010 21:50:42 
Друг Кота
Аватар пользователя

Карма: 44
Рейтинг сообщений: 605
Зарегистрирован: Вс мар 04, 2007 11:39:00
Сообщений: 4470
Откуда: Ukraine, Kyiv
Рейтинг сообщения: 0
Уважаемый fedyaok, статья написана "сходу", в ней может быть много недоговоренного, возможно, ошибок как стилистических так и смысловых. Надо бы ее обсудить и дополнить/скорректировать сначала. А потом уж пускай админ решает, достойна ли она звания "Статьи".

_________________
Выслушай и противную сторону, даже если она и противна


Вернуться наверх
 
Не в сети
 Заголовок сообщения: Re: Методика ремонта УМЗЧ (делюсь опытом)
СообщениеДобавлено: Пн май 03, 2010 05:47:07 
Поставщик валерьянки для Кота

Карма: 48
Рейтинг сообщений: 508
Зарегистрирован: Вт фев 23, 2010 08:30:30
Сообщений: 2211
Откуда: Новосибирск
Рейтинг сообщения: 0
Falkonist, ты меня не понял. Я сказал, что статья хорошая и подробная. Только я имел в виду, что новички её не будут читать(хочется ошибаться, но не думаю), а будут долбиться с этими УМЗЧ, как в подобной ветке здесь, словно садо-мазо.
Ещё раз повторю - статья класс!!!


Вернуться наверх
 
Не в сети
 Заголовок сообщения: Re: Методика ремонта УМЗЧ (делюсь опытом)
СообщениеДобавлено: Пн май 03, 2010 09:55:33 
Друг Кота
Аватар пользователя

Карма: 44
Рейтинг сообщений: 605
Зарегистрирован: Вс мар 04, 2007 11:39:00
Сообщений: 4470
Откуда: Ukraine, Kyiv
Рейтинг сообщения: 0
Уважаемый fedyaok, но Вы-то ведь читали! Вот Вы, я, те, кто уже читал, и будем давать ссылки в этих темах сюда. Конечно, мы не солнышки, всех не обогреем, но потихоньку-помаленьку...

_________________
Выслушай и противную сторону, даже если она и противна


Вернуться наверх
 
Не в сети
 Заголовок сообщения: Re: Методика ремонта УМЗЧ (делюсь опытом)
СообщениеДобавлено: Пн май 03, 2010 14:22:25 
Поставщик валерьянки для Кота

Карма: 48
Рейтинг сообщений: 508
Зарегистрирован: Вт фев 23, 2010 08:30:30
Сообщений: 2211
Откуда: Новосибирск
Рейтинг сообщения: 0
Да, наверное, Вы правы. Будем через себя давать ссылки. Тогда, вопрос,- а замечания тут вставлять или в личку


Вернуться наверх
 
Не в сети
 Заголовок сообщения: Re: Методика ремонта УМЗЧ (делюсь опытом)
СообщениеДобавлено: Пн май 03, 2010 15:09:53 
Друг Кота
Аватар пользователя

Карма: 44
Рейтинг сообщений: 605
Зарегистрирован: Вс мар 04, 2007 11:39:00
Сообщений: 4470
Откуда: Ukraine, Kyiv
Рейтинг сообщения: 0
Как хотите. Мне нечего стыдиться и общественного обсуждения.

_________________
Выслушай и противную сторону, даже если она и противна


Вернуться наверх
 
Не в сети
 Заголовок сообщения: Re: Методика ремонта УМЗЧ (делюсь опытом)
СообщениеДобавлено: Вт май 04, 2010 11:28:55 
Модератор
Аватар пользователя

Карма: 46
Рейтинг сообщений: 236
Зарегистрирован: Чт окт 27, 2005 18:50:07
Сообщений: 11169
Откуда: из мест не столь отдалённых
Рейтинг сообщения: 0
Медали: 2
Получил миской по аватаре (1) Мявтор 3-й степени (1)
Мелкое замечание по статье. Рекомендуется использовать лампы накаливания как элементы защиты и индикации. Способ проверенный, и надёжный. Но есть нюансик- сопротивление холодной нити лампы может в разы отличаться от сопротивления в нагретом состоянии. Поэтому лампа не всегда способна защитить проверяемый каскад от большого тока потребления- сначала каскад "сгорит", а лампа потом это индицирует.
Предпочтительнее использовать мощные проволочные резисторы, в качестве ограничителей тока. Но тогда теряется визуализация процесса.
Упс, falkonist, не сочтите это за придирки. Статья ОЧЕНЬ полезная.

Заодно можно вспомнить, что Старый Ржавый Электронщик тоже в своё время написал нетленку "запуск усилителя по пунктам"http://radiokot.ru/start/audio/amplifiers/02/. Так что одна статья- как запустить усилитель, а другая- как его отремонтировать.


Вернуться наверх
 
Не в сети
 Заголовок сообщения: Re: Методика ремонта УМЗЧ (делюсь опытом)
СообщениеДобавлено: Вт май 04, 2010 11:37:08 
Друг Кота
Аватар пользователя

Карма: 44
Рейтинг сообщений: 605
Зарегистрирован: Вс мар 04, 2007 11:39:00
Сообщений: 4470
Откуда: Ukraine, Kyiv
Рейтинг сообщения: 0
Уважаемый Сэр Мурр, Ваше замечание принимается. Есть вариант "скрестить бульдога с носорогом" - поставить резистор небольшого номинала (чтобы на нем падало где-то 1/4...1/3 напряжения) последовательно с лампами. Он и начальный ток ограничит, и сохранит визуализацию.

_________________
Выслушай и противную сторону, даже если она и противна


Вернуться наверх
 
Не в сети
 Заголовок сообщения: Re: Методика ремонта УМЗЧ (делюсь опытом)
СообщениеДобавлено: Вс май 09, 2010 09:21:21 
Вымогатель припоя
Аватар пользователя

Зарегистрирован: Вс сен 06, 2009 13:05:34
Сообщений: 559
Рейтинг сообщения: 0
Спасибо! Статья интересная. Интересно, а будет ли статья типа Наладка и запуск УМ?
Ремонт готовых и запуск чегото собранного - Земля и Небо! Ремонт - это в основном логика и чуток знаний. В случае конструирования чутком уже не обойтись - пока досконально не будет понятен механизм функционирования узла - хороший результат работы будет скорее случайностью.

Интересует запуск отдельных каскадов, их обособленная проверка (не только на работоспособность, но и на соответствие заданным параметрам), а также возможная замена блока на другое схемотехническое решение.

_________________
мой Бог меня рабом не называл


Вернуться наверх
 
Не в сети
 Заголовок сообщения: Re: Методика ремонта УМЗЧ (делюсь опытом)
СообщениеДобавлено: Вс май 09, 2010 10:04:59 
Друг Кота
Аватар пользователя

Карма: 44
Рейтинг сообщений: 605
Зарегистрирован: Вс мар 04, 2007 11:39:00
Сообщений: 4470
Откуда: Ukraine, Kyiv
Рейтинг сообщения: 0
Уважаемый VVX5510, подобная статься на сайте уже есть - Сэр Мурр давал на нее ссылку.

Со своей стороны могу только сказать, что часть изложенных в моей статье рекомендаций можно применить и при запуске. В частности, распаивать не всю плату сразу, а покаскадно. Сначала - входной дифференциальный с каскадом усилителя напряжения, потом добавлять к ним последовательно последующие каскады. К сожалению, все это касается только "классической" схемы. По поводу токовых каскадов усилителя тока еще не думкал.

Получить "заданные параметры" от обрезанной схемы - это, скорее всего, фантастика. Только от полноценного УМЗЧ.

_________________
Выслушай и противную сторону, даже если она и противна


Вернуться наверх
 
Не в сети
 Заголовок сообщения: Re: Методика ремонта УМЗЧ (делюсь опытом)
СообщениеДобавлено: Вс май 09, 2010 10:30:28 
Вымогатель припоя
Аватар пользователя

Зарегистрирован: Вс сен 06, 2009 13:05:34
Сообщений: 559
Рейтинг сообщения: 0
Цитата:
Получить "заданные параметры" от обрезанной схемы - это, скорее всего, фантастика. Только от полноценного УМЗЧ.

Ну почему же? Уважаемый falkonist! "Полноценный" УМЗЧ - это "всего лишь" набор готовых самостоятельных узлов.
Каждый из которых функционирует просто согласно законам физики. Поэтому конструирование остаётся актуальным!
А по ссылке Сэра Мурра всего лишь подключение БП к УМ. "Это не серьёзно!" (Операция Ы)
Могу привести несколько серьёзных ресурсов:
Прецизионные усилители низкой частоты. Данилов А.А.
Справочник по схемотехнике усилителей. Ежков Ю.С.
Проектирование усилителей мощности звуковой частоты. Дуглас Селф (совсем свежая и хорошая книга :P )
Просто я не занимаюсь такими вещами профессионально, а на доскональное изучение хотя бы этих ресурсов уйдёт очень много времени. Хотелось бы, так сказать, чуток более поверхностно и обобщённо, что ли..

_________________
мой Бог меня рабом не называл


Вернуться наверх
 
Не в сети
 Заголовок сообщения: Re: Методика ремонта УМЗЧ (делюсь опытом)
СообщениеДобавлено: Вс май 09, 2010 12:01:02 
Друг Кота
Аватар пользователя

Карма: 44
Рейтинг сообщений: 605
Зарегистрирован: Вс мар 04, 2007 11:39:00
Сообщений: 4470
Откуда: Ukraine, Kyiv
Рейтинг сообщения: 0
Уважаемый VVX5510, боюсь, что если рассматривать все (или по крайней мере большинство) вариантов схемотехники УМЗЧ, то дай Бог втиснуться в объемы приводимых Вами литературных источников... А если ограничиться только "классикой, то без "восьмого инструмента" :))) всё равно не обойтись.

А я отошел от звукотехники несколько лет назад (ушел из звукорежиссеров ансамбля "Украиночка"), поэтому не беру на себя смелость писать подобные рекомендации.

_________________
Выслушай и противную сторону, даже если она и противна


Вернуться наверх
 
Не в сети
 Заголовок сообщения: Re: Методика ремонта УМЗЧ (делюсь опытом)
СообщениеДобавлено: Вс май 09, 2010 14:30:28 
Вымогатель припоя
Аватар пользователя

Зарегистрирован: Вс сен 06, 2009 13:05:34
Сообщений: 559
Рейтинг сообщения: 0
А вообще я пытался говорить о статьях примерно такого уровня, как в прикрепленном файле.
Там немножко сумбурно всё, но в целом может быть весьма познавательно :)))


Вложения:
Запуск усилителя. Сергей Рубцов.doc [36 KiB]
Скачиваний: 10566

_________________
мой Бог меня рабом не называл
Вернуться наверх
 
Показать сообщения за:  Сортировать по:  Вернуться наверх
Начать новую тему Ответить на тему  [ Сообщений: 210 ]  1, , , , ...  

Часовой пояс: UTC + 3 часа


Кто сейчас на форуме

Сейчас этот форум просматривают: нет зарегистрированных пользователей и гости: 25


Вы не можете начинать темы
Вы не можете отвечать на сообщения
Вы не можете редактировать свои сообщения
Вы не можете удалять свои сообщения
Вы не можете добавлять вложения

Найти:
Перейти:  


Powered by phpBB © 2000, 2002, 2005, 2007 phpBB Group
Русская поддержка phpBB
Extended by Karma MOD © 2007—2012 m157y
Extended by Topic Tags MOD © 2012 m157y