Например TDA7294

Форум РадиоКот • Просмотр темы - Преобразователь 12-220В для питания ЛДС из компьютерного БП.
Форум РадиоКот
Здесь можно немножко помяукать :)

Текущее время: Вт дек 02, 2025 13:36:04

Часовой пояс: UTC + 3 часа


ПРЯМО СЕЙЧАС:



Начать новую тему Ответить на тему  [ Сообщений: 1791 ]     ... , , , 9, , , ...  
Автор Сообщение
Не в сети
 Заголовок сообщения: Простой вариант модернизации)
СообщениеДобавлено: Вт янв 20, 2009 21:48:57 
Первый раз сказал Мяу!

Зарегистрирован: Чт окт 23, 2008 20:32:23
Сообщений: 33
Откуда: Белгород
Рейтинг сообщения: 0
Вот как то так)


Вложения:
Преобразователь для питания.GIF [17.48 KiB]
Скачиваний: 1581
Вернуться наверх
 
Не в сети
 Заголовок сообщения: Re: Простой вариант модернизации)
СообщениеДобавлено: Ср янв 21, 2009 10:42:26 
Вымогатель припоя
Аватар пользователя

Зарегистрирован: Пн ноя 24, 2008 09:31:09
Сообщений: 514
Рейтинг сообщения: 0
Медали: 1
Получил миской по аватаре (1)
Patrusha писал(а):
Вот как то так)
а детали можеш подписать описать как делать дроссель

_________________
Энергия ядерного взрыва равна примерно 22030000000ккал
что примерно соответствует 4,3 тысяч тонн копченой колбасы.
День рождения 11.02.1995


Вернуться наверх
 
Не в сети
 Заголовок сообщения:
СообщениеДобавлено: Ср янв 21, 2009 18:05:15 
Первый раз сказал Мяу!

Зарегистрирован: Чт окт 23, 2008 20:32:23
Сообщений: 33
Откуда: Белгород
Рейтинг сообщения: 0
ИЗВИНЯЮСЬ, НО НАПИСАЛ СООБЩЕНИЕ С РАЗЯСНЕНИЕМ А ОНО КУДАТО ДЕЛОСЬ((

Коротко по дроселю:
дросель мотаю по разному, главное чтобы провод выдерживал ток первички. Мотают на ферритовом стержне или в идеале на кольце от компьютерного дросселя(что в БП)...витков порядко 8.не очень кретично.Сильно маленький магнит не стоит использовать тк насыжение возможно...

По деталям именно какие интересуют?!


Вернуться наверх
 
Не в сети
 Заголовок сообщения: Странный трансформатор...
СообщениеДобавлено: Вс янв 25, 2009 17:51:18 
Первый раз сказал Мяу!
Аватар пользователя

Зарегистрирован: Вс янв 25, 2009 17:22:35
Сообщений: 34
Откуда: Екатеринбург
Рейтинг сообщения: 0
HELP!!!
Собрал устройство из трансформатора БП компьютера. А у него не оказалось "дополнительного" вывода первичной обмотки (средний по схеме)!
Посоветуйте, что можно предпринять в данной ситуации!?
Всем заранее БОЛЬШОЕ спасибо!


Вложения:
Комментарий к файлу: Собранное устройство
2.JPG [22.21 KiB]
Скачиваний: 1548
Комментарий к файлу: Отсутствующий вывод
1.gif [18.78 KiB]
Скачиваний: 1451
Вернуться наверх
 
Эиком - электронные компоненты и радиодетали
Не в сети
 Заголовок сообщения:
СообщениеДобавлено: Вс янв 25, 2009 17:57:19 
Первый раз сказал Мяу!

Зарегистрирован: Чт окт 23, 2008 20:32:23
Сообщений: 33
Откуда: Белгород
Рейтинг сообщения: 0
Плату хорошо собрал..обидно)откуда трансформатор брал?! Фото печатной платы компьютерного ИБП со стороны дорожек есть?!


Вернуться наверх
 
Не в сети
 Заголовок сообщения:
СообщениеДобавлено: Вс янв 25, 2009 18:14:00 
Первый раз сказал Мяу!
Аватар пользователя

Зарегистрирован: Вс янв 25, 2009 17:22:35
Сообщений: 34
Откуда: Екатеринбург
Рейтинг сообщения: 0
Patrusha писал(а):
Плату хорошо собрал..обидно)откуда трансформатор брал?!

У знакомого БП валялся, мне отдал, там выходные кондеры сгоревшие были...
Цитата:
Фото печатной платы компьютерного ИБП со стороны дорожек есть?!

Собирал на работе... Завтра попробую найти, если не выбросили. Но я все дорожки там просмотрел до трансформатора, вроде стандартный, а провода нет :(


Вернуться наверх
 
Не в сети
 Заголовок сообщения:
СообщениеДобавлено: Вс янв 25, 2009 20:59:12 
Поставщик валерьянки для Кота
Аватар пользователя

Карма: 3
Рейтинг сообщений: 9
Зарегистрирован: Пн июл 14, 2008 18:12:37
Сообщений: 2296
Рейтинг сообщения: 0
если косички нету , то проследите по дорожкам какие выводы идут на чёрные провода прямиком . вообщем по минусу смотрите на плате что да куда .

_________________
есть вопросы ? чего-то не знаешь ? прежде всего смотри это


Вернуться наверх
 
Не в сети
 Заголовок сообщения:
СообщениеДобавлено: Вт янв 27, 2009 15:06:45 
Первый раз сказал Мяу!

Зарегистрирован: Чт окт 23, 2008 20:32:23
Сообщений: 33
Откуда: Белгород
Рейтинг сообщения: 0
SKB, ну как успехи?! попробуй разобрать маркировку трансформатора... плату не нашел?!


Вернуться наверх
 
Не в сети
 Заголовок сообщения: =))
СообщениеДобавлено: Вт янв 27, 2009 19:10:54 
Первый раз сказал Мяу!

Зарегистрирован: Чт окт 23, 2008 20:32:23
Сообщений: 33
Откуда: Белгород
Рейтинг сообщения: 0
Помоему нашёл схему преобразователя 220 В переменки в 12 вольт постоянки с похожим трансом как у тебя.
http://ps.compel.ru/acdc/PS-65-12


Вернуться наверх
 
Не в сети
 Заголовок сообщения: Фотографии БП
СообщениеДобавлено: Ср янв 28, 2009 10:38:47 
Первый раз сказал Мяу!
Аватар пользователя

Зарегистрирован: Вс янв 25, 2009 17:22:35
Сообщений: 34
Откуда: Екатеринбург
Рейтинг сообщения: 0
Вот, привожу схемы блока митания, может быть кто-нибудь поможет...


Вложения:
Комментарий к файлу: Вид со стороны деталей
2.JPG [71.23 KiB]
Скачиваний: 1230
Комментарий к файлу: Вид со стороны проводников
1.JPG [100.66 KiB]
Скачиваний: 1078
Вернуться наверх
 
Не в сети
 Заголовок сообщения: Не работает...
СообщениеДобавлено: Ср янв 28, 2009 10:44:12 
Первый раз сказал Мяу!
Аватар пользователя

Зарегистрирован: Вс янв 25, 2009 17:22:35
Сообщений: 34
Откуда: Екатеринбург
Рейтинг сообщения: 0
И еще один вопрос...
Собрал еще одно устройство, уже с "правильным" трансформатором.
При включении лампа вспыхивает и сразу же гаснет и начинают сильно грется транзисторы. В чем может быть проблема? Я так понимаю, нужно поставить подстроечник как было описано выше? Или причина не в этом?
Еще, подскажите поподробнее как поставить правильно подстроечник, если можно, со схемой.
Заранее всем ОЧЕНЬ благодарен.


Вложения:
Комментарий к файлу: Готовое устройство. Версия 2
3.JPG [14.5 KiB]
Скачиваний: 1294
Вернуться наверх
 
Не в сети
 Заголовок сообщения:
СообщениеДобавлено: Ср янв 28, 2009 14:39:50 
Первый раз сказал Мяу!

Зарегистрирован: Чт окт 23, 2008 20:32:23
Сообщений: 33
Откуда: Белгород
Рейтинг сообщения: 0
Хм, приключения только начинаются...
Первый запуск проводил с радиатором?! (если что то не так то снизилась бы вероятность теплового пробоя транзюка) или при повторном включении опять вспыхивает и гаснет?! (проверь транзистор на прозвон)...

Если компоненты целы...то вариантов много(по ветке писали уже)

может не хватать тока (я както собирал на блокинг генираторе инвертер для неонки от блока питания. короч кондер воткнул на 2200 ещё и всё запустилось.)
Вполневозможно что проблемы в отсутствии управляющего драйвера транзюков...

Вариантов уйма, проверь транзюк.


Вернуться наверх
 
Не в сети
 Заголовок сообщения:
СообщениеДобавлено: Ср янв 28, 2009 17:56:15 
Первый раз сказал Мяу!
Аватар пользователя

Зарегистрирован: Вс янв 25, 2009 17:22:35
Сообщений: 34
Откуда: Екатеринбург
Рейтинг сообщения: 0
Patrusha писал(а):
Хм, приключения только начинаются...

Обнадеживает :)

Patrusha писал(а):
Первый запуск проводил с радиатором?! (если что то не так то снизилась бы вероятность теплового пробоя транзюка)

Нет, без радиатора на секнд 5 максимум. Ставил ограничение по току на 3А.

Patrusha писал(а):
или при повторном включении опять вспыхивает и гаснет?! (проверь транзистор на прозвон)...

Ага, сколько бы раз не включал, вспыхивает и сразуже гаснет. :(

Транзисторы заменил (от греха подальше...) Все тоже самое. :(


Вернуться наверх
 
Не в сети
 Заголовок сообщения:
СообщениеДобавлено: Ср янв 28, 2009 19:56:58 
Поставщик валерьянки для Кота
Аватар пользователя

Карма: 3
Рейтинг сообщений: 9
Зарегистрирован: Пн июл 14, 2008 18:12:37
Сообщений: 2296
Рейтинг сообщения: 0
по поводу транса - там где дорожки синим помечены - там и будет там самая середина (у нормальных трансов там косичка :) ).

по устройству - сажайтесь осцилом на полевики и смотрите импульсы на затворах и истоках . затем проверьте кондёры на выходе и диоды шоттки . скорей всего что-то с выходом .
PS : на китайские высоковольтные не стоит надеятся - ёмкость меньше заявленной и возможно большое ESR (эквивалентное последовательное сопротивление )

_________________
есть вопросы ? чего-то не знаешь ? прежде всего смотри это


Вернуться наверх
 
Не в сети
 Заголовок сообщения:
СообщениеДобавлено: Ср янв 28, 2009 21:13:44 
Первый раз сказал Мяу!
Аватар пользователя

Зарегистрирован: Вс янв 25, 2009 17:22:35
Сообщений: 34
Откуда: Екатеринбург
Рейтинг сообщения: 0
LINKS_234 писал(а):
по поводу транса - там где дорожки синим помечены - там и будет там самая середина (у нормальных трансов там косичка :) ).


А крайние концы помечены красным?


Вернуться наверх
 
Не в сети
 Заголовок сообщения:
СообщениеДобавлено: Чт янв 29, 2009 20:19:53 
Поставщик валерьянки для Кота
Аватар пользователя

Карма: 3
Рейтинг сообщений: 9
Зарегистрирован: Пн июл 14, 2008 18:12:37
Сообщений: 2296
Рейтинг сообщения: 0
да , насколько я вижу . от красных проводов ещё на всякий случай проследите путь .

ещё одно замечание - если хотите хороший преобраз , то транс перематывать , а в затворы полевиков добавить драйвер . всё это не раз писалось выше . читайте .

_________________
есть вопросы ? чего-то не знаешь ? прежде всего смотри это


Вернуться наверх
 
Не в сети
 Заголовок сообщения:
СообщениеДобавлено: Сб фев 07, 2009 22:49:38 
Первый раз сказал Мяу!
Аватар пользователя

Зарегистрирован: Вс янв 25, 2009 17:22:35
Сообщений: 34
Откуда: Екатеринбург
Рейтинг сообщения: 0
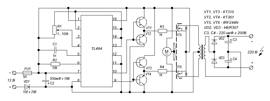
Посмотрите, пожалуйста, правильная схема с регулировкой?


Вложения:
Комментарий к файлу: Схема с регулировкой выходного напряжения
01.gif [10.93 KiB]
Скачиваний: 1848
Вернуться наверх
 
Не в сети
 Заголовок сообщения:
СообщениеДобавлено: Вс фев 08, 2009 02:05:25 
Поставщик валерьянки для Кота
Аватар пользователя

Карма: 3
Рейтинг сообщений: 9
Зарегистрирован: Пн июл 14, 2008 18:12:37
Сообщений: 2296
Рейтинг сообщения: 0
вроде как всё правильно .

_________________
есть вопросы ? чего-то не знаешь ? прежде всего смотри это


Вернуться наверх
 
Не в сети
 Заголовок сообщения: Посмотрите, пожалуйста, еще схемку
СообщениеДобавлено: Вс фев 08, 2009 07:28:46 
Первый раз сказал Мяу!
Аватар пользователя

Зарегистрирован: Вс янв 25, 2009 17:22:35
Сообщений: 34
Откуда: Екатеринбург
Рейтинг сообщения: 0
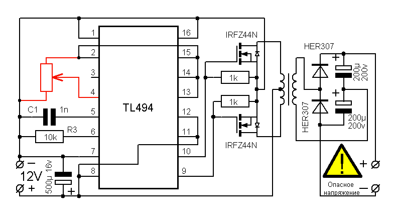
Посмотрите, пожалуйста, еще схемку.
Все правильно?
Может быть кто-нибудь еще обратную связь дорисует?
И еще вопрос. Если поставленны драйверы, транзисторы грется вообще не будут? Тогда принудительное охлаждение можно исключить? Или лучше оставить?


Вложения:
Комментарий к файлу: Схемка в формате sPlan 6.
Схема преобразователя.zip [6.91 KiB]
Скачиваний: 951
Комментарий к файлу: Схема
1.GIF [13.13 KiB]
Скачиваний: 1504


Последний раз редактировалось SKB Вс фев 08, 2009 09:32:25, всего редактировалось 1 раз.
Вернуться наверх
 
Не в сети
 Заголовок сообщения:
СообщениеДобавлено: Вс фев 08, 2009 11:44:36 
Мучитель микросхем
Аватар пользователя

Карма: 1
Рейтинг сообщений: -2
Зарегистрирован: Чт янв 04, 2007 13:18:56
Сообщений: 413
Откуда: Россия
Рейтинг сообщения: 0
Уважаемый SKB. У меня тоже не всё гладко с данной схемой, обсуждаемой на форуме. То транзистор один сгорит, то перегреется, то транс сгорит. Но как ни странно лампа горела стабильно но не долго. Даже незнаю почему у меня такие проблемы с этим преобразователем! В Интернете столько схем наTL494 и увсех всё работает!
Вот некоторые из них:
СХЕМА ИМПУЛЬСНОГО ПРЕОБРАЗОВАТЕЛЯ С 12 В НА 220 В 50 Гц
Преобразователь на TL494
Повышающие преобразователи

Гдето у меня ещё были схемы. Если найду выложу.
Все кто могут что-то подсказать по данным схемам и проблемам с ними помогите, подскажите.!

_________________
«О сколько нам открытий чудных
Готовят просвещенья дух,
И опыт, сын ошибок трудных,
И гений, парадоксов друг,
И случай, бог изобретатель...»


Вернуться наверх
 
Показать сообщения за:  Сортировать по:  Вернуться наверх
Начать новую тему Ответить на тему  [ Сообщений: 1791 ]     ... , , , 9, , , ...  

Часовой пояс: UTC + 3 часа


Кто сейчас на форуме

Сейчас этот форум просматривают: samopal01 и гости: 45


Вы не можете начинать темы
Вы не можете отвечать на сообщения
Вы не можете редактировать свои сообщения
Вы не можете удалять свои сообщения
Вы не можете добавлять вложения

Найти:
Перейти:  


Powered by phpBB © 2000, 2002, 2005, 2007 phpBB Group
Русская поддержка phpBB
Extended by Karma MOD © 2007—2012 m157y
Extended by Topic Tags MOD © 2012 m157y