Например TDA7294

Форум РадиоКот • Просмотр темы - Можно ли один p-Mosfet открывать разными источниками сигнала
Форум РадиоКот
Здесь можно немножко помяукать :)

Текущее время: Вт дек 02, 2025 06:11:48

Часовой пояс: UTC + 3 часа


ПРЯМО СЕЙЧАС:



Начать новую тему Ответить на тему  [ Сообщений: 22 ]  1,  
Автор Сообщение
Не в сети
 Заголовок сообщения: Можно ли один p-Mosfet открывать разными источниками сигнала
СообщениеДобавлено: Чт дек 10, 2020 04:41:23 
Первый раз сказал Мяу!

Зарегистрирован: Пн июн 16, 2014 01:01:37
Сообщений: 28
Рейтинг сообщения: 0
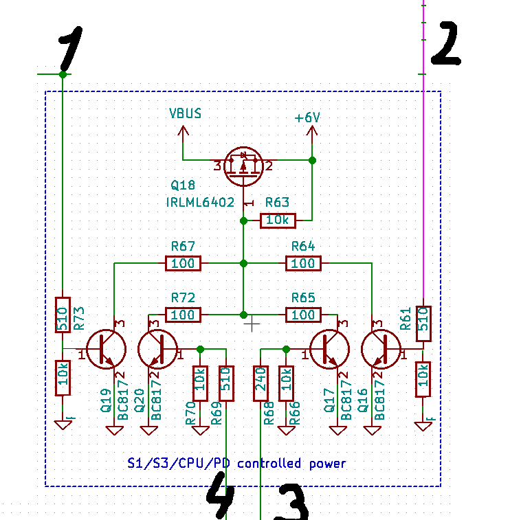
Изображение

Приветствую форумчан!
Вопрос от новичка.

Имеется такой кусок схемы.

1 - 6В от кнопки питания
3 - выход Atmega 328p
2 и 4 - датчики из сервопривода

Идея такая.
- Нажимаем кнопку 1, подается питание на VBUS и запитывается микроконтроллер.
- Если датчики 2 и 4 включены, значит механика ещё не отработала до конца и МК не отключается. Датчики питаются от VBUS и сами схему включить не могут.
- Кнопка выключена, датчики тоже. После этого МК должен отработать ещё определенное время, поэтому сам себе держит включенным питание через 3.

Можно ли так делать? Напряжения разные: микроконтроллер 3.3В, а кнопка 6В.

Можно ли резисторы 100Ом заменить одним, а все коллекторы объединить в одну точку?


Вложения:
Снимок экрана от 2020-12-10 04-27-02.png [28.28 KiB]
Скачиваний: 481
Вернуться наверх
 
Не в сети
 Заголовок сообщения: Re: Можно ли один p-Mosfet открывать разными источниками сиг
СообщениеДобавлено: Чт дек 10, 2020 05:25:44 
Собутыльник Кота

Карма: 14
Рейтинг сообщений: 472
Зарегистрирован: Вс фев 02, 2020 09:12:37
Сообщений: 2804
Рейтинг сообщения: 1
Логически схема правильная, делать можно...Резисторы 100 Ом вполне можно заменить одним, поставив его в цепь затвора.
В базы транзисторов незачем гнать 10 мА тока, если коллекторный всего 0,5 мА (1 мА - это уже большой перебор и так)...
Если провода к датчикам длинные, то имеет смысл 510 поставить на Б-Э, а 3К3 пусть идут к датчикам, можно и 0,1 мкФ добавить как фильтр.


Вернуться наверх
 
Не в сети
 Заголовок сообщения: Re: Можно ли один p-Mosfet открывать разными источниками сиг
СообщениеДобавлено: Пт дек 11, 2020 16:10:28 
Первый раз сказал Мяу!

Зарегистрирован: Пн июн 16, 2014 01:01:37
Сообщений: 28
Рейтинг сообщения: 0
Спасибо за ответ.
А если ситуация обратная? Один NPN и несколько P-Mosfet?
Сигнал 1 коммутирует 6В на 2 (+VSW), а 3.3В на проводник 3.
Правильно ли, что затворы подтягиваются к меньшему из напряжений или не имеет значения?

Изображение


Вернуться наверх
 
Не в сети
 Заголовок сообщения: Re: Можно ли один p-Mosfet открывать разными источниками сиг
СообщениеДобавлено: Сб дек 12, 2020 05:43:28 
Собутыльник Кота

Карма: 14
Рейтинг сообщений: 472
Зарегистрирован: Вс фев 02, 2020 09:12:37
Сообщений: 2804
Рейтинг сообщения: 0
это просто неправильно, смотри напряжения G-S при закрытом ключе управления, при отсутствии одного из питаний...


Вернуться наверх
 
Эиком - электронные компоненты и радиодетали
Не в сети
 Заголовок сообщения: Re: Можно ли один p-Mosfet открывать разными источниками сиг
СообщениеДобавлено: Сб дек 12, 2020 11:36:09 
Друг Кота
Аватар пользователя

Карма: 182
Рейтинг сообщений: 8322
Зарегистрирован: Пт фев 04, 2011 17:57:51
Сообщений: 19983
Откуда: Рыбинск
Рейтинг сообщения: 0
Медали: 1
Лучший человек Форума 2017 (1)
iddqd84 писал(а):
А если ситуация обратная? Один NPN и несколько P-Mosfet?
В данной схеме ключ на 6В будет всегда открыт, тк у него на затворе будет или ноль, или 3,3В. 6-3,3=2,7 достаточно для его открывания. Нужно у каждого Р ключа поставить свой резистор з-и, а все затворы соединить через диоды вместе и с нпн ключом.


Вернуться наверх
 
Не в сети
 Заголовок сообщения: Re: Можно ли один p-Mosfet открывать разными источниками сиг
СообщениеДобавлено: Сб дек 12, 2020 12:18:21 
Первый раз сказал Мяу!

Зарегистрирован: Пн июн 16, 2014 01:01:37
Сообщений: 28
Рейтинг сообщения: 0
На коллекторе тогда будет большее из коммутируемых напряжений. Не безопаснее ли отдельный NPN на каждый полевик?


Вернуться наверх
 
Не в сети
 Заголовок сообщения: Re: Можно ли один p-Mosfet открывать разными источниками сиг
СообщениеДобавлено: Сб дек 12, 2020 13:00:57 
Друг Кота
Аватар пользователя

Карма: 182
Рейтинг сообщений: 8322
Зарегистрирован: Пт фев 04, 2011 17:57:51
Сообщений: 19983
Откуда: Рыбинск
Рейтинг сообщения: 0
Медали: 1
Лучший человек Форума 2017 (1)
А какая разница, сколько будет на коллекторе? Транзистор по любому столько должен выдерживать. Подобную коммутацию в ЖК телевизорах и мониторах использовали.


Вернуться наверх
 
Не в сети
 Заголовок сообщения: Re: Можно ли один p-Mosfet открывать разными источниками сиг
СообщениеДобавлено: Вт дек 29, 2020 03:37:11 
Первый раз сказал Мяу!

Зарегистрирован: Пн июн 16, 2014 01:01:37
Сообщений: 28
Рейтинг сообщения: 0
Откуда в первой схеме на затворе Q18 напряжение 2.4В при нуле на всех базах?
В Proteus все смоделировалось нормально. В собранной схеме Q18 все время сам по себе открыт.


Вернуться наверх
 
Не в сети
 Заголовок сообщения: Re: Можно ли один p-Mosfet открывать разными источниками сиг
СообщениеДобавлено: Вт дек 29, 2020 05:24:58 
Собутыльник Кота

Карма: 14
Рейтинг сообщений: 472
Зарегистрирован: Вс фев 02, 2020 09:12:37
Сообщений: 2804
Рейтинг сообщения: 0
от говнофлюса, если нет ошибок....(как по твоему сообщению гадать ????, раз есть напряжение, то есть неучтённая цепь, транзистор с утечкой и т.д.)....цоколёвку транзисторов можно проверить прозвонкой...2,4 В от его истока или от общего ??? (хотя в данном случае это маловажно, но неопределённо указано....)


Вернуться наверх
 
Не в сети
 Заголовок сообщения: Re: Можно ли один p-Mosfet открывать разными источниками сиг
СообщениеДобавлено: Вт янв 05, 2021 19:54:17 
Первый раз сказал Мяу!

Зарегистрирован: Пн июн 16, 2014 01:01:37
Сообщений: 28
Рейтинг сообщения: 0
С дефектами пайки разобрался. Схема заработала.

Теперь возникла проблема: кратковременное открытие Q18 в момент подачи на него питания.
Что делать?


Вернуться наверх
 
Не в сети
 Заголовок сообщения: Re: Можно ли один p-Mosfet открывать разными источниками сиг
СообщениеДобавлено: Вт янв 05, 2021 20:14:26 
Собутыльник Кота

Карма: 14
Рейтинг сообщений: 472
Зарегистрирован: Вс фев 02, 2020 09:12:37
Сообщений: 2804
Рейтинг сообщения: 1
вся схема у тебя, тебе и думать...тот кусок, что как-то примерно выложен, включаться не будет...где-то на схемах используются и конденсаторы...(а у тебя хз, где они....)


Вернуться наверх
 
Не в сети
 Заголовок сообщения: Re: Можно ли один p-Mosfet открывать разными источниками сиг
СообщениеДобавлено: Вт янв 05, 2021 22:18:17 
Первый раз сказал Мяу!

Зарегистрирован: Пн июн 16, 2014 01:01:37
Сообщений: 28
Рейтинг сообщения: 0
Конкретный кусок "работает" именно в том виде, в каком выложен.
Схема тоже подает признаки жизни, но до конца ещё не отлажена.
В Proteus запускал вместе с прошивкой.

Почему "работает" в кавычках - не нравится, что в момент подачи питания от батареи на некоторое время включается VBUS. Подозреваю, что из-за емкости затвора Q18.

А в момент штатной подачи питания на VBUS кратковременно срабатывают Q7 и Q14 (верхние 3 и 4 квадрат считая справа), хотя напряжение +6V на конденсаторах постоянно присутствует в "спящем режиме". Т.е. подозрение, что микроконтроллер где-то в момент начальной настройки портов выдает какие-то короткие импульсы .

MC - это moving coil - есть опасность, что из-за этих импульсов произойдет срабатывание механики.

Почем схема именно такая - это обратная разработка.
Собственно, это фотоаппарат.


Вложения:
sch.pdf [197.02 KiB]
Скачиваний: 103
Вернуться наверх
 
Не в сети
 Заголовок сообщения: Re: Можно ли один p-Mosfet открывать разными источниками сиг
СообщениеДобавлено: Вт янв 05, 2021 22:30:42 
Собутыльник Кота

Карма: 14
Рейтинг сообщений: 472
Зарегистрирован: Вс фев 02, 2020 09:12:37
Сообщений: 2804
Рейтинг сообщения: 1
ёмкость затвора в данном случае играет положительную роль (задерживает открывание), а то, что приходит управление на затвор - нужно разбираться со входными сигналами...


Вернуться наверх
 
Не в сети
 Заголовок сообщения: Re: Можно ли один p-Mosfet открывать разными источниками сиг
СообщениеДобавлено: Вт янв 05, 2021 22:36:08 
Первый раз сказал Мяу!

Зарегистрирован: Пн июн 16, 2014 01:01:37
Сообщений: 28
Рейтинг сообщения: 0
А разве на наоборот?
При подаче питания на истоке уже есть +6В, а затвор ещё не зарядился через подтягивающий 10кОм. И некоторое время транзистор открыт.
Ошибаюсь?

Речь идет не про штатное открытие сигналом от МК через NPN bc817, а про момент подачи питания в схему.


Вернуться наверх
 
Не в сети
 Заголовок сообщения: Re: Можно ли один p-Mosfet открывать разными источниками сиг
СообщениеДобавлено: Вт янв 05, 2021 22:44:16 
Друг Кота
Аватар пользователя

Карма: 139
Рейтинг сообщений: 2918
Зарегистрирован: Чт янв 10, 2008 22:01:02
Сообщений: 24587
Откуда: Московская область, Фрязино
Рейтинг сообщения: 1
на истоке уже есть +6В, а затвор ещё не зарядился

Заряжается не затвор, а ЕМКОСТЬ затвор-исток. И с чего бы ей заряжаться, если нет разности потенциалов?


Вернуться наверх
 
Не в сети
 Заголовок сообщения: Re: Можно ли один p-Mosfet открывать разными источниками сиг
СообщениеДобавлено: Вт янв 05, 2021 23:24:33 
Первый раз сказал Мяу!

Зарегистрирован: Пн июн 16, 2014 01:01:37
Сообщений: 28
Рейтинг сообщения: 0
Допустим, у bc817обратный ток коллектора 100нА. Их там четыре.
Предположил как совершенный непрофессионал.

Если теоретически такое невозможно, то спишем на флюс и дефекты пайки, хотя я использовал FluxPlus.
Хочется перед заказом в JLCpcb хоть один полностью рабочий прототип сделать.

Меня больше беспокоит срабатывание соленоида при загрузке микроконтроллера.

Естественно, всё пишу в AtmelStudio7, а не в ардуино.


Вернуться наверх
 
Не в сети
 Заголовок сообщения: Re: Можно ли один p-Mosfet открывать разными источниками сиг
СообщениеДобавлено: Вт янв 05, 2021 23:30:44 
Друг Кота
Аватар пользователя

Карма: 139
Рейтинг сообщений: 2918
Зарегистрирован: Чт янв 10, 2008 22:01:02
Сообщений: 24587
Откуда: Московская область, Фрязино
Рейтинг сообщения: 1
у bc817обратный ток коллектора 100нА.
Так посчитайте делитель с 10 кОм между затвором и истоком. И причем тут переходный процесс? Заряд емкости через утечку - явно не дифференцирующий процесс...
ЗЫ. Когда Вы пишите код для МК, нужно учесть дефолтное значение портов и при необходимости сделать внешнюю подтяжку на пассивный уровень.


Вернуться наверх
 
Не в сети
 Заголовок сообщения: Re: Можно ли один p-Mosfet открывать разными источниками сиг
СообщениеДобавлено: Вт янв 05, 2021 23:51:54 
Первый раз сказал Мяу!

Зарегистрирован: Пн июн 16, 2014 01:01:37
Сообщений: 28
Рейтинг сообщения: 0
сделать внешнюю подтяжку на пассивный уровень.

Дефолтное значение - это все нули, которые указаны в мануале, т.е. вход+Hi-Z или при загрузке может что-то другое быть?


Вернуться наверх
 
Не в сети
 Заголовок сообщения: Re: Можно ли один p-Mosfet открывать разными источниками сиг
СообщениеДобавлено: Вт янв 05, 2021 23:54:20 
Друг Кота
Аватар пользователя

Карма: 139
Рейтинг сообщений: 2918
Зарегистрирован: Чт янв 10, 2008 22:01:02
Сообщений: 24587
Откуда: Московская область, Фрязино
Рейтинг сообщения: 0
Обычно да, это третье состояние. Поэтому внешняя подтяжка и определит начальный уровень. Далее при инициализации нужно следить за тем, чтобы ни в какой момент времени не появилось активного уровня на обсуждаемых пинах вплоть до момента штатного управления. Вот и все.


Вернуться наверх
 
Не в сети
 Заголовок сообщения: Re: Можно ли один p-Mosfet открывать разными источниками сиг
СообщениеДобавлено: Ср янв 06, 2021 00:05:32 
Собутыльник Кота

Карма: 14
Рейтинг сообщений: 472
Зарегистрирован: Вс фев 02, 2020 09:12:37
Сообщений: 2804
Рейтинг сообщения: 0
емкости линий к датчикам тоже нужно учитывать, могут дать нежелательный эффект....


Вернуться наверх
 
Показать сообщения за:  Сортировать по:  Вернуться наверх
Начать новую тему Ответить на тему  [ Сообщений: 22 ]  1,  

Часовой пояс: UTC + 3 часа


Кто сейчас на форуме

Сейчас этот форум просматривают: нет зарегистрированных пользователей и гости: 23


Вы не можете начинать темы
Вы не можете отвечать на сообщения
Вы не можете редактировать свои сообщения
Вы не можете удалять свои сообщения
Вы не можете добавлять вложения

Найти:
Перейти:  


Powered by phpBB © 2000, 2002, 2005, 2007 phpBB Group
Русская поддержка phpBB
Extended by Karma MOD © 2007—2012 m157y
Extended by Topic Tags MOD © 2012 m157y