РадиоКот :: Универсальный усилитель для проверки электронных устройств
Например TDA7294

Эиком - электронные компоненты и радиодетали
РадиоКот >Схемы >Аналоговые схемы >Усилители >

Теги статьи: Добавить тег

Универсальный усилитель для проверки электронных устройств

Автор: Sobiratel_sxem
Опубликовано 30.12.2025
Создано при помощи КотоРед.

     Добрый день, уважаемые радиолюбители.
     Продолжая разговор о конструкциях для начинающих, сегодня мы поговорим с вами о пятнадцатой конструкции – универсальном усилителе для проверки электронных устройств. Данная конструкция относится к конструкциям средней сложности. Схема электрическая принципиальная усилителя приведена на рисунке ниже. Рассмотрим кратко принцип её работы.

     Итак, на вход усилителя сигнал поступает через один из двух разъемов – X1 либо X2. Разъем X1 – это стандартный разъём TRS-3.5 (более известный как jack 3.5). Благодаря применению дополнительных резисторов обвязки R1-R4 появляется возможность настроить вход на работу как с моно-сигналом (припаяв только один из резисторов R3 либо R4), так и произвести смешение каналов стереосигнала (припаяв оба резистора). Кроме того, применение резисторов R1 и R2 позволяет соединить вход усилителя с общим проводом при вытаскивании вилки из розетки X1 через резисторы с относительно небольшим сопротивлением. Резисторы R1-R4 устанавливаются при необходимости в зависимости от требуемой конфигурации входа.
     Альтернативным способом подачи входного сигнала является штыревой разъём X2 типа PLD-04 - достаточно широко применяемый штыревой разъём с шагом 2.54 мм. В такой конфигурации входной сигнал можно подать только в режиме моно т.е. использовать один канал.
     С входного разъёма сигнал через разделительный конденсатор C3 поступает на вход буферного усилителя на операционном усилителе DA1.1, выполненного по схеме повторителя сигнала. Применение буферного усилителя необходимо для согласования выходного сопротивления источника сигнала с входным сопротивлением усилителя.
     С выхода буферного усилителя сигнал поступает на вход неинвертирующего предварительного усилителя, выполненного на операционном усилителе DA1.2. Коэффициент усиления данного усилителя определяется соотношением резисторов R10 к R9 и при приведённых на схеме номиналах равен 11.
     Изначально операционные усилителя DA1.1 и DA1.2 рассчитаны на работу с двухполярным источником питания. Применение однополярного источника питания потребовало создания искусственной средней точки делителем напряжения R6/R8 и подачи этого напряжения через резистор R7 на неинвертирующий вход операционного усилителя DA1.1. О подобном подходе мы уже рассказывали ранее в статье «Термодатчик с интервальной шкалой» [4]. Конденсаторы С1, С2 – дополнительный фильтр напряжения искусственной средней точки [1,2,6].
     Кроме того, резистор отрицательной обратной связи R10 в совокупности с конденсатором С5 образуют фильтр нижних частот (ФНЧ) с частотой среза около 22 кГц. Данный фильтр фактически ограничивает полосу пропускания неинвертирующего усилителя сверху.
     С выхода неинвертирующего усилителя сигнал поступает на вход трёхзвенного RC-фильтра, выполненного на резисторах R11-R13 и конденсаторах C6-C8. Фактически данный фильтр также является ФНЧ, но с частотой среза около 23 кГц. Данный фильтр дополнительно обеспечивает более крутой спад суммарной амплитудно-частотной характеристики рассматриваемого усилителя за пределами звукового диапазона.
     С выхода фильтра сигнал через регулятор громкости R14 и разделительный конденсатор С14 поступает на вход усилителя мощности (оконечного усилителя), выполненного на микросхеме DA2. Включение микросхемы DA2 типовое.      Единственным отличием является возможность регулировки коэффициента усиления примерно в 2 раза путём подключения дополнительного внешнего резистора R16 перемычкой J1. Фактически данный резистор подключается параллельно внутреннему резистору отрицательной обратной связи [1,2,5].
     С выхода оконечного усилителя, через разделительный конденсатор С17 сигнал поступает на выходные разъемы X3 и X6. Разъем X6 аналогичен разъёму X1, а разъём X3 – разъёму X2. Применение дополнительных резисторов R17, R18 позволяет подключить на выход усилителя либо один из двух каналов, либо включить каналы параллельно.
     Конденсаторы С9-С13 – дополнительный фильтр напряжения питания усилителя.
     Диод VD1 – защитный диод от подключения источника питания в неправильной полярности (переполюсовки).
     Диод VD2 – защита от статического электричества и кратковременного превышения напряжения питания. Вторая функция обеспечивается в совокупности с самовосстанавливающимся предохранителем F1.
     Правильно собранный усилитель в настройке не нуждается и начинает работать сразу после включения.
     На фото ниже показана изготовленная печатная плата усилителя.

А в следующей подборке фото показан собранный усилитель во время проведения испытаний.

     На видео ниже представлен контрольный запуск усилителя при проведении испытаний.

     По видео хорошо видно, что усилитель работает исправно.
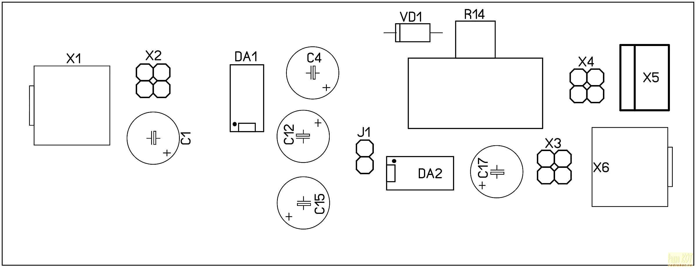
     На рисунках ниже представлен сборочный чертёж печатного узла описываемого усилителя.

     Тут следует отметить, что выводные компоненты устанавливаются с обратной стороны от проводящего рисунка, а компоненты для поверхностного монтажа – со стороны проводящего рисунка. При этом сборочный чертеж выполнен так, если бы мы смотрели на печатный узел как раз со стороны проводящего рисунка. Это необходимо учитывать при установке микросхем, диодов, а также полярных конденсаторов.
     В файле 01.zip представлен сборочный чертеж печатного узла в формате Sprint Layout 6, а также схема электрическая принципиальная в формате SPlan для возможности самостоятельного изготовления устройства.
     А на этом на сегодня всё. С уважением, Андрей.


Список использованной литературы:

1. Хоровиц П., Хилл У. Искусство схемотехники: В 3-х томах/ Пер. с англ.: Б. Н. Бронина, И. И. Короткевич, А. И. Коротова и др. — Изд. 4-е, переработанное и дополненное. — М.: Мир, 1993
2. Титце У., Шенк К. Полупроводниковая схемотехника: Справочное руководство / Перевод с нем. под ред. д-ра техн. наук А. Г. Алексенко. — М.: Мир, 1982. — 512 с.
3. Видео с испытаний усилителя
4. Термодатчик с интервальной шкалой
5. LM386, технические характеристики
6. TL062, технические характеристики

 


Файлы:
01.zip


Все вопросы в Форум.




Как вам эта статья?

Заработало ли это устройство у вас?

5 2 1