![]() |
![]() |
||||||||||||
ФМ радиоприемник в корпусе Сокол 304
Автор: bondalex Давно хотел разработать для себя радиоприемник с синтезатором частоты. Главные критерии – удобство в работе, надежность, минимальное количество органов управления. У меня ностальгия по советским радиоприемникам, поэтому решил, что данный обязательно будет в таком корпусе.
Остановился на радиоприемнике Сокол 304 (он же Сокол 404, Сокол 204). Этот корпус наиболее удобен для переделки: легко разбирается, цвет – черный, практичный, не желтеет, хороший динамик 0,5ГД-37. Элементы питания – емкие батарейки или аккумуляторы типа АА, а не «Крона». Прямоугольное, достаточно большое окно шкалы позволяет разместить под ним LCD дисплей. Ручки управления на передней панели очень удобные, регулятор громкости крепится на плату гайкой. Вместо варньера настройки предполагается установить энкодер, прямо на плату, подобрав по высоте. Вал энкодера с насечками хорошо стыкуется с пластиковой ручкой управления, внутри которой также есть насечки. Есть разъем под наушник типа ТМ и разьем для подключения внешнего блока питания.
Этот радиоприемник наша промышленность выпустила в достаточно большом количестве, поэтому проблем с приобретением не возникает.
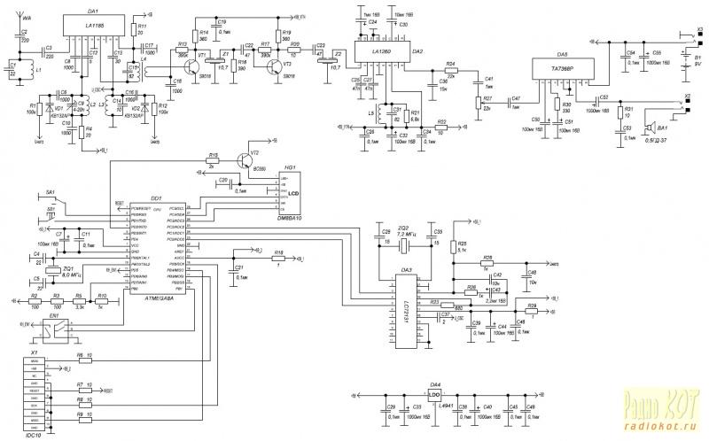
В итоге был разработан радиоприемник на синтезаторе частоты в корпусе Сокол 403. В радиоприемнике два режима – режим сканирования по частоте 88-108МГц с запоминанием радиостанций в память микроконтроллера и режим переключения между станциями в памяти. Сканирование частоты и переключение станций осуществляется энкодером. Сканирование происходит с шагом 100кГц. Схема радиоприемника приведена ниже.
Радиоприемник выполнен по супергетеродинной схеме. В качестве FrontEnd выбрана микросхема LA1185 (аналог TA7358). Эта микросхема отлично зарекомендовала себя в качестве конвертора, в радиоприемнике она тоже отлично работает. Имеет хорошую чувствительность, малый ток потребления, простую схему включения. Для перестройки по частоте выбраны варикапы КВ132АР – комплект из подобранных по параметрам варикапов. При управляющем напряжении 0-5В, диапазона перестройки хватает с запасом. Катушки L1 и L2 содержит 3,5 витка диаметром 5мм, катушка L3 - 2,5 витка диаметром 5мм. Для намотки катушек я использовал сверло диаметром 5мм. Провод 0,5-0,7мм.
С выходного трансформатора FrontEnd сигнал ПЧ усиливается двухкаскадным предварительным УПЧ на транзисторах S9018. Необходимая избирательность обеспечивается керамическими фильтрами SFE10,7. Далее сигнал ПЧ усиливается микросхемой LA1260 - УПЧ и детектор. Эта микросхема также имеет простую схему включения. Для детектирования используется контур, а не дискриминатор. Это позволяет получить минимум искажений. Трансформатор ПЧ и дискриминатор можно использовать от китайского радиоприемника или приобрести на Aliexpress. Контура бывают с размерами 10х10мм и 7х7мм. Наш 10х10мм. Сигнал НЧ усиливается микросхемой УНЧ – TA7368. Эта микросхема позволяет при питающем напряжении 9В получить выходную мощность до 1 Вт на нагрузке 8В. Мне эта микросхема УНЧ нравится тем, что позволяет регулировать коэффициент усиления внешним резистором. Нагрузкой УНЧ является динамическая головка 0,5ГД-37 сопротивлением 8Ом. Этот динамик очень приятно звучит в отличии от большинства китайских аналогов в аналогичных приемниках. Конечно басов от него не получить, но этого и не требуется. В качестве синтезатора используется микросхема LC72131. Управление синтезатором довольно простое, если немного вникнуть. О нем в интернете много информации, все подробно описано. Главное опасение было насчет ФАПЧ, ее устойчивости. С используемыми в схеме элементами ФНЧ проблем с устойчивостью не возникло. Было изготовлено три радиоприемника с небольшими схемотехническими изменениями, но все они работали хорошо. В качестве управляющего микроконтроллера используется распространенный микроконтроллер ATmega8. Для переключателя, кнопки, энкодера используются встроенные в микроконтроллер подтягивающие резисторы. В качестве дисплея используется 10 разрядный 16 сегментный буквенно-цифровой ЖК дисплей с подсветкой и управлением по SPI. Его размеры идеально подходят для размещения вместо шкалы. Для управления дисплеем была написана библиотека. Проект разработан в среде CodeVisionAVR. В приемнике есть схема контроля питания. При снижении напряжения батареи до 5,5В приемник выключается – контроллер и ЖК дисплей уходят в сон, при этом аналоговая часть работает, но не управляется, это указывает на то, что батарея разрядилась. Печатная плата для радиоприемника разработана в программе Sprint-Layout 5.1 и изготовлена с помощью ЛУТ. Луженная:
Большинство элементов для изготовления радиоприемника можно приобрести на Aliexpress. Но я лично микросхемы покупал в российских магазинах, так как элементы, купленные в Китае – это лотерея.
Собранная плата: Плата в корпусе:
Программирование микроконтроллера осуществляется с помощью программы Avrdudeprog 3.3. FUSE биты для программирования:
Вот готовый радиоприемник в корпусе:
С включенной подсветкой:
Собранный приемник отлично работает. У меня есть приемник Degen DE-1103. Но его я берегу. Новый радиоприемник больше подходит для ежедневного использования. Сравнил чувствительность данного приемника с Degen в диапазоне ФМ. Она примерно на том же уровне, чуть хуже, но меня вполне устраивает.
Инструкция по настройке. Собранный приемник, если не допущено ошибок в монтаже, после программирования начинает работать сразу. Необходимо настроить ВЧ тракт. Сначала подключаем антенну, бывший переключатель диапазонов – теперь переключатель режимов сканирование/память переводим в положение сканирование. Сканируя диапазон, находим какую-нибудь станцию. Теперь вращаем сердечник катушки дискриминатора L5 добиваемся наиболее громкого и неискаженного приема. Далее, настроившись на станцию, принимаемую с шумами, вращаем сердечник катушки L4 и также добиваемся наиболее громкого и неискаженного приема. Далее настраиваем бескаркасные катушки. Катушка гетеродина L3 обычно настройки не требует. Настраиваем катушку преселектора L2. Для этого на время выпаиваем конденсаторы – подстроечный С9 и постоянный С14 (можно их изначально не впаивать до настройки). Далее, настроившись на станцию в нижнем краю диапазона, принимаемую с шумами, раздвигая витки катушки L2, добиваемся наиболее громкого и неискаженного приема. Впаиваем обратно конденсаторы С9 и С14 и настроившись на станцию в верхнем краю диапазона, принимаемую с шумами, вращением ротора подстроечного конденсатора С9, добиваемся наиболее громкого и неискаженного приема. Катушку L1 можно не настраивать. Можно повторить 2-3 раза, описанные выше действия, чтоб добиться наилучшего приема. На этом настройку ВЧ тракта можно считать законченной.
Инструкция по управлению приемником.
При первом включении, переключатель диапазонов приемника переводим в режим сканирования. Вращая энкодер по часовой стрелке, сканируем диапазон, начиная с частоты 87.0 МГц с шагом 100кГц. Находим первую станцию, нажимаем кнопку энкодера и сохраняем станцию в первую ячейку памяти. При этом указатель ячейки переходит на следующую. Снова вращая энкодер, находим следующую станцию и нажимая на кнопку энкодера сохраняем ее во вторую ячейку памяти и т.д. пока не заполним все 50 ячеек или достигнем верхней границы ФМ диапазона.
Если нажать на кнопку в отверстии под переключателем диапазонов, тоесть режимов, то очищаем всю память.
Переключатель диапазонов приемника переводим в режим переключения станций. Вращая энкодер переключаемся между сохраненными станциями. По кольцу по часовой стрелке или против часовой стрелке.
Если нажать кнопку энкодера в этом режиме - включаем/выключаем подсветку дисплея.
Файлы: Все вопросы в Форум.
Эти статьи вам тоже могут пригодиться: |
|
||||||||||||
![]() |
![]() |


![]() |
||||
|
|
||||































